A Novel Traffic Scheduling Algorithm for Multi-CQF Using Mixed Integer Programming and Variable Neighborhood Search Genetic Algorithm in Time-Sensitive Networking
Abstract
1. Introduction
- For Multi-CQF, a novel traffic queuing model has been devised to enhance efficient flow transmission and resource utilization. This proposed model helps maintain load balancing throughout the scheduling process, thereby improving overall resource utilization on a global scale.
- A scheduling generation tool based on an MIP solver has been developed. This proposed method leverages the precision and efficiency of MIP to explore optimal scheduling schemes within search processes of small-traffic networks.
- In large-traffic networks, the use of the VNS-GA for addressing combinatorial optimization problems aims to discover superior scheduling schemes. By iteratively altering search neighborhoods, this proposed method mitigates the risk of converging to local optima and enhances its efficiency and performance.
2. Related Work
3. The Proposed Scheme
3.1. System Model
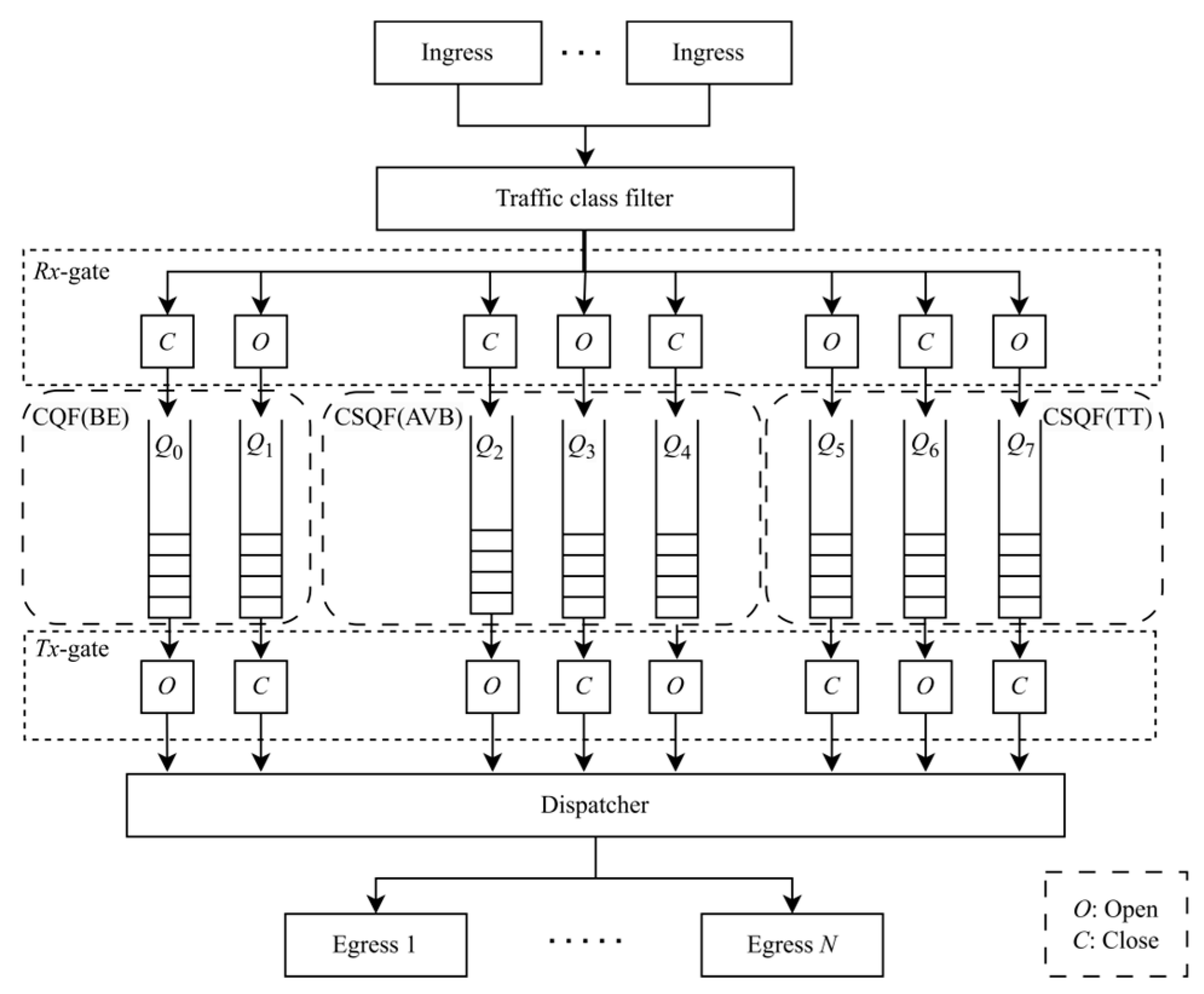
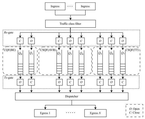
3.1.1. Architecture Model
3.1.2. Traffic Model
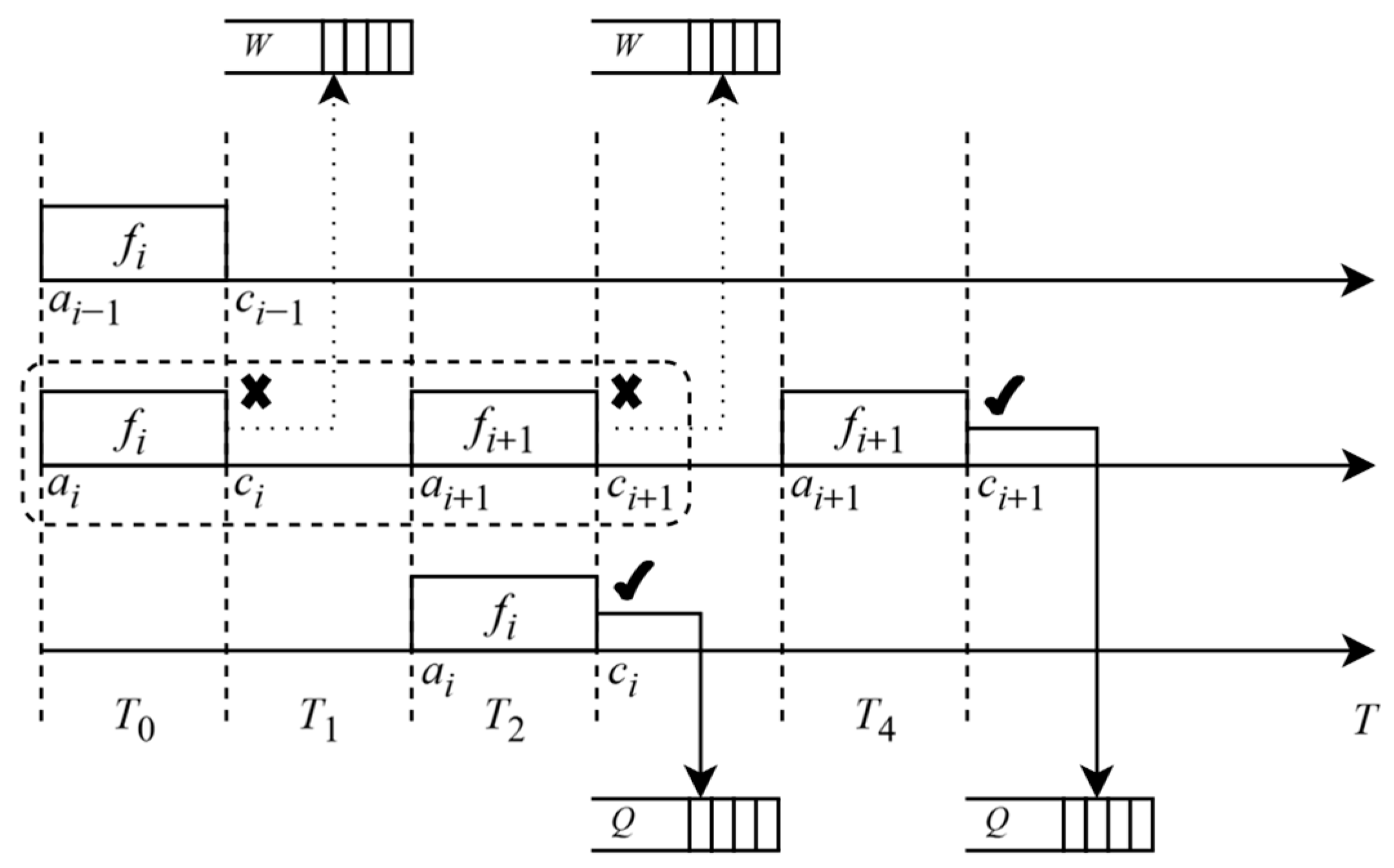
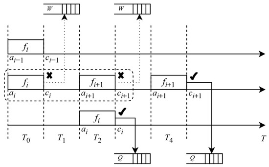
3.1.3. Multi-CQF
3.2. Problem Formulation
3.2.1. Objective Function
3.2.2. Offset Constraint
3.2.3. Term Constraints
3.2.4. Time Slot Constraints
3.3. Scheduling Methods and Optimization Strategies
3.3.1. Traffic Scheduling Model Based on Queuing Theory
3.3.2. MIP-Based Traffic Scheduling in Small-Traffic TSN
3.3.3. VNS-GA-Based Traffic Scheduling in Large-Traffic TSN
4. Performance Evaluation
4.1. Simulation Environments
4.2. Simulation Results
4.2.1. Latency with Different Iterations in the VNS-GA
4.2.2. Average Delay in Small-Traffic TSN Network
4.2.3. Average Delay in Large-Traffic TSN Network
4.2.4. Resource Utilization
4.2.5. Variance of Resource Distribution
4.2.6. Execution Time
4.2.7. Average Delay with Flows of Different Priorities
4.2.8. CQF, CSQF, Multi-CQF
4.2.9. Bi-Objective Lexicographical Statistical Analysis
5. Conclusions
Author Contributions
Funding
Institutional Review Board Statement
Informed Consent Statement
Data Availability Statement
Acknowledgments
Conflicts of Interest
References
- Bhat, S.A.; Huang, N.-F.; Sofi, I.B.; Sultan, M. Agriculture-food supply chain management based on blockchain and IoT: A narrative on enterprise blockchain interoperability. Agriculture 2022, 12, 40. [Google Scholar] [CrossRef]
- Xu, L.D.; He, W.; Li, S. Internet of things in industries: A survey. IEEE Trans. Ind. Inform. 2014, 10, 2233–2243. [Google Scholar] [CrossRef]
- Khanmohamadi, M.; Guerrieri, M. Smart Intersections and Connected Autonomous Vehicles for Sustainable Smart Cities: A Brief Review. Sustainability 2025, 17, 3254. [Google Scholar] [CrossRef]
- Omari Alaoui, A.; Oumoulylte, M.; Oubalahcen, H.; Boutahir, M.K.; Hessane, A.; El Allaoui, A. Real-time traffic signal adjustment using YOLOv8 for improved integration of emergency vehicles in smart traffic systems. Signal Image Video Process. 2025, 19, 576. [Google Scholar] [CrossRef]
- Oza, P.; Hudson, N.; Chantem, T.; Khamfroush, H. Deadline-aware task offloading for vehicular edge computing networks using traffic light data. ACM Trans. Embed. Comput. Syst. 2024, 23, 8. [Google Scholar] [CrossRef]
- Tomar, I.; Sreedevi, I.; Pandey, N. State-of-art review of traffic light synchronization for intelligent vehicles: Current status, challenges, and emerging trends. Electronics 2022, 11, 465. [Google Scholar] [CrossRef]
- Standard 802.1Q-2018 Ed.; IEEE Standard for Local and Metropolitan Area Networks–Bridges and Bridged Networks. IEEE Standards Association: Piscataway, NJ, USA, 2018.
- Messenger, J.L. Time-sensitive networking: An introduction. IEEE Commun. Stand. Mag. 2018, 2, 29–33. [Google Scholar] [CrossRef]
- Fischer, F.; Merli, D. Security Considerations for IEEE 802.1 time-sensitive networking in converged industrial networks. In Proceedings of the 2022 International Conference on Electrical, Computer, Communications and Mechatronics Engineering (ICECCME), Maldives, Maldives, 16–18 November 2022; pp. 1–7. [Google Scholar]
- Standard 802.1AS-2020; IEEE Standard for Local and Metropolitan Area Networks–Timing and Synchronization for Time-Sensitive Applications. IEEE Standards Association: Piscataway, NJ, USA, 2020.
- IEEE802.1QbvStandard, Std. Available online: https://www.ieee802.org/1/pages/802.1bv.html (accessed on 20 October 2024).
- IEEE 802.1Qch Standard, Std. Available online: https://1.ieee802.org/tsn/802-1qch/ (accessed on 15 September 2024).
- Finn, N. Multiple Cyclic Queuing and Forwarding. Available online: https://www.ieee802.org/1/files/public/docs2021/new-finn-multiple-CQF-0921-v02.pdf (accessed on 11 October 2024).
- Nasrallah, A.; Balasubramanian, V.; Thyagaturu, A.S.; Reisslein, M. Cyclic queuing and forwarding for large scale deterministic networks: A. survey. arXiv 2019, arXiv:1905.08478. [Google Scholar]
- Chen, M.; Geng, X.; Li, Z. Segment Routing (SR) Based Bounded Latency. Internet Engineering Task Force, Internet-Draft Draft-Chendetnet-sr-Based-Bounded-Latency-00. 2018. Available online: https://www.ietf.org/proceedings/103/slides/slides-103-detnet-09-sr-based-bounded-latency-00.pdf?__cf_chl_tk=0e9Rg0tGSoYDZjElZrf1tw6cY4sLYr4NZXxOxwSmIaA-1751351240-1.0.1.1-7oXAAIWoiZouNdpZNlOr5muOztoozT9ZYviQiy5VRXA (accessed on 13 January 2025).
- Huang, Y.; Wang, S.; Huang, T.; Liu, Y. Cycle-based time-sensitive and deterministic networks: Architecture, challenges, and open issues. IEEE Commun. Mag. 2022, 60, 81–87. [Google Scholar] [CrossRef]
- Craciunas, S.S.; Oliver, R.S.; Chmelík, M.; Steiner, W. Scheduling real-time communication in IEEE 802.1 Qbv time sensitive Networks. In Proceedings of the 24th International Conference on Real-Time Networks and Systems, Brest, France, 19–21 October 2016; Association for Computing Machinery: New York, NY, USA; pp. 183–192. [Google Scholar]
- Craciunas, S.S.; Oliver, R.S.; Steiner, W. Formal scheduling constraints for time-sensitive networks. arXiv 2017, arXiv:1712.02246. [Google Scholar]
- Oliver, R.S.; Craciunas, S.S.; Steiner, W. IEEE 802.1 Qbv gate control list synthesis using array theory encoding. In Proceedings of the 2018 IEEE Real-Time and Embedded Technology and Applications Symposium (RTAS), Porto, Portugal, 11–13 April 2018; IEEE: Piscataway, NJ, USA, 2018; pp. 13–24. [Google Scholar]
- Ultra-Low Latency (ULL) Networks: The IEEE TSN and IETF DetNet Standards and Related 5G ULL Research. Proc. IEEE Commun. Surveys Tutor. 2018, 21, 88–145.
- Dürr, F.; Nayak, N.G. No-wait packet scheduling for IEEE time-sensitive networks (TSN). In Proceedings of the 24th International Conference on Real-Time Networks and Systems, Brest, France, 19–21 October 2016; Association for Computing Machinery: New York, NY, USA, 2016; pp. 203–212. [Google Scholar]
- Gao, J.; Zhu, X.; Bai, K.; Zhang, R. New controllable processing time scheduling with subcontracting strategy for no-wait job shop problem. Int. J. Prod. Res. 2022, 60, 2254–2274. [Google Scholar] [CrossRef]
- Wang, X.; Yao, H.; Mai, T.; Guo, S.; Liu, Y. Reinforcement Learning-Based Particle Swarm Optimization for End-to-End Traffic Scheduling in TSN-5G Networks. IEEE/ACM Trans. Netw. 2023, 31, 3254–3268. [Google Scholar] [CrossRef]
- Yan, J.; Quan, W.; Jiang, X.; Sun, Z. Injection time planning: Making CQF practical in time-sensitive networking. In Proceedings of the IEEE INFOCOM 2020-IEEE Conference on Computer Communications, Toronto, ON, Canada, 6–9 July 2020; IEEE: Piscataway, NJ, USA, 2020; pp. 616–625. [Google Scholar]
- Zhang, Y.; Xu, Q.; Xu, L.; Chen, C.; Guan, X. Efficient flow scheduling for industrial time-sensitive networking: A divisibility theory-based method. IEEE Trans. Ind. Inform. 2022, 18, 9312–9323. [Google Scholar] [CrossRef]
- Quan, W.; Yan, J.; Jiang, X.; Sun, Z. On-line traffic scheduling optimization in IEEE 802.1 Qch based time-sensitive networks. In Proceedings of the 2020 IEEE 22nd International Conference on High Performance Computing and Communications; IEEE 18th International Conference on Smart City; IEEE 6th International Conference on Data Science and Systems (HPCC/SmartCity/DSS), Yanuca Island, Cuvu, Fiji, 14–16 December 2020; IEEE: Piscataway, NJ, USA, 2020; pp. 369–376. [Google Scholar]
- Alexandris, K.; Pop, P.; Wang, T. Configuration and evaluation of multi-CQF shapers in IEEE 802.1 time-sensitive networking (TSN). IEEE Access 2022, 10, 109068–109081. [Google Scholar] [CrossRef]
- Carvalho, I.A. On the statistical evaluation of algorithmic’s computational experimentation with infeasible solutions. Inf. Process. Lett. 2019, 143, 24–27. [Google Scholar] [CrossRef]
- IEEE 802.1 Working Group. IEC/IEEE 60802 TSN Profile for Industrial Automation. 2021. Available online: https://1.ieee802.org/tsn/iec-ieee-60802/ (accessed on 13 March 2025).

















| Frame | Period | Transmission Delay | Route |
|---|---|---|---|
| f1 | 500 | 10 | [ES1, SW1] [SW1, SW2] [SW2, ES3] |
| f2 | 1000 | 20 | [ES1, SW1] [SW1, SW3] [SW3, ES3] |
| f3 | 500 | 10 | [ES2, SW3] [SW3, ES3] |
| f4 | 1000 | 20 | [ES2, SW3] [SW3, SW2] [SW2, ES3] |
| Parameters | Parameters Settings |
|---|---|
| Maximum number of iterations | 500 |
| Population size | 150 |
| Crossover probability | 0.7 |
| Mutation probability | 0.05 |
| Neighborhood search iteration count | 1500 |
| Method | Advantages | Limitations | Applicability/Notes |
|---|---|---|---|
| CP | Guarantees optimal solution | High computational cost | Suitable for small-scale problems |
| SA | Good global search ability | Sensitive to parameters | General-purpose |
| NG | Fast execution; low complexity | May produce suboptimal results | Useful for baseline or fast approximation |
| NV | Very fast; implementation-friendly | Ignores dynamic constraints | Mainly used for theoretical comparison |
| Flow Size | 125 | 250 | 500 | 750 | 1000 | 1250 | 1500 | 1750 | 2000 | 2250 | 2500 | 2750 | 3000 |
|---|---|---|---|---|---|---|---|---|---|---|---|---|---|
| Naive | 6 | 6 | 6 | 6 | 6 | 6 | 6 | 6 | 6 | 6 | 6 | 6 | 6 |
| Naive greedy | 5 | 5 | 5 | 5 | 5 | 5 | 5 | 5 | 5 | 5 | 5 | 5 | 5 |
| CP | 3 | 4 | 3 | 4 | 4 | 4 | 4 | 4 | 4 | 4 | 4 | 4 | 4 |
| SA | 4 | 3 | 4 | 2 | 2 | 2 | 2 | 2 | 2 | 2 | 2 | 2 | 2 |
| MIP | 1 | 1 | 1 | 3 | 3 | 3 | 3 | 3 | 3 | 3 | 3 | 3 | 3 |
| VNS-GA | 2 | 2 | 2 | 1 | 1 | 1 | 1 | 1 | 1 | 1 | 1 | 1 | 1 |
Disclaimer/Publisher’s Note: The statements, opinions and data contained in all publications are solely those of the individual author(s) and contributor(s) and not of MDPI and/or the editor(s). MDPI and/or the editor(s) disclaim responsibility for any injury to people or property resulting from any ideas, methods, instructions or products referred to in the content. |
© 2025 by the authors. Licensee MDPI, Basel, Switzerland. This article is an open access article distributed under the terms and conditions of the Creative Commons Attribution (CC BY) license (https://creativecommons.org/licenses/by/4.0/).
Share and Cite
Wang, C.; Lin, Z.; Zhao, Y.; Hu, F.; Huan, Z. A Novel Traffic Scheduling Algorithm for Multi-CQF Using Mixed Integer Programming and Variable Neighborhood Search Genetic Algorithm in Time-Sensitive Networking. Sensors 2025, 25, 4197. https://doi.org/10.3390/s25134197
Wang C, Lin Z, Zhao Y, Hu F, Huan Z. A Novel Traffic Scheduling Algorithm for Multi-CQF Using Mixed Integer Programming and Variable Neighborhood Search Genetic Algorithm in Time-Sensitive Networking. Sensors. 2025; 25(13):4197. https://doi.org/10.3390/s25134197
Chicago/Turabian StyleWang, Cheng, Zhiquan Lin, Yuhao Zhao, Fen Hu, and Zhan Huan. 2025. "A Novel Traffic Scheduling Algorithm for Multi-CQF Using Mixed Integer Programming and Variable Neighborhood Search Genetic Algorithm in Time-Sensitive Networking" Sensors 25, no. 13: 4197. https://doi.org/10.3390/s25134197
APA StyleWang, C., Lin, Z., Zhao, Y., Hu, F., & Huan, Z. (2025). A Novel Traffic Scheduling Algorithm for Multi-CQF Using Mixed Integer Programming and Variable Neighborhood Search Genetic Algorithm in Time-Sensitive Networking. Sensors, 25(13), 4197. https://doi.org/10.3390/s25134197

