Experimental Testing on Tuned Liquid Dampers for Implementation in Industrial Chimneys
Abstract
1. Introduction
1.1. Sloshing Frequency
1.2. Ratio of Masses and Liquid Depth Ratio
1.3. Effects of Multiple Rectangular TLD on a Structure
1.4. Damping
1.5. Pendulum Mechanics
1.6. Objectives
2. Materials and Methods
2.1. Shaking Table
2.2. Pendulum Systems
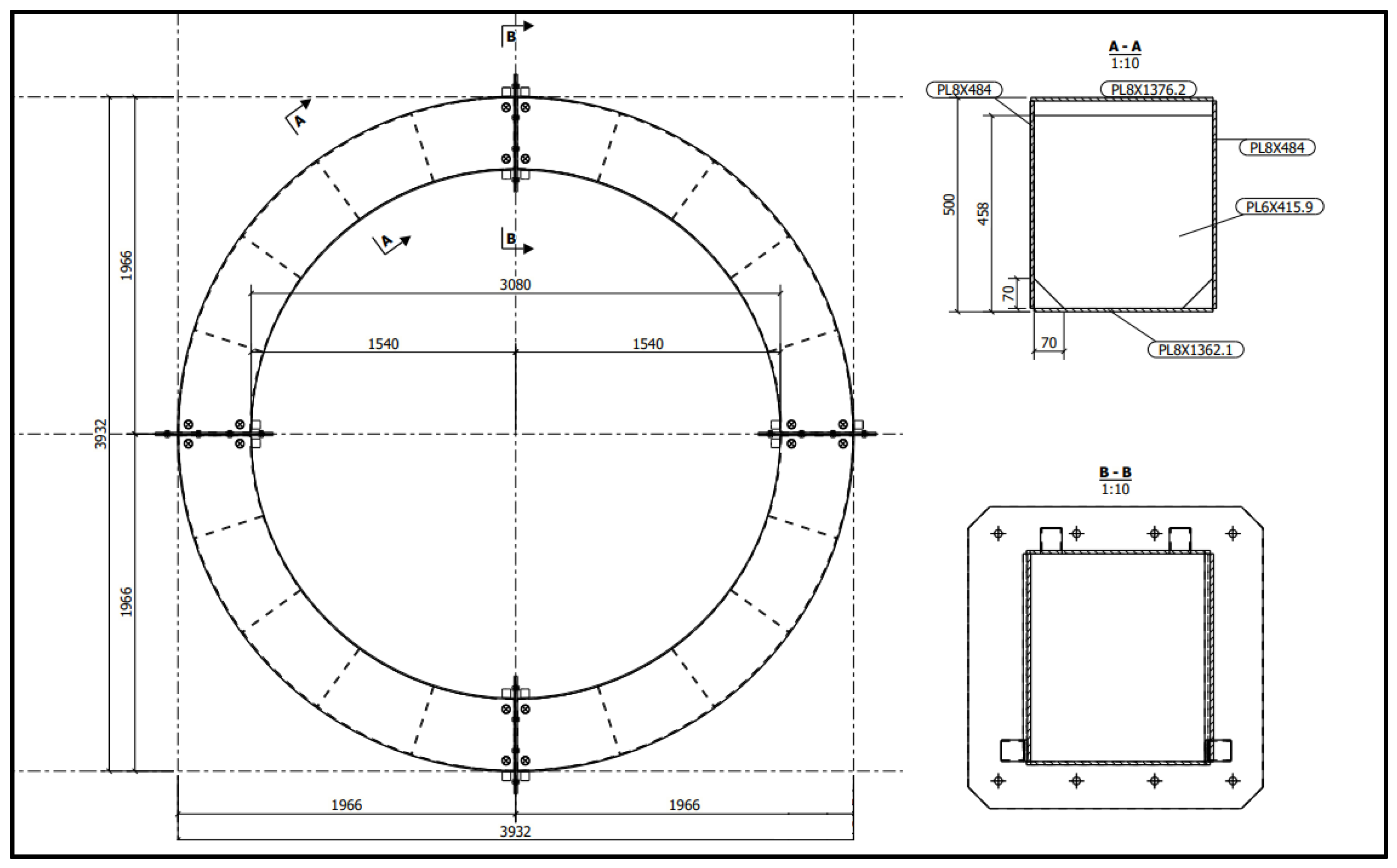
2.3. Reservoirs
2.4. Sensors
3. Results and Discussion
3.1. Tests with the Rectangular Reservoir Not Instaled on the Pendulum
3.2. Tests with the Reservoirs on the Smaller Pendulum
3.2.1. Interaction of the Rectangular TLD with the Smaller Pendulum
3.2.2. Interaction of the Ring Cell TLD with the Smaller Pendulum
3.3. Tests with the Larger Pendulum
Interaction of the Quarter Ring TLD with the Larger Pendulum
4. Conclusions
Author Contributions
Funding
Institutional Review Board Statement
Informed Consent Statement
Data Availability Statement
Acknowledgments
Conflicts of Interest
References
- Grala, P. Chaminés Industriais: Soluções para Atenuação de Vibrações Induzidas por Desprendimento de Vórtices. Master’s Thesis, Universidade Federal do Rio Grande do Sul, Porto Alegre, Brazil, 2013. [Google Scholar]
- Jorge, J.G.S. Definition of a Passive Damping System (TMD) for an Industrial Steel Chimney. Master’s Thesis, Instituto Superior Técnico, Lisboa, Portugal, 2018. [Google Scholar]
- An, Y.; Wang, Z.; Ou, G.; Pan, S.; Ou, J. Vibration mitigation of suspension bridge suspender cables using a ring-shaped tuned liquid damper. J. Bridge Eng. 2019, 24, 04019020. [Google Scholar] [CrossRef]
- Moutinho, C. Controlo Passivo e Activo de Vibrações em Pontes de Peões. Master’s Thesis, Universidade do Porto, Porto, Portugal, 1998. [Google Scholar]
- Yue, H.; Chen, J.; Xu, Q. Sloshing characteristics of annular tuned liquid damper (ATLD) for applications in composite bushings. Struct. Control Health Monit. 2018, 25, e2184. [Google Scholar] [CrossRef]
- Konar, T.; Ghosh, A.D. Use of deep liquid-containing tanks as dynamic vibration absorbers for lateral vibration control of structures: A review. Iran. J. Sci. Technol. Trans. Civ. Eng. 2021, 46, 753–769. [Google Scholar] [CrossRef]
- Corbi, O. Experimental Investigation on Sloshing Water Dampers Attached to Rigid Blocks. In Proceedings of the 5th WSEAS International Conference on Applied Computer Science, Hangzhou, China, 16–18 April 2006; Huang, W., Hu, Z.Y., Chen, Q.Z., Chen, S.Y., Eds.; World Scientific and Engineering Academy and Society (WSEAS): Stevens Point, WI, USA, 2006; pp. 682–687. [Google Scholar]
- Mondal, J.; Nimmala, H.; Abdulla, S.; Tafreshi, R. Tuned Liquid Damper. In Proceedings of the 3rd International Conference on Mechanical Engineering and Mechatronics, Prague, Czech Republic, 14–15 August 2014; p. 68. [Google Scholar]
- Warburton, G.B.; Ayorinde, E.O. Optimum absorber parameters for simple systems. Earthq. Eng. Struct. Dyn. 1980, 8, 197–217. [Google Scholar] [CrossRef]
- Konar, T.; Ghosh, A.D. A review on various configurations of the passive tuned liquid damper. J. Vib. Control. 2022, 29, 1945–1980. [Google Scholar] [CrossRef]
- NP EN 1991-1-4:2010; Eurocode 1—Actions on Structure—Part 1–4: General Actions—Wind Actions. Instituto Português da Qualidade: Caparica, Portugal, 2010.
- Sun, L.M.; Fujino, Y.; Pacheco, B.M.C. The Properties of Tuned Liquid Dampers Using a TMD Analogy. Earthq. Eng. Struct. Dyn. 1995, 24, 967–976. [Google Scholar] [CrossRef]
- Soong, T.T.; Spencer, B.F., Jr. Supplemental energy dissipation: State-of-the-art and state-of-the-practice. Eng. Struct. 2002, 24, 243–259. [Google Scholar] [CrossRef]
- Moutinho, C.; Cunha, A.; Caetano, E. Implementation of Active and Passive Control Systems in Laboratorial and Real Structures; Repositório Aberto da Universidade do Porto: Porto, Portugal, 2010. [Google Scholar]
- Jamal, O. Numerical Investigation of a Tuned Liquid Damper Performance Attached to a Single Degree of Freedom Structure. Master’s Thesis, McMaster University, Hamilton, ON, Canada, 2015. [Google Scholar]
- Bauer, H.F. Theory of Fluid Oscillations in a Circular Cylindrical Ring Tank Partially Filled with Liquid; NASA TN-D-557; National Aeronautics and Space Administration: Washington, DC, USA, 1960. [Google Scholar]
- Modi, V.J.; Welt, F. Damping of wind induced oscillation through liquid sloshing. J. Wind Eng. Indust. Aerodyn. 1988, 30, 85–94. [Google Scholar] [CrossRef]
- Ramos, L.J.S.T. Study and Simulation of the Synchronized Pedestrian Footstep Load and Passive Damping Solutions for Footbridges. Ph.D. Thesis, Universidade do Porto, Porto, Portugal, 2010. [Google Scholar]
- Ghaemmaghami, A.R.; Kianoush, R.; Mercan, O. Numerical modeling of dynamic behavior of annular tuned liquid dampers for the application in wind towers under seismic loading. J. Vib. Control. 2016, 22, 3858–3876. [Google Scholar] [CrossRef]
- Marulli, G.B. Experimental Testing on Tuned Liquid Dampers (TLD) Aiming Its Implementation on Industrial Chimneys. Master’s Thesis, Universidade do Porto, Porto, Portugal, 2023. [Google Scholar]
- Ibrahim, R.A.; Pilipchuk, V.N.; Ikeda, T. Recent advances in liquid sloshing dynamics. Appl. Mech. Rev. 2001, 54, 133–199. [Google Scholar] [CrossRef]
- Welt, F. A Study of Notation Dampers with Application to Wind-Induced Oscillations. Ph.D. Thesis, University of British Columbia, Vancouver, BC, Canada, 1988. [Google Scholar]
- Sun, L.M. Semi-Analytical Modelling of Tuned Liquid Damper (TLD) with Emphasis on Damping of Liquid Sloshing. Ph.D. Thesis, University of Tokyo, Tokyo, Japan, 1991. [Google Scholar]
- Fujino, Y.; Sun, L.M.; Pacheco, B.M.; Chaiseri, P. Tuned Liquid Damper (TLD) for Suppressing Horizontal Motion of Structures. J. Eng. Mech. 1992, 118, 2017–2030. [Google Scholar] [CrossRef]
- Novo, T.; Varum, H.; Teixeira-Dias, F.; Rodrigues, H.; Silva, M.F.; Costa, A.C.; Guerreiro, L. Tuned liquid dampers simulation for earthquake response control of buildings. Bull. Earthq. Eng. 2014, 12, 1007–1024. [Google Scholar] [CrossRef]
- Abramson, H.N. The Dynamics of Liquids in Moving Containers; University of Illinois: Urbana, IL, USA, 1966. [Google Scholar]
- Fujino, Y.; Sun, L.M. Vibration Control by Multiple Tuned Liquid Dampers (MTLDs). J. Struct. Eng. 1993, 119, 3482–3502. [Google Scholar] [CrossRef]
- Clough, R.W.; Penzien, J. Dynamics of Structures, 3rd ed.; McGraw-Hill: New York, NY, USA, 1975; p. 52. [Google Scholar]
- Miles, J.W. Surface-wave damping in closed basins. Proc. R. Soc. London. Ser. A Math. Phys. Sci. 1967, 297, 459–475. [Google Scholar]
- Lepelletier, F.; Raichlen, T.G. Nonlinear oscillations in rectangular tanks. J. Eng. Mech. 1988, 114, 1–23. [Google Scholar] [CrossRef]
- Standard eTape Data Sheet. Available online: https://img1.wsimg.com/blobby/go/6e1bce17-f4fa-40c3-9d89-9bb7445697bb/downloads/Standard%20eTape%20Data%20Sheet.pdf (accessed on 7 March 2024).
- GP2Y0A51SK0F Data Sheet. Available online: https://global.sharp/products/device/lineup/data/pdf/datasheet/gp2y0a51sk_e.pdf (accessed on 7 March 2024).
- ADXL354/ADXL355 Data Sheet. Available online: https://www.analog.com/media/en/technical-documentation/data-sheets/adxl354_adxl355.pdf (accessed on 7 March 2024).


























| Test ID | Excitation Angle to the Longer Side of the TLD | Height of Water [cm] | Excitation Amplitude [mm] | Expected Sloshing Frequency [Hz] |
|---|---|---|---|---|
| P0 | 0° | 8 | 0.5 | 0.72 |
| P30 | 30° | 8 | 0.5 | - |
| P45 | 45° | 8 | 0.5 | - |
| P60 | 60° | 8 | 0.5 | - |
| P90 | 90° | 8 | 0.5 | 1.04 |
| Test ID | Sloshing Frequency [Hz] | Liquid Surface Elevation [m] | Damping Ratio |
|---|---|---|---|
| P0 | 0.74 | 0.0178 | 0.19% |
| P30 | 0.74 | 0.0188 | 0.20% |
| 1.07 | 0.0175 | 0.12% | |
| P45 | 0.74 | 0.0155 | 0.17% |
| 1.07 | 0.0220 | 0.12% | |
| P60 | 0.74 | 0.0138 | 0.14% |
| 1.08 | 0.0205 | 0.12% | |
| P90 | 1.08 | 0.0236 | 0.12% |
| Oscillation Frequency [Hz] | Excitation Amplitude [mm] | Structure’s Maximum Displacement [cm] | Structure’s Damping Ratio |
|---|---|---|---|
| 0.69 | 0.5 | 2.68 | 0.37% |
| Test ID | Excitation Angle to the Smaller Side of the TLD | Height of Water [cm] | Excitation Amplitude [mm] |
|---|---|---|---|
| R0 | 0° | 3.25 | 0.5 |
| R30 | 30° | 3.25 | 0.5 |
| R45 | 45° | 3.25 | 0.5 |
| R60 | 60° | 3.25 | 0.5 |
| Test ID | Resonant Frequency [Hz] | Maximum Structure’s Displacement [cm] | Attenuation of the Structure Response |
|---|---|---|---|
| R0 | 0.63 | 0.48 | 82% |
| 0.79 | 0.32 | 88% | |
| R30 | 0.64 | 0.41 | 85% |
| 0.76 | 0.42 | 84% | |
| R45 | 0.67 | 0.50 | 81% |
| 0.75 | 0.52 | 81% | |
| R60 | 0.68 | 0.67 | 75% |
| 0.74 | 0.75 | 72% |
| Test ID | Excitation Angle to the Centre of the Ring Cell TLD | Height of Water [cm] | Excitation Amplitude [mm] |
|---|---|---|---|
| C0 | 0° | 3.7 | 0.5 |
| C18 | 18° | 3.7 | 0.5 |
| C36 | 36° | 3.7 | 0.5 |
| C54 | 54° | 3.7 | 0.5 |
| C72 | 72° | 3.7 | 0.5 |
| C90 | 90° | 3.7 | 0.5 |
| Test ID | Resonant Frequency [Hz] | Structure’s Displacement [cm] | Attenuation of the Structure Response |
|---|---|---|---|
| C0 | 0.63 | 0.78 | 71% |
| 0.79 | 0.34 | 87% | |
| C18 | 0.65 | 0.86 | 68% |
| 0.83 | 0.30 | 89% | |
| C36 | 0.68 | 0.87 | 68% |
| 0.82 | 0.30 | 89% | |
| C54 | 0.69 | 0.95 | 65% |
| 0.80 | 0.30 | 89% | |
| C72 | 0.71 | 0.96 | 64% |
| 0.78 | 0.37 | 86% | |
| C90 | 0.72 | 2.00 | 25% |
| Oscillation Frequency [Hz] | Excitation Amplitude [mm] | Structure’s Maximum Displacement [cm] | Structure’s Damping Ratio |
|---|---|---|---|
| 0.68 | 0.5 | 3.27 | 0.16% |
| Test ID | Excitation Angle to the Centre of the Quarter Ring TLD | Height of Water [cm] | Excitation Amplitude [mm] |
|---|---|---|---|
| Q0 | 0° | 3.5 | 0.5 |
| Q90 | 90° | 3.5 | 0.5 |
| Test ID | Resonant Frequency [Hz] | Structure’s Displacement [cm] | Attenuation of the Structure Response |
|---|---|---|---|
| Q0 | 0.65 | 0.63 | 81% |
| 0.78 | 0.25 | 92% | |
| Q90 | 0.68 | 0.79 | 75% |
Disclaimer/Publisher’s Note: The statements, opinions and data contained in all publications are solely those of the individual author(s) and contributor(s) and not of MDPI and/or the editor(s). MDPI and/or the editor(s) disclaim responsibility for any injury to people or property resulting from any ideas, methods, instructions or products referred to in the content. |
© 2024 by the authors. Licensee MDPI, Basel, Switzerland. This article is an open access article distributed under the terms and conditions of the Creative Commons Attribution (CC BY) license (https://creativecommons.org/licenses/by/4.0/).
Share and Cite
Marulli, G.; Moutinho, C. Experimental Testing on Tuned Liquid Dampers for Implementation in Industrial Chimneys. Sensors 2024, 24, 2800. https://doi.org/10.3390/s24092800
Marulli G, Moutinho C. Experimental Testing on Tuned Liquid Dampers for Implementation in Industrial Chimneys. Sensors. 2024; 24(9):2800. https://doi.org/10.3390/s24092800
Chicago/Turabian StyleMarulli, Giancarlo, and Carlos Moutinho. 2024. "Experimental Testing on Tuned Liquid Dampers for Implementation in Industrial Chimneys" Sensors 24, no. 9: 2800. https://doi.org/10.3390/s24092800
APA StyleMarulli, G., & Moutinho, C. (2024). Experimental Testing on Tuned Liquid Dampers for Implementation in Industrial Chimneys. Sensors, 24(9), 2800. https://doi.org/10.3390/s24092800
