The Design and Experimentation of a Corn Moisture Detection Device Based on Double Capacitors
Abstract
1. Introduction
2. Design of the Corn Moisture Sensor
2.1. Detection Principle
2.2. Design of the Double Capacitors
2.2.1. Design of Double Capacitors: Selection
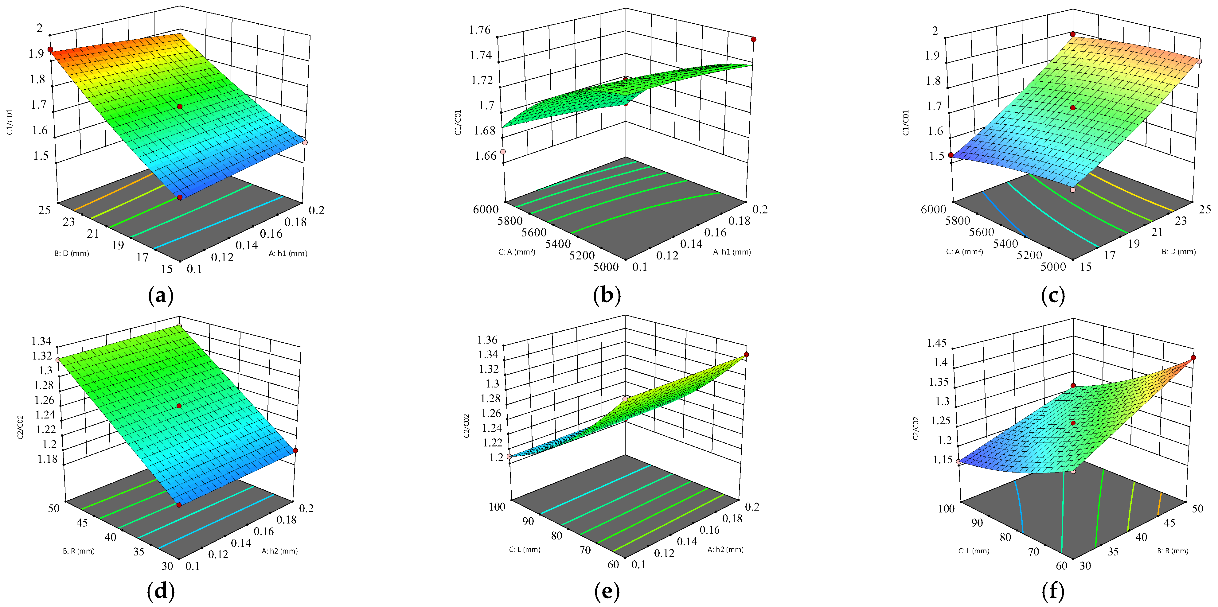
2.2.2. Design of the Capacitor: Optimization
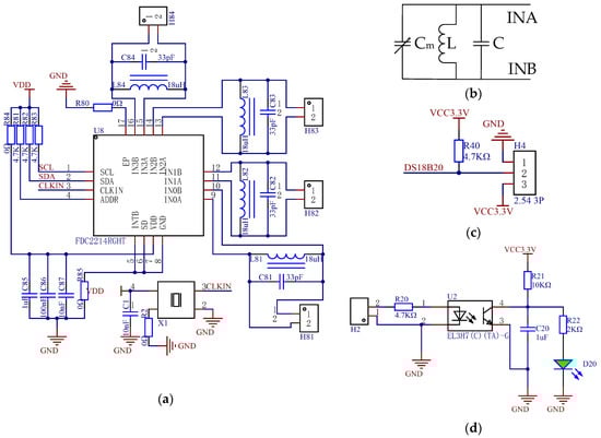
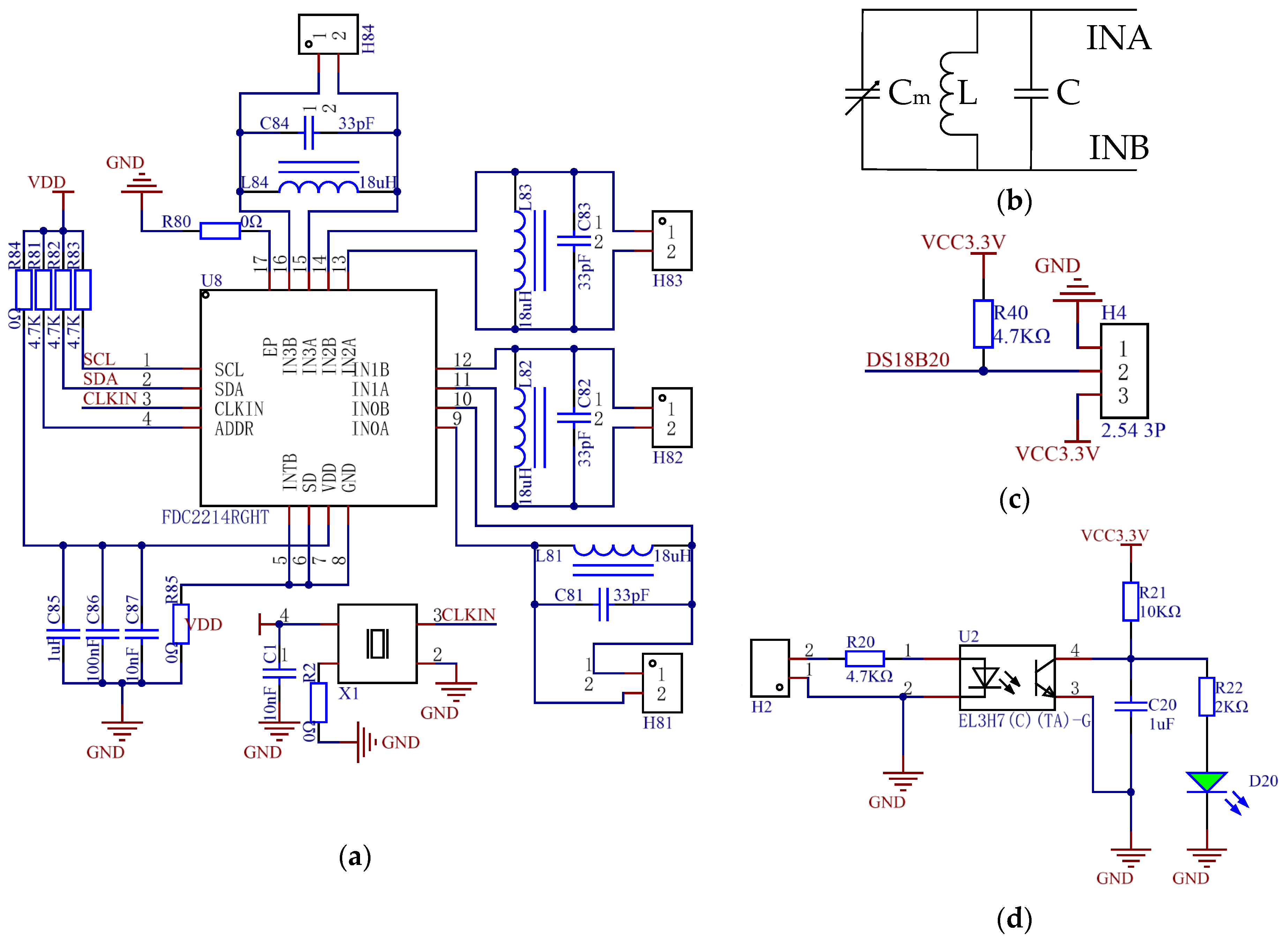
2.3. Design of the Software and Hardware Circuits
2.3.1. Design of the Hardware Circuits
2.3.2. Design of the Software
2.4. Overall Design of Moisture Detection Device
3. Materials, Analysis, Sensor Calibration, and Performance Tests
3.1. Materials, Single-Factor Analysis, and Sensor Calibration
3.1.1. Materials
3.1.2. Factors Analysis
3.1.3. Sensor Calibration
3.2. Performance Tests
3.2.1. Stability Test
3.2.2. Accuracy Test
3.2.3. Dynamic Verification Test
4. Conclusions
- (1)
- The influence of porosity and temperature on the capacitance value was analyzed. At the same porosity, the capacitance is linear with temperature. At different porosities, the capacitance value is different and the linear relationship between the single capacitance and moisture content is poor. Therefore, the capacitance and temperature at different porosities are fitted with the moisture content. The fitting results are all greater than 92%, and the measurement error is within 5%, which meets the requirements of grain moisture content detection.
- (2)
- Aimed at the problems of the poor detection stability and low accuracy of the current grain moisture content detection device in harvesters, a dual-capacitor detection device was designed. The complementarity and integration between the two groups of capacitors were used to improve the detection stability and accuracy. The structure size of the plate was optimized using simulation software to reduce the nonlinear effect caused by the edge effect of the capacitor.
Author Contributions
Funding
Institutional Review Board Statement
Informed Consent Statement
Data Availability Statement
Conflicts of Interest
References
- Nelsont, S.O. Use of Electrical Properties for Grain-Moisture Measurement. J. Microw. Power 2016, 12, 67–72. [Google Scholar] [CrossRef]
- Jiang, Y.; Zhang, Y. Research on Microwave Measurement for Grain Moisture Content in Granary. In 2009 IITA International Conference on Control, Automation and Systems Engineering (Case 2009); IEEE: New York, NY, USA, 2009; pp. 327–330. [Google Scholar]
- Zabolotnyi, O.; Zabolotnyi, V.; Koshevoy, N. Primary measuring transducer of moisture content for grain quality control. Ukr. Metrol. J. 2020, 3, 42–49. [Google Scholar] [CrossRef]
- Tinna, A.; Parmar, N.; Bagla, S.; Goyal, D.; Senthil, V. Design and development of capacitance based moisture measurement for grains. Mater. Today Proc. 2021, 43, 263–267. [Google Scholar] [CrossRef]
- Nath, K.D.; Ramanathan, P. Non-destructive methods for the measurement of moisture contents—A review. Sens. Rev. 2017, 37, 71–77. [Google Scholar] [CrossRef]
- Nelson, S.O.; Kraszewski, A.W.; Trabelsi, S.; Lawrence, K.C. Using cereal grain permittivity for sensing moisture content. IEEE Trans. Instrum. Meas. 2000, 49, 470–475. [Google Scholar] [CrossRef]
- Kalandarov, P.I. High-Frequency Moisture Meter for Measuring the Moisture Content of Grain and Grain Products. Meas. Tech. 2022, 65, 297–303. [Google Scholar] [CrossRef]
- Chen, Z.; Wu, W.; Dou, J.; Liu, Z.; Chen, K.; Xu, Y. Design and Analysis of a Radio-Frequency Moisture Sensor for Grain Based on the Difference Method. Micromachines 2021, 12, 708. [Google Scholar] [CrossRef] [PubMed]
- Nelson, S.O.; Kraszewski, A.W. Grain Moisture Content Determination by Microwave Measurements. Trans. ASAE 1990, 33, 1303–1305. [Google Scholar] [CrossRef]
- Thakur, R.; Chatterji, S.; Kumar, A.; Bansod, B.S. Development of multi-grain capacitive sensor for determination of moisture content in grains. Qual. Assur. Saf. Crops Foods 2015, 7, 201–206. [Google Scholar] [CrossRef]
- Pelletier, M.; Schwartz, R.; Holt, G.; Wanjura, J.; Green, T. Frequency Domain Probe Design for High Frequency Sensing of Soil Moisture. Agriculture 2016, 6, 60. [Google Scholar] [CrossRef]
- Liu, H.; Meng, Z.; Zhang, A.; Cong, Y.; An, X.; Fu, W.; Wu, G.; Yin, Y.; Jin, C. On-Line Detection Method and Device for Moisture Content Measurement of Bales in a Square Baler. Agriculture 2022, 12, 1183. [Google Scholar] [CrossRef]
- Kim, K.B.; Lee, J.W.; Lee, S.S.; Noh, S.H.; Kim, M.S. On-Line Measurement of Grain Moisture Content Using Rf Impedance. Trans. ASAE 2003, 46, 861. [Google Scholar]
- Gao, Z.; Zhu, Y.; Liu, C.; Qian, H.; Cao, W.; Ni, J. Design and Test of a Soil Profile Moisture Sensor Based on Sensitive Soil Layers. Sensors 2018, 18, 1648. [Google Scholar] [CrossRef]
- Casada, M.E.; Armstrong, P.R. Wheat Moisture Measurement with a Fringing Field Capacitive Sensor. Trans. ASABE 2009, 52, 1785–1791. [Google Scholar] [CrossRef]
- Zoerb, G.C.; Moore, G.A.; Burrow, R.P. Continuous Measurement of Grain Moisture Content During Harvest. Trans. ASAE 1993, 36, 5–9. [Google Scholar] [CrossRef]
- Besharati, B.; Lak, A.; Ghaffari, H.; Karimi, H.; Fattahzadeh, M. Development of a model to estimate moisture contents based on physical properties and capacitance of seeds. Sens. Actuators A Phys. 2020, 318, 112513. [Google Scholar] [CrossRef]
- You, K.Y.; Mun, H.K.; You, L.L.; Salleh, J.; Abbas, Z. A Small and Slim Coaxial Probe for Single Rice Grain Moisture Sensing. Sensors 2013, 13, 3652–3663. [Google Scholar] [CrossRef]
- Liu, X.; Chen, X.; Wu, W.; Peng, G. A neural network for predicting moisture content of grain drying process using genetic algorithm. Food Control 2007, 18, 928–933. [Google Scholar] [CrossRef]
- Jiang, J.; Ji, H. Model of Online Grain Moisture Test System Based on Improved BP Neural Network. In Proceedings of the 2009 Second International Conference on Intelligent Computation Technology and Automation, Changsha, China, 10–11 October 2009; pp. 79–82. [Google Scholar]
- McIntosh, R.B.; Casada, M.E. Fringing Field Capacitance Sensor for Measuring the Moisture Content of Agricultural Commodities. IEEE Sens. J. 2008, 8, 240–247. [Google Scholar] [CrossRef]
- Tan, L.B.; Ji, H.Y. Study on Grain Moisture Detection System Based on the Theory of Dielectric Properties. Appl. Mech. Mater. 2013, 333–335, 1558–1563. [Google Scholar] [CrossRef]
- Wu, S.; Zhang, B.; Tian, Y.; Zhou, S.; Ma, H. A grain moisture model based on capacitive sensor. J. Phys. Conf. Ser. 2018, 1074, 012120. [Google Scholar] [CrossRef]
- Csiba, M.; Kovács, A.J.; Virág, I.; Neményi, M. The most common errors of capacitance grain moisture sensors: Effect of volume change during harvest. Precis. Agric. 2012, 14, 215–223. [Google Scholar] [CrossRef]
- Catalán Izquierdo, S.; Bueno Barrachina, J.M.; Cañas Peñuelas, C.S.; Cavallé Sesé, F. Capacitance evaluation on parallel-plate capacitors by means of finite element analysis. Renew. Energy Power Qual. J. 2009, 1, 613–616. [Google Scholar] [CrossRef]
- Wu, J.; Meng, Z.; Zhang, X.; Mi, W.; Yan, Y. Capacitive Angle Sensor Research Using COMSOL Multiphysics. Appl. Sci. 2023, 13, 2937. [Google Scholar] [CrossRef]
- Pohndorf, R.S.; Rocha, J.C.d.; Lindemann, I.; Peres, W.B.; Oliveira, M.d.; Elias, M.C. Physical properties and effective thermal diffusivity of soybean grains as a function of moisture content and broken kernels. J. Food Process Eng. 2017, 41, e12626. [Google Scholar] [CrossRef]
- Eka Putri, R.; Erza Pratama, W.; Ifmalinda, I. Application of Capacitive Sensor for Measuring Grain Moisture Content Based on Internet of Things. J. Keteknikan Pertan. 2023, 11, 29–40. [Google Scholar] [CrossRef]
- Tang, Y.; Ahmed, A.; Hussein, S.E. Leaf identification using radial basis function neural networks and SSA based support vector machine. PLoS ONE 2020, 15, e0237645. [Google Scholar]










| Class | Factors | −1 | 0 | 1 |
|---|---|---|---|---|
| Flatbed capacitor | h1/mm | 0.10 | 0.15 | 0.20 |
| D/mm | 15 | 20 | 25 | |
| A/mm2 | 5000 | 5500 | 6000 | |
| Cylinder capacitor | h2/mm | 0.1 | 0.15 | 0.2 |
| R/mm | 30 | 40 | 50 | |
| L/mm | 60 | 80 | 100 |
| Factors | Source of Variance | Quadratic Sum | Degree of Freedom | Mean Square Deviation | F-Value | p-Value |
|---|---|---|---|---|---|---|
| Flatbed capacitor | Model | 0.2350 | 9 | 0.0261 | 49.35 | 0.0042 |
| A-h1 | 0.0002 | 1 | 0.0002 | 0.4308 | 0.5584 | |
| B-D | 0.2231 | 1 | 0.2231 | 421.73 | 0.0003 | |
| C-A | 0.0072 | 1 | 0.0072 | 13.64 | 0.0344 | |
| AB | 0.0018 | 1 | 0.0018 | 3.42 | 0.1614 | |
| AC | 9.000E−06 | 1 | 9.000E−06 | 0.0170 | 0.9045 | |
| BC | 0.0005 | 1 | 0.0005 | 0.9358 | 0.4047 | |
| A2 | 8.036E−06 | 1 | 8.036E−06 | 0.0152 | 0.9097 | |
| B2 | 0.0008 | 1 | 0.0008 | 1.55 | 0.3013 | |
| C2 | 0.0004 | 1 | 0.0004 | 0.7162 | 0.4596 | |
| residual error | 0.0016 | 3 | 0.0005 | 49.35 | ||
| total variation | 0.2366 | 12 | ||||
| Cylinder capacitor | Model | 0.0719 | 9 | 0.0080 | 849.43 | <0.0001 |
| A-h2 | 0.0000 | 1 | 0.0000 | 1.67 | 0.2872 | |
| B-R | 0.0334 | 1 | 0.0334 | 3545.73 | <0.0001 | |
| C-L | 0.0367 | 1 | 0.0367 | 3897.22 | <0.0001 | |
| AB | 0.0000 | 1 | 0.0000 | 0.0000 | 1.0000 | |
| AC | 6.400E−07 | 1 | 6.400E−07 | 0.0680 | 0.8111 | |
| BC | 0.0010 | 1 | 0.0010 | 108.16 | 0.0019 | |
| A2 | 0.0000 | 1 | 0.0000 | 0.0000 | 1.0000 | |
| B2 | 3.657E−07 | 1 | 3.657E−07 | 0.0389 | 0.8563 | |
| C2 | 0.0006 | 1 | 0.0006 | 67.35 | 0.0038 | |
| residual error | 0.0000 | 3 | 9.408E−06 | |||
| total variation | 0.0720 | 12 |
| Group | Moisture/% | Average | Standard Deviation |
|---|---|---|---|
| 1 | 30.1 | 30.16 | 1.09 |
| 2 | 31.1 | ||
| 3 | 29.9 | ||
| 4 | 30.0 | ||
| 5 | 29.7 |
| Group | Measured Value/% | Real Value/% | Related Error/% |
|---|---|---|---|
| 1 | 22.8 | 22.6 | 0.88 |
| 2 | 24.2 | 24.5 | −1.22 |
| 3 | 26.7 | 27.0 | −1.11 |
| 4 | 28.5 | 28.2 | 1.06 |
| 5 | 31.2 | 31.5 | −0.95 |
| Class | Group | Measured Value/% | Real Value/% | Related Error/% |
|---|---|---|---|---|
| Small | 1 | 23.1 | 23.3 | −0.86 |
| 2 | 24.2 | 23.3 | 3.86 | |
| 3 | 24.1 | 23.3 | 3.43 | |
| 4 | 23.8 | 23.3 | 2.15 | |
| 5 | 22.9 | 23.3 | −1.72 | |
| Medium | 1 | 25.4 | 24.4 | 4.10 |
| 2 | 25.0 | 24.4 | 2.46 | |
| 3 | 25.5 | 24.5 | 4.08 | |
| 4 | 25.1 | 24.5 | 2.45 | |
| 5 | 25.8 | 25.0 | 3.20 | |
| Large | 1 | 24.8 | 24.1 | 2.90 |
| 2 | 24.9 | 24.3 | 2.47 | |
| 3 | 24.9 | 24.1 | 3.32 | |
| 4 | 24.9 | 23.8 | 4.62 | |
| 5 | 24.9 | 25.7 | −3.11 |
Disclaimer/Publisher’s Note: The statements, opinions and data contained in all publications are solely those of the individual author(s) and contributor(s) and not of MDPI and/or the editor(s). MDPI and/or the editor(s) disclaim responsibility for any injury to people or property resulting from any ideas, methods, instructions or products referred to in the content. |
© 2024 by the authors. Licensee MDPI, Basel, Switzerland. This article is an open access article distributed under the terms and conditions of the Creative Commons Attribution (CC BY) license (https://creativecommons.org/licenses/by/4.0/).
Share and Cite
Han, C.; Wang, Y.; Shi, Z.; Xu, Y.; Qiu, S.; Mao, H. The Design and Experimentation of a Corn Moisture Detection Device Based on Double Capacitors. Sensors 2024, 24, 1408. https://doi.org/10.3390/s24051408
Han C, Wang Y, Shi Z, Xu Y, Qiu S, Mao H. The Design and Experimentation of a Corn Moisture Detection Device Based on Double Capacitors. Sensors. 2024; 24(5):1408. https://doi.org/10.3390/s24051408
Chicago/Turabian StyleHan, Changjie, Yurong Wang, Zhai Shi, Yang Xu, Shilong Qiu, and Hanping Mao. 2024. "The Design and Experimentation of a Corn Moisture Detection Device Based on Double Capacitors" Sensors 24, no. 5: 1408. https://doi.org/10.3390/s24051408
APA StyleHan, C., Wang, Y., Shi, Z., Xu, Y., Qiu, S., & Mao, H. (2024). The Design and Experimentation of a Corn Moisture Detection Device Based on Double Capacitors. Sensors, 24(5), 1408. https://doi.org/10.3390/s24051408

