Design and Evaluation of a Cloud Computing System for Real-Time Measurements in Polarization-Independent Long-Range DAS Based on Coherent Detection
Abstract
1. Introduction
1.1. Interrogation Schemes and Data Handling in DAS
1.2. Advanced Signal Processing in DAS and Big Data Systems
2. Theory
2.1. Operating Principle of Polarization Diversity Hybrid
2.2. Simulation of Cloud Computing with CloudSim
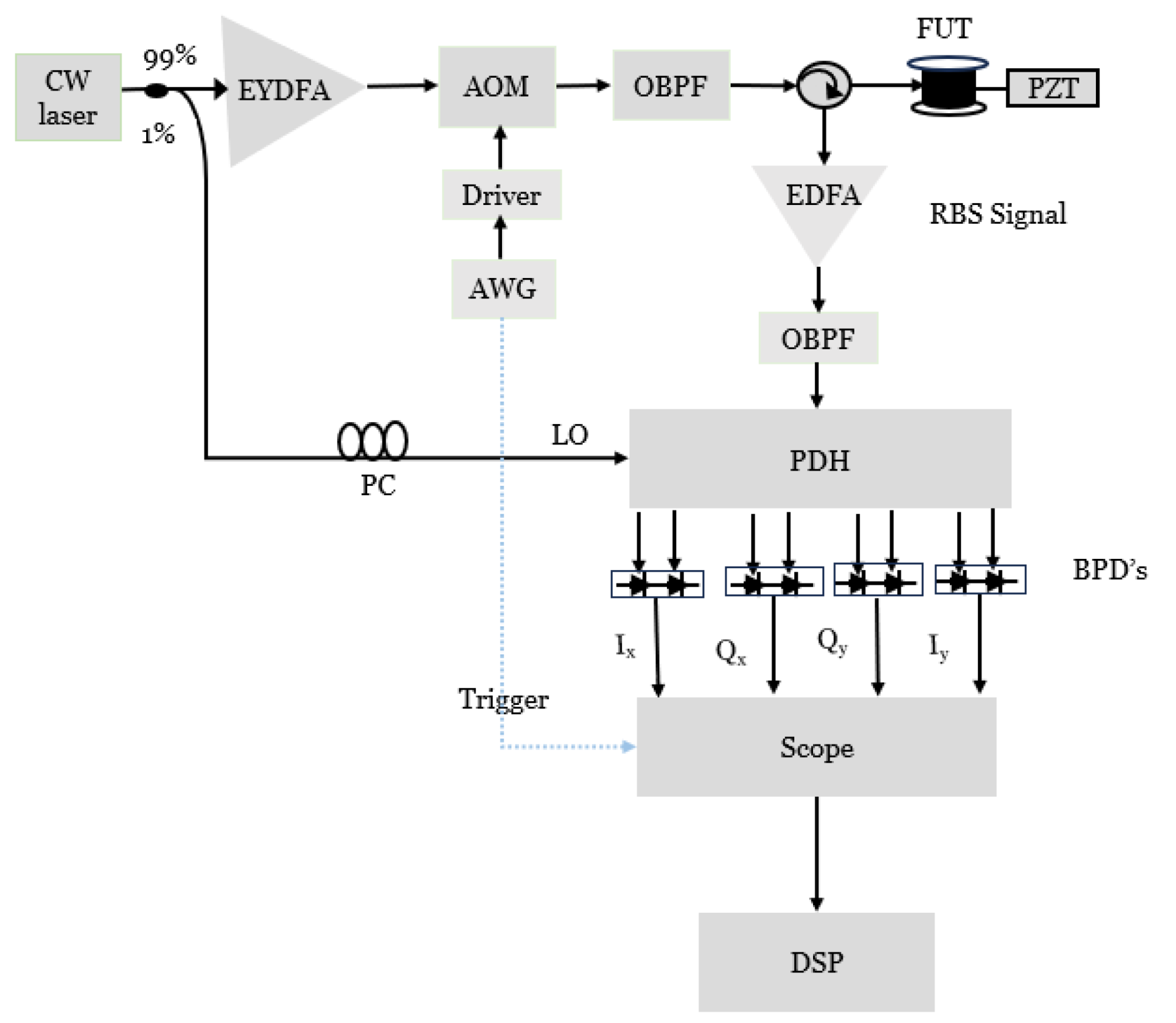
3. Experimental Setup
4. Design of a Signal Processing Scheme for Long-Range DAS Using CloudSim
5. Results and Discussion
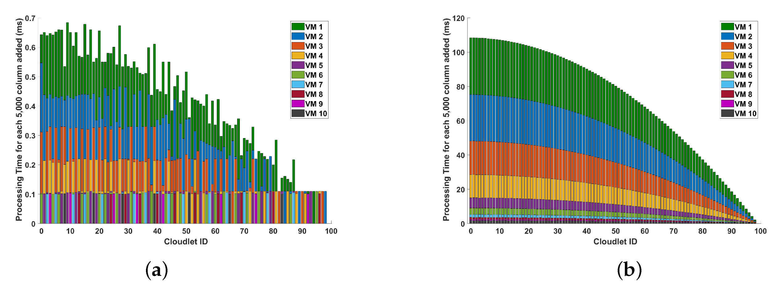
5.1. Processing Times for Varying VM Capacity
5.2. Mean Processing Times for Varying VM Capacity and Incremental Sample Sizes
6. Conclusions
Author Contributions
Funding
Data Availability Statement
Conflicts of Interest
Abbreviations
| ADC | Analog-to-digital Converter |
| AOM | Acoustic–optic Modulator |
| ASE | Amplified spontaneous emission |
| BPD | Balance Photodetector |
| DAS | Distributed Acoustic Sensing |
| DFOIS | Distributed Fiber-Optic Intrusion Sensor |
| DSP | Digital Signal Processing |
| EYDFA | Erbium-ytterbium doped fiber amplifier |
| FFT | Fast Fourier Transfer |
| FUT | Fiber Under Test |
| LO | Local oscillator |
| LD | Linear Dichroism |
| MIPS | Million Instruction Per Second |
| ML | Machine learning |
| NoSQL | Not only SQL |
| PBDs | Pair of balanced photodetectors |
| PBS | Polarization beam splitter |
| PC | Polarization controller |
| PDH | Polarization diversity hybrid |
| PRS | Pattern Recognition Systems |
| PZT | Piezoelectric Transducer |
| RBS | Rayleigh backscattering |
| SMF | Single-mode fiber |
| SNR | Signal-to-noise ratio |
| SOP | State of polarization |
| VM | Virtual machine |
| -OTDR | Phase-Sensitive Optical Time Domain Reflectometery |
References
- Lin, W.; Zhang, C.; Li, L.; Liang, S. Review on development and applications of fiber-optic sensors. In Proceedings of the 2012 Symposium on Photonics and Optoelectronics, Shanghai, China, 21–23 May 2012; pp. 1–4. [Google Scholar]
- Bublin, M. Event Detection for Distributed Acoustic Sensing: Combining Knowledge-Based, Classical Machine Learning, and Deep Learning Approaches. Sensors 2021, 21, 7527. [Google Scholar] [CrossRef]
- Pierce, S.; MacLean, A.; Culshaw, B. Optical frequency domain reflectometry for interrogation of microbend based optical fibre sensors. In Proceedings of the SPIE—The International Society for Optical Engineering, Newport Beach, CA, USA, 27–31 March 2000. [Google Scholar]
- Imahama, M.; Koyamada, Y. Restorability of Rayleigh Backscatter Traces Measured by Coherent OTDR with Precisely Frequency-Controlled Light Source. IEICE Trans. Commun. 2008, E91-B, 1722–1726. [Google Scholar] [CrossRef]
- Demise, A.; Di Pasquale, F.; Muanenda, Y. A Compact DAS Based on a Low Phase Noise DDS and Mini-EYDFA for Real-Time Vibration Measurements. In Proceedings of the 2024 IEEE Sensors Applications Symposium (SAS), Naples, Italy, 23–25 July 2024; pp. 1–6. [Google Scholar]
- Park, J.; Taylor, H.F. Fiber optic intrusion sensor using coherent optical time domain reflectometer. Jpn. J. Appl. Phys. 2003, 42, 3481. [Google Scholar] [CrossRef]
- Shao, J.; Shao, W.; Yibo, L.; Chen, L. Near-surface characterization using high-speed train seismic data recorded by a distributed acoustic sensing array. IEEE Trans. Geosci. Remote Sens. 2022, 60, 5912911. [Google Scholar] [CrossRef]
- Demise, A.; Di Pasquale, F.; Muanenda, Y. A compact source for a distributed acoustic sensor using a miniaturized EYDFA and a direct digital synthesis module. SPIE Future Sens. Technol. 2023, 12327, 368–374. [Google Scholar]
- Gartner. Fiber-Optics Data Analysis on Cloud: Unlocking the Power of AI-Driven Cloud Computing for Well-Sensing Applications. Available online: https://shorturl.at/WOOJ9 (accessed on 8 August 2023).
- Wamriew, D.; Pevzner, D.; Roman, E.; Maltsev, E. Deep neural networks for detection and location of microseismic events and velocity model inversion from microseismic data acquired by distributed acoustic sensing array. Sensors 2021, 21, 6627. [Google Scholar] [CrossRef]
- Westbrook, P. Big data on the horizon from a new generation of distributed optical fiber sensors. APL Photonics 2020, 5, 020401. [Google Scholar] [CrossRef]
- Chi, M.; Plaza, A.; Benediktsson, J.A.; Sun, Z.; Shen, J.; Zhu, Y. Big Data for Remote Sensing: Challenges and Opportunities. Proc. IEEE 2016, 104, 2207–2219. [Google Scholar] [CrossRef]
- Muanenda, Y. Recent Advances in Distributed Acoustic Sensing Based on Phase-Sensitive Optical Time Domain Reflectometry. J. Sens. 2018, 2018, 3897873. [Google Scholar] [CrossRef]
- Muanenda, Y.; Faralli, S.; Oton, C.J.; Cheng, C.; Yang, M.; Di Pasquale, F. Dynamic phase extraction in high-SNR DAS based on UWFBGs without phase unwrapping using scalable homodyne demodulation in direct detection. Opt. Express 2019, 27, 10644–10658. [Google Scholar] [CrossRef] [PubMed]
- Juarez, J.C.; Maier, E.W.; Choi, K.N.; Taylor, H.F. Distributed Fiber-Optic Intrusion Sensor System. J. Light. Technol. 2005, 23, 2081. [Google Scholar] [CrossRef]
- Del-Pozo-Puñal, E.; García-Carballeira, F.; Camarmas-Alonso, D. A scalable simulator for cloud, fog and edge computing platforms with mobility support. Future Gener. Comput. Syst. 2023, 144, 117–130. [Google Scholar] [CrossRef]
- Samuel, J.R.; Singh, J.; Mehrotra, S.; Baiju, B.V. Classification and Analysis of Issues Faced by Open Source Simulation Software in the Field of Fog and Edge Computing. In Proceedings of the 2023 International Conference on Next Generation Electronics (NEleX), Vellore, India, 14–16 December 2023; pp. 1–6. [Google Scholar] [CrossRef]
- Ghasemzadeh, M.; Aghdasi, H.S.; Saeedvand, S. Edge Server Placement and Allocation Optimization: A Tradeoff for Enhanced Performance. Clust. Comput. 2024, 27, 5783–5797. [Google Scholar] [CrossRef]
- Richards, J.; Bartlett, R.; Onen, D.; Crowther, G.; Molenaar, M.M.; Reynolds, A.; Wyker, B.; den Boer, H.; Berlang, W. Cloud-Based Solution for Permanent Fiber-Optic DAS Flow Monitoring. In Proceedings of the SPE Digital Energy Conference and Exhibition, The Woodlands, TX, USA, 3–5 March 2015. [Google Scholar] [CrossRef]
- Bublin, M. Machine Learning for Distributed Acoustic Sensors: Classic versus Image and Deep Neural Networks Approach; FH Kaernten: Villach, Austria, 2019. [Google Scholar]
- Zhou, Y.; Zhang, Y.; Ya-nan, Q.; Yu, Q.; Zhao, Y. Application of machine learning in optical fiber sensors. Measurement 2024, 228, 114391. [Google Scholar] [CrossRef]
- Wu, H.; Zhou, H.; Bin, K.; Zhu, K. Pattern recognition in distributed fiber-optic acoustic sensor using an intensity and phase stacked convolutional neural network with data augmentation. Opt. Express 2021, 29, 3269–3283. [Google Scholar] [CrossRef]
- Tejedor, J.; Macias-Guarasa, J.; Martins, H.F.; Pastor-Graells, J.; Corredera, P.; Martin-Lopez, S. Machine Learning Methods for Pipeline Surveillance Systems Based on Distributed Acoustic Sensing: A Review. Sensors 2017, 17, 1832. [Google Scholar] [CrossRef]
- Hu, J.; Jin, Y.; Zhang, H.; Li, Y.; Wang, C.; Liu, X. Intelligent Oilfield—Cloud Based Big Data Service in Upstream Oil and Gas. In Proceedings of the International Petroleum Technology Conference, Beijing, China, 26–28 March 2019. [Google Scholar]
- Nur, A.; Muanenda, Y. Design and Evaluation of Real-Time Data Storage and Signal Processing in a Long-Range Distributed Acoustic Sensing (DAS) Using Cloud-Based Services. Sensors 2024, 24, 5948. [Google Scholar] [CrossRef]
- Humane, P.; Varshapriya, J.N. Simulation of cloud infrastructure using CloudSim simulator: A practical approach for researchers. In Proceedings of the 2015 International Conference on Smart Technologies and Management for Computing, Communication, Controls, Energy and Materials (ICSTM), Avadi, India, 6–8 May 2015; pp. 207–211. [Google Scholar] [CrossRef]
- Jeon, H.; Cho, C.; Shin, S.; Yoon, S. A CloudSim-Extension for Simulating Distributed Functions-as-a-Service. In Proceedings of the 2019 20th International Conference on Parallel and Distributed Computing, Applications and Technologies (PDCAT), Gold Coast, QLD, Australia, 5–7 December 2019; pp. 386–391. [Google Scholar] [CrossRef]
- Mehmi, S.; Verma, H.K.; Sangal, A.L. Simulation modeling of cloud computing for smart grid using CloudSim. J. Electr. Syst. Inf. Technol. 2017, 4, 159–172. [Google Scholar] [CrossRef]
- Liu, S.; Yu, F.; Hong, R.; Xu, W.; Shao, L.; Wang, F. Advances in phase-sensitive optical time-domain reflectometry. Opto-Electron. Adv. 2022, 5, 200078. [Google Scholar] [CrossRef]
- Yang, G.; Fan, X.; Wang, S.; Wang, B.; Liu, Q.; He, Z. Long-range distributed vibration sensing based on phase extraction from phase-sensitive OTDR. IEEE Photonics J. 2016, 8, 1–12. [Google Scholar] [CrossRef]
- Wang, Z.; Zhang, L.; Wang, S.; Xue, N.; Peng, F.; Fan, M.; Sun, W.; Qian, X.; Rao, J.; Rao, Y. Coherent Φ-OTDR based on I/Q demodulation and homodyne detection. Opt. Express 2016, 24, 853–858. [Google Scholar] [CrossRef]
- Kikuchi, K. Fundamentals of coherent optical fiber communications. IEEE J. Light. Technol. 2015, 1, 157–179. [Google Scholar] [CrossRef]
- Abramski, K.M. Frequency Response of Photodetector Measurements by Means of Heterodyne and Interferometric Techniques of Detection. Opt. Appl. 1983, XIII, 3. [Google Scholar]
- Beltran, J.; Fernandez, A. Optical Time-Domain Reflectometry: Principles and Applications. IEEE Photonics Technol. Lett. 2018, 30, 1493–1496. [Google Scholar]
- Belalem, G.; Bouamama, S.; Sekhri, L. An Effective Economic Management of Resources in Cloud Computing. J. Comput. 2011, 6, 123–135. [Google Scholar] [CrossRef]
- Nur, A.; Di Pasquale, F.; Muanenda, Y. Design of a real-time big data analytics scheme for continuous monitoring with a distributed acoustic sensor. In Proceedings of the PIE Future Sensing Technologies 2023, Yokohama, Japan, 18–19 April 2023. [Google Scholar] [CrossRef]
- Gupta, S.; Singh, N. OTDR-Based Characterization of Optical Components in Dense Wavelength Division Multiplexing Systems. J. Light. Technol. 2019, 37, 1872–1880. [Google Scholar]
- Calheiros, R.N.; Ranjan, R.; Beloglazov, A.; De Rose, C.A.F.; Buyya, R. CloudSim: A toolkit for modeling and simulation of cloud computing environments and evaluation of resource provisioning algorithms. Softw. Pract. Exp. 2010, 40, 125–141. [Google Scholar] [CrossRef]
- Khan, R. A Simulative Study on the Performance of Load Balancing Techniques over Varying Cloud Infrastructure Using CloudSim. Am. J. Comput. Sci. Eng. Surv. 2020, 8, 11. [Google Scholar]
- Ahmed, A.A.N.; Firas, D. Cloud Computing: Technical Challenges and CloudSim Functionalities. Int. J. Sci. Res. (IJSR) 2013, 2, 10. [Google Scholar]
- Itoh, K. Analysis of the phase unwrapping problem. Appl. Opt. 1982, 21, 2470. [Google Scholar] [CrossRef]
















Disclaimer/Publisher’s Note: The statements, opinions and data contained in all publications are solely those of the individual author(s) and contributor(s) and not of MDPI and/or the editor(s). MDPI and/or the editor(s) disclaim responsibility for any injury to people or property resulting from any ideas, methods, instructions or products referred to in the content. |
© 2024 by the authors. Licensee MDPI, Basel, Switzerland. This article is an open access article distributed under the terms and conditions of the Creative Commons Attribution (CC BY) license (https://creativecommons.org/licenses/by/4.0/).
Share and Cite
Nur, A.; Demise, A.; Muanenda, Y. Design and Evaluation of a Cloud Computing System for Real-Time Measurements in Polarization-Independent Long-Range DAS Based on Coherent Detection. Sensors 2024, 24, 8194. https://doi.org/10.3390/s24248194
Nur A, Demise A, Muanenda Y. Design and Evaluation of a Cloud Computing System for Real-Time Measurements in Polarization-Independent Long-Range DAS Based on Coherent Detection. Sensors. 2024; 24(24):8194. https://doi.org/10.3390/s24248194
Chicago/Turabian StyleNur, Abdusomad, Almaz Demise, and Yonas Muanenda. 2024. "Design and Evaluation of a Cloud Computing System for Real-Time Measurements in Polarization-Independent Long-Range DAS Based on Coherent Detection" Sensors 24, no. 24: 8194. https://doi.org/10.3390/s24248194
APA StyleNur, A., Demise, A., & Muanenda, Y. (2024). Design and Evaluation of a Cloud Computing System for Real-Time Measurements in Polarization-Independent Long-Range DAS Based on Coherent Detection. Sensors, 24(24), 8194. https://doi.org/10.3390/s24248194

