Theoretical and Experimental Study of Energy-Harvesting and Movement-Sensing Solutions in Pneumatic Systems
Abstract
1. Introduction
2. Materials and Methods
2.1. ECO 200 Energy Harvester
2.2. Experimental Setup Description
- Peak voltage: the maximum amplitude of the signal.
- Integral of the square of the voltage with respect to time, calculated over the duration of the signal pulse:
- Total energy of the signal: evaluated when a resistance R is connected, using the time integral of the squared voltage:
- Rise time of the pulse: the time taken for the signal to transition from 10% to 90% of its maximum value.
- Pulse width: the time interval between the instants where the signal reaches 50% of its maximum value.
- First no-load test: to test the harvester’s internal voltage capability when it is not supplying power to an external device.
- Load test with a resistor of 330 : with a resistive load, it is possible to analyze the current and energy values.
- Second no-load test: Comparison with the first no-load test results made it possible to observe the effects of short-term use on the energy harvester.
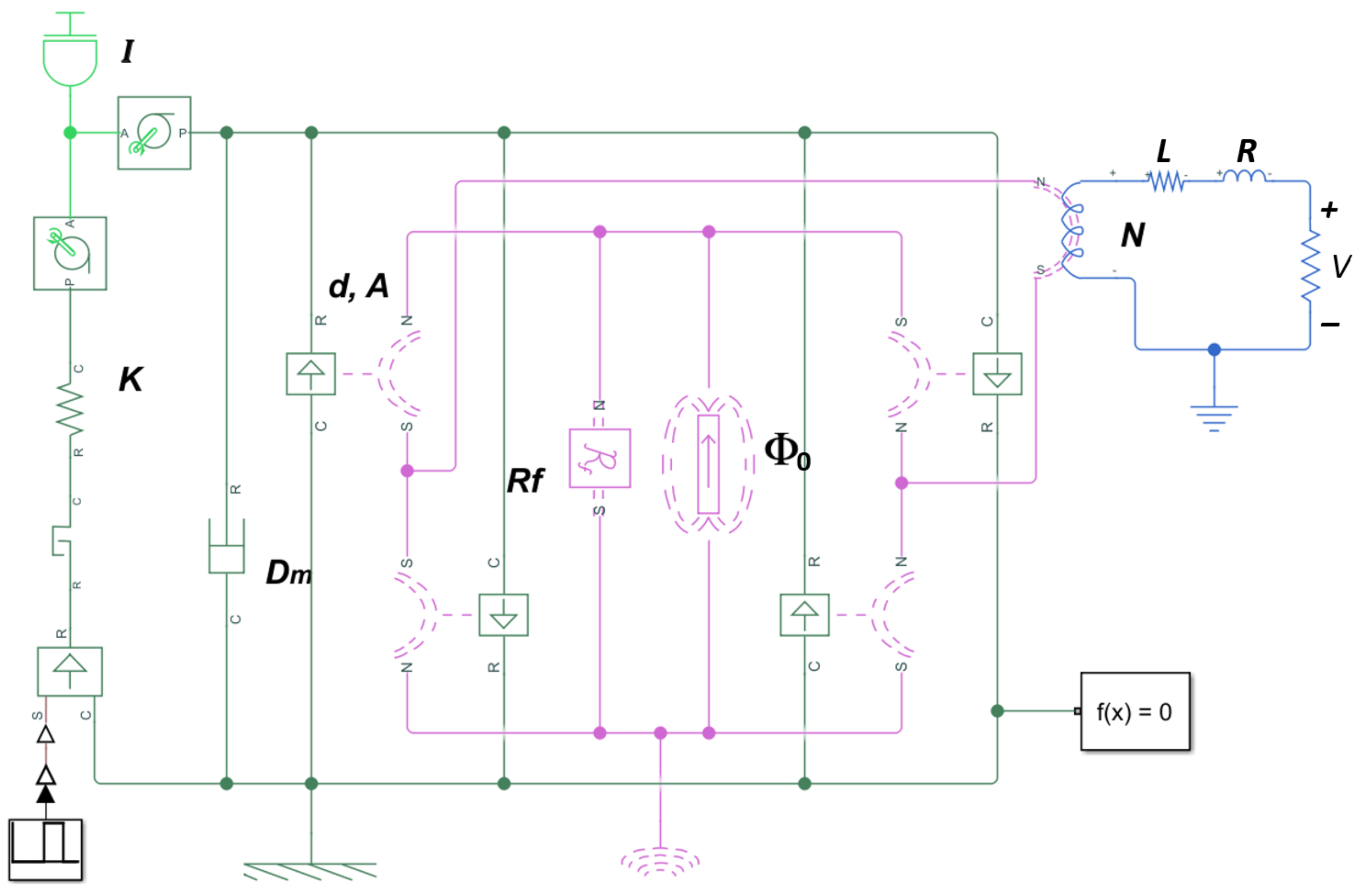
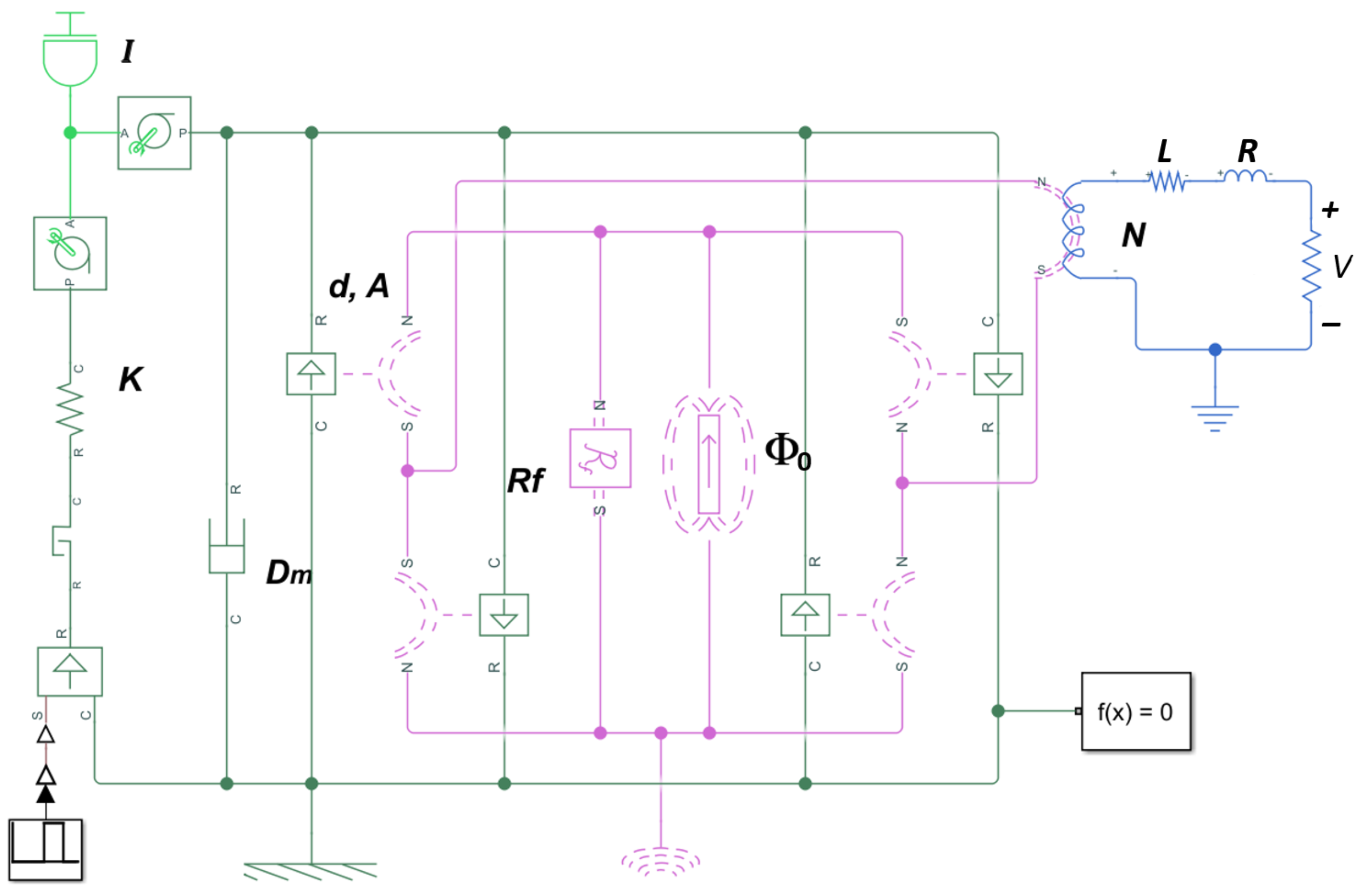
2.3. Model of the System
3. Results
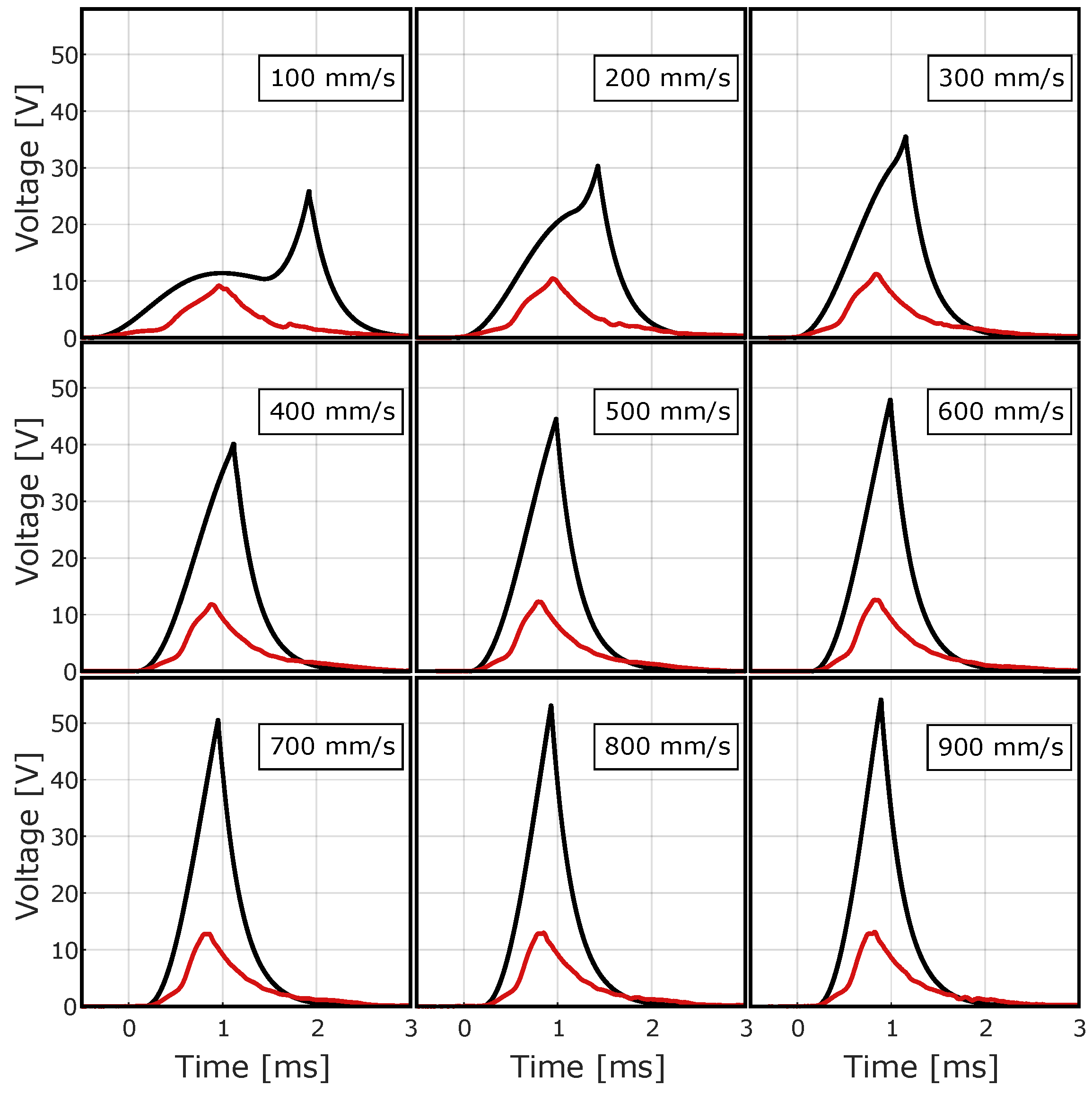
3.1. No-Load Tests
3.2. Load Test and Simulations
4. Discussion
4.1. Interpretation of the Experimental Outcomes
4.2. Self-Powered End-Stroke Sensor Feasibility
4.3. Self-Powered Speed Sensor Feasibility
- Power a device, possibly a specialized circuitry or a microprocessor, responsible for converting certain signal attributes into activation speed information.
- Maintain the essential waveform characteristics required for speed detection during the process.
- Power a radio transmitter that broadcasts this derived information.
4.4. Brief Usage Effects
4.5. Model Validation
4.6. Design of an Optimized Energy Harvester
4.6.1. Application of Genetic Algorithms
4.6.2. Optimization Results
5. Conclusions and Recommendations for Future Work
- The experiments showed a clear correlation between the characteristics of the waveforms generated by ECO 200 and the activation speed with a pneumatic cylinder. Faster impacts resulted in more pronounced signals, i.e., a higher voltage peak, higher energy output, and faster pulse rates. It is therefore, possible to recognize the impact speed of the piston from the electrical signal of the energy harvester.
- The total amount of energy generated by the module was revealed and provides crucial information for the development and deployment of the planned solution.
- The effects of a short-term use of the device on the signals were measured and showed a moderate but not negligible influence on the generated waveforms.
- The ECO 200 module, designed to function as a self-powered switch, is activated when the piston impacts the end cap. The study demonstrated that the generated energy, rectified by the PTM 535 radio module (also by EnOcean), can be used to transmit a Bluetooth signal indicating the reach of the end-stroke.
- Despite noticeable errors in certain signal characteristics, the basic waveform and, more importantly, the overall energy levels, match the real results exactly. The agreement justifies the usefulness of the model for the development of innovative energy-harvesting devices.
- By optimizing the primary model parameters using genetic algorithms, it was possible to design a new energy harvester. According to the simulations, it would harvest ten times more energy than the ECO 200 while generating signals with higher differentiation.
- Implement a solution with a microprocessor or a special circuit to detect the impact velocity from the signal of the energy harvester and transmit the value to a receiver. Two potential approaches could be explored:
- Developing a circuit to rectify the signal into a DC voltage with an amplitude proportional to the signal’s energy. This voltage level would then be used to generate radio signals at different frequencies, effectively encoding the impact velocity information through frequency modulation.
- Alternatively, the circuit could rectify the signal into a DC voltage of fixed amplitude, but with a duration proportional to the signal’s energy. This varying duration would then be used to generate radio signals with constant characteristics but different lengths, where the transmission duration would directly correspond to the impact velocity.
- Future work will focus on extended operational testing and reliability analysis under real-world conditions. These studies will evaluate potential degradation in the device’s performance due to mechanical wear, environmental factors, and repeated use over time. The insights gained from such investigations will help identify key factors affecting the long-term stability and enable the development of design enhancements to mitigate these issues. This approach will not only validate the feasibility of the system for sustained industrial use but also provide critical data for optimizing the durability and robustness of energy harvesters in pneumatic applications. By incorporating long-term stability considerations, the system can be further aligned with the practical requirements of self-powered sensing solutions in demanding environments.
- Design and develop a prototype energy harvester that incorporates the optimal device properties identified through the optimization process. The analysis conducted in this study, by determining the ideal parameters for energy harvesting, serves as the foundation for developing an optimized end-of-stroke sensor. Testing this prototype would validate the model’s predictions and mark a significant step toward realizing a fully functional self-powered sensor.
Author Contributions
Funding
Informed Consent Statement
Data Availability Statement
Conflicts of Interest
References
- Ahmed, A.A.; Moharam, B.A.; Rashad, E.E. Improving energy efficiency and economics of motor-pump-system using electric variable-speed drives for automatic transition of working points. Comput. Electr. Eng. 2022, 97, 107607. [Google Scholar] [CrossRef]
- Onwunta, O.; Kahn, M. Energy efficiency and reliability improvement strategies in industrial electric motor-driven systems (EMDS). In Proceedings of the 2011 8th Conference on the Industrial and Commercial Use of Energy, Cape Town, South Africa, 16–17 August 2011; pp. 100–104. [Google Scholar]
- Du, H.; Liu, W.; Bian, X.; Xiong, W. Energy-Saving for Industrial Pneumatic Actuation Systems by Exhausted Air Reuse Based on a Constant Pressure Elastic Accumulator. Sustainability 2022, 14, 3535. [Google Scholar] [CrossRef]
- Sirotenko, A.N.; Partko, S.A. Research of a Mathematical Model of a Pneumatic Actuator with Energy Recovery. In Proceedings of the 6th International Conference on Industrial Engineering (ICIE 2020), Sochi, Russia, 18–22 May 2020; Radionov, A.A., Gasiyarov, V.R., Eds.; Springer: Cham, Switzerland, 2021; pp. 1212–1218. [Google Scholar]
- Raisch, A.; Sawodny, O. Modeling and Analysis of Pneumatic Cushioning Systems Under Energy-Saving Measures. IEEE Trans. Autom. Sci. Eng. 2020, 17, 1388–1398. [Google Scholar] [CrossRef]
- Jiang, Z.a.; Xiong, W.; Du, H.w.; Lu, W. Energy-saving Research for Pneumatic System by Optimized Valve Switching Control Strategy. In Proceedings of the 2019 IEEE 8th International Conference on Fluid Power and Mechatronics (FPM), Wuhan, China, 10–13 April 2019; pp. 9–14. [Google Scholar] [CrossRef]
- Rybak, A.; Pelipenko, A.; Meskhi, B.; Mozgovoy, A.; Rudoy, D.; Olshevskaya, A.; Onoiko, T.; Kutyga, M. Experimental Stand for the Study of the Testing Process of Plunger Hydraulic Cylinders with Energy Recovery. In Proceedings of the Fundamental and Applied Scientific Research in the Development of Agriculture in the Far East (AFE-2022), Tashkent, Uzbekistan, 25–28 January 2023; Zokirjon ugli, K.S., Muratov, A., Ignateva, S., Eds.; Springer: Cham, Switzerland, 2024; pp. 1189–1198. [Google Scholar]
- Righettini, P.; Strada, R.; Tiboni, M.; Cortinovis, F.; Santinelli, J. A systematic management and control methodology for high energy saving in applications equipped with hydraulic servo-axes. Control. Eng. Pract. 2024, 145, 105847. [Google Scholar] [CrossRef]
- Wu, J.B.; Li, L.; Yan, Y.K.; Wang, P.J.; Wei, W. An Energy-Saving Position Control Strategy for Deep-Sea Valve-Controlled Hydraulic Cylinder Systems. J. Mar. Sci. Eng. 2022, 10, 567. [Google Scholar] [CrossRef]
- Tiboni, M. Power Drive Architectures for Industrial Hydraulic Axes: Energy-Efficiency-Based Comparative Analysis. Appl. Sci. 2023, 13, 10066. [Google Scholar] [CrossRef]
- Liu, L.; Zhang, P.; Liao, X.; Zhu, Z. A single-inductor thermoelectric and photovoltaic hybrid harvesting interface with time-multiplexed technology and accurate zero current detector. Microelectron. J. 2021, 113, 105062. [Google Scholar] [CrossRef]
- Gherca, R.; Olaru, R. Harvesting Vibration Energy by Electromagnetic Induction. Ann. Univ. Craiova, Electr. Eng. Ser. 2011, 35, 7–12. [Google Scholar]
- Dezhara, A. The efficiency of linear electromagnetic vibration-based energy harvester at resistive, capacitive and inductive loads. Energy Harvest. Syst. 2023, 10, 93–104. [Google Scholar] [CrossRef]
- Mouapi, A. Radiofrequency Energy Harvesting Systems for Internet of Things Applications: A Comprehensive Overview of Design Issues. Sensors 2022, 22, 8088. [Google Scholar] [CrossRef]
- Daneshvar, S.H.; Maymandi-Nejad, M.; Yuce, M.R.; Redoute, J.M. A Variable-Capacitance Energy Harvester with Miniaturized Inductor Targeting Implantable Devices. IEEE Trans. Ind. Electron. 2022, 69, 475–484. [Google Scholar] [CrossRef]
- Bi, X.; Wang, C.; Zhu, Q.; Tang, H. Energy harvesting using an inverted piezohydroelastic flag with resistor-inductor-capacitor circuit. J. Fluid Mech. 2023, 975, 1–30. [Google Scholar] [CrossRef]
- Sciuto, G.L.; Bijak, J.; Kowalik, Z.; Szczygieł, M.; Trawiński, T. Displacement and Magnetic Induction Measurements of Energy Harvester System Based on Magnetic Spring Integrated in the Electromagnetic Vibration Generator. J. Vib. Eng. Technol. 2024, 12, 3305–3320. [Google Scholar] [CrossRef]
- Ben Ammar, M.; Sahnoun, S.; Fakhfakh, A.; Viehweger, C.; Kanoun, O. Self-Powered Synchronized Switching Interface Circuit for Piezoelectric Footstep Energy Harvesting. Sensors 2023, 23, 1830. [Google Scholar] [CrossRef] [PubMed]
- Zhang, B.; Liu, H.; Hu, B.; Zhou, S. Analysis and optimization of self-powered parallel synchronized switch harvesting on inductor circuit for piezoelectric energy harvesting. Smart Mater. Struct. 2022, 31, 095040. [Google Scholar] [CrossRef]
- Tang, X.; Wang, X.; Cattley, R.; Gu, F.; Ball, A.D. Energy Harvesting Technologies for Achieving Self-Powered Wireless Sensor Networks in Machine Condition Monitoring: A Review. Sensors 2018, 18, 4113. [Google Scholar] [CrossRef]
- Tiboni, M.; Remino, C. Condition monitoring of a mechanical indexing system with artificial neural networks. In Proceedings of the WCCM 2017—1st World Congress on Condition Monitoring 2017, London, UK, 13–16 June 2017. [Google Scholar]
- Panatik, K.Z.; Kamardin, K.; Shariff, S.A.; Yuhaniz, S.S.; Ahmad, N.A.; Yusop, O.M.; Ismail, S. Energy harvesting in wireless sensor networks: A survey. In Proceedings of the 2016 IEEE 3rd International Symposium on Telecommunication Technologies (ISTT), Kuala Lumpur, Malaysia, 28–30 November 2016; pp. 53–58. [Google Scholar] [CrossRef]
- Bandyopadhyay, S.; Chandrakasan, A.P. Platform architecture for solar, thermal, and vibration energy combining with MPPT and single inductor. IEEE J. -Solid-State Circuits 2012, 47, 2199–2215. [Google Scholar] [CrossRef]
- Huang, Y.J.; Tzeng, T.H.; Lin, T.W.; Huang, C.W.; Yen, P.W.; Kuo, P.H.; Lin, C.T.; Lu, S.S. A self-powered CMOS reconfigurable multi-sensor SoC for biomedical applications. IEEE J. -Solid-State Circuits 2014, 49, 851–866. [Google Scholar] [CrossRef]
- Rocha, J.G.; Goncalves, L.M.; Rocha, P.F.; Silva, M.P.; Lanceros-Mendez, S. Energy Harvesting From Piezoelectric Materials Fully Integrated in Footwear. IEEE Trans. Ind. Electron. 2010, 57, 813–819. [Google Scholar] [CrossRef]
- Daneshvar, S.H.; Maymandi-Nejad, M.; Sachdev, M.; Redoute, J.M. A Charge-Depletion Study of an Electrostatic Generator with Adjustable Output Voltage. IEEE Sensors J. 2019, 19, 1028–1039. [Google Scholar] [CrossRef]
- Covaci, C.; Gontean, A. Piezoelectric Energy Harvesting Solutions: A Review. Sensors 2020, 20, 3512. [Google Scholar] [CrossRef] [PubMed]
- Zhang, Y.H.; Lee, C.H.; Zhang, X.R. A novel piezoelectric power generator integrated with a compliant energy storage mechanism. J. Phys. Appl. Phys. 2019, 52, 455501. [Google Scholar] [CrossRef]
- Maamer, B.; Boughamoura, A.; Fath El-Bab, A.M.; Francis, L.A.; Tounsi, F. A review on design improvements and techniques for mechanical energy harvesting using piezoelectric and electromagnetic schemes. Energy Convers. Manag. 2019, 199, 111973. [Google Scholar] [CrossRef]
- Nasiri, A.; Zabalawi, S.A.; Jeutter, D.C. A Linear Permanent Magnet Generator for Powering Implanted Electronic Devices. IEEE Trans. Power Electron. 2011, 26, 192–199. [Google Scholar] [CrossRef]
- Digregorio, G.; Redouté, J.M. Electromagnetic Energy Harvester Targeting Wearable and Biomedical Applications. Sensors 2024, 24, 2311. [Google Scholar] [CrossRef]
- Khaligh, A.; Zeng, P.; Zheng, C. Kinetic Energy Harvesting Using Piezoelectric and Electromagnetic Technologies—State of the Art. IEEE Trans. Ind. Electron. 2010, 57, 850–860. [Google Scholar] [CrossRef]
- Khemar, A. Design and experiments of a dual-band rectenna for ambient RF energy harvesting in urban environments. IET Microwaves Antennas Propag. 2018, 12, 49–55. [Google Scholar] [CrossRef]
- Jaspreet Singh, R.K.; Singh, D. Energy harvesting in wireless sensor networks: A taxonomic survey. Int. J. Energy Res. 2020, 45, 118–140. [Google Scholar] [CrossRef]
- Wang, Y.; Fu, X.; Cheng, T.; Lu, X.; Gao, H.; Bao, G.; Zhao, X. Development of a Nonlinear Piezoelectric Energy Harvester for Alternating Air Load. Appl. Sci. 2016, 6, 325. [Google Scholar] [CrossRef]
- Yang, C.; Shi, W.; Chen, C.; Gao, Y.; Wang, H. Design and Experimental Investigation of a Novel Piezoelectric Energy Harvester in Pneumatic System. Energy Technol. 2022, 10, 2200096. [Google Scholar] [CrossRef]
- Cai, X.; Liu, Z.; Dong, J.; Li, H.; Han, J.; Huang, J.; Chen, H. U-Shaped Tube Based Liquid–Solid Triboelectric Nanogenerator for Harvesting Unutilized Compressed Air Energy. Micromachines 2023, 14, 2057. [Google Scholar] [CrossRef] [PubMed]
- Esch, J.; Ylli, K.; Stojakov, D.; Willmann, A.; Hoffmann, D.; Manoli, Y. Energy Harvesting Flex-Coil System for Pneumatic Pistons. J. Physics Conf. Ser. 2018, 1052, 012079. [Google Scholar] [CrossRef]
- Shveda, R.A.; Rajappan, A.; Yap, T.F.; Liu, Z.; Bell, M.D.; Jumet, B.; Sanchez, V.; Preston, D.J. A wearable textile-based pneumatic energy harvesting system for assistive robotics. Sci. Adv. 2022, 8, 1–10. [Google Scholar] [CrossRef]
- Liu, S.; Li, X.; Teng, L.; Hu, G.; Liang, J. Energy and dynamic analysis of quasi-static toggling mechanical energy harvester. Nano Energy 2022, 104, 107887. [Google Scholar] [CrossRef]
- EnOcean. ECO 200 Datasheet; EnOcean: Oberhaching, Germany, 2021. [Google Scholar]












| Instrument/Component | Model/Specification |
|---|---|
| Position Sensor | Gefran MK4-A-A-0500 |
| Acquisition System | Hardware National Instruments |
| Oscilloscope | PicoScope |
| Energy-Harvesting Module | EnOcean ECO 200 |
| Pneumatic Cylinder | Camozzi 61M2P032A0200 (damping gasket removed) |
| Flow Regulators n° 2 | Camozzi GMCU 903-1/8-6 |
| Solenoid Valve | Camozzi 354-015-02 |
| Filter-Pressure Regulator | Camozzi MX2-1/2-FR0000 |
| Anchors n° 2 | Camozzi B-6E-320 |
| Stem Nuts n° 2 | Camozzi U-25-32 |
| ECO 200 Support | 3D Printed |
| ECO 200 Activator | 3D Printed |
| Parameter | Value | Parameter | Value |
|---|---|---|---|
| 5.45 Wb | N | 763 | |
| K | 5400 N/m | Rf | 1/H |
| I | 108 g | Dm | N s/m |
| d | 0.4 mm | R | 27.61 |
| A | 8.75 | L | 36.84 mH |
| Activation Speed [mm/s] | ||||||||||
|---|---|---|---|---|---|---|---|---|---|---|
| 100 | 200 | 300 | 400 | 500 | 600 | 700 | 800 | 900 | ||
| Peak voltage [V] | 1st test | |||||||||
| 2nd test | ||||||||||
| Relative error | ||||||||||
| Voltage square integral [ms] | 1st test | |||||||||
| 2nd test | ||||||||||
| Relative error | ||||||||||
| Pulse width [s] | 1st test | |||||||||
| 2nd test | ||||||||||
| Relative error | ||||||||||
| Rise time [s] | 1st test | |||||||||
| 2nd test | ||||||||||
| Relative error | ||||||||||
| Activation Speed [mm/s] | ||||||||||
|---|---|---|---|---|---|---|---|---|---|---|
| 100 | 200 | 300 | 400 | 500 | 600 | 700 | 800 | 900 | ||
| Peak voltage [V] | Test | |||||||||
| Simulation | ||||||||||
| Relative error | ||||||||||
| Peak current [mA] | Test | |||||||||
| Simulation | ||||||||||
| Relative error | ||||||||||
| Energy [J] | Test | |||||||||
| Simulation | ||||||||||
| Relative error | ||||||||||
| Pulse width [s] | Test | |||||||||
| Simulation | 699 | 569 | 504 | 464 | 439 | 414 | 404 | 389 | 379 | |
| Relative error | ||||||||||
| Rise time [s] | Test | |||||||||
| Simulation | 1135 | 865 | 740 | 665 | 610 | 570 | 535 | 510 | 485 | |
| Relative error | ||||||||||
| Parameter | Real Value | Estimated Value | Relative Error |
|---|---|---|---|
| K | 5400 N/m | 4200 N/m | 22.22% |
| 5.46 Wb | 5.34 Wb | 2.23% | |
| I | 108 g | 95 g | 12.03% |
| d | 0.4 mm | 0.32 mm | 20.00% |
| A | 11 | 14.6 | 32.72% |
| N | 763 | 853 | 11.80% |
| Parameter | Value | Parameter | Value |
|---|---|---|---|
| K | 20,000 N/m | d | 0.8 mm |
| 12.6 Wb | A | 11 | |
| I | 108 g | N | 1140 |
Disclaimer/Publisher’s Note: The statements, opinions and data contained in all publications are solely those of the individual author(s) and contributor(s) and not of MDPI and/or the editor(s). MDPI and/or the editor(s) disclaim responsibility for any injury to people or property resulting from any ideas, methods, instructions or products referred to in the content. |
© 2024 by the authors. Licensee MDPI, Basel, Switzerland. This article is an open access article distributed under the terms and conditions of the Creative Commons Attribution (CC BY) license (https://creativecommons.org/licenses/by/4.0/).
Share and Cite
Tiboni, M.; Scassola, F.; Zanacchi, A.; Ghidini, M. Theoretical and Experimental Study of Energy-Harvesting and Movement-Sensing Solutions in Pneumatic Systems. Sensors 2024, 24, 7732. https://doi.org/10.3390/s24237732
Tiboni M, Scassola F, Zanacchi A, Ghidini M. Theoretical and Experimental Study of Energy-Harvesting and Movement-Sensing Solutions in Pneumatic Systems. Sensors. 2024; 24(23):7732. https://doi.org/10.3390/s24237732
Chicago/Turabian StyleTiboni, Monica, Federico Scassola, Alessandro Zanacchi, and Marco Ghidini. 2024. "Theoretical and Experimental Study of Energy-Harvesting and Movement-Sensing Solutions in Pneumatic Systems" Sensors 24, no. 23: 7732. https://doi.org/10.3390/s24237732
APA StyleTiboni, M., Scassola, F., Zanacchi, A., & Ghidini, M. (2024). Theoretical and Experimental Study of Energy-Harvesting and Movement-Sensing Solutions in Pneumatic Systems. Sensors, 24(23), 7732. https://doi.org/10.3390/s24237732

