PV Panel Model Parameter Estimation by Using Particle Swarm Optimization and Artificial Neural Network
Abstract
1. Introduction
2. Methodology
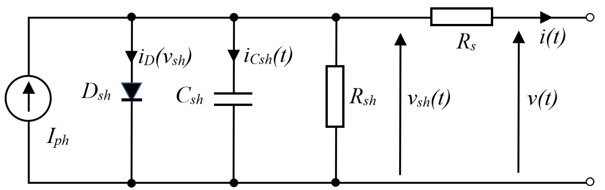
2.1. Modelling of PV Panel
2.2. Numerical Current Predictor (NCP)
| V | voltage v[k] time series | V = | [v[0], v[1], … v[k], … v[N]] |
| I | current i[k] time series | I = | [i[0], i[1], … i[k], … i[N]] |
| Vsh | voltage time series vsh[k] across Csh | Vsh = | [vsh[0], vsh[1], … vsh[k], … vsh[N]] |
| Ip | predicted panel current ip[k] | Ip = | [ip[0], ip[1], … ip[k], … ip[N]] |
| P | model parameter vector | P = | [Iph Io VT Rsh Csh Rs] |
| E | estimation error cost | E = | 1/N (Ip − I)(Ip − I)T = ∑(Ip[k] − I[k])2/N |
| Algorithm 1. Implementation steps for numerical current predictor. |
| Step 1: The current through the capacitor Csh is assumed to be zero. vsh[0] is determined by using (1) and (3). Thus,
|
| Step 2: ip[k] is calculated by |
| Step 3: vsh[k + 1] is obtained by solving a trapezoidal equation with Newton’s method |
| where h is the sampling time interval. The derivative functions on the right-hand side of (8) are obtained by using (3) in the discrete form. |
| Step 4: k is increased by 1. |
| Step 5: Steps 2 to 4 are repeated until k = N. |
2.3. Steady-State Characteristics
2.4. Proposed System Structure
2.5. ANN-Based Model Parameter Range Classifier (MPRC)
2.6. Design of Model Parameter Estimator by Using Particle Swarm Optimization Method
- 1.
- Initialize the particles’ velocities Vi and positions Xi.
- 2.
- Update particles’ Vi velocities and positions Xi by Equations (17) and (18).
- 3.
- Compare the estimated current () with the actual current (Ij) for all of the model parameter vectors (j = 1…N). Compute the objective values ΦXi for each particle Xi by Equation (14).
- 4.
- Update the best position Pi and the best objective value Φibest for each particle Xi.
- 5.
- Update the global best position Pg and the global best objective value Φgbest.
- 6.
- Go back to step 2 to 5 for updating cycle until maximum generation is reached.
2.7. Proposed PV Panel Model Parameters Estimation Method
- 1.
- Apply a sinusoidal load perturbation to the output of the PV panel, measure the voltage and current time series. The current i[k] time series and voltage v[k] time series will be sampled by the current and voltage sensors. The current and voltage X = [I V] vectors will be formed, where
- 2.
- Use MPRC with I–V vector as input to estimate the model parameters’ range vector [γ1 γ2 γ3 γ4 γ5 γ6].
- 3.
- Use the MPE to estimate the PV panel model parameters. According to the model parameters range γi, initialize Np particles for the PSO algorithms (Figure 6), which is used to estimate the model parameters vector P* of the PV panel.
- 4.
- Using MSE as the fitness function for the PSO, J = ∑ [Ip − I*]2/N where Ip = current predicted by the model and I* = actual measured current. Update the position (Xi = [Iph Io VT Rsh Csh Rs]) and velocity (Vi) of the ith particle by the following equations.
- 5.
- The global best particles vector X* will be used as the optimal PV panel model parameters vector P*. Furthermore, the voltage for maximum power operation Vp could be estimated by using P*.
3. Results and Analysis
4. Discussion
5. Conclusions
Author Contributions
Funding
Data Availability Statement
Conflicts of Interest
References
- Karatepe, E.; Boztepe, M.; Colak, M. Neural network based solar cell model. Energy Convers. Manag. 2006, 47, 1159–1178. [Google Scholar] [CrossRef]
- Mellit, A.; Benghanem, M.; Kalogirou, S.A. Modeling and simulation of a stand-alone photovoltaic system using an adaptive artificial neural network: Proposition for a new sizing procedure. Renew. Energy 2007, 32, 285–313. [Google Scholar] [CrossRef]
- Yona, A.; Senjyu, T.; Saber, A.Y.; Funabashi, T.; Sekine, H.; Kim, C.H. Application of Neural Network to 24-hour-Ahead Generating Power Forecasting for PV System. In Proceedings of the 2008 IEEE Power and Energy Society General Meeting—Conversion and Delivery of Electrical Energy in the 21st Century, Pittsburgh, PA, USA, 20–24 July 2008. [Google Scholar]
- Celik, A.N. Artificial neural network modelling and experimental verification of the operating current of mono-crystalline photovoltaic modules. Sol. Energy 2011, 85, 2507–2517. [Google Scholar] [CrossRef]
- Bonanno, F.; Capizzi, G.; Graditi, G.; Napoli, C.; Tina, G.M. A radial basis function neural network based approach for the electrical characteristics estimation of a photovoltaic module. Appl. Energy 2012, 97, 956–961. [Google Scholar] [CrossRef]
- Mellit, A.; Saglam, S.; Kalogirou, S.A. Artificial neural network-based model for estimating the produced power of a photovoltaic module. Renew. Energy 2013, 60, 71–78. [Google Scholar] [CrossRef]
- Laudani, A.; Lozito, G.M.; Radicioni, M.; Fulginei, F.R.; Salvini, A. Model Identification for Photovoltaic Panels Using Neural Networks. In Proceedings of the International Conference on Neural Computation Theory and Applications, Rome, Italy, 22–24 October 2014; Volume 3, pp. 130–137. [Google Scholar]
- Salem, F.; Awadallah, M.A. Parameters estimation of Photovoltaic modules: Comparisons of ANFIS and ANN. Int. J. Ind. Electron. Drives 2014, 1. [Google Scholar] [CrossRef]
- Saberian, A.; Hizam, H.; Radzi, M.A.; Ab Kadir, M.Z.; Mirzaei, M. Modelling and Prediction of Photovoltaic Power Output Using Artificial Neural Networks. Int. J. Photoenergy 2014, 2014, 469701. [Google Scholar] [CrossRef]
- Liu, L.; Liu, D.; Sun, Q.; Li, H.; Wennersten, R. Forecasting Power Output of Photovoltaic System Using A BP Network Method. Energy Procedia 2017, 142, 780–786. [Google Scholar] [CrossRef]
- Wang, H.; Yi, H.; Peng, J.; Wang, G.; Liu, Y.; Jiang, H.; Liu, W. Deterministic and probabilistic forecasting of photovoltaic power based on deep convolutional neural network. Energy Convers. Manag. 2017, 153, 409–422. [Google Scholar] [CrossRef]
- Baptista, D.; Abreu, S.; Travieso-González, C.; Morgado-Dias, F. Hardware implementation of an artificial neural network model to predict the energy production of a photovoltaic system. Microprocess. Microsyst. 2017, 49, 77–86. [Google Scholar] [CrossRef]
- Dharmarajan, R.; Ramachandran, R. Estimation of PV Module Parameters using Generalized Hopfield Neural Network. Int. Res. J. Multidiscip. Technovation (IRJMT) 2019, 1, 16–27. [Google Scholar] [CrossRef]
- Huang, C.-J.; Kuo, P.-H. Multiple-Input Deep Convolutional Neural Network Model for Short-Term Photovoltaic Power Forecasting. IEEE Access 2019, 7, 74822–74834. [Google Scholar] [CrossRef]
- Elkholy, A.; El-Ela, A.A.A. Optimal parameters estimation and modelling of photovoltaic modules using analytical method. Heliyon 2019, 5, e02137. [Google Scholar] [CrossRef] [PubMed]
- Al-Waeli, A.H.; Sopian, K.; Yousif, J.H.; Kazem, H.A.; Boland, J.; Chaichan, M.T. Artificial neural network modeling and analysis of photovoltaic/thermal system based on the experimental study. Energy Convers. Manag. 2019, 186, 368–379. [Google Scholar] [CrossRef]
- Lo, W.L.; Chung, H.S.H.; Hsung, R.T.C.; Fu, H.; Shen, T.W. PV Panel Model Parameter Estimation by Using Neural Network. Sensors 2023, 23, 3657. [Google Scholar] [CrossRef] [PubMed]
- Jayakrishnan, K.B.; Umashankar, S.; Vijayakumar, D.; Kothari, D.P. Perturb and observe MPPT algorithm for solar PV sys-tems modeling and simulation. In Proceedings of the 2011 Annual IEEE India Conference, Hyderabad, India, 16–18 December 2011. [Google Scholar]
- Sahu, T.P.; Dixit, T.V.; Kumar, R. Simulation and Analysis of Perturb and Observe MPPT Algorithm for PV Array Using ĊUK Converter. Adv. Electron. Electr. Eng. 2014, 4, 213–224. [Google Scholar]
- Putri, R.I.; Wibowo, S.; Rif’I, M. Maximum power point tracking for photovoltaic using incremental conductance method. In Proceedings of the 2nd International Conference on Sustainable Energy Engineering and Application, ICSEEA 2014, Bandung, Indonesia, 14–16 October 2014; pp. 22–30. [Google Scholar]
- Ho, B.M.; Chung, H.S.; Lo, W.L. Use of System Oscillation to Locate the MPP of PV Panels. IEEE Power Electron. Lett. 2004, 2, 1–5. [Google Scholar] [CrossRef]
- Premrudeepreechacharn, S.; Patanapirom, N. Solar-array modelling and maximum power point tracking using neural networks. In Proceedings of the 2003 IEEE Bologna Power Tech Conference Proceedings, Bologna, Italy, 23–26 June 2003; Volume 2, p. 5. [Google Scholar] [CrossRef]
- Ramaprabha, R.; Mathur, B.L.; Sharanya, M. Solar Array Modeling and Simulation of MPPT using Neural Network. In Proceedings of the International Conference on Control, Automation, Communication and Energy Conservation, INCACEC’2009, Erode, India, 4–6 June 2009. [Google Scholar]
- Abouda, S.; Nollet, F.; Essounbouli, N.; Chaari, A.; Koubaa, Y. Design, Simulation and Voltage Control of Standalone Photovoltaic System Based MPPT: Application to a Pumping system. Int. J. Re-Newable Energy Res. 2013, 3, 538–549. [Google Scholar]
- Elbaset, A.A.; Ali, H.; Sattar, M.A.-E. A Modified Perturb and Observe Algorithm for Maximum Power Point Tracking of Photovoltaic System using Buck-Boost Converter. JES. J. Eng. Sci. 2015, 43, 344–362. [Google Scholar] [CrossRef]
- Killi, M.; Samanta, S. An Adaptive Voltage-Sensor-Based MPPT for Photovoltaic Systems With SEPIC Con-verter Including Steady-State and Drift Analysis. IEEE Trans. Ind. Electron. 2015, 62, 7609–7619. [Google Scholar] [CrossRef]
- Anzalchi, A.; Sarwat, A. Artificial Neural Network Based Duty Cycle Estimation for Maximum Power Point Tracking in Photovoltaic Systems. In Proceedings of the IEEE Southeast Con 2015, Fort Lauderdale, FL, USA, 9–12 April 2015. [Google Scholar]
- Bouselham, L.; Hajji, M.; Hajji, B.; Bouali, H. A new MPPT-based ANN for photovoltaic system under partial shading conditions. Energy Procedia 2017, 111, 924–933. [Google Scholar] [CrossRef]
- Lin, F.-J.; Lu, K.-C.; Yang, B.-H. Recurrent Fuzzy Cerebellar Model Articulation Neural Network Based Power Control of a Single-Stage Three-Phase Grid-Connected Photovoltaic System During Grid Faults. IEEE Trans. Ind. Electron. 2016, 64, 1258–1268. [Google Scholar] [CrossRef]
- Shanthi, T. Neural Network Based MPPT Controller for Solar PV Connected Induction Motor. Int. J. Robot. Autom. (IJRA) 2018, 7, 129–139. [Google Scholar] [CrossRef]
- Gowid, S.; Massoud, A. A robust experimental-based artificial neural network approach for photovoltaic maximum power point identification considering electrical, thermal and meteorological impact. Alex. Eng. J. 2020, 59, 3699–3707. [Google Scholar] [CrossRef]
- Amadou, B.A.; Ndiaye, A.; Mbodji, S. Power optimization of a photovoltaic system with artificial intelligence algorithms over two seasons in tropical area. MethodsX 2023, 10, 101959. [Google Scholar]
- Mekkia, H.; Mellit, A.; Salhi, H. Artificial neural network-based modelling and fault detection of partial shaded photovoltaic modules. Simul. Model. Pract. Theory 2016, 67, 1–13. [Google Scholar] [CrossRef]
- Zhu, H.; Lu, L.; Yao, J.; Dai, S.; Hu, Y. Fault diagnosis approach for photovoltaic arrays based on unsupervised sample clustering and probabilistic neural network model. Sol. Energy 2018, 176, 395–405. [Google Scholar] [CrossRef]
- Samara, S.; Natsheh, E. Intelligent Real-Time Photovoltaic Panel Monitoring System Using Artificial Neural Networks. IEEE Access 2019, 7, 50287–50299. [Google Scholar] [CrossRef]
- Henry, C.; Poudel, S.; Lee, S.-W.; Jeong, H. Automatic Detection System of Deteriorated PV Modules Using Drone with Thermal Camera. Appl. Sci. 2020, 10, 3802. [Google Scholar] [CrossRef]
- Burbano, R.A.; Petrone, G.; Manganiello, P. Early Detection of Photovoltaic Panel Degradation through Artificial Neural Network. Appl. Sci. 2021, 11, 8943. [Google Scholar] [CrossRef]
- Caputo, D.; Grimaccia, F.; Mussetta, M.; Zich, R.E. Photovoltaic Plants Predictive Model by means of ANN trained by a Hybrid Evolutionary Algorithm. In Proceedings of the 2010 International Joint Conference on Neural Networks (IJCNN), Barcelona, Spain, 18–23 July 2010. [Google Scholar]
- Khelil, K.; Bouadjila, T.; Berrezzek, F.; Khediri, T. Parameter extraction of photovoltaic panels using genetic algorithm. In Proceedings of theThird International Conference on Technological Advances in Electrical Engineering (ICTAEE’18.), Skikda, Algeria, 10–12 December 2018. [Google Scholar]
- Ebrahimi, S.M.; Salahshour, E.; Malekzadeh, M.; Gordillo, F. Parameters identification of PV solar cells and modules using flexible particle swarm optimization algorithm. Energy 2019, 179, 358–372. [Google Scholar] [CrossRef]
- Dawan, P.; Sriprapha, K.; Kittisontirak, S.; Boonraksa, T.; Junhuathon, N.; Titiroongruang, W.; Niemcharoen, S. Comparison of Power Output Forecasting on the Photovoltaic System Using Adaptive Neuro-Fuzzy Inference Systems and Particle Swarm Optimization-Artificial Neural Network Model. Energies 2020, 13, 351. [Google Scholar] [CrossRef]
- Belghith, O.B.; Sbita, L.; Bettaher, F. MPPT Design Using PSO Technique for Photovoltaic System Control Comparing to Fuzzy Logic and P&O Controllers. Energy Power Eng. 2016, 8, 349–366. [Google Scholar]
- Wei, T.; Liu, D.; Zhang, C. An Improved Particle Swarm Optimization(PSO)-Based MPPT Strategy for PV System. In Proceedings of the 2017 3rd International Conference on Mechanical, Electronic and Information Technology Engineering (ICMITE 2017), Chengdu, China, 16–17 December 2017. [Google Scholar]
- Shang, L.; Zhu, W.; Li, P.; Guo, H. Maximum power point tracking of PV system under partial shading conditions through flower pollination algorithm. Prot. Control. Mod. Power Syst. 2018, 3, 38. [Google Scholar] [CrossRef]
- Ansari, M.F.; Tjakur, P.; Saini, P. Particle Swarm Optimization Technique for Photovoltaic System. Int. J. Recent Technol. Eng. (IJRTE) 2020, 8, 1448–1451. [Google Scholar] [CrossRef]
- del Rio, A.; Barambones, O.; Uralde, J.; Artetxe, E.; Calvo, I. Particle Swarm Optimization-Based Control for Maximum Power Point Tracking Implemented in a Real Time Photovoltaic System. Information 2023, 14, 556. [Google Scholar] [CrossRef]
- Wang, W.; Liu, A.C.-F.; Chung, H.S.-H.; Lau, R.W.-H.; Zhang, J.; Lo, A.W.-L. Fault Diagnosis of Photovoltaic Panels Using Dynamic Current–Voltage Characteristics. IEEE Trans. Power Electron. 2015, 31, 1588–1599. [Google Scholar] [CrossRef]
- Simani, S.; Lam, Y.P.; Farsoni, S.; Castaldi, P. Dynamic Neural Network Architecture Design for Predicting Remaining Useful Life of Dynamic Processes. J. Data Sci. Intell. Syst. 2023, 1–12. [Google Scholar] [CrossRef]
- Garaj, M.; Hong, K.Y.; Chung, H.S.; Lo, A.W.; Wang, H. Diagnostic Module for Series-Connected Photovoltaic Panels. Sol. Energy 2020, 196, 243–259. [Google Scholar] [CrossRef]
- Hejri, M.; Mokhtari, H.; Azizian, M.R.; Ghandhari, M.; Soder, L. On the Parameter Extraction of a Five-Parameter Double-Diode Model of Photovoltaic Cells and Modules. IEEE J. Photovolt. 2014, 4, 915–923. [Google Scholar] [CrossRef]
- Kennedy, J.; Eberhart, R.C. Particle swarm optimization. In Proceedings of the International Conference on Neural Networks (ICNN’95), Perth, Australia, 27 November–1 December 1995; Volume 4, pp. 1942–1948. [Google Scholar]
- Chatterjee, A.; Siarry, P. Nonlinear inertia weight variation for dynamic adaptation in particle swarm optimization. Comput. Oper. Res. 2006, 33, 859–871. [Google Scholar] [CrossRef]
- Ratnaweera, A.; Halgamuge, S.; Watson, H. Self-organizing hierarchical particle swarm optimizer with time-varying acceleration coefficients. IEEE Trans. Evol. Comput. 2004, 8, 240–255. [Google Scholar] [CrossRef]
- Liang, J.; Suganthan, P. Dynamic multi-swarm particle swarm optimizer with local search. In Proceedings of the 2005 IEEE Congress on Evolutionary Computation, Edinburgh, UK, 2–5 September 2005; pp. 522–528. [Google Scholar]
- Liang, J.J.; Qin, A.K.; Suganthan, P.N.; Baskar, S. Comprehensive learning particle swarm optimizer for global optimi-zation of multimodal functions. IEEE Trans. Evol. Comput. 2006, 10, 281–295. [Google Scholar] [CrossRef]
- Andrews, P. An Investigation into Mutation Operators for Particle Swarm Optimization. In Proceedings of the 2006 IEEE International Conference on Evolutionary Computation, Vancouver, BC, Canada, 16–21 July 2006; pp. 1044–1051. [Google Scholar]
- Krohling, R.A.; dos Santos Coelho, L. Coevolutionary particle swarm optimization using gaussian distribution for solving constrained optimization problems. IEEE Trans. Syst. Man Cybern. Part B 2006, 36, 1407–1416. [Google Scholar] [CrossRef] [PubMed]
- Tripathi, P.K.; Bandyopadhyay, S.; Pal, S.K. Adaptive multi-objective particle swarm optimization algorithm. In Proceedings of the 2007 IEEE Congress on Evolutionary Computation, Singapore, 25–28 September 2007; pp. 2281–2288. [Google Scholar]
- Chen, Y.-P.; Peng, W.-C.; Jian, M.-C. Particle swarm optimization with recombination and dynamic linkage discovery. IEEE Trans. Syst. Man Cybern. Part B 2007, 37, 1460–1470. [Google Scholar] [CrossRef] [PubMed]
- Liu, B.; Wang, L.; Jin, Y.-H. An effective pso-based memetic algorithm for flow shop scheduling. IEEE Trans. Syst. Man Cybern. Part B 2007, 37, 18–27. [Google Scholar] [CrossRef] [PubMed]
- Lin, H.-S.; Liauh, W.-H.; Ho, S.-J. OPSO: Orthogonal particle swarm optimization and its application to task assignment problems. IEEE Trans. Syst. Man Cybern.-Part A Syst. Hum. 2008, 38, 288–298. [Google Scholar] [CrossRef]
- Zhan, Z.-H.; Zhang, J.; Li, Y.; Chung, H.S.-H. Adaptive particle swarm optimization. IEEE Trans. Syst. Man Cybern. Part B 2009, 39, 1362–1381. [Google Scholar] [CrossRef] [PubMed]
- Alireza, A.L. PSO with Adaptive Mutation and Inertia Weight and Its Application in Parameter Estimation of Dynamic Systems. Acta Autom. Sin. 2011, 37, 541–549. [Google Scholar]
- Kumar, S.; Chaturvedi, D.K. Tuning of Particle Swarm Optimization Parameter using Fuzzy Logic. In Proceedings of the 2011 International Conference on Communication Systems & Network Technologies, Katra, India, 3–5 June 2011. [Google Scholar]
- Kessentini, S.; Barchiesi, D. Particle Swarm Optimization with Adaptive Inertia Weight. Int. J. Mach. Learn. Comput. 2015, 5, 368. [Google Scholar] [CrossRef]
- Hu, W.; Yen, G.G. Adaptive Multi-objective Particle Swarm Optimization Based on Parallel Cell Coordinate System. IEEE Trans. Evol. Comput. 2015, 19, 1–18. [Google Scholar]
- Dashora, G.; Awwal, P. Adaptive Particle Swarm Optimization Employing Fuzzy Logic. In Proceedings of the IEEE International Con-ference on Recent Advances and Innovations in Engineering (ICRAIE-2016), Jaipur, India, 23–25 December 2016. [Google Scholar]
- Wachowiak, M.P.; Timson, M.C.; DuVal, D.J. Adaptive Particle Swarm Optimization with Heterogeneous Multicore Parallelism and GPU Acceleration. IEEE Trans. Parallel Distrib. Syst. 2017, 28, 2784–2793. [Google Scholar] [CrossRef]
- Han, H.; Lu, W.; Qiao, J. An Adaptive Multi-objective Particle Swarm Optimization Based on Multiple Adaptive Methods. IEEE Trans. Cybern. 2017, 47, 2754–2767. [Google Scholar] [CrossRef]
- Qian, F.; Mahmoudi, M.R.; Parvïn, H.; Pho, K.-H.; Tuan, B.A. An Adaptive Particle Swarm Optimization Algorithm for Unconstrained Optimization. Complexity 2020, 2020, 2010545. [Google Scholar] [CrossRef]
- Chen, B.; Zhang, R.; Chen, L.; Long, S. Adaptive Particle Swarm Optimization with Gaussian Perturbation and Mutation. Sci. Program. 2021, 2021, 6676449. [Google Scholar] [CrossRef]
- Li, X.; Mao, K.; Lin, F.; Zhang, X. Particle swarm optimization with state-based adaptive velocity limit strategy. Neurocomputing 2021, 447, 64–79. [Google Scholar] [CrossRef]
- Tian, D.; Liu, C.; Gheni, Z.; Li, B. Adaptive Particle Swarm Optimization based on Competitive and Balanced Learning Strategy. In Proceedings of the 2023 International Conference on Electronics, Computers and Communication Technology, Guilin, China, 17–19 November 2023; pp. 44–53. [Google Scholar] [CrossRef]








| Model Parameter Values | Parameter Error (%) | Avg|E(P)| | ||||||||||
|---|---|---|---|---|---|---|---|---|---|---|---|---|
| Iph | Io | VT | Rsh | Csh | Rs | Iph | Io | VT | Rsh | Csh | Rs | Error% |
| 0.687327 | 4.43 × 10−8 | 5.028819 | 647.7544 | 8.98 × 10−7 | 1.141352 | −0.01% | −1.76% | −0.11% | 0.08% | 0.01% | 1.02% | 0.50% |
| 1.470966 | 1.29 × 10−7 | 4.955088 | 1353.875 | 1.42 × 10−6 | 1.541955 | −0.01% | 10.46% | 0.61% | 1.76% | −0.05% | −1.56% | 2.41% |
| 1.097623 | 1.07 × 10−7 | 5.021067 | 1144.587 | 5.63 × 10−7 | 1.056793 | 0.02% | −2.33% | −0.15% | −0.72% | −0.05% | −0.18% | 0.57% |
| 1.450665 | 1.28 × 10−7 | 5.038308 | 1653.205 | 1.38 × 10−6 | 1.691926 | 0.01% | −11.33% | −0.73% | −2.43% | 0.05% | 1.89% | 2.74% |
| 0.621455 | 7.25 × 10−8 | 4.955404 | 1539.586 | 7.74 × 10−7 | 1.398938 | 0.01% | −1.11% | −0.07% | −0.30% | −0.01% | 0.14% | 0.27% |
| 0.593933 | 9.67 × 10−8 | 4.983181 | 1671.098 | 1.68 × 10−6 | 1.440388 | 0.35% | 7.23% | 0.48% | −8.00% | −0.12% | −5.70% | 3.65% |
| 0.554694 | 1.55 × 10−7 | 4.986679 | 1319.29 | 6.58 × 10−7 | 1.148153 | 0.03% | −10.99% | −0.76% | −1.59% | 0.07% | 3.43% | 2.81% |
| 1.169152 | 1.24 × 10−7 | 5.019874 | 671.1248 | 1.26 × 10−6 | 1.173266 | −0.01% | 7.39% | 0.45% | 0.51% | −0.03% | −1.63% | 1.67% |
| 0.813365 | 1.19 × 10−7 | 5.032863 | 559.3855 | 6.04 × 10−7 | 1.141564 | −0.01% | 2.79% | 0.18% | 0.14% | −0.02% | −1.00% | 0.69% |
| 0.542401 | 1.18 × 10−7 | 5.024342 | 1493.297 | 1.38 × 10−6 | 1.674077 | 0.02% | −9.47% | −0.63% | −1.68% | 0.04% | 1.79% | 2.27% |
| 0.494695 | 7.93 × 10−8 | 4.958878 | 1649.702 | 1.15 × 10−6 | 0.996171 | 0.51% | −8.61% | −0.50% | −13.29% | −0.05% | −5.02% | 4.66% |
| 0.346326 | 1.66 × 10−7 | 5.030319 | 405.0068 | 1.42 × 10−6 | 1.227686 | 0.05% | −16.85% | −1.22% | −0.74% | 0.11% | 4.27% | 3.87% |
| 1.076312 | 5.62 × 10−8 | 4.98256 | 1443.875 | 1.10 × 10−6 | 1.027417 | −0.01% | −1.88% | −0.10% | 0.42% | 0.01% | 2.36% | 0.80% |
| 0.696398 | 9.02 × 10−8 | 4.99645 | 1199.748 | 1.11 × 10−6 | 0.527183 | 0.00% | −7.20% | −0.47% | −0.58% | 0.03% | 3.90% | 2.03% |
| Average Absolute Parameter Error (%) | Overall | ||||||
|---|---|---|---|---|---|---|---|
| Iph | Io | VT | Rsh | Csh | Rs | Avg|E(P)|% | |
| Input Range | ±90% | ±90% | ±5% | ±90% | ±90% | ±90% | |
| PSO only * | 0.574% | 50.575% | 2.565% | 17.847% | 0.740% | 17.343% | 14.941% |
| ANN | 5.577% | 8.039% | 0.482% | 9.687% | 6.312% | 10.131% | 6.705% |
| ANN + NCP | 5.337% | 11.202% | 0.477% | 6.822% | 5.936% | 7.101% | 6.146% |
| ANN + PSO * | 0.529% | 10.051% | 0.599% | 3.221% | 0.364% | 5.039% | 3.301% |
| Panel | Predicted Parameter Values MPSO [51] | Iest RMSE | Predicted Parameter Values ANN + PSO | Iest RMSE | ||||||||||
|---|---|---|---|---|---|---|---|---|---|---|---|---|---|---|
| Iph | Io | VT | Rsh | Csh | Rs | Iph | Io | VT | Rsh | Csh | Rs | |||
| Dataset 1 | 0.602 | 7.09 × 10−8 | 5.26 | 369 | 2.60 × 10−7 | 2.60 | 0.2100 | 0.543 | 5.893 × 10−4 | 12.210 | 18752.5 | 1.470 × 10−6 | 8.012 | 0.0555 |
| Dataset 2 | 0.454 | 1.80 × 10−8 | 5.23 | 587 | 4.82 × 10−7 | 4.82 | 0.2227 | 0.417 | 5.573 × 10−4 | 12.462 | 14125.4 | 1.450 × 10−6 | 13.272 | 0.1082 |
| (a) | |||||||
| C1 | 1.0 | 1.5 | 2.0 | ω | |||
| C2 | |||||||
| 1.0 | 54.12 × 10−4 | 126.83 × 10−4 | 1.67 × 10−4 | 0.2 | 0.5 | 0.8 | |
| 1.5 | 1.94 × 10−4 | 0.597 × 10−4 | 0.12 × 10−4 | 1.09 × 10−3 | 0.0597 × 10−3 | 2.82 × 10−3 | |
| 2.0 | 100.7 × 10−4 | 0.084 × 10−4 | 8.52 × 10−4 | C1 = 1.5, C2 = 1.5, Nmax = 200, Np = 20 | |||
| Ω = 0.5, Nmax = 200, Np = 20 | |||||||
| (b) | |||||||
| No. of Hidden Layers | No. of Nodes in 1st Hidden Layer | No. of Nodes in 2nd Hidden Layer | No. of Nodes in 3rd Hidden Layer | Learning Rate | Loss | ||
| 2 | 200 | 100 | - | 0.01 | 0.7993 | ||
| 2 | 200 | 200 | - | 0.01 | 0.8387 | ||
| 2 | 200 | 150 | - | 0.01 | 0.8400 | ||
| 2 | 150 | 50 | - | 0.01 | 0.8535 | ||
| 2 | 300 | 200 | - | 0.01 | 0.8989 | ||
| 3 | 200 | 100 | 50 | 0.01 | 0.8173 | ||
| 3 | 200 | 150 | 50 | 0.01 | 0.8385 | ||
| 3 | 300 | 200 | 100 | 0.01 | 0.8101 | ||
| Training (Dropout = 0.1) | Dropout (Learning rate = 0.01) | ||||||
| Learning rate | Loss | Dropout | Loss | ||||
| 0.100 | 0.8303 | 0.10 | 0.7993 | ||||
| 0.050 | 0.7842 | 0.20 | 0.8431 | ||||
| 0.020 | 0.8293 | 0.05 | 0.8648 | ||||
| 0.010 | 0.7993 | ||||||
| 0.005 | 0.8613 | ||||||
| 0.001 | 0.8067 | ||||||
Disclaimer/Publisher’s Note: The statements, opinions and data contained in all publications are solely those of the individual author(s) and contributor(s) and not of MDPI and/or the editor(s). MDPI and/or the editor(s) disclaim responsibility for any injury to people or property resulting from any ideas, methods, instructions or products referred to in the content. |
© 2024 by the authors. Licensee MDPI, Basel, Switzerland. This article is an open access article distributed under the terms and conditions of the Creative Commons Attribution (CC BY) license (https://creativecommons.org/licenses/by/4.0/).
Share and Cite
Lo, W.-L.; Chung, H.S.-H.; Hsung, R.T.-C.; Fu, H.; Shen, T.-W. PV Panel Model Parameter Estimation by Using Particle Swarm Optimization and Artificial Neural Network. Sensors 2024, 24, 3006. https://doi.org/10.3390/s24103006
Lo W-L, Chung HS-H, Hsung RT-C, Fu H, Shen T-W. PV Panel Model Parameter Estimation by Using Particle Swarm Optimization and Artificial Neural Network. Sensors. 2024; 24(10):3006. https://doi.org/10.3390/s24103006
Chicago/Turabian StyleLo, Wai-Lun, Henry Shu-Hung Chung, Richard Tai-Chiu Hsung, Hong Fu, and Tak-Wai Shen. 2024. "PV Panel Model Parameter Estimation by Using Particle Swarm Optimization and Artificial Neural Network" Sensors 24, no. 10: 3006. https://doi.org/10.3390/s24103006
APA StyleLo, W.-L., Chung, H. S.-H., Hsung, R. T.-C., Fu, H., & Shen, T.-W. (2024). PV Panel Model Parameter Estimation by Using Particle Swarm Optimization and Artificial Neural Network. Sensors, 24(10), 3006. https://doi.org/10.3390/s24103006

