General Purpose Transistor Characterized as Dosimetry Sensor of Proton Beams
Abstract
1. Introduction
2. Materials and Methods
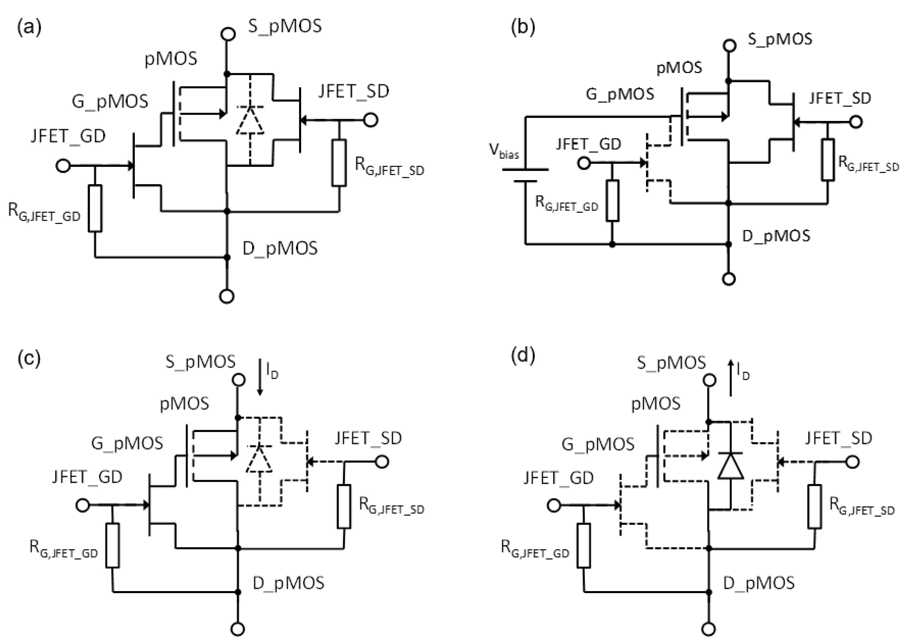
- Storage mode: All the JFETs are ON (gates of JFETs are grounded), short circuiting all the terminals of the MOSFET to minimize gate oxide charge leakage during storage or between irradiations. The sensor module can be connected or not to the reader unit.
- Sensing mode: In this state, the gate and the drain of the MOSFET are disconnected (the JFET_GD is cut-off, applying a negative voltage in its gate, −13 V in our case) and the source and drain of the pMOS transistor are connected via JFET_SD. To increase the sensitivity, an external bias voltage is applied by the reader unit to the pMOS gate up to 25 V (0, 1, 5, and 10 V in this study).
- Readout of VF: In this state, both JFETs are cut off and the drain current is reversed to activate the parasitic diode, then the source voltage become negative, equal to less forward voltage of the parasitic diode (VF) [21]. This parameter is measured by the reader unit, and the die temperature is calculated from the linear relationship between the diode voltage and the temperature in a forwarded diode [25].
- Readout of VS: In this state the gate is connected to the drain (ground) via the JFET_GD, whose gate is grounded as well (see Figure 3 and Figure 4). The JFET_SD is cut-off, biasing its gate at negative voltage. In this configuration, the source is connected to the current source and the direct and amplified source voltage are measured, as well as the drain current by the reader unit after each irradiation.
3. Results and Discussion
4. Conclusions
Author Contributions
Funding
Data Availability Statement
Conflicts of Interest
References
- Steneker, M.; Lomax, A.; Schneider, U. Intensity modulated photon and proton therapy for the treatment of head and neck tumors. Radiother. Oncol. 2006, 80, 263–267. [Google Scholar] [CrossRef] [PubMed]
- Wilson, V.C.; McDonough, J.; Tochner, Z. Proton beam irradiation in pediatric oncology: An overview. J. Pediatr. Hematol. Oncol. 2005, 27, 444–448. [Google Scholar] [CrossRef] [PubMed]
- Haberer, T.; Debus, J.; Eickhoff, H.; Jäkel, O.; Schulz-Ertner, D.; Weber, U. The heidelberg ion therapy center. Radiother. Oncol. 2004, 73, S186–S190. [Google Scholar] [CrossRef] [PubMed]
- Pedroni, E.; Scheib, S.; Böhringer, T.; Coray, A.; Grossmann, M.; Lin, S.; Lomax, A. Experimental characterization and physical modelling of the dose distribution of scanned proton pencil beams. Phys. Med. Biol. 2005, 50, 541–561. [Google Scholar] [CrossRef]
- Lomax, A. Intensity modulation methods for proton radiotherapy. Phys. Med. Biol. 1999, 44, 185–205. [Google Scholar] [CrossRef]
- Fontenot, J.D.; Lee, A.K.; Newhauser, W.D. Risk of secondary malignant neoplasms from proton therapy and intensity-modulated x-ray therapy for early-stage prostate cancer. Int. J. Radiat. Oncol. Biol. Phys. 2009, 74, 616–622. [Google Scholar] [CrossRef]
- Pedroni, E.; Bacher, R.; Blattmann, H.; Böhringer, T.; Coray, A.; Lomax, A.; Lin, S.; Munkel, G.; Scheib, S.; Schneider, U. The 200-MeV proton therapy project at the Paul Scherrer Institute: Conceptual design and practical realization. Med. Phys. 1995, 22, 37–53. [Google Scholar] [CrossRef]
- International Commission on Radiation Units and Measurements. Determination of Absorbed Dose in a Patient Irradiated by Beams of X or Gamma Rays in Radiotherapy Procedures; ICRU report; International Commission on Radiation Units and Measurements: Washington, DC, USA, 1976; ISBN 978-0-913394-43-4. [Google Scholar]
- Sorriaux, J.; Testa, M.; Paganetti, H.; Bertrand, D.; Lee, J.A.; Palmans, H.; Vynckier, S.; Sterpin, E. Consistency in quality correction factors for ionization chamber dosimetry in scanned proton beam therapy. Med. Phys. 2017, 44, 4919–4927. [Google Scholar] [CrossRef]
- Sowa, U.; Nowak, T.; Michalec, B.; Mierzwinska, G.; Swakoń, J.; Olko, P. Dosimetric characteristics of active solid state detectors in a 60 MeV proton radiotherapy beam. Nukleonika 2012, 57, 491–495. [Google Scholar]
- Cheng, C.-W.; Wolanski, M.; Zhao, Q.; Fanelli, L.; Gautam, A.; Pack, D.; Das, I.J. Dosimetric characteristics of a single use MOSFET dosimeter for in vivo dosimetry in proton therapy. Med. Phys. 2010, 37, 4266–4273. [Google Scholar] [CrossRef]
- Pease, R.L.; Simons, M.; Marshall, P. Comparison of pMOSFET total dose response for Co-60 gammas and high-energy protons. IEEE Trans. Nucl. Sci. 2001, 48, 908–912. [Google Scholar] [CrossRef]
- Ionizing Radiation Effects in MOS Devices and Circuits|Wiley. Available online: https://www.wiley.com/en-es/Ionizing+Radiation+Effects+in+MOS+Devices+and+Circuits-p-9780471848936 (accessed on 23 December 2022).
- Holmes-Siedle, A.; Adams, L. RADFET: A review of the use of metal-oxide-silicon devices as integrating dosimeters. Int. J. Radiat. Appl. Instrumentation. Part C. Radiat. Phys. Chem. 1986, 28, 235–244. [Google Scholar] [CrossRef]
- Jaksic, A.; Kimoto, Y.; Mohammadzadeh, A.; Hajdas, W. RADFET Response to Proton Irradiation Under Different Biasing Configurations. IEEE Trans. Nucl. Sci. 2006, 53, 2004–2007. [Google Scholar] [CrossRef]
- Kohno, R.; Nishio, T.; Miyagishi, T.; Hirano, E.; Hotta, K.; Kawashima, M.; Ogino, T. Experimental evaluation of a MOSFET dosimeter for proton dose measurements. Phys. Med. Biol. 2006, 51, 6077–6086. [Google Scholar] [CrossRef] [PubMed]
- Kohno, R.; Hotta, K.; Matsubara, K.; Nishioka, S.; Matsuura, T.; Kawashima, M. In vivo proton dosimetry using a MOSFET detector in an anthropomorphic phantom with tissue inhomogeneity. J. Appl. Clin. Med. Phys. 2012, 13, 159–167. [Google Scholar] [CrossRef]
- Asensio, L.J.; Carvajal, M.A.; López-Villanueva, J.A.; Vilches, M.; Lallena, A.M.; Palma, A.J. Evaluation of a low-cost commercial mosfet as radiation dosimeter. Sens. Actuators A Phys. 2006, 125, 288–295. [Google Scholar] [CrossRef]
- Martínez-García, M.S.; Simancas, F.; Palma, A.J.; Lallena, A.M.; Banqueri, J.; Carvajal, M.A. General purpose MOSFETs for the dosimetry of electron beams used in intra-operative radiotherapy. Sens. Actuators A Phys. 2014, 210, 175–181. [Google Scholar] [CrossRef]
- Carvajal, M.A.; Simancas, F.; Guirado, D.; Vilches, M.; Lallena, A.M.; Palma, A.J. A compact and low cost dosimetry system based on MOSFET for in vivo radiotherapy. Sens. Actuators A Phys. 2012, 182, 146–152. [Google Scholar] [CrossRef]
- Carvajal, M.A.; Martínez-García, M.S.; Guirado, D.; Banqueri, J.; Palma, A.J. Dose verification system based on MOS transistor for real-time measurement. Sens. Actuators A Phys. 2016, 247, 269–276. [Google Scholar] [CrossRef]
- Carvajal, M.A.; Martínez-García, M.S.; Guirado, D.; Martínez-Olmos, A.; Palma, A.J. Thermal compensation technique using the parasitic diode for DMOS transistors. Sens. Actuators A Phys. 2016, 249, 249–255. [Google Scholar] [CrossRef]
- Cazzaniga, C.; García Alía, R.; Coronetti, A.; Bilko, K.; Morilla, Y.; Martín-Holgado, P.; Kastriotou, M.; Frost, C.D. Measurements of Low-Energy Protons Using a Silicon Detector for Application to SEE Testing. IEEE Trans. Nucl. Sci. 2021, 69, 485–490. [Google Scholar] [CrossRef]
- Available online: https://physics.nist.gov/PhysRefData/Star/Text/PSTAR.html (accessed on 23 December 2022).
- Fraden—Handbook-of-Modern-Sensors—Fraden—Handbook-of-Modern-Sensors|Docsity. Available online: https://www.docsity.com/pt/fraden-handbook-of-modern-sensors/4841727/ (accessed on 23 December 2022).
- Carvajal, M.; Martínez Olmos, A.; Morales, D.; López-Villanueva, J.A.; Lallena, A.; Palma, A. Thermal drift reduction with multiple bias current for MOSFET dosimeters. Phys. Med. Biol. 2011, 56, 3535–3550. [Google Scholar] [CrossRef] [PubMed]
- Pablo Cirrone, G.A.; Cuttone, G.; Lojacono, P.A.; Nigro, S.L.; Patti, I.V.; Pittera, S.; Raffaele, L.; Sabini, M.G.; Salamone, V.; Valastro, L.M. Preliminary investigation on the use of the MOSFET dosimeter in proton beams. Phys. Med. 2006, 22, 29–32. [Google Scholar] [CrossRef] [PubMed]









| MOSFET | S (Mv/Gy) | σ (S) (mV/Gy) | VG (V) | Avg_S (mV/Gy) | σ (AvgSen) (mV/Gy) |
|---|---|---|---|---|---|
| #1 | 8.18 | 0.24 | 0 | 8.6 | 0.4 |
| #2 | 8.66 | 0.15 | |||
| #3 | 9.08 | 0.09 | |||
| #4 | 12.24 | 0.05 | 1 | 11.4 | 0.9 |
| #5 | 11.31 | 0.09 | |||
| #6 | 10.50 | 0.30 | |||
| #7 | 19.30 | 0.40 | 5 | 16.2 | 3.0 |
| #8 | 13.40 | 0.40 | |||
| #9 | 15.81 | 0.23 | |||
| #10 | 23.60 | 0.50 | 10 | 24.8 | 1.0 |
| #11 | 25.50 | 0.05 | |||
| #12 | 25.30 | 0.30 |
| V Bias (V) | Fading Dose Error (Gy) |
|---|---|
| 0 | 0.2 |
| 1 | 0.11 |
| 5 | 0.11 |
| 10 | 0.10 |
| Source | Sensor | V Bias (V) | Sensitivity (mV/Gy) | Ref. |
|---|---|---|---|---|
| 60Co photons | 3N163 | 0 | 0.9 | [20] |
| 6 MV photons from LINAC | 3N136 | 0 | 0.8 | [20] |
| 15 MV MV photons from LINAC | 3N136 | 1 | 0.8 | [21] |
| 190 MeV proton beam | TN-502RD | 15 | 250 | [16] |
| 62 MeV proton beam | TN-502RD | 15 | 75 | [27] |
| 60 MeV proton beam | Tyndall ESAPMOS4 | 0 | 50 | [15] |
| 60 MeV proton beam | Tyndall ESAPMOS4 | 5 | 130 | [15] |
| 5.36 MeV proton beam | 3N163 | 1 | 0.9 | This work |
Disclaimer/Publisher’s Note: The statements, opinions and data contained in all publications are solely those of the individual author(s) and contributor(s) and not of MDPI and/or the editor(s). MDPI and/or the editor(s) disclaim responsibility for any injury to people or property resulting from any ideas, methods, instructions or products referred to in the content. |
© 2023 by the authors. Licensee MDPI, Basel, Switzerland. This article is an open access article distributed under the terms and conditions of the Creative Commons Attribution (CC BY) license (https://creativecommons.org/licenses/by/4.0/).
Share and Cite
Moreno-Pérez, J.A.; Ruiz-García, I.; Martín-Holgado, P.; Romero-Maestre, A.; Anguiano, M.; Vila, R.; Carvajal, M.A. General Purpose Transistor Characterized as Dosimetry Sensor of Proton Beams. Sensors 2023, 23, 3771. https://doi.org/10.3390/s23073771
Moreno-Pérez JA, Ruiz-García I, Martín-Holgado P, Romero-Maestre A, Anguiano M, Vila R, Carvajal MA. General Purpose Transistor Characterized as Dosimetry Sensor of Proton Beams. Sensors. 2023; 23(7):3771. https://doi.org/10.3390/s23073771
Chicago/Turabian StyleMoreno-Pérez, J. A., I. Ruiz-García, P. Martín-Holgado, A. Romero-Maestre, M. Anguiano, R. Vila, and M. A. Carvajal. 2023. "General Purpose Transistor Characterized as Dosimetry Sensor of Proton Beams" Sensors 23, no. 7: 3771. https://doi.org/10.3390/s23073771
APA StyleMoreno-Pérez, J. A., Ruiz-García, I., Martín-Holgado, P., Romero-Maestre, A., Anguiano, M., Vila, R., & Carvajal, M. A. (2023). General Purpose Transistor Characterized as Dosimetry Sensor of Proton Beams. Sensors, 23(7), 3771. https://doi.org/10.3390/s23073771

