An Igor Pro 8.01 Procedure to Analyze Pulse Oximetry during Acute Hypoxia Test in Aircrews
Abstract
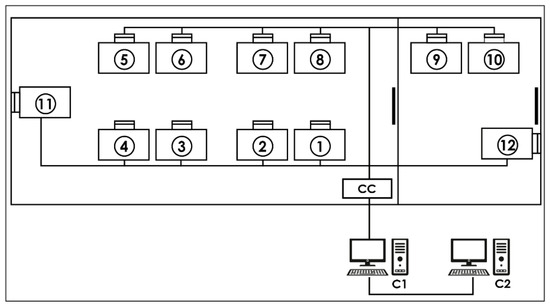
1. Introduction
2. Materials and Methods
2.1. Igor Pro Procedure Description
Execution of the Procedure
2.2. Handle Data Panel
2.3. Selected Data Panel
2.4. Filter Application Panel
3. Discussion
Supplementary Materials
Author Contributions
Funding
Institutional Review Board Statement
Informed Consent Statement
Data Availability Statement
Conflicts of Interest
References
- Gradwell, D.P.; Rainford, D.J. Ernsting’s Aviation and Space Medicine, 5th ed.; CRC Press: Boca Raton, FL, USA, 2016; ISBN 9781444179941. [Google Scholar]
- Pilmanis, A.A.; Sears, W.J. Physiological hazards of flight at high altitude. Lancet 2003, 362, s16–s17. [Google Scholar] [CrossRef] [PubMed]
- Nation, D.A.; Bondi, M.W.; Gayles, E.; Delis, D.C. Mechanisms of Memory Dysfunction during High Altitude Hypoxia Training in Military Aircrew. J. Int. Neuropsychol. Soc. 2017, 23, 1–10. [Google Scholar] [CrossRef]
- Neuhaus, C.; Hinkelbein, J. Cognitive responses to hypobaric hypoxia: Implications for aviation training. Psychol. Res. Behav. Manag. 2014, 7, 297–302. [Google Scholar] [CrossRef]
- McMorris, T.; Hale, B.J.; Barwood, M.; Costello, J.; Corbett, J. Effect of acute hypoxia on cognition: A systematic review and meta-regression analysis. Neurosci. Biobehav. Rev. 2017, 74A, 225–232. [Google Scholar] [CrossRef]
- Cable, G.G. In-flight hypoxia incidents in military aircraft: Causes and implications for training. Aviat. Space Environ. Med. 2003, 74, 169–172. [Google Scholar]
- Artino, A.R., Jr.; Folga, R.V.; Swan, B.D. Mask-on hypoxia training for tactical jet aviators: Evaluation of an alternate instructional paradigm. Aviat. Space Environ. Med. 2006, 77, 857–863. [Google Scholar]
- Shaw, D.M.; Cabre, G.; Gant, N. Hypoxic Hypoxia and Brain Function in Military Aviation: Basic Physiology and Applied Perspectives. Front. Physiol. 2021, 17, 665821. [Google Scholar] [CrossRef] [PubMed]
- Yoneda, I.; Tomoda, M.; Tokumaru, O.; Sato, T.; Watanabe, Y. Time of useful consciousness determination in aircrew members with reference to prior altitude chamber experience and age. Aviat. Space Environ. Med. 2000, 71, 72–76. [Google Scholar] [PubMed]
- Chiang, K.T.; Tu, M.Y.; Cheng, C.C.; Chen, H.H.; Huang, W.W.; Chiu, Y.L.; Wang, Y.Y.; Lai, C.Y. Contributions of Hypoxia-Awareness Training to the Familiarization of Personal Symptoms for Occupational Safety in the Flight Environment. Int. J. Environ. Res. Public Health 2021, 18, 2904. [Google Scholar] [CrossRef] [PubMed]
- Malle, C.; Bourrilhon, C.; Quinette, P.; Laisney, M.; Eustache, F.; Piérard, C. Physiological and Cognitive Effects of Acute Normobaric Hypoxia and Modulations from Oxygen Breathing. Aerosp. Med. Hum. Perform. 2016, 87, 3–12. [Google Scholar] [CrossRef] [PubMed]
- Malle, C.; Quinette, P.; Laisney, M.; Bourrilhon, C.; Boissin, J.; Desgranges, B.; Eustache, F.; Piérard, C. Working Memory Impairment in Pilots Exposed to Acute Hypobaric Hypoxia. Aviat. Space Environ. Med. 2013, 84, 773–779. [Google Scholar] [CrossRef] [PubMed]
- Kasture, S.; Nataraja, M.S.; Mohapatra, S.S.; Sinha, B. Hypoxia signature: A useful tool for hypoxia recognition among aircrew. Indian J. Aerosp. Med. 2011, 65, 81–85. [Google Scholar] [CrossRef]
- U.S. Food and Drug Administration Home Page. Available online: https://www.fda.gov/medical-devices/safety-communications/pulse-oximeter-accuracy-and-limitations-fda-safety-communication (accessed on 16 February 2023).
- Luks, A.M.; Swenson, E.R. Pulse oximetry at high altitude. High Alt. Med. Biol. 2011, 12, 109–119. [Google Scholar] [CrossRef] [PubMed]
- Bradke, B.; Everman, B. Investigation of Photoplethysmography Behind the Ear for Pulse Oximetry in Hypoxic Conditions with a Novel Device (SPYDR). Biosensors 2020, 10, 34. [Google Scholar] [CrossRef] [PubMed]
- Severinghaus, J.W.; Naifeh, K.H. Accuracy of response of six pulse oximeters to profound hypoxia. Anesthesiology 1987, 67, 551–558. [Google Scholar] [CrossRef] [PubMed]
















Disclaimer/Publisher’s Note: The statements, opinions and data contained in all publications are solely those of the individual author(s) and contributor(s) and not of MDPI and/or the editor(s). MDPI and/or the editor(s) disclaim responsibility for any injury to people or property resulting from any ideas, methods, instructions or products referred to in the content. |
© 2023 by the authors. Licensee MDPI, Basel, Switzerland. This article is an open access article distributed under the terms and conditions of the Creative Commons Attribution (CC BY) license (https://creativecommons.org/licenses/by/4.0/).
Share and Cite
Alvear-Catalán, M.; Montiglio, C.; Perales, I.; Viscor, G.; Araneda, O.F. An Igor Pro 8.01 Procedure to Analyze Pulse Oximetry during Acute Hypoxia Test in Aircrews. Sensors 2023, 23, 2327. https://doi.org/10.3390/s23042327
Alvear-Catalán M, Montiglio C, Perales I, Viscor G, Araneda OF. An Igor Pro 8.01 Procedure to Analyze Pulse Oximetry during Acute Hypoxia Test in Aircrews. Sensors. 2023; 23(4):2327. https://doi.org/10.3390/s23042327
Chicago/Turabian StyleAlvear-Catalán, Manuel, Claudio Montiglio, Ignacio Perales, Ginés Viscor, and Oscar F. Araneda. 2023. "An Igor Pro 8.01 Procedure to Analyze Pulse Oximetry during Acute Hypoxia Test in Aircrews" Sensors 23, no. 4: 2327. https://doi.org/10.3390/s23042327
APA StyleAlvear-Catalán, M., Montiglio, C., Perales, I., Viscor, G., & Araneda, O. F. (2023). An Igor Pro 8.01 Procedure to Analyze Pulse Oximetry during Acute Hypoxia Test in Aircrews. Sensors, 23(4), 2327. https://doi.org/10.3390/s23042327

