Online Rapid Detection Method of Fertilizer Solution Information Based on Characteristic Frequency Response Features
Abstract
1. Introduction
2. Fertilizer Detection Principle
3. Fertilizer Detection Sensor Design
3.1. Sensor Structure Design
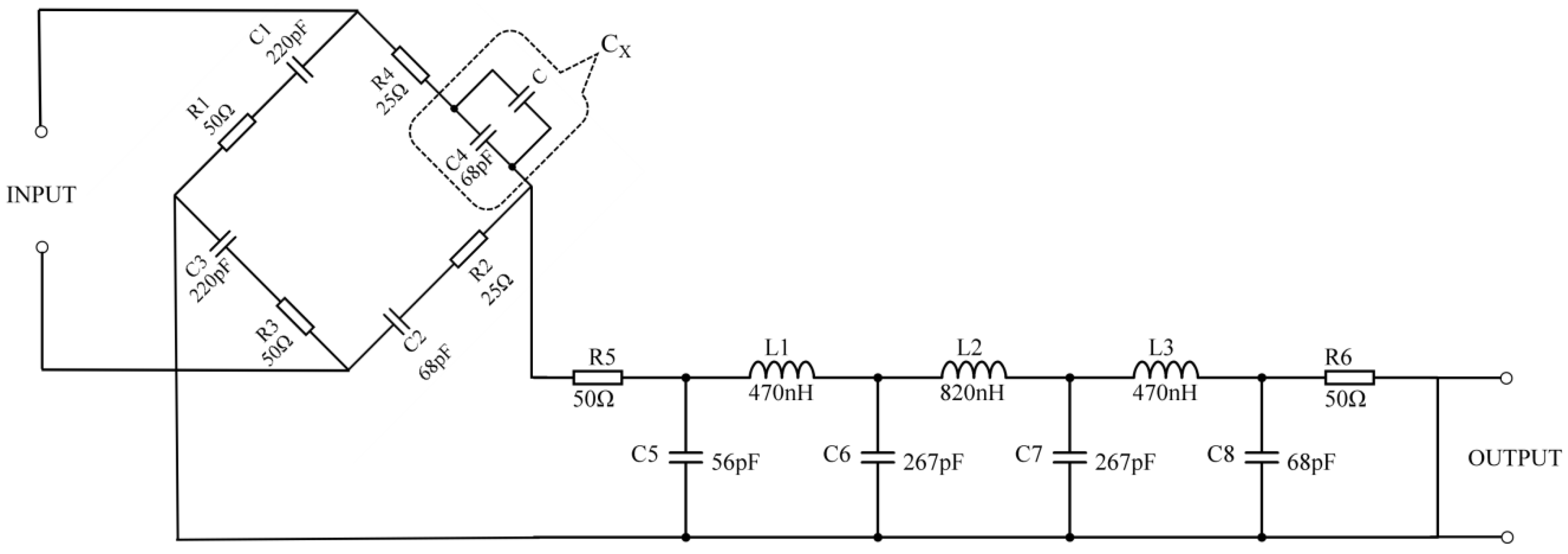
3.2. Signal Conditioning Circuit Design of the Sensor
4. Test Materials and Methods
4.1. Test Materials and Instruments
4.2. Test Method
5. Test Results and Analysis
5.1. Fertilizer Detection Sensor Stability Test
5.2. Determination of Characteristic Frequency of Fertilizer Type Identification
5.2.1. Identify the Characteristic Frequency of Potassium Chloride (KCl) Fertilizer
5.2.2. Identify the Characteristic Frequency of Calcium Superphosphate (SSP) Fertilizer
5.2.3. Identify the Characteristic Frequency of Urea Fertilizer
5.3. Determination of Characteristic Frequency of Fertilizer Concentration Detection
5.4. Establishment of the Fertilizer Concentration Detection Model
5.5. Fertilizer Solution Type Identification and Concentration Detection Methods and Strategies
5.6. Application Verification of the Fertilizer Concentration Detection Model
6. Conclusions
- (1)
 - To realize the rapid online detection of fertilizer type and concentration and real-time feedback of fertilizer information for intelligent water and fertilizer machines in automatic mixing or precise variable fertilization, this paper designed a cylindrical capacitance sensor for detecting fertilizer information. It proposed an online rapid detection method of fertilizer information based on the characteristic frequency response mode.
 - (2)
 - The stability of the sensor was tested. The RMS of the output signal voltage remained relatively stable within 5 h, and the maximum relative errors under the excitation signals of 50 kHz, 500 kHz, and 5 MHz were 0.72%, 0.68%, and 0.22%, respectively. The results indicated that the sensor has good stability and can meet the requirements of actual agricultural production.
 - (3)
 - The sensor’s phase–frequency and amplitude–frequency response data were tested under the sine wave excitation signal of 1 kHz~10 MHz. The analysis results indicated that the phase–frequency response characteristics of potassium chloride, calcium superphosphate, and urea fertilizer are related to the fertilizer type, and the amplitude–frequency response characteristics are related to the fertilizer concentration. Specifically, the characteristic frequencies of the potassium chloride fertilizer solution are 225 kHz, 235 kHz, and 245 kHz. The characteristic frequencies of the superphosphate fertilizer solution are 420 kHz, 455 kHz, and 490 kHz. The characteristic frequencies of the urea fertilizer solution are 750 kHz, 760 kHz, and 770 kHz. The characteristic frequencies of potassium chloride, calcium superphosphate, and urea are 5000 kHz, 7900 kHz, and 3600 kHz, respectively. Finally, three fertilizer concentration detection models were constructed with R2 greater than 0.9889.
 - (4)
 - According to the determined characteristic frequency and its characteristic frequency response mode, a detection strategy of ‘first type, then concentration’ is proposed. The effectiveness of the proposed method was verified with 14 concentrations of potassium chloride, calcium superphosphate, and urea fertilizer samples. The maximum relative error was 7.26%, indicating that the rapid online detection of fertilizer type and concentration can be realized.
 - (5)
 - Compared with EC/pH detection and the ion-selective electrode method, the conductivity sensor, pH sensor, and ion-selective electrode will be affected by the coupling of ion type and temperature but also indirectly detect fertilizer concentration. The online rapid detection method of fertilizer solution information based on the characteristic frequency response mode proposed in this paper can detect the specific concentration of nitrogen, phosphorus, and potassium ions in the fertilizer solution. At the same time, the cylindrical capacitance sensor designed in this paper based on the dielectric characteristics of the fertilizer solution does not have cross-sensitivity, temperature drift, and response time lag. It can directly identify the type of fertilizer liquid and detect the concentration of the fertilizer liquid. It is suitable for fertilizer liquid irrigation and can further improve the intelligence of precision variable fertilization.
 
Author Contributions
Funding
Data Availability Statement
Acknowledgments
Conflicts of Interest
References
- Xin, L. Chemical fertilizer rate, use efficiency and reduction of cereal crops in China, 1998–2018. J. Geogr. Sci. 2022, 32, 65–78. [Google Scholar] [CrossRef]
 - Qiu, W.; Ma, X.; Cao, H.; Huang, T.; She, X.; Huang, M.; Wang, Z.; Liu, J. Improving wheat yield by optimizing seeding and fertilizer rates based on precipitation in the summer fallow season in drylands of the Loess Plateau. Agric. Water Manag. 2022, 264, 107489. [Google Scholar] [CrossRef]
 - Blue, W.G. Role of pensacola bahiagrass stolon-root system in fertilizer nitrogen utilization on leon fine sand. Agron. J. 1973, 65, 88–91. [Google Scholar] [CrossRef]
 - Futagawa, M.; Iwasaki, T.; Murata, H.; Ishida, M.; Sawada, K. A miniature integrated multimodal sensor for measuring Ph, Ec and temperature for precision agriculture. Sensors 2012, 12, 8338–8354. [Google Scholar] [CrossRef]
 - Auerswald, H.; Schwarz, D.; Kornelson, C.; Krumbein, A.; Brückner, B. Sensory analysis, sugar and acid content of tomato at different Ec values of the nutrient solution. Sci. Hortic. 1999, 82, 227–242. [Google Scholar] [CrossRef]
 - Fertigation Solutions for Every Application. Available online: https://www.netafimusa.com/agriculture/digital-farming/netbeat/fertigation/ (accessed on 30 September 2022).
 - Priva Nutri-Line: Perfect Fertigation for Healthy Crops. Available online: https://www.priva.com/horticulture/solutions/priva-nutri-line (accessed on 30 September 2022).
 - Milham, P.J.; Awad, A.S.; Paull, R.E.; Bull, J.H. Analysis of plants, soils and waters for nitrate by using an ion-selective electrode. Analyst 1970, 95, 751–757. [Google Scholar] [CrossRef]
 - Cho, W.J.; Kim, H.J.; Jung, D.H.; Kim, D.W.; Ahn, T.I.; Son, J.E. On-site ion monitoring system for precision hydroponic nutrient management. Comput. Electron. Agric. 2018, 146, 51–58. [Google Scholar] [CrossRef]
 - Hee-Jo, H.; Hak-Jin, K.; Dae-Hyun, J.; Woo-Jae, C.; Yeong-Yeol, C. Real-time nutrient monitoring of hydroponic solutions using an ion-selective electrode-based embedded system. Prot. Hortic. Plant Fact. 2020, 29, 141–152. (In Korean) [Google Scholar]
 - Li, J.N.; Li, Y.Q.; Yang, Q.L.; Lei, L.H.; Wu, Z.Z. Development of real-time detecting device for nitrogen concentration of liquid fertilizer. Trans. Chin. Soc. Agric. Eng. 2015, 31, 139–145. (In Chinese) [Google Scholar]
 - Atas, H.B.; Kenar, A.; Tastekin, M. An electronic tongue for simultaneous determination of Ca2+, Mg2+, K+ and NH4+ in water samples by multivariate calibration methods. Talanta 2020, 217, 121110. [Google Scholar] [CrossRef]
 - Zhang, M.; Yan, Q.L.; Pan, L.P. ISE modeling of hydroponic formula based on biplot method difference analysis. Trans. Chin. Soc. Agric. Mach. 2019, 50, 200–206. (In Chinese) [Google Scholar]
 - Li, Y.; Xue, X.; Guo, W.; Wang, L.; Duan, M.; Chen, H.; Chen, F. Soil moisture and nitrate-nitrogen dynamics and economic yield in the greenhouse cultivation of tomato and cucumber under negative pressure irrigation in the North China Plain. Sci. Rep. 2019, 9, 4439. [Google Scholar] [CrossRef] [PubMed]
 - Scoggins, H.L. Determination of optimum fertilizer concentration and corresponding substrate electrical conductivity for ten taxa of herbaceous perennials. Hortscience 2005, 40, 1504–1506. [Google Scholar] [CrossRef]
 - Basta, N.T.; Tabatabai, M.A. Effect of cropping systems on adsorption of metals by soils: II. Effect of Ph. Soil Sci. 1992, 153, 195–204. [Google Scholar] [CrossRef]
 - Ko, M.T.; Ahn, T.I.; Young, Y.C. Uptake of Nutrients and Water by Paprika (Capsicum annuum L.) as Affected by Renewal Period of Recycled Nutrient Solution in Closed Soilless Culture. Hortic. Environ. Biotechnol. 2013, 54, 412–421. [Google Scholar] [CrossRef]
 - Chen, F.; Wei, D.; Tang, Y. Virtual Ion Selective Electrode for Online Measurement of Nutrient Solution Components. IEEE Sens. J. 2010, 11.2, 462–468. [Google Scholar] [CrossRef]
 - Bailey, B.J.; Haggett, B.G.D.; Hunter, A.; Albery, W.J.; Svanberg, L.R. Monitoring nutrient film solutions using ion-selective electrodes. J. Agric. Eng. Res. 1988, 40, 129–142. [Google Scholar] [CrossRef]
 - Swami, B.L.; Ikram, S. Ionophores contribution in making of ion selective electrodes: A review. Sens. Lett. 2015, 13, 711–720. [Google Scholar] [CrossRef]
 - Schockman, K.M.; Byrne, R.H. A hybrid conductometric/spectrophotometric method for determining ionic strength of dilute aqueous solutions. Analytica Chimica Acta 2022, 1220, 340008. [Google Scholar] [CrossRef]
 - Roy, K.; Thomas, A.; Paul, S.; Ashok, A.; Shastri, V.; Kalyan, K.; Suheshkumar Singh, M.; Pratap, R. An optofluidic dye concentration detector based on the pulsed photoacoustic effect. In Microfluidics, BioMEMS, and Medical Microsystems XIX; SPIE: Bellingham, WA, USA, 2021; Volume 11637, pp. 89–95. [Google Scholar]
 - Hou, X.; Sivashanmugan, K.; Zhao, Y.; Zhang, B.; Wang, A.X. Multiplex sensing of complex mixtures by machine vision analysis of TLC-SERS images. Sens. Actuators B Chem. 2022, 357, 131355. [Google Scholar] [CrossRef]
 - Hu, J.; Wei, F.; Shi, J.; Yang, L.; Xi, W.; Zhao, Y. Development of Liquid Concentration On - line Detection Device Based on Light Transmission Method. J. Agric. Mech. Res. 2022, 44, 31–36. (In Chinese) [Google Scholar]
 - Shi, H.; Zhang, H.; Ma, L.; Zeng, L. A multi-function sensor for online detection of contaminants in hydraulic oil. Tribol. Int. 2019, 138, 196–203. [Google Scholar] [CrossRef]
 - Liu, J.; Wu, G.; Zhou, L.; Luo, Y.; Huang, X.F. Dielectric frequency response of oil-paper composite insulation with transient moisture equilibrium. Proc. CSEE 2013, 33, 171–178. (In Chinese) [Google Scholar]
 - Chu, X.Z. The measurement of the dielectric properties of NaCl solution and seawater samples. J. East China Norm. Univ. (Nat. Sci.) 1980, 2, 64–68. (In Chinese) [Google Scholar]
 - Khare, P.K.; Jain, S.K. Dielectric properties of solution-grown-undoped and acrylic-acid-doped ethly cellulose. Bull. Mater. Sci. 2000, 23, 17–21. [Google Scholar] [CrossRef]
 - Slejko, E.; Hribar-Lee, B. The effect of macromolecular crowders on dielecric constant of aqueous electrolyte solutions. J. Mol. Liq. 2021, 336, 116295. [Google Scholar] [CrossRef]
 - Xi, X.M.; Zhang, N.; He, D.J. Detection of sylvine concentration in water based on permittivity. Trans. Chin. Soc. Agric. Eng. 2012, 28, 124–129. (In Chinese) [Google Scholar]
 - Kim, H.G. Pressure and temperature dependence of the dielectric properties in the perovskite solution of Gd-doped barium titanate. J. Mater. Sci. Lett. 1998, 17, 157–158. [Google Scholar]
 - Wang, J.W.; Fu, W.B. Analyses of amplitude-frequency and phase-frequency characteristics of 3dB bridges. J. Air Force Radar Acad. 2005, 24–27. (In Chinese) [Google Scholar]
 - Robinson, D.A.; Gardner, C.M.K.; Evans, J.; Cooper, J.D.; Hodnett, M.G.; Bell, J.P. The dielectric calibration of capacitance probes for soil hydrology using an oscillation frequency response model. Hydrol. Earth Syst. Sci. 1998, 2, 111–120. [Google Scholar] [CrossRef]
 - Mylne, K.R.; Davidson, M.J.; Thomson, D.J. Concentration fluctuation measurements in tracer plumes using high and low frequency response detectors. Bound. Layer Meteorol. 1996, 79, 225–242. [Google Scholar] [CrossRef]
 - Ma, Z.Y.; Zhang, J.K.; Li, J.N.; Wu, H. Design and experiment of concentric cylindrical capacitive sensor for liquid fertilizer concentration. Transducer Microsyst. Technol. 2018, 37, 91–94. (In Chinese) [Google Scholar]
 - Jiang, Z.; Du, H.P. Calculation of the capacitance of the cylindrical capacitor with arbitrary dimensions. J. Electron. Meas. Instrum. 2005, 19, 49–61. (In Chinese) [Google Scholar]
 - Grin, G.L. Active devices in precision bridge circuits. Meas. Tech. 1963, 6, 75–79. [Google Scholar] [CrossRef]
 - Binns, J.E.; Webb, H.W. A null detector for A.C. bridge measurements. Rev. Sci. Instrum. 1939, 10, 89–90. [Google Scholar] [CrossRef]
 - Navi, K.; Sajedi, H.H.; Mirzaee, R.F.; Moaiyeri, M.H.; Jalali, A.; Kavehei, O. High-speed full adder based on minority function and bridge style for nanoscale. Integration 2011, 44, 155–162. [Google Scholar] [CrossRef]
 














| Actual Concentration (g/L)  | Urea | Potassium Chloride | Calcium Superphosphate | |||
|---|---|---|---|---|---|---|
| Measured Value (g/L) | Relative Error (%) | Measured Value (g/L) | Relative Error (%) | Measured Value (g/L) | Relative Error (%) | |
| 5.00 | 5.19 | 3.80 | 4.89 | 2.20 | 5.31 | 6.20 | 
| 10.00 | 10.16 | 1.60 | 9.67 | 3.30 | 10.45 | 4.50 | 
| 15.00 | 15.35 | 2.33 | 14.78 | 1.47 | 14.45 | 3.67 | 
| 30.00 | 29.38 | 2.07 | 31.32 | 4.40 | 28.99 | 3.37 | 
| 35.00 | 35.78 | 2.23 | 37.54 | 7.26 | 36.78 | 5.09 | 
| 40.00 | 41.87 | 4.67 | 40.78 | 1.95 | 42.34 | 5.85 | 
| 45.00 | 45.65 | 1.44 | 44.68 | 0.71 | 43.75 | 2.78 | 
| 50.00 | 50.65 | 1.30 | 49.89 | 0.22 | 51.45 | 2.90 | 
| 55.00 | 55.67 | 1.22 | 53.67 | 2.42 | 55.89 | 1.16 | 
| 60.00 | 60.52 | 0.87 | 57.67 | 3.88 | 60.56 | 0.93 | 
| 65.00 | 65.18 | 0.28 | 65.66 | 1.02 | 64.56 | 0.67 | 
| 70.00 | 69.89 | 0.16 | 70.89 | 1.27 | 70.32 | 0.46 | 
| 75.00 | 75.09 | 0.12 | 74.88 | 0.16 | 75.16 | 0.21 | 
| 90.00 | 90.21 | 0.23 | 89.21 | 0.88 | 89.56 | 0.49 | 
Disclaimer/Publisher’s Note: The statements, opinions and data contained in all publications are solely those of the individual author(s) and contributor(s) and not of MDPI and/or the editor(s). MDPI and/or the editor(s) disclaim responsibility for any injury to people or property resulting from any ideas, methods, instructions or products referred to in the content.  | 
© 2023 by the authors. Licensee MDPI, Basel, Switzerland. This article is an open access article distributed under the terms and conditions of the Creative Commons Attribution (CC BY) license (https://creativecommons.org/licenses/by/4.0/).
Share and Cite
Li, J.; Gao, Y.; Zeng, J.; Li, X.; Wu, Z.; Wang, G. Online Rapid Detection Method of Fertilizer Solution Information Based on Characteristic Frequency Response Features. Sensors 2023, 23, 1116. https://doi.org/10.3390/s23031116
Li J, Gao Y, Zeng J, Li X, Wu Z, Wang G. Online Rapid Detection Method of Fertilizer Solution Information Based on Characteristic Frequency Response Features. Sensors. 2023; 23(3):1116. https://doi.org/10.3390/s23031116
Chicago/Turabian StyleLi, Jianian, Yuan Gao, Jingyuan Zeng, Xing Li, Zhuoyuan Wu, and Guoxuan Wang. 2023. "Online Rapid Detection Method of Fertilizer Solution Information Based on Characteristic Frequency Response Features" Sensors 23, no. 3: 1116. https://doi.org/10.3390/s23031116
APA StyleLi, J., Gao, Y., Zeng, J., Li, X., Wu, Z., & Wang, G. (2023). Online Rapid Detection Method of Fertilizer Solution Information Based on Characteristic Frequency Response Features. Sensors, 23(3), 1116. https://doi.org/10.3390/s23031116
        
