Geotechnical Deformation Distributed Measuring Technology Research Based on Parallel Spiral Sensing Line
Abstract
1. Introduction
- For the first time, we apply the spiral sensing line and TDR technology in the direction of monitoring and warning of landslide disasters, and this study fills the research gap of large deformation distributed measurement in monitoring and warning of landslide disasters.
- We investigated the relationship between the tensile deformation of the parallel helix and the variation of the characteristic impedance and established a solution model for the distribution parameters of the parallel helix, thus obtaining the theoretical relationship between the tensile deformation of the parallel helix and the variation of the characteristic impedance.
- We designed the corresponding measuring device and parallel helix stretching experimental platform for the theoretical method proposed in this paper, which can effectively simulate the occurrence of geologic disasters for experiments.
2. Parallel Spiral Structure
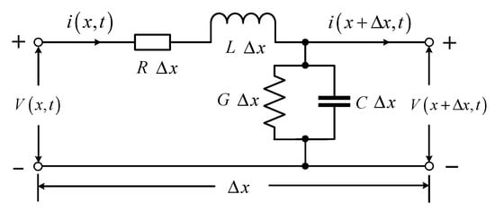
3. Parallel Helix Distributed Measurement Principle
3.1. Parallel Helix Sensing Principle Analysis
3.2. Principle of Time Domain Reflection Technology
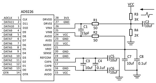
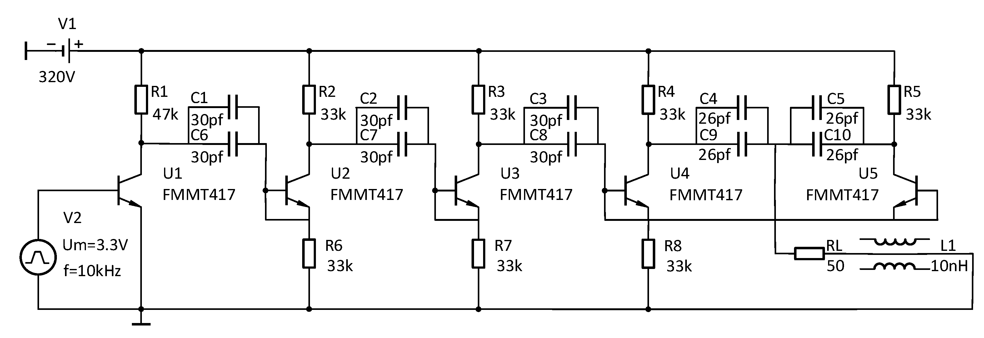
4. Development of a Measurement System
4.1. Total System Solution
4.2. Narrow Pulse Source Design
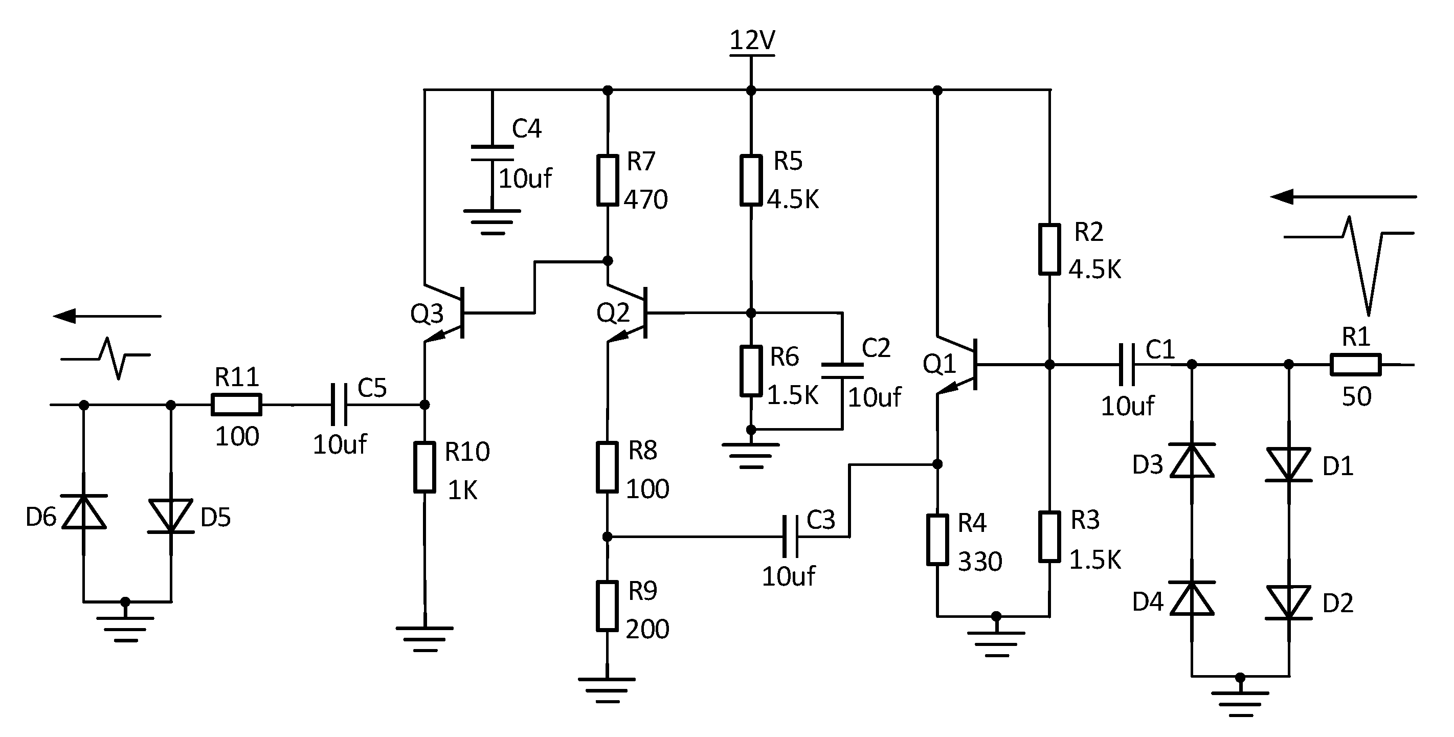
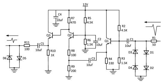
4.3. Echo Conditioning Circuit Module Design
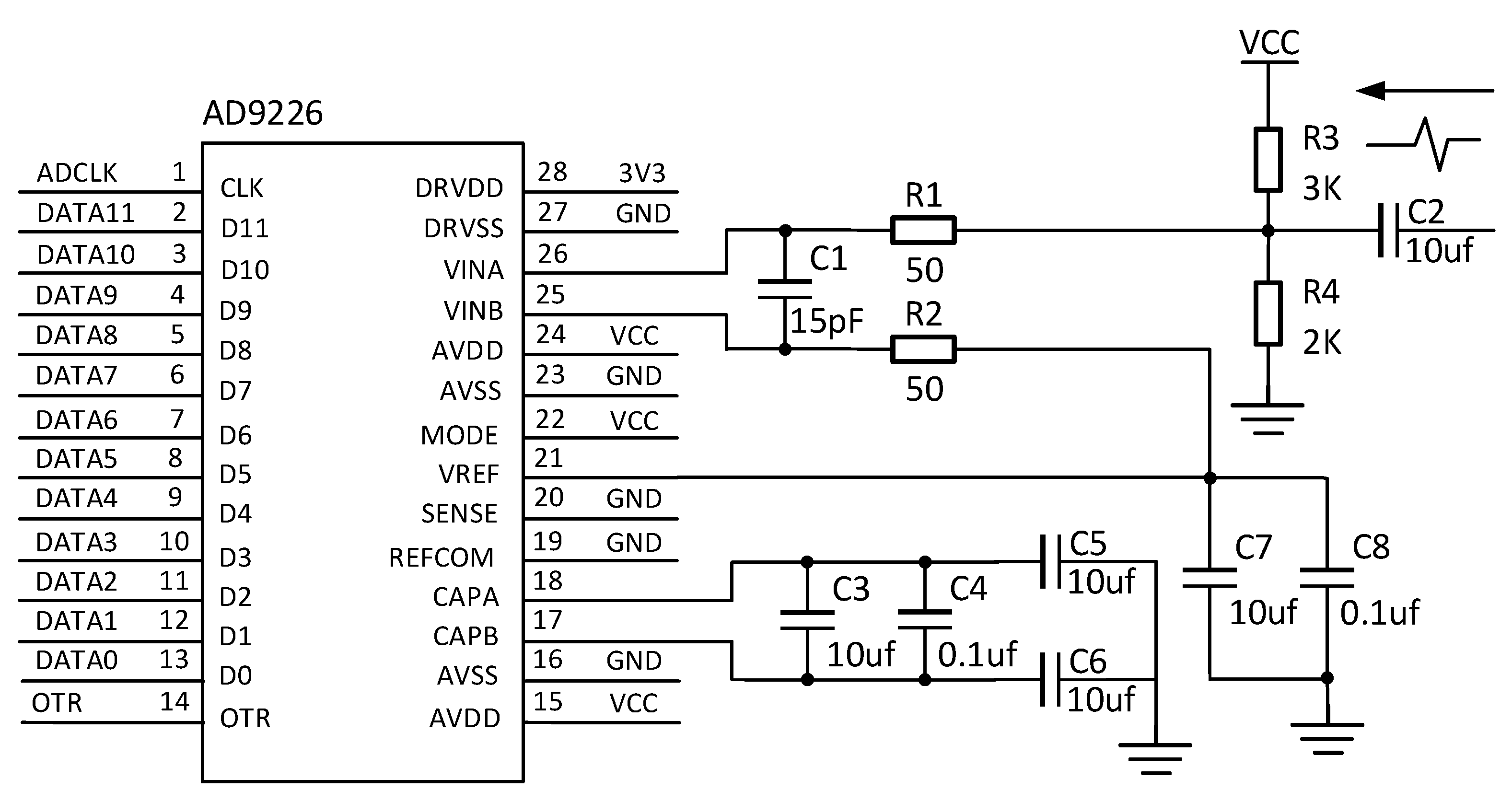
4.4. Equivalent Sampling Module Design
5. Experimental Platform and Measurement Verification
5.1. Construction of Experimental Platform
5.2. Tensile Positioning Test
5.3. Local Single-Point Stretching Volume Test
6. Conclusions
Author Contributions
Funding
Institutional Review Board Statement
Informed Consent Statement
Data Availability Statement
Conflicts of Interest
References
- Chen, H. Sichuan Maoxian “6-24” Large Landslide Disaster. Chin. J. Geol. Hazards Prev. 2017, 28, 1. [Google Scholar]
- Dong-Jian, X.; Zheng-Wei, H.E.; De-Sheng, Y.; Dong-Hui, Z. Emergency Remote Sensing Exploration of Typical Geohazards. Remote Sens. Inf. 2011, 154–155.87. [Google Scholar]
- Huang, D.; Wu, M.; Shi, R. Orange Light is Hope--Sichuan Mao County “6-24” Landslide Disaster Rescue Documentary. China Fire Serv. 2017, 22–26. [Google Scholar]
- Wang, L. Guizhou Shucheng “7-23” Large Landslide. Chin. J. Geol. Hazards Prev. 2019, 30, 1. [Google Scholar]
- Achu, A.L.; Joseph, S.; Aju, C.D.; Mathai, J. Preliminary analysis of a catastrophic landslide event on 6 August 2020 at Pettimudi, Kerala State, India. Landslides 2021, 18, 1459–1463. [Google Scholar] [CrossRef]
- Luo, Y.; Chen, J.; Xi, W.; Zhao, P.; Qiao, X.; Deng, X.; Liu, Q. Analysis of tunnel displacement accuracy with total station. Measurement 2016, 83, 29–37. [Google Scholar] [CrossRef]
- Kang, G.C.; Kim, B.J.; Hong, S.W.; Yim, Y.C.; Kim, J.S. Improving Reliabilities of Dam Displacement based on Monitoring Given Points by Total Station. J. Korean Geosynth. Soc. 2017, 16, 1–8. [Google Scholar] [CrossRef][Green Version]
- Faggion, P.L.; Veiga, L.A.K.; Silva, T.F.; Andolfato, S.H.D. Application of total stations for the determination of relative displacements in laboratory. Bol. Ciênc. Geod. 2013, 19, 34–44. [Google Scholar] [CrossRef]
- Li, Y.; Zuo, X.; Xiong, P.; You, H.; Zhang, H.; Yang, F.; Zhao, Y.; Yang, Y.; Liu, Y. Deformation monitoring and analysis of Kunyang phosphate mine fusion with InSAR and GPS measurements. Adv. Space Res. Off. J. Comm. Space Res. (COSPAR) 2022, 69, 2637–2658. [Google Scholar] [CrossRef]
- Benoit, L.; Briole, P.; Martin, O.; Thom, C.; Ulrich, P. Monitoring landslide displacements with the Geocube wireless network of low-cost GPS. Eng. Geol. 2015, 195, 111–121. [Google Scholar] [CrossRef]
- Zhu, X.; Xu, Q.; Zhou, J.; Deng, M. Remote Landslide Observation System with Differential GPS. Procedia Earth Planet. Sci. 2012, 5, 70–75. [Google Scholar] [CrossRef]
- Yao, C.; Li, Y.; He, Y.; Li, H.; Xu, C.; Fang, P. Thinking on Effective Methods of Successful Prediction of Geological Hazards in Shaanxi, China. Int. J. Earth Sci. 2023, 14, 19. [Google Scholar] [CrossRef]
- Di Martire, D.; Iglesias, R.; Monells, D.; Centolanza, G.; Sica, S.; Ramondini, M.; Pagano, L.; Mallorquí, J.J.; Calcaterra, D. Comparison between Differential SAR interferometry and ground measurements data in the displacement monitoring of the earth-dam of Conza della Campania (Italy). Remote Sens. Environ. Interdiscip. J. 2014, 148, 58–69. [Google Scholar] [CrossRef]
- Tapete, D.; Casagli, N.; Luzi, G.; Fanti, R.; Gigli, G.; Leva, D. Integrating radar and laser-based remote sensing techniques for monitoring structural deformation of archaeological monuments. J. Archaeol. Sci. 2013, 40, 176–189. [Google Scholar] [CrossRef]
- Li, Y.H.; Xu, S.D.; Liu, J.P. A new convergence monitoring system for tunnel or drift based on draw-wire displacement sensors. Tunn. Undergr. Space Technol. 2015, 49, 92–97. [Google Scholar] [CrossRef]
- Huang, S.; Wei, S.; Xie, J. Application of Tie-line Surface Displacement Monitoring System in Hsujiaping Landslide Monitoring. Sci. Technol. Innov. Appl. 2016, 10, 1. [Google Scholar]
- Aghda, S.M.F.; GanjaliPour, K.; Nabiollahi, K. Assessing the accuracy of TDR-based water leak detection system. Results Phys. 2018, 8, 939–948. [Google Scholar] [CrossRef]
- Minardo, A.; Catalano, E.; Coscetta, A.; Zeni, G.; Zeni, L. Distributed Fiber Optic Sensors for the Monitoring of a Tunnel Crossing a Landslide. Remote Sens. 2018, 10, 1291. [Google Scholar] [CrossRef]
- Yu, Z.; Li, Q.; Wang, Y.; Zhou, Z.; Wang, X. Research on BOTDA-based health monitoring of embankment dams. Comput. Meas. Control 2016, 24, 4. [Google Scholar]
- Mao, J.; He, Y.; Jin, W.; Shao, J. Strain Transfer Performance Analysis and Experimental Study of Distributed Fiber Optic Sensors. J. Sens. Technol. 2011, 24, 1406–1411. [Google Scholar]
- Lin, C.P.; Tang, S.H.; Lin, W.C.; Chung, C.C. Quantification of Cable Deformation with Time Domain Reflectometry—Implications to Landslide Monitoring. J. Geotech. Geoenviron. Eng. 2009, 135, 143–152. [Google Scholar] [CrossRef]
- Lin, C.P.; Tang, S.H. Comprehensive wave propagation model to improve TDR interpretations for geotechnical applications. ASTM Geotech. Test. J. 2007, 30, 90–97. [Google Scholar]
- Grecksch, G.; Kümpel, H.-J. Statistical analysis of strong-motion accelerograms and its application to earthquake early-warning systems. Geophys. J. R. Astron. Soc. 2010, 129, 113–123. [Google Scholar] [CrossRef]
- Li, Q.; Song, D.; Yuan, C.; Nie, W. An image recognition method for the deformation area of open-pit rock slopes under variable rainfall. Measurement 2021, 188, 110544. [Google Scholar] [CrossRef]
- Li, X.; Li, Q.; Hu, Y.; Chen, Q.; Peng, J.; Xie, Y.; Wang, J. Study on Three-Dimensional Dynamic Stability of Open-Pit High Slope under Blasting Vibration. Lithoshere 2022, 2021, 6426550. [Google Scholar] [CrossRef]
- Glueer, F.; Loew, S.; Seifert, R.; Aaron, J.; Conzett, S.; Limpach, P.; Wieser, A.; Manconi, A. Robotic Total Station Monitoring in High Alpine Paraglacial Environments: Challenges and Solutions from the Great Aletsch Region (Valais, Switzerland). Geosciences 2021, 11, 471. [Google Scholar] [CrossRef]
- Kondo, H.; Cannon, M.E. Real-time Landslide Detection System Using Precise Carrier Phase GPS. In Proceedings of the 8th International Technical Meeting of the Satellite Division of the Institute of Navigation (ION GPS 1995), Palm Springs, CA, USA, 12–15 September 1995; pp. 1877–1884. [Google Scholar]
- Gang, X.; Xinbing, Y.; Daxing, Z.; Zijiang, Q.; Shujing, L. Remote Sensing Discriminating Technology of Geohazard, Loess Platean, in the Baoji Ctiy, Shaanxi Province. In Proceedings of the International Symposium on Digital Earth, Beijing, China, 9–12 September 2009. [Google Scholar]
- Corominas, J.; Moya, J.; Lloret, A.; Gili, J.A.; Silvano, S. Measurement of landslide displacements using a wire extensometer. Eng. Geol. 2000, 55, 149–166. [Google Scholar] [CrossRef]
- Sun, Y.J.; Zhang, D.; Tong, H.J.; Shi, B. Research of distributed fiber optic sensing technology in monitoring of Majiagou landslide of Three Gorges. In Proceedings of the International Forum on Opto-Electronic Sensor-Based Monitoring in Geo-Engineering, Nanjing, China, 12–14 October 2014. [Google Scholar]
- Chen, Y.; Chen, Y.; Chen, R.; Liang, Z. Pilot Study of TDR Technique for Landslide Monitoring. J. Rock Mech. Eng. 2004, 16, 86–93. [Google Scholar]
- Yuan, C.; Li, Q.; Nie, W.; Ye, C. A depth information-based method to enhance rainfall-induced landslide deformation area identification. Measurement 2023, 219, 113288. [Google Scholar] [CrossRef]
- Bishop, J.A.; Pommerenke, D.J.; Chen, G. A Rapid-Acquisition Electrical Time-Domain Reflectometer for Dynamic Structure Analysis. IEEE Trans. Instrum. Meas. 2011, 60, 655–661. [Google Scholar] [CrossRef]
- Wang, M.; Tong, R.; Li, Q. Study on the Mechanism of Distributed Measurement of Deformation Based on Parallel Helical Transmission Line. J. Electron. Meas. Instrum. 2018, 32, 149–156. [Google Scholar]
- Wu, X.; Tong, R.; Li, Q. Mechanistic Study of Parallel Helical Transmission Line for Distributed Measurement of Geotechnical Deformation. J. Sens. Technol. 2020, 33, 6. [Google Scholar]
- Zhou, X. Microwave Technology and Antennas; Southeast University Press: Nanjing, China, 2009. [Google Scholar]
- Su, M.B.; Chen, I.H.; Liao, C.H. Using TDR Cables and GPS for Landslide Monitoring in High Mountain Area. J. Geotech. Geoenviron. Eng. 2009, 135, 1113–1121. [Google Scholar] [CrossRef]
- Miao, X.; Lin, Z.; Li, Y.; Wang, S.; Zhang, D.; Li, Q. Novel Parallel Cascade Pulse Emission Technique Based on Avalanche Transistors. Mod. Electron. 2023, 46, 8. [Google Scholar]
- Liu, Z. Analysis and Design of Ultrasonic Pulse Transmitter Circuit. Sci. Technol. Bull. 2019, 10, 6. [Google Scholar]
- Ding, W.; Wang, Y.; Fan, C.; Gou, Y.; Xu, Z.; Yang, L. A Subnanosecond Jitter Trigger Generator Utilizing Trigatron Switch and Avalanche Transistor Circuit. IEEE Trans. Plasma Sci. 2015, 43, 1054–1062. [Google Scholar] [CrossRef]
- Tang, T.; Adcock, T.A.A. Estimating space–time wave statistics using a sequential sampling method and Gaussian process regression. Appl. Ocean. Res. 2022, 122, 103127. [Google Scholar] [CrossRef]

















| Stretching Position (cm) | Measurement Results (cm) | Absolute Error (mm) | Relative Error (%) |
|---|---|---|---|
| 0 | 0 | 0 | 0.00 |
| 20 | 20.3 | 3 | 0.03 |
| 40 | 39.7 | 3 | 0.03 |
| 60 | 60.1 | 1 | 0.01 |
| 80 | 80.5 | 5 | 0.05 |
| 100 | 100.6 | 6 | 0.06 |
| 120 | 119.9 | 1 | 0.01 |
| 140 | 140.0 | 0 | 0.00 |
| 160 | 160.3 | 3 | 0.03 |
| 180 | 180.5 | 5 | 0.05 |
| 200 | 199.7 | 3 | 0.03 |
| Tensile Strength (mm) | Voltage (mv) | Reflected Voltage (mv) | Characteristic Impedance (Ω) |
|---|---|---|---|
| 0 | −88.477 | 0.000 | 50.000 |
| 5 | −120.215 | 31.745 | 53.530 |
| 10 | −151.953 | 63.476 | 57.411 |
| 15 | −175.391 | 86.914 | 60.497 |
| 20 | −193.945 | 105.468 | 63.122 |
| 25 | −209.570 | 121.093 | 65.340 |
| 30 | −228.125 | 139.648 | 68.064 |
| 35 | −240.820 | 152.343 | 70.192 |
| 40 | −250.586 | 162.109 | 71.803 |
| 45 | −261.328 | 172.851 | 73.609 |
| 50 | −273.047 | 184.570 | 75.628 |
| 55 | −281.836 | 193.359 | 77.226 |
| 60 | −289.648 | 201.171 | 78.886 |
Disclaimer/Publisher’s Note: The statements, opinions and data contained in all publications are solely those of the individual author(s) and contributor(s) and not of MDPI and/or the editor(s). MDPI and/or the editor(s) disclaim responsibility for any injury to people or property resulting from any ideas, methods, instructions or products referred to in the content. |
© 2023 by the authors. Licensee MDPI, Basel, Switzerland. This article is an open access article distributed under the terms and conditions of the Creative Commons Attribution (CC BY) license (https://creativecommons.org/licenses/by/4.0/).
Share and Cite
Miao, X.; Li, Q.; Tong, R.; Wang, J.; Li, C.; Tang, W. Geotechnical Deformation Distributed Measuring Technology Research Based on Parallel Spiral Sensing Line. Sensors 2023, 23, 7847. https://doi.org/10.3390/s23187847
Miao X, Li Q, Tong R, Wang J, Li C, Tang W. Geotechnical Deformation Distributed Measuring Technology Research Based on Parallel Spiral Sensing Line. Sensors. 2023; 23(18):7847. https://doi.org/10.3390/s23187847
Chicago/Turabian StyleMiao, Xinyu, Qing Li, Renyuan Tong, Jun Wang, Chaopeng Li, and Wenhao Tang. 2023. "Geotechnical Deformation Distributed Measuring Technology Research Based on Parallel Spiral Sensing Line" Sensors 23, no. 18: 7847. https://doi.org/10.3390/s23187847
APA StyleMiao, X., Li, Q., Tong, R., Wang, J., Li, C., & Tang, W. (2023). Geotechnical Deformation Distributed Measuring Technology Research Based on Parallel Spiral Sensing Line. Sensors, 23(18), 7847. https://doi.org/10.3390/s23187847

