Next Article in Journal
Explorative Data Analysis Methods: Application to Laser-Induced Breakdown Spectroscopy Field Data Measured on the Island of Vulcano, Italy
Previous Article in Journal
Research on Adaptive 1DCNN Network Intrusion Detection Technology Based on BSGM Mixed Sampling
Previous Article in Special Issue
Design of a Low-Cost Diffuse Optical Mammography System for Biomedical Image Processing in Breast Cancer Diagnosis
 
 
Font Type:
Arial Georgia Verdana
Font Size:
Aa Aa Aa
Line Spacing:
Column Width:
Background:
Communication

Two Filters for Acquiring the Profiles from Images Obtained from Weak-Light Background, Fluorescence Microscope, Transmission Electron Microscope, and Near-Infrared Camera

1
School of Information Science and Technology, Nantong University, Nantong 226019, China
2
School of Electrical and Automation Engineering, Nanjing Normal University, Nanjing 210046, China
3
College of Building Environment Engineering, Zhengzhou University of Light Industry, Zhengzhou 450000, China
*
Authors to whom correspondence should be addressed.
Sensors 2023, 23(13), 6207; https://doi.org/10.3390/s23136207
Submission received: 23 May 2023 / Revised: 26 June 2023 / Accepted: 27 June 2023 / Published: 6 July 2023
(This article belongs to the Special Issue Advanced Biomedical Optics and Imaging)

Abstract

Extracting the profiles of images is critical because it can bring simplified description and draw special attention to particular areas in the images. In our work, we designed two filters via the exponential and hypotenuse functions for profile extraction. Their ability to extract the profiles from the images obtained from weak-light conditions, fluorescence microscopes, transmission electron microscopes, and near-infrared cameras is proven. Moreover, they can be used to extract the nesting structures in the images. Furthermore, their performance in extracting images degraded by Gaussian noise is evaluated. We used Gaussian white noise with a mean value of 0.9 to create very noisy images. These filters are effective for extracting the edge morphology in the noisy images. For the purpose of a comparative study, we used several well-known filters to process these noisy images, including the filter based on Gabor wavelet, the filter based on the watershed algorithm, and the matched filter, the performances of which in profile extraction are either comparable or not effective when dealing with extensively noisy images. Our filters have shown the potential for use in the field of pattern recognition and object tracking.

1. Introduction

Extracting the profiles of images is important in the field of image enhancement. It is critical in image division and target identification. It can provide information on key areas and the shape of targets. At the same time, it can be used to eliminate insignificant information. This is significant in this age of the metaverse, where professionals face challenges of processing the huge amounts of images stemming from industrial and personal applications.
Extracting profiles from images is a tough task, especially when the images contain rough noise and subjects in low contrast. Traditional ways of profiles extraction include using the operators of Roberts, Prewitt, Sobel, Canny, Laplacian, and LoG. When we look back to these operators, we found that they show several disadvantages. For example, they can present wrong regions of the edge or lead to rough edges and corrupted profiles [1]. Several efficient methods have been developed to overcome these issues. One group used quantum computation to extract image profiles, where flexible representation of quantum is used to construct robust algorithms [2]. Another group created fuzzy methods for extracting image profiles [3], which are demonstrated to consume little electric power and are extremely accurate. Additionally, researchers have used the concept of neural networks to develop new ways of obtaining the edge of the image [4,5,6,7,8,9]. For instance, a spiking neuron has been used to developed methods of detecting infrared images [4]. The technique of convolutional neural networks is applied to find the target in the images [5].
Furthermore, mathematical functions are widely studied for image extraction. One group used the Hausdorff derivative for image edge extraction, which shows better performance than the Sobel/Canny operator [10]. Another group developed an effective method via cooperative game formulation [11]. Other groups used wavelets to highlight the areas of interest in the images [12,13,14]. It is interesting to find out that the wavelets can be combined with spatial filtering in order to analyze the subjects possessing interrupted features [15,16,17,18]. It should be noted that these modified functions can lead to clear and continuous morphologies. This inspires us to believe that creating special functions may be a good way of obtaining the boundary of the image.
We hypothesized that reliable functions can be created to extract the boundaries of figures even if they contain a lot of noise. This prompted us to consider modifying and combining several popular functions, with the goal of creating a unique framework for filtering the frequency domain brought by wavelets transform. Multiple parameters related to the phase or the magnitude of the special functions would be widely employed to perform an efficient extraction of the profiles.
In addition, this method will be tested in practical applications, where acquiring clear profiles from the images with high degradation or weak light is challenging. We also chose to process the images acquired from a fluorescence microscope and a transmission electron microscope. This can be useful for the daily operation of acquiring the images obtained from fluorescence microscopes and transmission electron microscopes, where extensive noise can exist due to the contamination of the samples or inappropriate defocusing of the light or electron beam.
To accomplish this, we herein report two types of special functions to extract the profiles in the images. It should be mentioned that our way of obtaining the extracted profiles is not created with the intention to challenge the foundation of the current methods of profile extraction. Indeed, they are only supplements to current approaches. They contain mathematical functions that can be adjustable, which make them very useful for dealing with noisy images.
In our search for effective functions, two special functions were obtained which can be used to eliminate noise and extract the image boundary simultaneously. The next section is about the methods of building two kinds of special-function-based filters. In Section 3, images are processed by these two filters. The boundaries of the images can be extracted successfully. Their performance is then compared with several popular filters. Their application in processing images obtained from weak-light environments, a fluorescence microscope and a transmission electron microscope are shown. Finally, we discuss the advantages of using these filters for processing the images. They are envisioned to play an important role in medical imaging and target identification.

2. Methods

A fluorescence microscope (manufacturer: OLYMPUS, Tokyo, Japan, model: CKX41) was used to acquire the fluorescence image. Raw TEM images were obtained using a JEOL 1400 TEM (120 kV) (Tokyo, Japan). A solid-state laser (manufacturer: Gainlaser, Shenzhen, China, model: TR-A-IR10) whose emitting wavelength is 1046 nm was used for irradiating samples. A near-infrared CMOS camera (manufacturer: Zhongweiaoke, Shenzhen, China, model: 1080p) was used for obtaining near-infrared images.
With the objective of extracting the profiles of the images, we begin to test several functions. It is tough to obtain correct profiles in noisy images. We wish to develop a framework that can be used for processing the image when Gaussian white noise of a very high mean value is applied. Furthermore, we seek those frameworks which can be useful for extracting profiles from images in different circumstances.

2.1. Building a Filter Based on Exponential Function

In the following, we build a filter based on the exponential function, which is called the Exp filter, to exact the profiles from the image. This filtering processing was started from wavelets decomposition. We applied the wavelets decomposition to the pixel values of the input image. This generated a set of coefficient values, which is called u(m,n). Then, we used the following form of the exponential function to obtain the value of x(m,n):
x m , n = [ a × e d u m , n b g ] nn
Here, m, n, nn, a, d, b, and g are constants. We used the values of x(m,n) for wavelets recreation and constructed a new image.
The detailed algorithm is shown in Algorithm 1.
Algorithm 1. The algorithm of the Exp filter
1: An image in JPG format is used.
2: The image is converted into a gray image.
3: The gray image is resized to be 1440 × 2560.
4: We perform the wavelet transform using the pixels value of the gray image and get the coefficient value of u(m,n).
5: We calculate the new coefficient value x(m,n) using the equation of
x m , n = [ a × e d u m , n b g ] nn . d, b, g, and nn are all constants.
6: We calculate the inverse of wavelets transform using the value of x(m,n) and get new pixels values of xx(m,n).
7: We show the processed image using the values of xx(m,n).

2.2. Building a Filter Based on Hypotenuse Function

We designed a filter based on the hypotenuse function, which is called the Hypot filter, to extract the profiles of the image. Similarly, the wavelets decomposition was applied to process the pixel values of the image. After this, we obtained the coefficient value of u(m,n). Then, we used the combination of the cotangent function, hyperbolic sine function, inverse hyperbolic secant function, sine function, inverse hyperbolic cosine function, hyperbolic tangent function, and hypotenuse functions in order to obtain the new coefficient value of u6(m,n), whose calculation is shown as follows:
u 1 ( m , n ) = a 1 × cot a 2 × u m , n + a 3 + a 4 × sinh ( a 5 × u m , n + a 6 )  
u 2 m , n = a 7 × asech ( a 8 × u m , n + a 9 )
u 3 m , n = a 10 × sin u m , n + a 12 + a 13 × acosh ( a 14 × u m , n + a 15 ) + a 16 × tanh ( u m , n + a 17 )
u 4 ( m , n ) = a 18 × tanh a 19 × u m , n + a 20
u 5 m , n = ( a 21 × hypot [ u 1 m , n , u 2 m , n ] ) × ( 1 + u 4 ( m , n ) )
u 6 m , n = [ u 5 m , n u 3 m , n ] a 22
Here, a1, a2, a3, a4, a5, a6, a7, a8, a9, a10, a11, a12, a13, a14, a15, a16, a17, a18, a19, a20, a21, and a22 are constants. cot means cotangent function. sinh stands for the hyperbolic sine function. asech represents the inverse hyperbolic secant function. sin means the sine function. acosh means the inverse hyperbolic cosine function. tanh stands for the hyperbolic tangent function. hypot means the hypotenuse function.
The value of u6(m,n) was used for the inverse of wavelet transform in order to make a new image. The algorithm is shown in Algorithm 2.
Algorithm 2. The algorithm of the Hypot filter
1: An image in JPG format is used.
2: We convert the image into a gray image.
3: We perform wavelet transform using the pixels value of the gray image and get the coefficient value of u(m,n).
4: We calculate the new coefficient value u5(m,n) using the following equations:
u 1 ( m , n ) = a 1 × cot a 2 × u m , n + a 3 + a 4 × sinh ( a 5 × u m , n + a 6 )    
u 2 m , n = a 7 × asech ( a 8 × u m , n + a 9 ) u 3 m , n = a 10 × sin u m , n + a 12 +
a 13 × acosh ( a 14 × u m , n + a 15 ) + a 16 × tanh ( u m , n + a 17 )
u 4 ( m , n ) = a 18 × tanh a 19 × u m , n + a 20
u 5 m , n = ( a 21 × hypot [ u 1 m , n , u 2 m , n ] ) × ( 1 + u 4 ( m , n ) ) u 6 m , n = [ u 5 m , n u 3 m , n ] a 22 .
5: We calculate the inverse of wavelet transform using the value of u6(m,n) and get the new pixels values of yy(m,n).
6: We show the processed image using the values of yy(m,n).

3. Results

We will use our filters to process the degraded image and the image acquired from weak-light sources, a fluorescence microscope, and a near-infrared camera.

3.1. Processing the Images with High Degradation by Gaussian Noise

As shown in Figure 1a,b, we added Gaussian noise to the image of Rock and made a degraded figure. The Exp and Hypot filters can be used to extract a clear profile from this degraded figure. The circle-like profiles representing rocks can be seen.
In order to evaluate the effect of the enhancement for the image, we used the values of “measurement by entropy (ME)” and “Michelson contrast” [19]. ME can be obtained using the minimum (m1) and maximum (m2) values of the intensity in every block of the image:
U i = 20 × log m 2 m 1
ME = ( i = 1 N U i ) / n
The Michelson contrast (MC) can be calculated as follows:
MC = ( m 3 m 4 ) / ( m 3 + m 4 )
Here, m3 is the highest intensity value of the image. m4 is the lowest intensity value of the image.
The value of ME and MC for the image Rock is shown in Table 1. We can see that the ME value of the Exp filter is smaller than that of the Hypot filter. This indicates that the filtering impact of the Hypot filter is higher than that of the Exp filter. The MC value for these two filters is equal.

3.2. Processing the Weak-Light Images

As shown in Figure 2, after we used the Sobel operator to process the weak-light image, it was difficult to find any detailed profile in the image. Here, the Sobel operator is a well-known differential operator that is generally used to obtain the edge profiles of any ordinal image [20]. It can hold the following form:
f ( x , y ) x f x + 1 , y + 1 f ( x 1 , y + 1 ) 2
f ( x , y ) y f x + 1 , y + 1 f ( x + 1 , y 1 ) 2
where f(x,y) is the grayscale value of the image.
When we used the Exp and Hypot filters, we are able to obtain the shape of the washing machine (Figure 3). We calculated the value of the ME and MC of the filters for the image Washing Machine (Table 2). The ME value of the Hypot filter is higher than that of the Exp filter, which illustrates that the filtering impact of the Hypot filter is higher than that of the Exp filter. For the Sobel operator, the values of ME and MC are calculated as 0 and 1.3173. An ME value of zero may indicate the poor performance of the Sobel operator.

3.3. Processing the Fluorescence Images

As shown in Figure 4, the profile in an image acquired from a fluorescence microscope was difficult to obtain via the Sobel operator. However, if the Exp filter and the Hypot filter were used, they were able to extract the profile (Figure 5).
When we use the ME and MC values to evaluate the performance of the Exp filter, the Hypot filter and the Sobel operator for the image p90 (Table 3), we can see that the Hypot filter obtains the highest value of ME and the lowest value of MC.

3.4. Noise Helps to Extract the Profile from the Images Acquired from the Transmission Electron Microscope

In order to show that these filters we created are useful, we applied these filters to the images obtained from the transmission electron microscope (TEM). Figure 6a is a TEM image of nano-particles, which is called AgTi. These nanoparticles are synthesized by the reaction between a metal complex and an organic acid. The synthesized nanoparticles have the size of around 20–30 nm. As shown in Figure 6b, we added Gaussian noise with a mean value of 0.9 to the image of AgTi. When we used the Exp filter and the Hypot filter respectively to process Figure 6b, which contained Gaussian noise, we obtained a clear profile. However, when we used these filters to process Figure 6a, the profile was barely acquired. This indicates that adding Gaussian noise maybe helpful when trying to extract the TEM images using the Exp filter and the Hypot filter (Figure 7).
Using the results in Figure 6, we calculated the ME value and the MC value for the image AgTi (Table 4), which showed that the ME value of the Exp filter is smaller than that of the Hypot filter and that the MC value of the Exp filter is greater than that of the Hypot filter.

3.5. Comparisons to Several Well-Known Filters

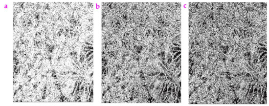
For the purpose of a comparative study, we used several well-known filters to process the noisy images, including the filter based on Gabor wavelet [21], the filter based on the watershed algorithm [22] and the matched filter [23]. The image of Rock was tested. Gaussian noise with a mean value of 0.9 was added in order to create an image with very high noise. With such high noise, profiles extracted via the filter based on Gabor wavelets and the filter based on the watershed algorithm are visible (Figure 8a,b). The profiles extracted from the matched filter were hard to be seen (Figure 8c). This may be due to the existence of extensive noise. Actually, if we reduced the mean value of the Gaussian noise to a value of 0.5, clear profiles could be extracted via the matched filter (Figure 9).
Using Figure 8a–c, we can calculate the ME values and the MC values of these three filters, which are listed in Table 5. When we compare the value for these filters, we can find that the filter based on the Gabor wavelet obtains the highest value of ME and the lowest value of MC.
Using Figure 9 with the match filter, we find that the calculated ME value and MC value are 2.3469 and 1.4506, respectively. Compared to the values in Table 5, it indicates that the increase in the Gaussian noise turns down the ME value and the MC value.

3.6. Processing the Images Acquired from the Near-Infrared Camera

The images obtained from the near-infrared imaging generally contain a lot of noise due to the emission of autofluorescence, low contrast, and little imaging depth [24]. This brings difficulty when processing these images. Figure 10a is an image acquired from the near-infrared camera. A glass beaker put above a bracket was surrounded by a Dell laptop and an iron sheet. Extracting its profile using the Sobel operator can result in a loss of details (Figure 10b). However, using the Exp filter or the Hypot filter, the detailed profile of the laptop hiding behind the bottle can be shown (Figure 10c,d). As we compared the ME value and the MC value with the Exp filter, the Hypot filter, and the Sobel operator for the NIR image (Table 6), it could be seen that the Exp filter holds the highest ME value and the highest MC value.

3.7. Tuning of the Filters

Figure 11 is an image called Mirabilis jalapa, which will be processed by the Exp filter and the Hypot filter with different key parameters. This experiment will clearly show how the performance of the filters can be impacted. It should be noted that the tuning of the filters can be shown in some parameters, which we will show, and we discard those trivial effects.
As shown in Figure 12, the increase in the nn value will make the features become dark, then white. As shown in Table 7, the calculated ME value shows the nonlinear trend, and the MC value stays at 1 with the increasing nn value.
We changed the value of d and drew the images processed by the Exp filter (Figure 13). Clearly, the enhancement of the d value will blur the image and result in missing features. The calculated ME value and MC value are shown in Table 8. The ME value showed a nonlinear trend and the MC value keeps constant as the d value is increasing.
Figure 14, Figure 15 and Figure 16 show the resulting images associated with the enhancement of the a18 value, the a21 value, and the a22 value, which leads to the appearance of dark sections in the images. The ME value and the MC value are listed in Table 9, Table 10 and Table 11. The ME value shows a nonlinear trend while the MC value stays at 1.

4. Limitations and Perspectives of Our Designed Filters

Our designed filters have shown their potential in extracting the profiles from images obtained in weak-light conditions and from fluorescence microscopes, transmission electron microscopes, and the near-infrared cameras. However, limitations can be seen in our designed filters, and improvement needs to be made in future research.
The parameters used in the filters have to be tailored in order to fit different images. One of our future projects may be focused on developing adaptive frameworks that can be applied to different images.
Moreover, the exact mechanism allowing these filters to effectively extract the image profiles needs to be explored in our future study.
In addition, the generated images from our frameworks are gray, which lack vivid and direct information. Our future work may be focused on developing a method that can be processed to generate colored images.
In classical image processing, many operators have been developed or modified in order to adapt to the current vast demand of information in industry and research. These classical operators hold great merit, and their performance is incredible. Our work shows two additional solutions to these existing methods. One merit of our work is that our solution is based on the frameworks associated with functions. The scales of the functions can be adjusted in order to meet a particular requirement. Furthermore, the technique of the profile extraction brings a much greater chance to meet a wider set of requirements for quality control in industry, where the checking for product defects plays a key role in obtaining a profit. In addition, our filters can be used to extract profiles from images degraded by Gaussian noise. This may have applications in cryptography, where people may cover the clandestine image profiles in the transfer of information and use our method to restore the profiles when receiving the information.
Another valuable merit of our methodology would be the use of wavelets in our framework. This makes our frameworks more dynamic since many wavelets can be flexibly adjusted, including Haar, Daubechies, Biorthogonal, Coiflet, SymletsA, Morlet, MexicanHat, and Meyer. These wavelets can be modified using the technique of wavelets uplifting, which brings a huge set of special functionalities, including image enhancement, image compression, object tracking, pattern identification, image smoothing, image sharpening, image denoising, image blunting, and image fusion.

5. Conclusions

Extracting a profile from an image has always been a key subject in image identification. Although many algorithms have been created, special-function-based filters are still a subject that is in its infancy stage. Our work presents a useful framework for profile extraction via two kinds of filters. We built two filters based on the exponential function and the hypotenuse function. They have shown a good ability to extract profiles from a noisy image. The edge profile can be extracted even when Gaussian white noise with mean value of 0.9 is added to the original images. They can be also useful for highlighting the images acquired using weak light sources, fluorescence microscopes, transmission electron microscopes, and the near-infrared cameras. Our methods may have potential application in medical imaging and subject identification, where profile extraction is an important task.

Author Contributions

Conceptualization, Y.H., X.G., Z.L. and Y.W.; methodology, Y.H., R.Y. and Y.W.; formal analysis, Y.H., X.G., Z.L. and Y.W.; funding acquisition, X.G., Z.L. and Y.W. All authors have read and agreed to the published version of the manuscript.

Funding

The authors appreciate the funding support from the China National Natural Science Foundation (No. 32171402), the Key Technology R&D Program of Jiangsu Province (No. BE2019002), and the Nanjing Medical Science and Technology Development Project (No. ZKX17017).

Institutional Review Board Statement

Not applicable.

Informed Consent Statement

Not applicable.

Data Availability Statement

Not applicable.

Acknowledgments

We acknowledge the technical support given by Jiquan Yang and Lan Yu in Nanjing Normal University.

Conflicts of Interest

The authors declare no conflict of interest.

References

  1. Cao, J.; Chen, L.; Wang, M.; Tian, Y. Implementing a Parallel Image Edge Detection Algorithm Based on the Otsu-Canny Operator on the Hadoop Platform. Comput. Intell. Neurosci. 2018, 2018, 3598284. [Google Scholar] [CrossRef] [PubMed]
  2. Lu, Z.; Wang, X.; Shang, J.; Luo, Z.; Sun, C.; Wu, G. A multimedia image edge extraction algorithm based on flexible representation of quantum. Multimed. Tools Appl. 2019, 78, 24067–24082. [Google Scholar] [CrossRef]
  3. Bozorgmehr, A.; Jooq, M.K.Q.; Moaiyeri, M.H.M.; Navi, K.; Bagherzadeh, N. A novel digital fuzzy system for image edge detection based on wrap-gate carbon nanotube transistors. Comput. Electr. Eng. 2020, 87, 106811. [Google Scholar] [CrossRef]
  4. Wang, B.; Chen, L.L.; Zhang, Z.Y. A novel method on the edge detection of infrared image. Optik 2018, 180, 610–614. [Google Scholar] [CrossRef]
  5. Wang, Z.-F.; Yu, Y.-F.; Wang, J.; Zhang, J.-Q.; Zhu, H.-L.; Li, P.; Xu, L.; Jiang, H.-N.; Sui, Q.-M.; Jia, L.; et al. Convolutional neural-network-based automatic dam-surface seepage defect identification from thermograms collected from UAV-mounted thermal imaging camera. Constr. Build. Mater. 2022, 323, 126416. [Google Scholar] [CrossRef]
  6. Yang, G.; Wang, B.; Qiao, S.; Qu, L.; Han, N.; Yuan, G.; Li, H.; Wu, T.; Peng, Y. Distilled and filtered deep neural networks for real-time object detection in edge computing. Neurocomputing 2022, 505, 225–237. [Google Scholar] [CrossRef]
  7. Wen, C.; Liu, P.; Ma, W.; Jian, Z.; Lv, C.; Hong, J.; Shi, X. Edge detection with feature re-extraction deep convolutional neural network. J. Vis. Commun. Image R. 2018, 57, 84–90. [Google Scholar] [CrossRef]
  8. Tchinda, B.S.; Tchiotsop, D.; Noubom, M.; Louis-Dorr, V.; Wolf, D. Retinal blood vessels segmentation using classical edge detection filters and the neural network. Inform. Med. Unlocked 2021, 23, 100521. [Google Scholar] [CrossRef]
  9. Kenning, M.; Deng, J.; Edwards, M.; Xie, X. A directed graph convolutional neural network for edge-structured signals in link-fault detection. Pattern Recognit. Lett. 2022, 153, 100–106. [Google Scholar] [CrossRef]
  10. Qiu, L.; Lin, J.; Chen, W.; Wang, F.; Hua, Q. A novel method for image edge extraction based on the Hausdorff derivative. Phys. A Stat. Mech. Its Appl. 2020, 540, 123137. [Google Scholar] [CrossRef]
  11. Yang, C.; Wang, W.; Feng, X. Joint image restoration and edge detection in cooperative game formulation. Signal Process. 2022, 191, 108363. [Google Scholar] [CrossRef]
  12. Li, H. Multilevel Image Edge Detection Algorithm Based on Visual Perception. Secur. Commun. Netw. 2022, 2022, 3502041. [Google Scholar] [CrossRef]
  13. Wu, M.-T. Wavelet transform based on Meyer algorithm for image edge and blocking artifact reduction. Inf. Sci. 2019, 474, 125–135. [Google Scholar] [CrossRef]
  14. Li, S.; Deng, C.; Wang, T.; Zhang, Z.; Liu, J.-B. Morphological Edge Detection Algorithm of Colon Pathological Sections Based on Shearlet. J. Math. 2022, 2022, 4663935. [Google Scholar] [CrossRef]
  15. Romani, L.; Rossini, M.; Schenone, D. Edge detection methods based on RBF interpolation. J. Comput. Appl. Math. 2019, 349, 532–547. [Google Scholar] [CrossRef]
  16. Bi, W.; Cheng, D.; Liu, W.; Kou, K.I. An edge driven wavelet frame model for image restoration. Appl. Comput. Harmon. Anal. 2020, 48, 993–1029. [Google Scholar]
  17. Noras, P.; Aghazadeh, N. Directional schemes for edge detection based on B-spline wavelets. Circuits Syst. Signal Process. 2018, 37, 3973–3994. [Google Scholar] [CrossRef]
  18. Fu, Z.; Song, S.; Wang, X.; Li, J.; Tai, H.-M. Imaging the topology of grounding grids based on wavelet edge detection. IEEE Trans. Magn. 2018, 54, 1–8. [Google Scholar] [CrossRef]
  19. Rao, B.S. Dynamic Histogram Equalization for contrast enhancement for digital images. Appl. Soft Comput. 2020, 89, 106114. [Google Scholar] [CrossRef]
  20. Woods, J.W. Multidimensional Signal, Image, and Video Processing and Coding, 2nd ed.; Elsevier Inc.: Amsterdam, The Netherlands, 2012; pp. 223–256. [Google Scholar]
  21. Li, C.; Huang, Y.; Huang, W.; Qin, F. Learning features from covariance matrix of Gabor wavelet for face recognition under adverse conditions. Pattern Recognit. 2021, 119, 108085. [Google Scholar] [CrossRef]
  22. Liu, H.; Zhang, W.; Wang, F.; Sun, X.; Wang, J.; Wang, C.; Wang, X. Application of an improved watershed algorithm based on distance map reconstruction in bean image segmentation. Heliyon 2023, 9, e15097. [Google Scholar] [CrossRef] [PubMed]
  23. Chaudhuri, S.; Chatterjee, S.; Katz, N.; Nelson, M.; Goldbaum, M. Detection of blood vessels in retinal images using two-dimensional matched filters. IEEE Trans. Med. Imaging 1989, 8, 263–269. [Google Scholar] [CrossRef] [PubMed]
  24. Ma, Z.; Wang, F.; Wang, W.; Zhong, Y.; Dai, H. Deep learning for in vivo near-infrared imaging. Proc. Natl. Acad. Sci. USA 2020, 118, e2021446118. [Google Scholar] [CrossRef] [PubMed]
Figure 1. (a) An image called Rock. (b) The image Rock filled with high Gaussian noise (the mean value is 0.9). (c) We used the Exp filter to process the noisy image and obtain a clear profile. (d) We used the Hypot filter to process the noisy image and obtain a clear profile.
Figure 1. (a) An image called Rock. (b) The image Rock filled with high Gaussian noise (the mean value is 0.9). (c) We used the Exp filter to process the noisy image and obtain a clear profile. (d) We used the Hypot filter to process the noisy image and obtain a clear profile.
Sensors 23 06207 g001
Figure 2. (Left) A weak-light image called Washing Machine. (Right) Image processed by the Sobel operator.
Figure 2. (Left) A weak-light image called Washing Machine. (Right) Image processed by the Sobel operator.
Sensors 23 06207 g002
Figure 3. (Left) The image of Washing Machine processed by the Exp filter. (Right) The image of Washing Machine processed by the Hypot filter.
Figure 3. (Left) The image of Washing Machine processed by the Exp filter. (Right) The image of Washing Machine processed by the Hypot filter.
Sensors 23 06207 g003
Figure 4. (Left) An image called p90. (Right) The image processed by Sobel operator.
Figure 4. (Left) An image called p90. (Right) The image processed by Sobel operator.
Sensors 23 06207 g004
Figure 5. (Left) p90 processed by the Exp filter. (Right) p90 processed by the Hypot filter.
Figure 5. (Left) p90 processed by the Exp filter. (Right) p90 processed by the Hypot filter.
Sensors 23 06207 g005
Figure 6. Noise is not harmful. (a) An image acquired from the transmission electron microscopy, which is called AgTi. (b) We added Gaussian noise with the mean value of 0.9 to the image of AgTi. (c) This noisy image was processed by the Exp filter. (d) This noisy image was processed by the Hypot filter. Here, it is clearly shown that the Exp filter and the Hypot filter can be used to extract the TEM images containing high noise.
Figure 6. Noise is not harmful. (a) An image acquired from the transmission electron microscopy, which is called AgTi. (b) We added Gaussian noise with the mean value of 0.9 to the image of AgTi. (c) This noisy image was processed by the Exp filter. (d) This noisy image was processed by the Hypot filter. Here, it is clearly shown that the Exp filter and the Hypot filter can be used to extract the TEM images containing high noise.
Sensors 23 06207 g006aSensors 23 06207 g006b
Figure 7. No noise was added. (a) The AgTi image processed by the Exp filter. (b) The AgTi image processed by the Hypot filter. Compared to those in Figure 6, it is barely possible to obtain the profiles.
Figure 7. No noise was added. (a) The AgTi image processed by the Exp filter. (b) The AgTi image processed by the Hypot filter. Compared to those in Figure 6, it is barely possible to obtain the profiles.
Sensors 23 06207 g007
Figure 8. The image which contained the Gaussian white noise with the mean value of 0.9 was processed by several filters: (a) the filter based on Gabor wavelet, (b) the filter based on watershed algorithm, and (c) the matched filter.
Figure 8. The image which contained the Gaussian white noise with the mean value of 0.9 was processed by several filters: (a) the filter based on Gabor wavelet, (b) the filter based on watershed algorithm, and (c) the matched filter.
Sensors 23 06207 g008
Figure 9. We reduced the Gaussian white noise. The mean value was set to 0.5. When it was processed by the matched filter, a clear profile could be extracted.
Figure 9. We reduced the Gaussian white noise. The mean value was set to 0.5. When it was processed by the matched filter, a clear profile could be extracted.
Sensors 23 06207 g009
Figure 10. (a) An input image called NIR for processing. This image is acquired from near-infrared camera. (b) The profile acquired from the Sobel operator. (c) The profile acquired from the Exp filter. (d) The profile acquired from the Hypot filter.
Figure 10. (a) An input image called NIR for processing. This image is acquired from near-infrared camera. (b) The profile acquired from the Sobel operator. (c) The profile acquired from the Exp filter. (d) The profile acquired from the Hypot filter.
Sensors 23 06207 g010
Figure 11. An image called Mirabilis jalapa.
Figure 11. An image called Mirabilis jalapa.
Sensors 23 06207 g011
Figure 12. The image Mirabilis jalapa was processed by the Exp filter with different values of nn: (a) nn = 1, (b) nn = 2, (c) nn = 3, (d) nn = 6, (e) nn = 10, (f) nn = 44, (g) nn = 50, (h) nn = 60, (i) nn = 90.
Figure 12. The image Mirabilis jalapa was processed by the Exp filter with different values of nn: (a) nn = 1, (b) nn = 2, (c) nn = 3, (d) nn = 6, (e) nn = 10, (f) nn = 44, (g) nn = 50, (h) nn = 60, (i) nn = 90.
Sensors 23 06207 g012
Figure 13. The image Mirabilis jalapa was processed by the Exp filter with different values of d: (a) d = 0.0078, (b) d = 0.0178, (c) d = 0.0578, (d) d = 0.0878, (e) d = 0.1178, (f) d = 0.2178.
Figure 13. The image Mirabilis jalapa was processed by the Exp filter with different values of d: (a) d = 0.0078, (b) d = 0.0178, (c) d = 0.0578, (d) d = 0.0878, (e) d = 0.1178, (f) d = 0.2178.
Sensors 23 06207 g013
Figure 14. The image Mirabilis jalapa was processed by the Hypot filter with different values of a18: (a) a18 = 7, (b) a18 = 700, (c) a18 = 700,000, (d) a18 = 700,000,000, (e) a18 = 700,000,000,000, (f) a18 = 70,000,000,000,000,000.
Figure 14. The image Mirabilis jalapa was processed by the Hypot filter with different values of a18: (a) a18 = 7, (b) a18 = 700, (c) a18 = 700,000, (d) a18 = 700,000,000, (e) a18 = 700,000,000,000, (f) a18 = 70,000,000,000,000,000.
Sensors 23 06207 g014
Figure 15. The image Mirabilis jalapa was processed by the Hypot filter with different values of a21: (a) a21 = 1, (b) a21 = 40,000, (c) a21 = 4,000,000,000, (d) a21 = 400,000,000,000,000, (e) a21 = 4,000,000,000,000,000, (f) a21 = 40,000,000,000,000,000.
Figure 15. The image Mirabilis jalapa was processed by the Hypot filter with different values of a21: (a) a21 = 1, (b) a21 = 40,000, (c) a21 = 4,000,000,000, (d) a21 = 400,000,000,000,000, (e) a21 = 4,000,000,000,000,000, (f) a21 = 40,000,000,000,000,000.
Sensors 23 06207 g015aSensors 23 06207 g015b
Figure 16. The image Mirabilis jalapa was processed by the Hypot filter with different values of a22: (a) a22 = 10, (b) a22 = 20, (c) a22 = 30, (d) a22 = 180, (e) a22 = 220, (f) a22 = 400.
Figure 16. The image Mirabilis jalapa was processed by the Hypot filter with different values of a22: (a) a22 = 10, (b) a22 = 20, (c) a22 = 30, (d) a22 = 180, (e) a22 = 220, (f) a22 = 400.
Sensors 23 06207 g016
Table 1. Evaluation of the filters for the image Rock.
Table 1. Evaluation of the filters for the image Rock.
FiltersMEMichelson Contrast
Exp0.02171
Hypot34.34481
Table 2. Evaluation of the filters for the image Washing Machine.
Table 2. Evaluation of the filters for the image Washing Machine.
Filters/OperatorMEMichelson Contrast
Exp1.16731
Hypot19.49371
Sobel01.3173
Table 3. Evaluation of the filters for the image p90.
Table 3. Evaluation of the filters for the image p90.
FiltersMEMichelson Contrast
Exp0.00821.3315
Hypot37.20421
Sobel01.3125
Table 4. Evaluation of the filters for the image AgTi.
Table 4. Evaluation of the filters for the image AgTi.
FiltersMEMichelson Contrast
Exp0.0591.3064
Hypot0.11231
Table 5. Evaluation of other filters for the image p90.
Table 5. Evaluation of other filters for the image p90.
FiltersMEMichelson Contrast
The filter based on the Gabor wavelet15.52301.2699
The filter based on watershed algorithm1.54961.3535
The match filter0.03051.4255
Table 6. Evaluation of the filter for the NIR image.
Table 6. Evaluation of the filter for the NIR image.
FiltersMEMichelson Contrast
Exp31.69151.4324
Hypot7.89751
Sobel01.3411
Table 7. Evaluation of the Exp filter with different values of nn.
Table 7. Evaluation of the Exp filter with different values of nn.
nnMEMichelson Contrast
12.14611
20.75341
30.42821
60.35021
445.10271
505.09711
604.83681
903.54091
Table 8. Evaluation of the Exp filter with different values of d.
Table 8. Evaluation of the Exp filter with different values of d.
dMEMichelson Contrast
0.00782.15041
0.01782.03251
0.05783.02761
0.08781.51151
0.11780.82241
0.21780.07781
Table 9. Evaluation of the Hypot filter with different values of a18.
Table 9. Evaluation of the Hypot filter with different values of a18.
a18MEMichelson Contrast
726.32311
70026.78691
700,00027.52501
700,000,00028.53031
700,000,000,00029.24911
70,000,000,000,000,00038.1311
Table 10. Evaluation of the Hypot filter with different values of a21.
Table 10. Evaluation of the Hypot filter with different values of a21.
a21MEMichelson Contrast
119.96291
40,00037.10811
4,000,000,00037.48711
400,000,000,000,00035.10571
4,000,000,000,000,00027.88381
40,000,000,000,000,0000.66471
Table 11. Evaluation of the Hypot filter with different values of a22.
Table 11. Evaluation of the Hypot filter with different values of a22.
a22MEMichelson Contrast
1019.96291
2030.69651
3035.70341
18037.60831
22048.98241
40020.96491
Disclaimer/Publisher’s Note: The statements, opinions and data contained in all publications are solely those of the individual author(s) and contributor(s) and not of MDPI and/or the editor(s). MDPI and/or the editor(s) disclaim responsibility for any injury to people or property resulting from any ideas, methods, instructions or products referred to in the content.

Share and Cite

MDPI and ACS Style

Huang, Y.; Yang, R.; Geng, X.; Li, Z.; Wu, Y. Two Filters for Acquiring the Profiles from Images Obtained from Weak-Light Background, Fluorescence Microscope, Transmission Electron Microscope, and Near-Infrared Camera. Sensors 2023, 23, 6207. https://doi.org/10.3390/s23136207

AMA Style

Huang Y, Yang R, Geng X, Li Z, Wu Y. Two Filters for Acquiring the Profiles from Images Obtained from Weak-Light Background, Fluorescence Microscope, Transmission Electron Microscope, and Near-Infrared Camera. Sensors. 2023; 23(13):6207. https://doi.org/10.3390/s23136207

Chicago/Turabian Style

Huang, Yinghui, Ruoxi Yang, Xin Geng, Zongan Li, and Ye Wu. 2023. "Two Filters for Acquiring the Profiles from Images Obtained from Weak-Light Background, Fluorescence Microscope, Transmission Electron Microscope, and Near-Infrared Camera" Sensors 23, no. 13: 6207. https://doi.org/10.3390/s23136207

APA Style

Huang, Y., Yang, R., Geng, X., Li, Z., & Wu, Y. (2023). Two Filters for Acquiring the Profiles from Images Obtained from Weak-Light Background, Fluorescence Microscope, Transmission Electron Microscope, and Near-Infrared Camera. Sensors, 23(13), 6207. https://doi.org/10.3390/s23136207

Note that from the first issue of 2016, this journal uses article numbers instead of page numbers. See further details here.

Article Metrics

Back to TopTop