Experimental Analysis of Passenger Comfort with Variable Preloaded Rear Springs on a Low-Cylinder Motorcycle
Abstract
1. Introduction
2. Materials and Methods
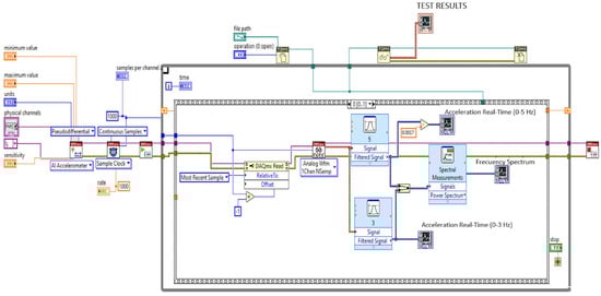
2.1. Experimental Setup
2.2. Theory and Data Processing
2.2.1. Mass–Spring-Dashpot Effective Model
2.2.2. Signal Processing and Comfort Assessment
2.3. Testing Procedure
2.3.1. Comfort Assay under Controlled Testing
2.3.2. Comfort Testing in a Closed Path (Non-Controlled Test)
3. Results
3.1. Analysis of Acceleration Signals
3.2. Comfort Analysis under Controlled Driving Conditions
3.3. Comfort Testing through an Uncontrolled Closed Path
4. Discussion and Conclusions
Author Contributions
Funding
Institutional Review Board Statement
Informed Consent Statement
Data Availability Statement
Conflicts of Interest
References
- MCD Team. Latin America 2022. Motorcycles Industry Skyrockets Hitting New Records (+10.7%). McD Motorcycles Data, 2023. Available online: https://www.motorcyclesdata.com/2023/03/15/latin-america-motorcycles/ (accessed on 11 May 2023).
- Hagen, J.X.; Pardo, C.; Valente, J.B. Motivations for motorcycle use for Urban travel in Latin America: A qualitative study. Transp. Policy 2016, 49, 93–104. [Google Scholar] [CrossRef]
- Bastos, S.Q.A.; Gama, F.; de Paula Assis, T.; Milosz, M. Is there a relationship between the use of motorcycles and the level of development of countries? Bull. Geogr. Socio-Econ. Ser. 2020, 50, 43–53. [Google Scholar] [CrossRef]
- Gama, F.; de Andrade Bastos, S.Q.; de Paula Assis, T.; Carvalho, L. The Kuznets curve curve for motorcycles in Brazil. Caminhos Geogr. 2021, 22, 191–200. [Google Scholar] [CrossRef]
- Arunachalam, M.; Mondal, C.; Singh, G.; Karmakar, S. Motorcycle riding posture: A review. Measurement 2019, 134, 390–399. [Google Scholar] [CrossRef]
- Chen, H.-C.; Chen, W.-C.; Liu, Y.-P.; Chen, C.-Y.; Pan, Y.-T. Whole-body vibration exposure experienced by motorcycle riders—An evaluation according to ISO 2631-1 and ISO 2631-5 standards. Int. J. Ind. Ergon. 2009, 39, 708–718. [Google Scholar] [CrossRef]
- Ospina-Mateus, H.; Jiménez, L.A.Q. Understanding the impact of physical fatigue and postural comfort experienced during motorcycling: A systematic review. J. Transp. Health 2019, 12, 290–318. [Google Scholar] [CrossRef]
- Figlus, T.; Szafraniec, P.; Skrúcaný, T. Methods of Measuring and Processing Signals during Tests of the Exposure of a Motorcycle Driver to Vibration and Noise. Int. J. Environ. Res. Public Health 2019, 16, 3145. [Google Scholar] [CrossRef]
- de-J. Lozoya-Santos, J.; Cervantes-Muñoz, D.; Tudón-Martínez, J.C.; Ramírez-Mendoza, R.A. Off-Road Motorbike Performance Analysis Using a Rear Semiactive EH Suspension. Shock Vib. 2015, 2015, 291089. [Google Scholar] [CrossRef]
- Carratù, M.; Pietrosanto, A.; Sommella, P.; Paciello, V. Smart wearable devices for human exposure vibration measurements on two-wheel vehicles. Acta IMEKO 2020, 9, 121. [Google Scholar] [CrossRef]
- Dalawai, P.; Vyas, N. Vibrational discomfort and motorcycle health assessment under engine excitation. Int. J. Veh. Noise Vib. 2015, 11, 255. [Google Scholar] [CrossRef]
- Fasana, A.; Giorcelli, E. A vibration absorber for motorcycle handles. Meccanica 2009, 45, 79–88. [Google Scholar] [CrossRef]
- Kim, J.H.; Marin, L.S.; Dennerlein, J.T. Evaluation of commercially available seat suspensions to reduce whole body vibration exposures in mining heavy equipment vehicle operators. Appl. Ergon. 2018, 71, 78–86. [Google Scholar] [CrossRef] [PubMed]
- Liguori, C.; Paciello, V.; Paolillo, A.; Pietrosanto, A.; Sommella, P. Characterization of motorcycle suspension systems: Comfort and handling performance evaluation. In Proceedings of the 2013 IEEE International Instrumentation and Measurement Technology Conference (I2MTC), Minneapolis, MN, USA, 6–9 May 2013. [Google Scholar]
- Spelta, C.; Savaresi, S.M.; Fabbri, L. Experimental analysis of a motorcycle semi-active rear suspension. Control Eng. Pract. 2010, 18, 1239–1250. [Google Scholar] [CrossRef]
- Linan, X.; Zhang, E.; Mingli, L.; Xiaochun, S.; Fan, Z. Human vibration characteristic and experiment research on man-machine system in dynamic environment. In Proceedings of the 2008 9th International Conference on Computer-Aided Industrial Design and Conceptual Design, Kunming, China, 22–25 November 2008. [Google Scholar]
- Yanxi, R.; Qingxia, L. Implementation of human vibration test and evaluation system based on virtual instrument. In Proceedings of the 2010 International Conference on Mechanic Automation and Control Engineering, Wuhan, China, 26–28 June 2010. [Google Scholar]
- Kumar, A.; Varghese, M.; Mohan, D.; Mahajan, P.; Gulati, P.; Kale, S. Effect of Whole-Body Vibration on the Low Back. Spine 1999, 24, 2506. [Google Scholar] [CrossRef]
- Feng, Y.; Jun, X. Analysis of motorcycle vibration comfort based on rigid-flexible coupling model. Noise Vib. Worldw. 2020, 51, 110–115. [Google Scholar] [CrossRef]
- Vallim, M.B.; Dos Santos, J.M.C.; Costa, A.L.A. Motorcycle Analytical Modeling Including Tire–Wheel Nonuniformities for Ride Comfort Analysis. Tire Sci. Technol. 2017, 45, 101–120. [Google Scholar] [CrossRef]
- Yuan, D.M.; Zheng, X.M.; Yang, Y. Modeling and Simulation of Motorcycle Ride Comfort Based on Bump Road. Adv. Mater. Res. 2010, 139, 2643–2647. [Google Scholar] [CrossRef]
- Zou, X.H.; Shi, Q.; Zhang, X.X. Simulation and Verification on Motorcycle Ride Comfort under Pulse Road. Appl. Mech. Mater. 2010, 29, 2544–2548. [Google Scholar] [CrossRef]
- Wang, Q.-A.; Wang, C.-B.; Ma, Z.-G.; Chen, W.; Ni, Y.-Q.; Wang, C.-F.; Yan, B.-G.; Guan, P.-X. Bayesian dynamic linear model framework for structural health monitoring data forecasting and missing data imputation during typhoon events. Struct. Health Monit. 2022, 21, 2933–2950. [Google Scholar] [CrossRef]
- Wang, Q.-A.; Zhang, C.; Ma, Z.-G.; Ni, Y.-Q. Modelling and forecasting of SHM strain measurement for a large-scale suspension bridge during typhoon events using variational heteroscedastic Gaussian process. Eng. Struct. 2022, 251, 113554. [Google Scholar] [CrossRef]
- Gul, M.; Catbas, F.N. A Review of Structural Health Monitoring of a Football Stadium for Human Comfort and Structural Performance. In Proceedings of the Structures Congress, Pittsburgh, PA, USA, 2–4 May 2013. [Google Scholar]
- Liguori, C.; Paciello, V.; Paolillo, A.; Pietrosanto, A.; Sommella, P. ISO/IEC/IEEE 21451 Smart Sensor Network for the Evaluation of Motorcycle Suspension Systems. IEEE Sens. J. 2015, 15, 2549–2558. [Google Scholar] [CrossRef]
- ISO 10392:2011; Road Vehicles—Determination of Centre of Gravity. International Organization for Standardization: Geneva, Switzerland, 2011.
- Picinbono, B. On instantaneous amplitude and phase of signals. IEEE Trans. Signal Process. 1997, 45, 552–560. [Google Scholar] [CrossRef]
- Navhi, H.; Fouladi, M.H.; Nor, M.J.M. Evaluation of Whole-Body Vibration and Ride Comfort in a Passenger Car. Int. J. Acoust. Vib. 2009, 14, 143–149. [Google Scholar] [CrossRef]
- Paddan, G.S.; Griffin, M.J. Evaluation of whole body vibration in vehicles. J. Sound Vib. 2002, 253, 195–213. [Google Scholar] [CrossRef]
- MOTOR Magazine. Road Bumps: Uncomfortable but Necessary. MOTOR Magazine. 2018. Available online: https://www.motor.com.co/industria/Resaltos-viales-incomodos-pero-necesarios-20180831-0004.html (accessed on 11 May 2023). (In Spanish).













| Kurtosis | VDV(m/s1.75) | |||||
|---|---|---|---|---|---|---|
| h (mm) | 25.4 | 38.1 | 50.8 | 25.4 | 38.1 | 50.8 |
| Mean | 44.2 | 36.2 | 41.9 | 1.1 | 1.5 | 2.1 |
| Standard deviation (%) | 6.6 | 13.0 | 5.7 | 4.4 | 18.0 | 11.1 |
| Preload | VDVtotal (m/s1.75) | T15 (min) | Proceeding |
|---|---|---|---|
| Smooth | 7.6 | 75.9 | Action must be taken if driving time is greater than 1 h |
| Strong | 9.0 | 38.6 | Action must be taken if driving time is greater than half an hour |
Disclaimer/Publisher’s Note: The statements, opinions and data contained in all publications are solely those of the individual author(s) and contributor(s) and not of MDPI and/or the editor(s). MDPI and/or the editor(s) disclaim responsibility for any injury to people or property resulting from any ideas, methods, instructions or products referred to in the content. |
© 2023 by the authors. Licensee MDPI, Basel, Switzerland. This article is an open access article distributed under the terms and conditions of the Creative Commons Attribution (CC BY) license (https://creativecommons.org/licenses/by/4.0/).
Share and Cite
Jiménez-Canoas, R.; Collazos-Burbano, D.A.; García-Melo, J.I.; Lopera, J. Experimental Analysis of Passenger Comfort with Variable Preloaded Rear Springs on a Low-Cylinder Motorcycle. Sensors 2023, 23, 6204. https://doi.org/10.3390/s23136204
Jiménez-Canoas R, Collazos-Burbano DA, García-Melo JI, Lopera J. Experimental Analysis of Passenger Comfort with Variable Preloaded Rear Springs on a Low-Cylinder Motorcycle. Sensors. 2023; 23(13):6204. https://doi.org/10.3390/s23136204
Chicago/Turabian StyleJiménez-Canoas, Ronald, David Alejandro Collazos-Burbano, José Isidro García-Melo, and Jorge Lopera. 2023. "Experimental Analysis of Passenger Comfort with Variable Preloaded Rear Springs on a Low-Cylinder Motorcycle" Sensors 23, no. 13: 6204. https://doi.org/10.3390/s23136204
APA StyleJiménez-Canoas, R., Collazos-Burbano, D. A., García-Melo, J. I., & Lopera, J. (2023). Experimental Analysis of Passenger Comfort with Variable Preloaded Rear Springs on a Low-Cylinder Motorcycle. Sensors, 23(13), 6204. https://doi.org/10.3390/s23136204

