A New NILM System Based on the SFRA Technique and Machine Learning
Abstract
1. Introduction
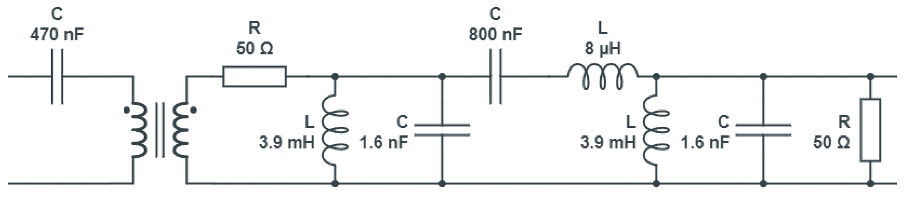
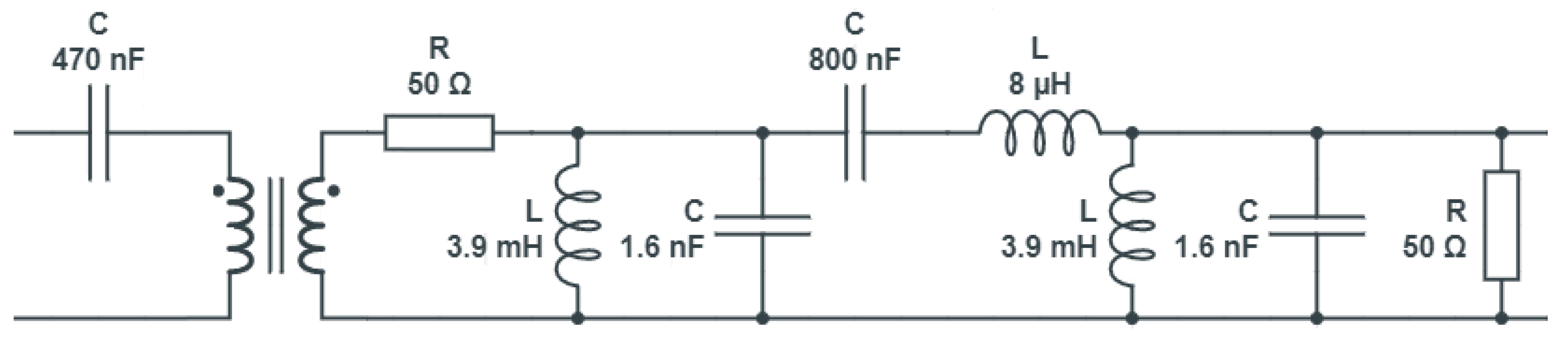
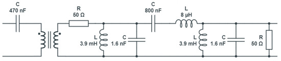
2. Frequency Response Analysis of Household Appliances
- (1)
- 2–10 kHz;
- (2)
- 10–100 kHz;
- (3)
- 100 kHz–1 MHz;
- (4)
- 1–1.5 MHz.
- (1)
- Hairdryer;
- (2)
- Microwave oven;
- (3)
- Lamp;
- (4)
- Laptop;
- (5)
- Induction hob;
- (6)
- Heater;
- (7)
- Drill;
- (8)
- TV.
3. Machine-Learning Systems
3.1. Support Vector Machine
3.2. The Proposed Structure
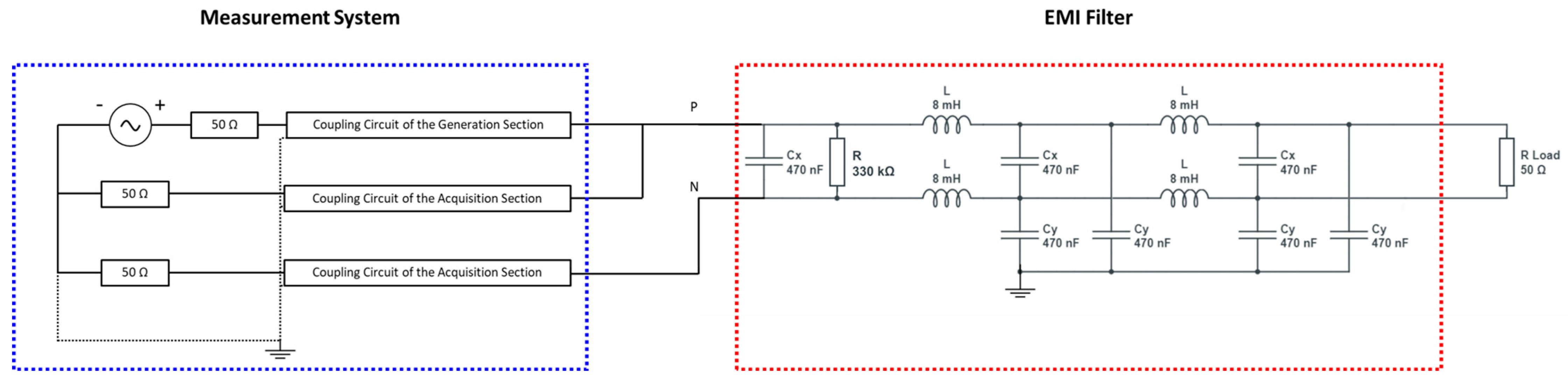
4. Experimental Results
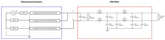
4.1. The Proposed System Setup
4.2. The Achieved Results
- (1)
- The proposed system adopts a Digilent Analog Discovery 2 board, which has a limitation on the maximum output current that can be supplied by the DAC channels at 4 mA.
- (2)
- In our simulation, the measurement system is only connected to the device being tested. In the real case, the generator is connected to a generic socket of the electrical system; therefore, the current that can be supplied (4 mA) is distributed in the various parallel branches of the other connected devices, greatly reducing the intensity of the portion that could affect the EMI filters.
5. Conclusions and Final Remarks
Supplementary Materials
Author Contributions
Funding
Conflicts of Interest
References
- Hill, J. The Smart Home: A Glossary Guide for the Perplexed. T3. Retrieved at 27 March 2017, 12 September 2015. [Google Scholar]
- Hart, G.W. Non-intrusive appliance load monitoring. Proc. IEEE 1992, 80, 1870–1891. [Google Scholar] [CrossRef]
- Bucci, G.; Ciancetta, F.; Fiorucci, E.; Mari, S. Load identification system for residential applications based on the NILM technique. In Proceedings of the IEEE Instrumentation and Measurement Technology Conference I2MTC 2020, Dubrovnik, Croatia, 20–25 May 2020. [Google Scholar]
- Dong, R.; Ratliff, L.J.; Ohlsson, H.; Sastry, S.S. Energy disaggregation via adaptive filtering. In Proceedings of the 2013 51st Annual Allerton Conference on Communication, Control, and Computing (Allerton), Monticello, IL, USA, 2–4 October 2013; pp. 173–180. [Google Scholar] [CrossRef]
- Egarter, D.; Bhuvana, V.P.; Elmenreich, W. PALDi: Online load disaggregation via particle filtering. IEEE Trans. Instrum. Meas. 2015, 64, 467–477. [Google Scholar] [CrossRef]
- Barker, S.; Kalra, S.; Irwin, D.; Shenoy, P. Powerplay: Creating virtual power meters through online load tracking. In Proceedings of the 1st ACM Conference on Embedded Systems for Energy-Efficient Buildings, Memphis, TN, USA, 4–6 November 2014; pp. 60–69. [Google Scholar]
- Tang, G.; Wu, K.; Lei, J.; Tang, J. A simple model-driven approach to energy disaggregation. In Proceedings of the 2014 IEEE International Conference on Smart Grid Communications (SmartGridComm), Venice, Italy, 3–6 November 2014; pp. 566–571. [Google Scholar] [CrossRef]
- Jia, R.; Gao, Y.; Spanos, C.J. A fully unsupervised non-intrusive load monitoring framework. In Proceedings of the 2015 IEEE International Conference on Smart Grid Communications (SmartGridComm), Miami, FL, USA, 2–5 November 2015; pp. 872–878. [Google Scholar] [CrossRef]
- Kolter, J.Z.; Jaakkola, T. Approximate inference in additive factorial hmms with application to energy disaggregation. In Proceedings of the 15th International Conference on Artificial Intelligence and Statistics (AISTATS) 2012, La Palma, Canary Islands, Spain, 21–23 April 2012; pp. 1472–1482. [Google Scholar]
- Bucci, G.; Ciancetta, F.; Fiorucci, E.; Mari, S.; Fioravanti, A. Measurements for non-intrusive load monitoring through machine learning approaches. Acta IMEKO 2021, 10, 90–96. [Google Scholar] [CrossRef]
- Bucci, G.; Ciancetta, F.; Fiorucci, E.; Mari, S.; Fioravanti, A. Deep Learning applied to SFRA Results: A Preliminary Study. In Proceedings of the 7th International Conference on Computing and Artificial Intelligence ICCAI 2021, Tianjin, China, 23–26 April 2021. [Google Scholar]
- Figueiredo, M.; Ribeiro, B.; de Almeida, A. Electrical signal source separation via non-negative tensor factorization using on site measurements in a smart home. IEEE Trans. Instrum. Meas. 2014, 63, 364–373. [Google Scholar] [CrossRef]
- Ciancetta, F.; Bucci, G.; Fiorucci, E.; Mari, S.; Fioravanti, A. A New Convolutional Neural Network-Based System for NILM Applications. IEEE Trans. Instrum. Meas. 2020, 70, 9246573. [Google Scholar] [CrossRef]
- Bucci, G.; Ciancetta, F.; Fiorucci, E.; Mari, S.; Fioravanti, A. Multi-State Appliances Identification through a NILM System Based on Convolutional Neural Network. In Proceedings of the IEEE Instrumentation and Measurement Technology Conference I2MTC 2021, Glasgow, UK, 17–21 May 2021. [Google Scholar]
- Cannas, B.; Carcangiu, S.; Carta, D.; Fanni, A.; Muscas, C. Selection of Features Based on Electric Power Quantities for Non-Intrusive Load Monitoring. Appl. Sci. 2021, 11, 533. [Google Scholar] [CrossRef]
- Ruzzelli, A.G.; Nicolas, C.; Schoofs, A.; O’Hare, G.M.P. Real-time recognition and profiling of appliances through a single electricity sensor. In Proceedings of the 2010 7th Annual IEEE Communications Society Conference on Sensor, Mesh and Ad Hoc Communications and Networks (SECON), Boston, MA, USA, 21–25 June 2010; pp. 1–9. [Google Scholar]
- Athanasiadis, C.L.; Papadopoulos, T.A.; Doukas, D.I. Real-time non-intrusive load monitoring: A light-weight and scalable approach. Energy Build. 2021, 253, 111523. [Google Scholar] [CrossRef]
- Yang, C.; Soh, C.; Yap, V. A systematic approach in appliance disaggregation using k-nearest neighbours and naive Bayes classifiers for energy efficiency. Energy Effic. 2018, 11, 239–259. [Google Scholar] [CrossRef]
- Guedes, J.; Ferreira, D.; Barbosa, B. A non-intrusive approach to classify electrical appliances based on higher-order statistics and genetic algorithm: A smart grid perspective. Electr. Power Syst. Res. 2016, 140, 65–69. [Google Scholar] [CrossRef]
- Wang, A.L.; Chen, B.X.; Wang, C.G.; Hua, D. Non-intrusive load monitoring algorithm based on features of V–I trajectory. Electr. Power Syst. Res. 2018, 157, 134–144. [Google Scholar] [CrossRef]
- Hassan, T.; Javed, F.; Arshad, N. An empirical investigation of VI trajectory based load signatures for non-intrusive load monitoring. IEEE Trans. Smart Grid 2013, 5, 870–878. [Google Scholar] [CrossRef]
- Chang, H.H.; Chen, K.L.; Tsai, Y.P.; Lee, W.J. A new measurement method for power signatures of nonintrusive demand monitoring and load identification. IEEE Trans. Ind. Appl. 2012, 48, 764–771. [Google Scholar] [CrossRef]
- Chang, H.H.; Lian, K.L.; Su, Y.C.; Lee, W.J. Power-spectrum-based wavelet transform for nonintrusive demand monitoring and load identification. IEEE Trans. Ind. Appl. 2014, 50, 2081–2089. [Google Scholar] [CrossRef]
- Ducange, P.; Marcelloni, F.; Antonelli, M. A novel approach based on finite-state machines with fuzzy transitions for nonintrusive home appliance monitoring. IEEE Trans. Ind. Inform. 2014, 10, 1185–1197. [Google Scholar] [CrossRef]
- Gillis, J.M.; Morsi, W.G. Non-intrusive load monitoring using semi-supervised machine learning and wavelet design. IEEE Trans. Smart Grid 2016, 8, 2648–2655. [Google Scholar] [CrossRef]
- He, K.; Stankovic, L.; Liao, J.; Stankovic, V. Non-intrusive load disaggregation using graph signal processing. IEEE Trans. Smart Grid 2016, 9, 1739–1747. [Google Scholar] [CrossRef]
- Batra, N.; Dutta, H.; Singh, A. INDiC: Improved Non-intrusive Load Monitoring Using Load Division and Calibration. In Proceedings of the 2013 12th International Conference on Machine Learning and Applications, Miami, FL, USA, 4–7 December 2013; pp. 79–84. [Google Scholar] [CrossRef]
- Kolter, J.Z.; Batra, S.; Ng, A.Y. Energy Disaggregation via Discriminative Sparse Coding. In Proceedings of the Advances in Neural Information Processing Systems, Vancouver, BC, Canada, 6–9 December 2010. [Google Scholar]
- Parson, O.; Ghosh, S.; Weal, M.; Rogers, A. Non-intrusive load monitoring using prior models of general appliance types. In Proceedings of the National Conference on Artificial Intelligence, Toronto, ON, Canada, 22–26 July 2012; pp. 1–8. Available online: http://eprints.soton.ac.uk/id/eprint/336812 (accessed on 1 May 2022).
- Kim, H.; Marwah, M.; Arlitt, M.; Lyon, G.; Han, J. Unsupervised disaggregation of low frequency power measurements. In Proceedings of the 2011 SIAM International Conference on Data Mining, SIAM, Mesa, AZ, USA, 28–30 April 2011; pp. 747–758. [Google Scholar]
- Paradiso, F.; Paganelli, F.; Giuli, D.; Capobianco, S. Context-based energy disaggregation in smart homes. Future Internet 2016, 8, 4. [Google Scholar] [CrossRef]
- Bonfigli, R.; Principi, E.; Fagiani, M.; Severini, M.; Squartini, S.; Piazza, F. Non-intrusive load monitoring by using active and reactive power in additive Factorial Hidden Markov Models. Appl. Energy 2017, 208, 1590–1607. [Google Scholar] [CrossRef]
- Makonin, S.; Popowich, F.; Bajić, I.; Gill, B.; Bartram, L. Exploiting HMM sparsity to perform online real-time nonintrusive load monitoring. IEEE Trans. Smart Grid 2015, 7, 2575–2585. [Google Scholar] [CrossRef]
- Aiad, M.; Lee, P.H. Unsupervised approach for load disaggregation with devices interactions. Energy Build. 2016, 116, 96–103. [Google Scholar] [CrossRef]
- Li, Y.; Peng, Z.; Huang, J.; Zhang, Z.; Son, J.H. Energy disaggregation via hierarchical factorial hmm. In Proceedings of the 2nd International Workshop on Non-Intrusive Load Monitoring, Austin, TX, USA, 3 June 2014; Volume 3, pp. 1–4. [Google Scholar]
- Xia, M.; Liu, W.; Wang, K.; Zhang, X.; Xu, Y. Non-Intrusive Load Disaggregation Based on Deep Dilated Residual Network. Electr. Power Syst. Res. 2019, 170, 277–285. [Google Scholar] [CrossRef]
- Kaselimi, M.; Protopapadakis, E.; Voulodimos, A.; Doulamis, N.; Doulamis, A. Multi-Channel Recurrent Convolutional Neural Networks for Energy Disaggregation. IEEE Access 2019, 7, 81047–81056. [Google Scholar] [CrossRef]
- Zhang, C.; Zhong, M.; Wang, Z.; Goddard, N.; Sutton, C. Sequence-to-point learning with neural networks for non-intrusive load monitoring. In Proceedings of the AAAI Conference on Artificial Intelligence, New Orleans, LA, USA, 2–7 February 2018; pp. 2604–2611. [Google Scholar]
- Ahmed, S.; Bons, M. Edge Computed NILM: A Phone-Based Implementation Using MobileNet Compressed by Tensorflow Lite. In Proceedings of the 5th International Workshop on Non-Intrusive Load Monitoring (NILM’20), Association for Computing Machinery, New York, NY, USA, 18 November 2020; pp. 44–48. [Google Scholar]
- Kukunuri, R.; Aglawe, A.; Chauhan, J.; Bhagtani, K.; Patil, R.; Walia, S.; Batra, N. EdgeNILM: Towards NILM on Edge Devices. In Proceedings of the 7th ACM International Conference on Systems for Energy-Efficient Buildings, Cities, and Transportation (BuildSys ’20), Association for Computing Machinery, New York, NY, USA, 18–20 November 2020; pp. 90–99. [Google Scholar]
- Bonfigli, R.; Felicetti, A.; Principi, E.; Fagiani, M.; Squartini, S.; Piazza, F. Denoising Autoencoders for Non-Intrusive Load Monitoring: Improvements and Comparative Evaluation. Energy Build. 2018, 158, 1461–1474. [Google Scholar] [CrossRef]
- Kong, W.; Dong, Z.; Wang, B.; Zhao, J.; Huang, J. A Practical Solution for Non-Intrusive Type II Load Monitoring Based on Deep Learning and Post-Processing. IEEE Trans. Smart Grid 2020, 11, 148–160. [Google Scholar] [CrossRef]
- Murray, D.; Stankovic, L.; Stankovic, V.; Lulic, S.; Sladojevic, S. Transferability of Neural Network Approaches for Low-Rate Energy Disaggregation. In Proceedings of the ICASSP 2019 IEEE International Conference on Acoustics, Speech and Signal Processing (ICASSP), Brighton, UK, 12–17 May 2019; pp. 8330–8334. [Google Scholar]
- Noury, N.; Berenguer, M.; Teyssier, H.; Bouzid, M.; Giordani, M. Building an index of activity of inhabitants from their activity on the residential electrical power line. IEEE Trans. Inf. Technol. Biomed. 2011, 15, 758–766. [Google Scholar] [CrossRef] [PubMed]
- Bucci, G.; Ciancetta, F.; Fiorucci, E. Apparatus for Online Continuous Diagnosis of Induction Motors Based on the SFRA Technique. IEEE Trans. Instrum. Meas. 2020, 69, 4134–4144. [Google Scholar] [CrossRef]
- IEC 60076-18:2012; Power Transformers—Part 18: Measurement of Frequency Response. IEC: Geneva, Switzerland, 2012.
- IEEE Std C57.149-2012; IEEE Guide for the Application and Interpretation of Frequency Response Analysis for Oil-Immersed Transformers. IEEE: New York, NY, USA, 2013; pp. 1–72. [CrossRef]
- Fioravanti, A.; Prudenzi, A.; Bucci, G.; Fiorucci, E.; Ciancetta, F.; Mari, S. Non intrusive electrical load identification through an online SFRA based approach. In Proceedings of the 2020 International Symposium on Power Electronics, Electrical Drives, Automation and Motion (SPEEDAM), Sorrento, Italy, 24–26 June 2020. [Google Scholar]
- CEI EN 50160; Power Quality Standard. CEI: Blue Ash, OH, USA, 2020.
- D’Innocenzo, F.; Bucci, G.; Dolce, S.; Fiorucci, E.; Ciancetta, F. Power line communication, overview of standards and applications. In Proceedings of the XXI IMEKO World Congress “Measurement in Research and Industry”, Prague, Czech Republic, 30 August–4 September 2015. [Google Scholar]
- Géron, A. Hands-on Machine Learning with Scikit-Learn, Keras and TensorFlow: Concepts, Tools, and Techniques to Build Intelligent Systems, 2nd ed.; O’Reilly Media, Inc.: Sebastopol, CA, USA, 2019. [Google Scholar]
- Kelly, J.; Knottenbelt, W. Neural NILM: Deep Neural Networks Applied to Energy Disaggregation. In Proceedings of the 2nd ACM International Conference on Embedded Systems for Energy-Efficient Built Environments (BuildSys ’15). Association for Computing Machinery, New York, NY, USA, 4–5 November 2015; pp. 55–64. [Google Scholar] [CrossRef]
- Bucci, G.; Ciancetta, F.; Fiorucci, E.; Mari, S.; Fioravanti, A. A Non-Intrusive Load Identification System Based on Frequency Response Analysis. In Proceedings of the 2021 IEEE International Workshop on Metrology for Industry 4.0 & IoT (MetroInd4.0 & IoT), Rome, Italy, 7–9 June 2021; pp. 254–258. [Google Scholar] [CrossRef]
- Bishop, C.M. Pattern Recognition and Machine Learning; Springer: New York, NY, USA, 2006. [Google Scholar]
- Hofmann, T.; Schölkopf, B.; Smola, A.J. Kernel methods in machine learning. Ann. Statist. 2008, 36, 1171–1220. [Google Scholar] [CrossRef]
- Xu, X.; Tsang, I.W.; Xu, D. Soft Margin Multiple Kernel Learning. IEEE Trans. Neural Netw. Learn. Syst. 2013, 24, 749–761. [Google Scholar] [CrossRef]
- Dolce, S.; Fiorucci, E.; Bucci, G.; D’Innocenzo, F.; Ciancetta, F.; Di Pasquale, A. Test instrument for the automatic compliance check of cast resin insulated windings for power transformers. Measurement 2017, 100, 50–61. [Google Scholar] [CrossRef]
- Anaconda Inc. Anaconda Software Distribution. 2020. Available online: https://www.anaconda.com/distribution/ (accessed on 13 February 2022).
- Mari, S.; Bucci, G.; Ciancetta, F.; Fiorucci, E.; Fioravanti, A. Advanced Architecture for Training and Testing NILM Systems. In Proceedings of the IEEE Instrumentation and Measurement Technology Conference I2MTC 2022, Ottawa, ON, Canada, 16–19 May 2022. [Google Scholar]
- Makonin, S.; Popowich, F. Nonintrusive load monitoring (NILM) performance evaluation. Energy Effic. 2014, 8, 809–814. [Google Scholar] [CrossRef]
- Schaffner Group. Very High Performance Single-Phase Filters; FN 2090 datasheet; Schaffner Group: Luterbach, Switzerland, 2017. [Google Scholar]
- Aiad, M.; Lee, P.H. Energy disaggregation of overlapping home appliances consumptions using a cluster splitting approach. Sustain. Cities Soc. 2018, 43, 487–494. [Google Scholar] [CrossRef]
- Jain, A.K.; Ahmed, S.S.; Sundaramoorthy, P.; Thiruvengadam, R.; Vijayaraghavan, V. Current peak based device classification in NILM on a low-cost embedded platform using extra-trees. In Proceedings of the 2017 IEEE MIT Undergraduate Research Technology Conference (URTC), Cambridge, MA, USA, 3–5 November 2017; pp. 1–4. [Google Scholar]
- Cannas, B.; Carcangiu, S.; Carta, D.; Fanni, A.; Muscas, C.; Sias, G.; Canetto, B.; Fresi, L.; Porcu, P. Real-Time Monitoring System of the Electricity Consumption in a Household Using NILM Techniques. In Proceedings of the 24th IMEKO TC4 International Symposium and 22nd International Workshop on ADC and DAC Modelling and Testing, Palermo, Italy, 14–16 September 2020; pp. 90–95. [Google Scholar]

















| Hairdryer | Microwave Oven | Lamp | Laptop | Induction hob | Heater | Drill | TV | |
|---|---|---|---|---|---|---|---|---|
| 1 | ||||||||
| 2 | x | |||||||
| 3 | x | |||||||
| 4 | x | |||||||
| 5 | x | |||||||
| 6 | x | |||||||
| 7 | x | |||||||
| 8 | x | |||||||
| 9 | x | |||||||
| 10 | x | x | ||||||
| 11 | x | x | ||||||
| 12 | x | x | ||||||
| 13 | x | x | x | |||||
| 14 | x | x | x | |||||
| 15 | x | x | x | |||||
| 16 | x | x | x | |||||
| 17 | x | x | x | |||||
| 18 | x | x | x | |||||
| 19 | x | x | x | x | ||||
| 20 | x | x | x | x | ||||
| 21 | x | x | x | |||||
| 22 | x | x | x | x | ||||
| 23 | x | x | x | x | ||||
| 24 | x | x | x | x |
| Total Errors | FP | FN | Precision | Recall | F1-Score | |
|---|---|---|---|---|---|---|
| Hairdryer | 0 | 0 | 0 | 1.00 | 1.00 | 1.00 |
| Microwave Oven | 0 | 0 | 0 | 1.00 | 1.00 | 1.00 |
| Lamp | 27 | 0 | 27 | 1.00 | 0.92 | 0.96 |
| Laptop | 0 | 0 | 0 | 1.00 | 1.00 | 1.00 |
| Induction Hob | 0 | 0 | 0 | 1.00 | 1.00 | 1.00 |
| Heater | 5 | 5 | 0 | 0.98 | 1.00 | 0.99 |
| Drill | 29 | 29 | 0 | 0.93 | 1.00 | 0.97 |
| TV | 0 | 0 | 0 | 1.00 | 1.00 | 1.00 |
| 10–100 kHz | ||||||
|---|---|---|---|---|---|---|
| Total Errors | FP | FN | Precision | Recall | F1-Score | |
| Hairdryer | 98 | 98 | 0 | 0.75 | 1.00 | 0.86 |
| Microwave Oven | 50 | 0 | 50 | 1.00 | 0.83 | 0.91 |
| Lamp | 110 | 96 | 14 | 0.78 | 0.96 | 0.86 |
| Laptop | 51 | 51 | 0 | 0.89 | 1.00 | 0.94 |
| Induction Hob | 0 | 0 | 0 | 1.00 | 1.00 | 1.00 |
| Heater | 61 | 61 | 0 | 0.83 | 1.00 | 0.91 |
| Drill | 48 | 48 | 0 | 0.89 | 1.00 | 0.94 |
| TV | 0 | 0 | 0 | 1.00 | 1.00 | 1.00 |
| 100 kHz–1 MHz | ||||||
| Total Errors | FP | FN | Precision | Recall | F1-Score | |
| Hairdryer | 0 | 0 | 0 | 1.00 | 1.00 | 1.00 |
| Microwave Oven | 0 | 0 | 0 | 1.00 | 1.00 | 1.00 |
| Lamp | 141 | 30 | 111 | 0.89 | 0.68 | 0.77 |
| Laptop | 9 | 0 | 9 | 1.00 | 0.98 | 0.99 |
| Induction Hob | 59 | 9 | 50 | 0.97 | 0.83 | 0.89 |
| Heater | 5 | 5 | 0 | 0.98 | 1.00 | 0.99 |
| Drill | 116 | 106 | 10 | 0.79 | 0.98 | 0.87 |
| TV | 0 | 0 | 0 | 1.00 | 1.00 | 1.00 |
| 1–1.5 MHz | ||||||
| Total Errors | FP | FN | Precision | Recall | F1-Score | |
| Hairdryer | 2 | 2 | 0 | 0.99 | 1.00 | 0.99 |
| Microwave Oven | 93 | 85 | 8 | 0.77 | 0.97 | 0.86 |
| Lamp | 115 | 0 | 115 | 1.00 | 0.67 | 0.80 |
| Laptop | 71 | 6 | 65 | 0.98 | 0.84 | 0.90 |
| Induction Hob | 79 | 74 | 5 | 0.80 | 0.98 | 0.88 |
| Heater | 29 | 29 | 0 | 0.91 | 1.00 | 0.95 |
| Drill | 90 | 76 | 14 | 0.84 | 0.97 | 0.90 |
| TV | 48 | 39 | 9 | 0.91 | 0.98 | 0.94 |
| Total Errors | FP | FN | Precision | Recall | F1-Score | |
|---|---|---|---|---|---|---|
| Hairdryer | 0 | 0 | 0 | 1.00 | 1.00 | 1.00 |
| Microwave Oven | 0 | 0 | 0 | 1.00 | 1.00 | 1.00 |
| Lamp | 29 | 0 | 29 | 1.00 | 0.92 | 0.96 |
| Laptop | 4 | 4 | 0 | 0.99 | 1.00 | 0.99 |
| Induction Hob | 0 | 0 | 0 | 1.00 | 1.00 | 1.00 |
| Heater | 3 | 3 | 0 | 0.99 | 1.00 | 0.99 |
| Drill | 7 | 7 | 0 | 0.98 | 1.00 | 0.99 |
| TV | 0 | 0 | 0 | 1.00 | 1.00 | 1.00 |
| 10 kHz–1 MHz (200 Points) | ||||||
|---|---|---|---|---|---|---|
| Total Errors | FP | FN | Precision | Recall | F1-Score | |
| Hairdryer | 0 | 0 | 0 | 1.00 | 1.00 | 1.00 |
| Microwave Oven | 0 | 0 | 0 | 1.00 | 1.00 | 1.00 |
| Lamp | 39 | 0 | 39 | 1.00 | 0.89 | 0.94 |
| Laptop | 0 | 0 | 0 | 1.00 | 1.00 | 1.00 |
| Induction Hob | 0 | 0 | 0 | 1.00 | 1.00 | 1.00 |
| Heater | 2 | 2 | 0 | 0.99 | 1.00 | 1.00 |
| Drill | 5 | 5 | 0 | 0.99 | 1.00 | 0.99 |
| TV | 0 | 0 | 0 | 1.00 | 1.00 | 1.00 |
| 10 kHz–1 MHz (134 Points) | ||||||
| Total Errors | FP | FN | Precision | Recall | F1-Score | |
| Hairdryer | 0 | 0 | 0 | 1.00 | 1.00 | 1.00 |
| Microwave Oven | 0 | 0 | 0 | 1.00 | 1.00 | 1.00 |
| Lamp | 26 | 0 | 26 | 1.00 | 0.93 | 0.96 |
| Laptop | 0 | 0 | 0 | 1.00 | 1.00 | 1.00 |
| Induction Hob | 0 | 0 | 0 | 1.00 | 1.00 | 1.00 |
| Heater | 5 | 5 | 0 | 0.98 | 1.00 | 0.99 |
| Drill | 5 | 5 | 0 | 0.99 | 1.00 | 0.99 |
| TV | 0 | 0 | 0 | 1.00 | 1.00 | 1.00 |
| 10 kHz–1 MHz (100 Points) | ||||||
| Total Errors | FP | FN | Precision | Recall | F1-Score | |
| Hairdryer | 0 | 0 | 0 | 1.00 | 1.00 | 1.00 |
| Microwave Oven | 0 | 0 | 0 | 1.00 | 1.00 | 1.00 |
| Lamp | 42 | 0 | 42 | 1.00 | 0.88 | 0.94 |
| Laptop | 0 | 0 | 0 | 1.00 | 1.00 | 1.00 |
| Induction Hob | 0 | 0 | 0 | 1.00 | 1.00 | 1.00 |
| Heater | 6 | 6 | 0 | 0.98 | 1.00 | 0.99 |
| Drill | 2 | 2 | 0 | 0.99 | 1.00 | 0.99 |
| TV | 0 | 0 | 0 | 1.00 | 1.00 | 1.00 |
| 10 kHz–1 MHz (100 Points. 15 Samples for Each Scenario) | ||||||
|---|---|---|---|---|---|---|
| Total Errors | FP | FN | Precision | Recall | F1-Score | |
| Hairdryer | 0 | 0 | 0 | 1.00 | 1.00 | 1.00 |
| Microwave Oven | 0 | 0 | 0 | 1.00 | 1.00 | 1.00 |
| Lamp | 42 | 0 | 42 | 1.00 | 0.88 | 0.94 |
| Laptop | 0 | 0 | 0 | 1.00 | 1.00 | 1.00 |
| Induction Hob | 0 | 0 | 0 | 1.00 | 1.00 | 1.00 |
| Heater | 6 | 6 | 0 | 0.98 | 1.00 | 0.99 |
| Drill | 3 | 3 | 0 | 0.99 | 1.00 | 0.99 |
| TV | 0 | 0 | 0 | 1.00 | 1.00 | 1.00 |
| 10 kHz–1 MHz (100 Points. 10 Samples for Each Scenario) | ||||||
| Total Errors | FP | FN | Precision | Recall | F1-Score | |
| Hairdryer | 0 | 0 | 0 | 1.00 | 1.00 | 1.00 |
| Microwave Oven | 0 | 0 | 0 | 1.00 | 1.00 | 1.00 |
| Lamp | 59 | 0 | 59 | 1.00 | 0.83 | 0.91 |
| Laptop | 2 | 0 | 2 | 1.00 | 0.99 | 0.99 |
| Induction Hob | 0 | 0 | 0 | 1.00 | 1.00 | 1.00 |
| Heater | 5 | 5 | 0 | 0.98 | 1.00 | 0.99 |
| Drill | 23 | 21 | 2 | 0.95 | 1.00 | 0.97 |
| TV | 0 | 0 | 0 | 1.00 | 1.00 | 1.00 |
| 10 kHz–1 MHz (100 Points. 5 Samples for Each Scenario) | ||||||
| Total Errors | FP | FN | Precision | Recall | F1-Score | |
| Hairdryer | 5 | 5 | 0 | 0.98 | 1.00 | 0.99 |
| Microwave Oven | 0 | 0 | 0 | 1.00 | 1.00 | 1.00 |
| Lamp | 71 | 0 | 71 | 1.00 | 0.80 | 0.89 |
| Laptop | 26 | 0 | 26 | 1.00 | 0.94 | 0.97 |
| Induction Hob | 0 | 0 | 0 | 1.00 | 1.00 | 1.00 |
| Heater | 16 | 16 | 0 | 0.95 | 1.00 | 0.97 |
| Drill | 31 | 29 | 2 | 0.93 | 0.99 | 0.96 |
| TV | 0 | 0 | 0 | 1.00 | 1.00 | 1.00 |
| 10 kHz–1 MHz (100 Points. 1 Sample for Each Scenario) | ||||||
| Total Errors | FP | FN | Precision | Recall | F1-Score | |
| Hairdryer | 5 | 5 | 0 | 0.98 | 1.00 | 0.99 |
| Microwave Oven | 1 | 1 | 0 | 0.99 | 1.00 | 0.99 |
| Lamp | 125 | 0 | 125 | 1.00 | 0.64 | 0.78 |
| Laptop | 95 | 2 | 93 | 0.99 | 0.77 | 0.87 |
| Induction Hob | 0 | 0 | 0 | 1.00 | 1.00 | 1.00 |
| Heater | 17 | 17 | 0 | 0.95 | 1.00 | 0.97 |
| Drill | 53 | 53 | 0 | 0.88 | 1.00 | 0.94 |
| TV | 8 | 8 | 0 | 0.98 | 1.00 | 0.94 |
| Micro-Average | Macro-Average | |||||
|---|---|---|---|---|---|---|
| Training Samples for Each Scenario | Precision | Recall | F1-Score | Precision | Recall | F1-Score |
| 20 | 0.99 | 0.98 | 0.99 | 0.99 | 0.98 | 0.99 |
| 15 | 0.99 | 0.98 | 0.99 | 0.99 | 0.98 | 0.99 |
| 10 | 0.99 | 0.97 | 0.98 | 0.99 | 0.97 | 0.98 |
| 5 | 0.98 | 0.96 | 0.97 | 0.98 | 0.96 | 0.97 |
| 1 | 0.96 | 0.92 | 0.94 | 0.97 | 0.92 | 0.94 |
Disclaimer/Publisher’s Note: The statements, opinions and data contained in all publications are solely those of the individual author(s) and contributor(s) and not of MDPI and/or the editor(s). MDPI and/or the editor(s) disclaim responsibility for any injury to people or property resulting from any ideas, methods, instructions or products referred to in the content. |
© 2023 by the authors. Licensee MDPI, Basel, Switzerland. This article is an open access article distributed under the terms and conditions of the Creative Commons Attribution (CC BY) license (https://creativecommons.org/licenses/by/4.0/).
Share and Cite
Mari, S.; Bucci, G.; Ciancetta, F.; Fiorucci, E.; Fioravanti, A. A New NILM System Based on the SFRA Technique and Machine Learning. Sensors 2023, 23, 5226. https://doi.org/10.3390/s23115226
Mari S, Bucci G, Ciancetta F, Fiorucci E, Fioravanti A. A New NILM System Based on the SFRA Technique and Machine Learning. Sensors. 2023; 23(11):5226. https://doi.org/10.3390/s23115226
Chicago/Turabian StyleMari, Simone, Giovanni Bucci, Fabrizio Ciancetta, Edoardo Fiorucci, and Andrea Fioravanti. 2023. "A New NILM System Based on the SFRA Technique and Machine Learning" Sensors 23, no. 11: 5226. https://doi.org/10.3390/s23115226
APA StyleMari, S., Bucci, G., Ciancetta, F., Fiorucci, E., & Fioravanti, A. (2023). A New NILM System Based on the SFRA Technique and Machine Learning. Sensors, 23(11), 5226. https://doi.org/10.3390/s23115226

