Study on the Voltage Reference Noise at Sub-Millihertz Frequencies for Developing an Ultra-Stable Temperature Measurement Subsystem
Abstract
1. Introduction
2. TMS’s Composition and Noise Budget
- Voltage reference
- NTC thermistor
- Amplifier
- Filter
- A/D converter
3. Voltage Reference Noise Measurement System: Methods, Fabrication, and Evaluation
3.1. Measurement Methods
3.1.1. Dual-Channel Measurement Eliminates Noise Floor
3.1.2. Chopper Suppresses Noise
3.1.3. Two-Stage Amplification Improves Gain
3.1.4. Insulation Suppresses Temperature Fluctuation
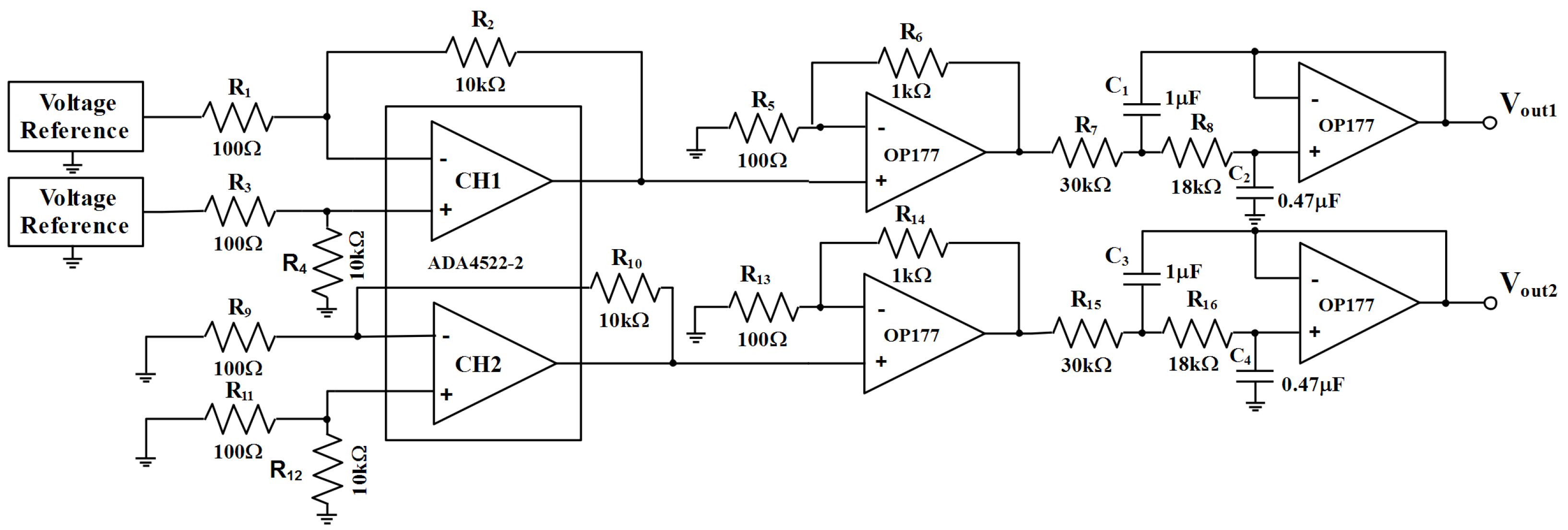
3.2. Circuit Design
3.2.1. Dual-Channel Chopper
3.2.2. Two-Stage Amplification
3.3. Thermal Insulation
3.4. System Setup and Performance Assessment
4. Voltage References Selection
5. Results of Voltage Reference Noise
6. Conclusions
Supplementary Materials
Author Contributions
Funding
Institutional Review Board Statement
Informed Consent Statement
Data Availability Statement
Conflicts of Interest
References
- Zevin, M.; Pankow, C.; Rodriguez, C.L.; Sampson, L.; Chase, E.; Kalogera, V.; Rasio, F.A. Constraining formation models of binary black holes with gravitational-wave observations. Astrophys. J. 2017, 846, 82. [Google Scholar] [CrossRef]
- Yunes, N.; Yagi, K.; Pretorius, F. Theoretical physics implications of the binary black-hole mergers GW150914 and GW151226. Phys. Rev. D 2016, 94, 084002. [Google Scholar] [CrossRef]
- Shibata, M.; Fujibayashi, S.; Hotokezaka, K.; Kiuchi, K.; Kyutoku, K.; Sekiguchi, Y.; Tanaka, M. Modeling GW170817 based on numerical relativity and its implications. Phys. Rev. D 2017, 96, 123012. [Google Scholar] [CrossRef]
- Li, Y.; Chen, H.; Wen, D.; Zhang, J. Constraining the nuclear symmetry energy and properties of the neutron star from GW170817 by Bayesian analysis. Eur. Phys. J. A 2021, 57, 1–10. [Google Scholar] [CrossRef]
- Harms, J.; Bonilla, E.; Coughlin, M.; Driggers, J.; Dwyer, S.; McManus, D.; Ross, M.; Slagmolen, B.; Venkateswara, K. Observation of a potential future sensitivity limitation from ground motion at LIGO Hanford. Phys. Rev. D 2020, 101, 102002. [Google Scholar] [CrossRef]
- Nguyen, P.; Schofield, R.; Effler, A.; Austin, C.; Adya, V.; Ball, M.; Banagiri, S.; Banowetz, K.; Billman, C.; Blair, C.; et al. Environmental noise in advanced LIGO detectors. Class. Quantum Gravity 2021, 38, 145001. [Google Scholar] [CrossRef]
- Singha, A.; Hild, S.; Harms, J. Newtonian-noise reassessment for the Virgo gravitational-wave observatory including local recess structures. Class. Quantum Gravity 2020, 37, 105007. [Google Scholar] [CrossRef]
- Danzmann, K.; LISA Study Team. LISA: Laser interferometer space antenna for gravitational wave measurements. Class. Quantum Gravity 1996, 13, A247. [Google Scholar] [CrossRef]
- Amaro-Seoane, P.; Aoudia, S.; Babak, S.; Binetruy, P.; Berti, E.; Bohe, A.; Caprini, C.; Colpi, M.; Cornish, N.J.; Danzmann, K.; et al. Low-frequency gravitational-wave science with eLISA/NGO. Class. Quantum Gravity 2012, 29, 124016. [Google Scholar] [CrossRef]
- Amaro-Seoane, P.; Audley, H.; Babak, S.; Baker, J.; Barausse, E.; Bender, P.; Berti, E.; Binetruy, P.; Born, M.; Bortoluzzi, D.; et al. Laser interferometer space antenna. arXiv 2017, arXiv:1702.00786. [Google Scholar]
- Luo, J.; Chen, L.S.; Duan, H.Z.; Gong, Y.G.; Hu, S.; Ji, J.; Liu, Q.; Mei, J.; Milyukov, V.; Sazhin, M.; et al. TianQin: A space-borne gravitational wave detector. Class. Quantum Gravity 2016, 33, 035010. [Google Scholar] [CrossRef]
- Luo, Z.; Wang, Y.; Wu, Y.; Hu, W.; Jin, G. The Taiji program: A concise overview. Prog. Theor. Exp. Phys. 2021, 2021, 05A108. [Google Scholar] [CrossRef]
- Sanjuán, J.; Ramos-Castro, J.; Lobo, A. Extension of the LTP temperature diagnostics to the LISA band: First results. Class. Quantum Gravity 2009, 26, 094009. [Google Scholar] [CrossRef]
- Ciofi, C.; Cannatà’, G.; Scandurra, G.; Merlino, R. A very low noise, high stability, voltage reference for high sensitivity noise measurements. Fluct. Noise Lett. 2007, 7, L231–L238. [Google Scholar] [CrossRef]
- Pace, C.; Ciofi, C.; Crupi, F. Very low-noise, high-accuracy programmable voltage reference. IEEE Trans. Instrum. Meas. 2003, 52, 1251–1254. [Google Scholar] [CrossRef]
- Williams, J. 775 Nanovolt Noise Measurement for a Low Noise Voltage Reference; Technical report, Application Note 124f; Linear Technology: Milpitas, CA, USA, 2009. [Google Scholar]
- Peng, L.; Jin, X.; Liu, M. Design and Optimization of a Low-Noise Voltage Reference Using Chopper Stabilization Technique. Chin. J. Electron. 2017, 26, 981–985. [Google Scholar] [CrossRef]
- Ma, Y.; Bai, C.; Wang, Y.; Qiao, D. A low noise CMOS bandgap voltage reference using chopper stabilization technique. In Proceedings of the 2020 IEEE 5th International Conference on Integrated Circuits and Microsystems (ICICM), Nanjing, China, 23–25 October 2020; pp. 184–187. [Google Scholar]
- Sanborn, K.; Ma, D.; Ivanov, V. A sub-1-V low-noise bandgap voltage reference. IEEE J. Solid-State Circuits 2007, 42, 2466–2481. [Google Scholar] [CrossRef]
- Lapuh, R.; Voljč, B.; Lindič, M.; Kieler, O.F. Keysight 3458A noise performance in DCV sampling mode. IEEE Trans. Instrum. Meas. 2017, 66, 1089–1094. [Google Scholar] [CrossRef]
- Kay, A. Operational Amplifier Noise: Techniques and Tips for Analyzing and Reducing Noise; Elsevier: Amsterdam, The Netherlands, 2012; pp. 13–18. [Google Scholar]
- Lacy, F. Evaluating the resistivity-temperature relationship for RTDs and other conductors. IEEE Sens. J. 2010, 11, 1208–1213. [Google Scholar] [CrossRef]
- Chen, C. Evaluation of resistance–temperature calibration equations for NTC thermistors. Measurement 2009, 42, 1103–1111. [Google Scholar] [CrossRef]
- Childs, P.R.; Greenwood, J.; Long, C. Review of temperature measurement. Rev. Sci. Instrum. 2000, 71, 2959–2978. [Google Scholar] [CrossRef]
- Bergman, T.L.; Lavine, A.S.; Incropera, F.P.; DeWitt, D.P. Introduction to Heat Transfer; John Wiley & Sons: Hoboken, NJ, USA, 2011; pp. 117–119. [Google Scholar]
- Taylor, B.N.; Kuyatt, C.E. Guidelines for Evaluating and Expressing the Uncertainty of NIST Measurement Results; US Department of Commerce, Technology Administration, National Institute of Standards and Technology: Gaithersburg, MD, USA, 1994; Volume 1297, p. 2.
- Ryger, I.; Harber, D.; Stephens, M.; White, M.; Tomlin, N.; Spidell, M.; Lehman, J. Noise characteristics of thermistors: Measurement methods and results of selected devices. Rev. Sci. Instrum. 2017, 88, 024707. [Google Scholar] [CrossRef] [PubMed]
- Carter, B.; Mancini, R. Op Amps for Everyone; Newnes: London, UK, 2017; p. 383. [Google Scholar]
- Lyons, R.; Yates, R. Reducing ADC quantization noise. Microwaves RF 2005, 44, 72. [Google Scholar]
- Kester, W. ADC input noise: The good, the bad, and the ugly. Is no noise good noise. Analog. Dialogue 2006, 40, 1–5. [Google Scholar]
- Halamek, J.; Viscor, I.; Kasal, M. Dynamic range and acquisition system. Meas. Sci. Rev. 2001, 1, 71–74. [Google Scholar]
- Analog Devices. Available online: www.analog.com (accessed on 7 January 2023).
- Maxim Integrated. Available online: www.maximintegrated.com (accessed on 7 January 2023).
- Texas Instruments. Available online: www.ti.com (accessed on 7 January 2023).










| Noise Source | Budget () | Requirements (0.1 mHz–1 Hz) |
|---|---|---|
| Voltage reference | ||
| Thermistor | ||
| Amplifier | ||
| Others | − | |
| Total | − |
| Range | |
|---|---|
| 0.2 (0.07) | |
| 0.2 | |
| 1 | |
| 20 | |
| 100 |
| Layer | Material | Conductivity [] | Specific Heat [] | Density [] | Thickness [] |
|---|---|---|---|---|---|
| Outer | Polyurethane foam | 0.02 | 1000 | 46 | 20 |
| Middle | Ceramic fiber cotton | 0.08 | 1000 | 300 | 5 |
| Inner | Aluminum | 900 | 237 | 2700 | 0.5 |
| Order | Model | Manufacturer | Type | Noise in 0.1–10 Hz () | Temperature Coefficient () |
|---|---|---|---|---|---|
| 1 | ADR441BRZ | Analog Devices | XFET | 1.2 | 1 |
| 2 | ADR4525CRZ | Analog Devices | Bandgap | 1.25 | 1 |
| 3 | LTC6655BHMS8 | Analog Devices | Bandgap | 0.625 | 2 |
| 4 | MAX6126A25 | Maxim Integrated | Proprietary | 1.45 | 1 |
| 5 | MAX6226ALA25 | Maxim Integrated | Proprietary | 1.45 | 1 |
| 6 | MAX6325CPA | Maxim Integrated | Buried zenner | 1.5 | 0.5 |
| 7 | MAX6071BAUT25 | Maxim Integrated | Bandgap | 4.8 | 1.5 |
| 8 | ADR291WF | Analog Devices | XFET | 8 | 5 |
| 9 | REF03GS | Analog Devices | Bandgap | 6 | 10 |
| 10 | REF192GR | Analog Devices | Bandgap | 25 | 10 |
| 11 | LT1034B | Analog Devices | Bandgap | 6 | 10 |
| 12 | LT1461B | Analog Devices | Bandgap | 20 | 3 |
| 13 | MAX6025A | Maxim Integrated | Bandgap | 50 | 6 |
| 14 | MAX6033B | Maxim Integrated | Bandgap | 16 | 1.5 |
| 15 | MAX6125E | Maxim Integrated | − | 15 | 15 |
| 16 | MAX6192A | Maxim Integrated | Bandgap | 60 | 2 |
| 17 | REF3225A | Texas Instruments | Bandgap | 33 | 4 |
| 18 | REF3425I | Texas Instruments | Bandgap | 12.5 | 2.5 |
| 19 | REF4132A | Texas Instruments | Bandgap | 37.5 | 12 |
| 20 | REF6025I | Texas Instruments | Bandgap | 7.5 | 5 |
Disclaimer/Publisher’s Note: The statements, opinions and data contained in all publications are solely those of the individual author(s) and contributor(s) and not of MDPI and/or the editor(s). MDPI and/or the editor(s) disclaim responsibility for any injury to people or property resulting from any ideas, methods, instructions or products referred to in the content. |
© 2023 by the authors. Licensee MDPI, Basel, Switzerland. This article is an open access article distributed under the terms and conditions of the Creative Commons Attribution (CC BY) license (https://creativecommons.org/licenses/by/4.0/).
Share and Cite
Gu, L.; Chen, H.; Liu, P.; Wen, M.; Ling, C.; Sun, Z.; Ding, Y. Study on the Voltage Reference Noise at Sub-Millihertz Frequencies for Developing an Ultra-Stable Temperature Measurement Subsystem. Sensors 2023, 23, 4611. https://doi.org/10.3390/s23104611
Gu L, Chen H, Liu P, Wen M, Ling C, Sun Z, Ding Y. Study on the Voltage Reference Noise at Sub-Millihertz Frequencies for Developing an Ultra-Stable Temperature Measurement Subsystem. Sensors. 2023; 23(10):4611. https://doi.org/10.3390/s23104611
Chicago/Turabian StyleGu, Lingyun, Houyuan Chen, Peng Liu, Mingxuan Wen, Chen Ling, Zening Sun, and Yanwei Ding. 2023. "Study on the Voltage Reference Noise at Sub-Millihertz Frequencies for Developing an Ultra-Stable Temperature Measurement Subsystem" Sensors 23, no. 10: 4611. https://doi.org/10.3390/s23104611
APA StyleGu, L., Chen, H., Liu, P., Wen, M., Ling, C., Sun, Z., & Ding, Y. (2023). Study on the Voltage Reference Noise at Sub-Millihertz Frequencies for Developing an Ultra-Stable Temperature Measurement Subsystem. Sensors, 23(10), 4611. https://doi.org/10.3390/s23104611

