Two-Way Communication Digital Power Controllers for Wireless Retinal Prosthesis Systems
Abstract
1. Introduction
2. Method
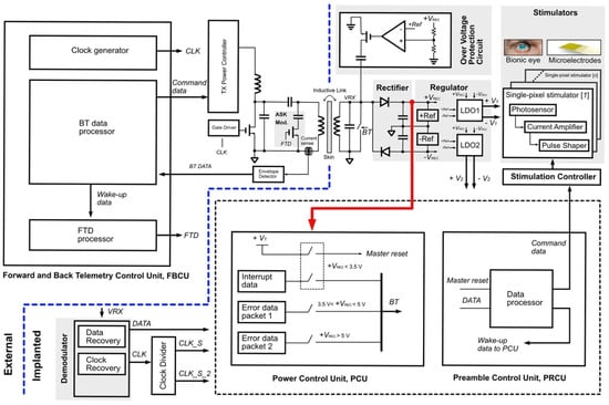
2.1. Overview of the Wireless Power Telemetry System
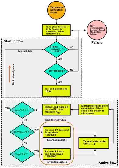
2.2. Flow Diagram
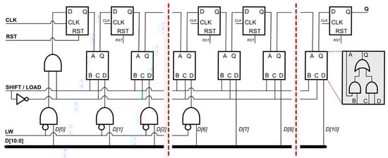
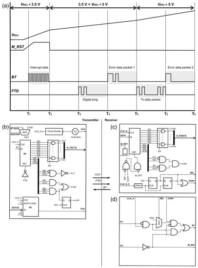
2.3. System Implementation
3. Results
4. Conclusions
Author Contributions
Funding
Institutional Review Board Statement
Informed Consent Statement
Data Availability Statement
Acknowledgments
Conflicts of Interest
Appendix A
| bufgctrl_available = 32 | bufgctrl_fixed = 0 | bufgctrl_used = 1 | bufgctrl_util_percentage = 3.13 |
| bufhce_available = 72 | bufhce_fixed = 0 | bufhce_used = 0 | bufhce_util_percentage = 0.00 |
| bufio_available = 20 | bufio_fixed = 0 | bufio_used = 0 | bufio_util_percentage = 0.00 |
| bufmrce_available = 10 | bufmrce_fixed = 0 | bufmrce_used = 0 | bufmrce_util_percentage = 0.00 |
| bufr_available = 20 | bufr_fixed = 0 | bufr_used = 0 | bufr_util_percentage = 0.00 |
| mmcme2_adv_available = 5 | mmcme2_adv_fixed = 0 | mmcme2_adv_used = 0 | mmcme2_adv_util_percentage = 0.00 |
| plle2_adv_available = 5 | plle2_adv_fixed = 0 | plle2_adv_used = 0 | plle2_adv_util_percentage = 0.00 |
| blvds_25 = 0 | diff_hstl_i = 0 | diff_hstl_i_18 = 0 | diff_hstl_ii = 0 |
| diff_hstl_ii_18 = 0 | diff_hsul_12 = 0 | diff_mobile_ddr = 0 | diff_sstl135 = 0 |
| diff_sstl135_r = 0 | diff_sstl15 = 0 | diff_sstl15_r = 0 | diff_sstl18_i = 0 |
| diff_sstl18_ii = 0 | hstl_i = 0 | hstl_i_18 = 0 | hstl_ii = 0 |
| hstl_ii_18 = 0 | hsul_12 = 0 | lvcmos12 = 0 | lvcmos15 = 0 |
| lvcmos18 = 0 | lvcmos25 = 0 | lvcmos33 = 1 | lvds_25 = 0 |
| lvttl = 0 | mini_lvds_25 = 0 | mobile_ddr = 0 | pci33_3 = 0 |
| ppds_25 = 0 | rsds_25 = 0 | sstl135 = 0 | sstl135_r = 0 |
| sstl15 = 0 | sstl15_r = 0 | sstl18_i = 0 | sstl18_ii = 0 |
| block_ram_tile_available = 50 | block_ram_tile_fixed = 0 | block_ram_tile_used = 0 | block_ram_tile_util_percentage = 0.00 |
| ramb18_available = 100 | ramb18_fixed = 0 | ramb18_used = 0 | ramb18_util_percentage = 0.00 |
| ramb36_fifo_available = 50 | ramb36_fifo_fixed = 0 | ramb36_fifo_used = 0 | ramb36_fifo_util_percentage = 0.00 |
| bufg_functional_category = Clock | bufg_used = 1 | fdre_functional_category = Flop & Latch | fdre_used = 38 |
| fdse_functional_category = Flop & Latch | fdse_used = 1 | ibuf_functional_category = IO | ibuf_used = 16 |
| lut1_functional_category = LUT | lut1_used = 3 | lut2_functional_category = LUT | lut2_used = 1 |
| lut3_functional_category = LUT | lut3_used = 9 | lut4_functional_category = LUT | lut4_used = 2 |
| lut5_functional_category = LUT | lut5_used = 14 | lut6_functional_category = LUT | lut6_used = 7 |
| f7_muxes_available = 16300 | f7_muxes_fixed = 0 | f7_muxes_used = 0 | f7_muxes_util_percentage = 0.00 |
| f8_muxes_available = 8150 | f8_muxes_fixed = 0 | f8_muxes_used = 0 | f8_muxes_util_percentage = 0.00 |
| lut_as_logic_available = 20800 | lut_as_logic_fixed = 0 | lut_as_logic_used = 31 | lut_as_logic_util_percentage = 0.15 |
| lut_as_memory_available = 9600 | lut_as_memory_fixed = 0 | lut_as_memory_used = 0 | lut_as_memory_util_percentage = 0.00 |
| register_as_flip_flop_available = 41600 | register_as_flip_flop_fixed = 0 | register_as_flip_flop_used = 39 | register_as_flip_flop_util_percentage = 0.09 |
| register_as_latch_available = 41600 | register_as_latch_fixed = 0 | register_as_latch_used = 0 | register_as_latch_util_percentage = 0.00 |
| slice_luts_available = 20800 | slice_luts_fixed = 0 | slice_luts_used = 31 | slice_luts_util_percentage = 0.15 |
| slice_registers_available = 41600 | slice_registers_fixed = 0 | slice_registers_used = 39 | slice_registers_util_percentage = 0.09 |
| lut_as_distributed_ram_fixed = 0 | lut_as_distributed_ram_used = 0 | lut_as_logic_available = 20800 | lut_as_logic_fixed = 0 |
| lut_as_logic_used = 31 | lut_as_logic_util_percentage = 0.15 | lut_as_memory_available = 9600 | lut_as_memory_fixed = 0 |
| lut_as_memory_used = 0 | lut_as_memory_util_percentage = 0.00 | lut_as_shift_register_fixed = 0 | lut_as_shift_register_used = 0 |
| lut_in_front_of_the_register_is_unused_fixed = 0 | lut_in_front_of_the_register_is_unused_used = 12 | lut_in_front_of_the_register_is_used_fixed = 12 | lut_in_front_of_the_register_is_used_used = 8 |
| register_driven_from_outside_the_slice_fixed = 8 | register_driven_from_outside_the_slice_used = 20 | register_driven_from_within_the_slice_fixed = 20 | register_driven_from_within_the_slice_used = 19 |
| slice_available = 8150 | slice_fixed = 0 | slice_registers_available = 41600 | slice_registers_fixed = 0 |
| slice_registers_used = 39 | slice_registers_util_percentage = 0.09 | slice_used = 24 | slice_util_percentage = 0.29 |
| slicel_fixed = 0 | slicel_used = 13 | slicem_fixed = 0 | slicem_used = 11 |
| unique_control_sets_available = 8150 | unique_control_sets_fixed = 8150 | unique_control_sets_used = 6 | unique_control_sets_util_percentage = 0.07 |
| using_o5_and_o6_fixed = 0.07 | using_o5_and_o6_used = 5 | using_o5_output_only_fixed = 5 | using_o5_output_only_used = 0 |
References
- Noorsal, E.; Sooksood, K.; Xu, H.; Hornig, R.; Becker, J.; Ortmanns, M. A Neural Stimulator Frontend with High-Voltage Compliance and Programmable Pulse Shape for Epiretinal Implants. IEEE J. Solid-State Circuits 2012, 47, 244–256. [Google Scholar] [CrossRef]
- Bloch, E.; Luo, Y.; Da Cruz, L. Advances in retinal prosthesis systems. Ther. Adv. Ophthalmol. 2019, 11, 2515841418817501. [Google Scholar] [CrossRef] [PubMed]
- Kofman, K.E.; Buckley, T.; McGrouther, D.A. Complications of transcutaneous metal devices. Eur. J. Plast. Surg. 2012, 35, 673–682. [Google Scholar] [CrossRef] [PubMed][Green Version]
- Jegadeesan, R.; Nag, S.; Agarwal, K.; Thakor, N.V.; Guo, Y. Enabling Wireless Powering and Telemetry for Peripheral Nerve Implants. IEEE J. Biomed. Health Inform. 2015, 19, 958–970. [Google Scholar] [CrossRef] [PubMed]
- Kim, J.; Basham, E.; Pedrotti, K.D. Geometry-based optimization of radio-frequency coils for powering neuroprosthetic implants. Med. Biol. Eng. Comput. 2013, 51, 123–134. [Google Scholar] [CrossRef] [PubMed]
- Jow, U.-M.; Ghovanloo, M. Design and Optimization of Printed Spiral Coils for Efficient Transcutaneous Inductive Power Transmission. IEEE Trans. Biomed. Circuits Syst. 2007, 1, 193–202. [Google Scholar] [CrossRef] [PubMed]
- Kendir, G.; Liu, W.; Wang, G.; Sivaprakasam, M.; Bashirullah, R.; Humayun, M.; Weiland, J. An optimal design methodology for inductive power link with class-E amplifier. IEEE Trans. Circuits Syst. I Regul. Pap. 2005, 52, 857–866. [Google Scholar] [CrossRef]
- Ko, W.H.; Liang, S.P.; Fung, C.D.F. Design of radio-frequency powered coils for implant instruments. Med. Biol. Eng. Comput. 1977, 15, 634–640. [Google Scholar] [CrossRef] [PubMed]
- Donaldson, N.D.N.; Perkins, T.A. Analysis of resonant coupled coils in the design of radio frequency transcutaneous links. Med. Biol. Eng. Comput. 1983, 21, 612–627. [Google Scholar] [CrossRef] [PubMed]
- Li, Y.; Zhao, J.; Yang, Q.; Liu, L.; Ma, J.; Zhang, X. A Novel Coil with High Misalignment Tolerance for Wireless Power Transfer. IEEE Trans. Magn. 2019, 55, 1–4. [Google Scholar] [CrossRef]
- Ahn, H.R.; Kim, M.S.; Kim, Y.J. Inductor array for minimizing transfer efficiency decrease of wireless power transmis-sion components at misalignment. Electron. Lett. 2014, 50, 393–394. [Google Scholar] [CrossRef]
- Rendon-Nava, A.E.; Díaz-Méndez, J.A.; Nino-De-Rivera, L.; Calleja-Arriaga, W.; Gil-Carrasco, F.; Diaz-Alonso, D. Study of the Effect of Distance and Misalignment between Magnetically Coupled Coils for Wireless Power Transfer in Intraocular Pressure Measurement. Sci. World J. 2014, 2014, 692434. [Google Scholar] [CrossRef] [PubMed]
- Qian, L.; Qian, K.; Shi, Y.; Xia, H.; Wang, J.; Xia, Y. TSV Based Orthogonal Coils with High Misalignment Tolerance for Inductive Power Transfer in Biomedical Implants. IEEE Trans. Circuits Syst. II Express Briefs 2021, 68, 1832–1836. [Google Scholar] [CrossRef]
- Zawawi, R.B.A.; Abbasi, W.H.; Kim, S.-H.; Choi, H.; Kim, J. Wide-Supply-Voltage-Range CMOS Bandgap Reference for In Vivo Wireless Power Telemetry. Energies 2020, 13, 2986. [Google Scholar] [CrossRef]
- Zawawi, R.B.A.; Choi, H.; Kim, J. High-PSRR Wide-Range Supply-Independent CMOS Voltage Reference for Retinal Prosthetic Systems. Electronics 2020, 9, 2028. [Google Scholar] [CrossRef]









| Pin | I/O | Description |
|---|---|---|
| CLK | Input | Main clock source, fo = 13.56 MHz |
| BT_DATA | Input | Back telemetry data |
| CLK_S | Input | CLK/n, f1 = 2 MHz |
| CLK_S_2 | Input | CLK_S/2, f2 = 1 MHz |
| LT | Input | Load/Shift pulse in Tx SP converter, 0/1 = load/shift |
| D [10:0] | Input | Input data of Tx PS converter D [10:7] is header, D [6:0] is command data |
| Q_TX [7:0] | Output | Output data of Tx SP converter, [1111111] for VREC < 3.5 V, [1000000] for 3.5 V < VREC < 5 V, [0000000] for VREC > 5 V |
| FTP | Output | Transmitted data/reset pulse in Tx SP converter Data speed = 2 Mb/s |
| SEL & CONT | Output | Used to generate BT pattern pulses |
| BT | Output | Back telemetry data Data speed = 2 Mb/s |
| M_RST | Output | Master reset |
| DATA | Input | Input data of Rx SP converter Data speed = 2 Mb/s |
| Q_RX [6:0] | Output | Output data to stimulator controller |
Publisher’s Note: MDPI stays neutral with regard to jurisdictional claims in published maps and institutional affiliations. |
© 2022 by the authors. Licensee MDPI, Basel, Switzerland. This article is an open access article distributed under the terms and conditions of the Creative Commons Attribution (CC BY) license (https://creativecommons.org/licenses/by/4.0/).
Share and Cite
Zawawi, R.B.A.; Kim, J. Two-Way Communication Digital Power Controllers for Wireless Retinal Prosthesis Systems. Sensors 2022, 22, 2970. https://doi.org/10.3390/s22082970
Zawawi RBA, Kim J. Two-Way Communication Digital Power Controllers for Wireless Retinal Prosthesis Systems. Sensors. 2022; 22(8):2970. https://doi.org/10.3390/s22082970
Chicago/Turabian StyleZawawi, Ruhaifi Bin Abdullah, and Jungsuk Kim. 2022. "Two-Way Communication Digital Power Controllers for Wireless Retinal Prosthesis Systems" Sensors 22, no. 8: 2970. https://doi.org/10.3390/s22082970
APA StyleZawawi, R. B. A., & Kim, J. (2022). Two-Way Communication Digital Power Controllers for Wireless Retinal Prosthesis Systems. Sensors, 22(8), 2970. https://doi.org/10.3390/s22082970
