A Study on Double Inputs Direct Contact and Single Output Capacitively Coupled Conductivity Detector
Abstract
:1. Introduction
2. Materials and Methods
2.1. Materials and Instrumentation
2.2. Device Connection and Measurement Setup
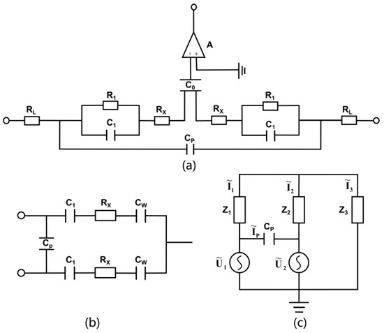
2.3. The Theoretical Electronic Circuit Section of Capacitive Sensor
3. Results
3.1. Optimization of Conditions
3.2. Shielding Performance Tests
3.3. Response to the Test Process and Results
3.4. The Ability to Resist Interference from Impurities
3.5. Reproducibility Verification
4. Conclusions
Supplementary Materials
Author Contributions
Funding
Institutional Review Board Statement
Informed Consent Statement
Conflicts of Interest
References
- Alder, J.; Drew, P. A non-intrusive very high-frequency conductivity detector for continuous flow monitoring. Anal. Chim. Acta 1979, 110, 325–328. [Google Scholar] [CrossRef]
- Wang, Y.X.; Ji, H.F.; Huang, Z.Y.; Wang, B.L.; Li, H.Q. Online measurement of conductivity/permittivity of fluid by a new contactless impedance sensor. Rev. Sci. Instrum. 2017, 88, 055111. [Google Scholar] [CrossRef]
- Cavendish, H. XII. An account of some attempts to imitate the effects of the torpedo by electricity. Philos. Trans. R. Soc. Lond. 1776, 66, 196–225. [Google Scholar]
- Cavendish, H. The Electrical Researches; Maxwell, J.C., Ed.; The University Press: London, UK, 1921; Volume 1. [Google Scholar]
- Stock, J.T. Two centuries of quantitative electrolytic conductivity. Anal. Chem. 1984, 56, 561A–570A. [Google Scholar] [CrossRef]
- Huang, X.; Pang, T.K.J.; Gordon, M.J.; Zare, R.N. On-column conductivity detector for capillary zone electrophoresis. Anal. Chem. 1987, 59, 2747–2749. [Google Scholar] [CrossRef]
- Huang, X.; Gordon, M.J.; Zare, R.N. Bias in quantitative capillary zone electrophoresis caused by electrokinetic sample injection. Anal. Chem. 1988, 60, 375–377. [Google Scholar] [CrossRef]
- Huang, X.; Gordon, M.J.; Zare, R.N. Effect of electrolyte and sample concentraton on the relatioship between sensitivity and resolution in capillary zone electrophoresis using conductivity detection. J. Chromatogr. A 1989, 480, 285–288. [Google Scholar] [CrossRef]
- Huang, X.; Luckey, J.A.; Gordon, M.J.; Zare, R.N. Quantitative determination of low molecular weight carboxylic acids by capillary zone electrophoresis/conductivity detection. Anal. Chem. 1989, 61, 766–770. [Google Scholar] [CrossRef]
- Gaš, B.; Demjaněnko, M.; Vacík, J. High-frequency contactless conductivity detection in isotachophoresis. J. Chromatogr. A 1980, 192, 253–257. [Google Scholar] [CrossRef]
- Vacík, J.; Zuska, J.; Muselasová, I. Improvement of the performance of a high-frequency contactless conductivity detector for isotachophoresis. J. Chromatogr. A 1985, 320, 233–240. [Google Scholar] [CrossRef]
- Fracassi, D.; Lago, C.D. An Oscillometric Detector for Capillary Electrophoresis. Anal. Chem. 1998, 70, 4339–4343. [Google Scholar] [CrossRef]
- Zemann, A.J.; Schnell, E.; Volgger, D.; Bonn, G.K. Contactless Conductivity Detection for Capillary Electrophoresis. Anal. Chem. 1998, 70, 563–567. [Google Scholar] [CrossRef] [PubMed]
- Tanyanyiwa, J.; Leuthardt, S.; Hauser, P.C. Electrophoretic separations with polyether ether ketone capillaries and capacitively coupled contactless conductivity detection. J. Chromatogr. A 2002, 978, 205–211. [Google Scholar] [CrossRef]
- Brito-Neto, J.G.A.; da Silva, J.A.F.; Blanes, L.; do Lago, C.L. Understanding capacitively coupled contactless conductivity detection in capillary and microchip electrophoresis. Part 1. Fundamentals. Electroanal. Int. J. Devoted Fundam. Pract. Asp. Electroanal. 2005, 17, 1198–1206. [Google Scholar] [CrossRef]
- Kang, Q.; Shen, D.; Li, Q.; Hu, Q.; Dong, J.; Du, J.; Tang, B. Reduction of the Impedance of a Contactless Conductivity Detector for Microchip Capillary Electrophoresis: Compensation of the Electrode Impedance by Addition of a Series Inductance from a Piezoelectric Quartz Crystal. Anal. Chem. 2008, 80, 7826–7832. [Google Scholar] [CrossRef]
- Shen, D.; Li, D.; Yang, X.; Zhu, Y.; Dong, J.; Kang, Q. Application of a low impedance contactless conductometric detector for the determination of inorganic cations in capillary monolithic column chromatography. Talanta 2011, 84, 42–48. [Google Scholar] [CrossRef]
- Zhang, Z.; Li, D.; Liu, X.; Subhani, Q.; Zhu, Y.; Kang, Q.; Shen, D. Determination of anions using monolithic capillary column ion chromatography with end-to-end differential contactless conductometric detectors under resonance approach. Analyst 2012, 137, 2876–2883. [Google Scholar] [CrossRef]
- Shen, D.; Li, Y.; Zhang, Z.; Zhang, P.; Kang, Q. Determination of amino acids by capillary electrophoresis with differential resonant contactless conductivity detector. Talanta 2013, 104, 39–43. [Google Scholar] [CrossRef]
- Huang, T.; Kang, Q.; Zhu, X.; Zhang, Z.; Shen, D. Determination of water-soluble ions in PM2.5 using capillary electrophoresis with resonant contactless conductometric detectors in a differential model. Anal. Methods 2013, 5, 6839–6847. [Google Scholar] [CrossRef]
- Zheng, H.; Li, M.; Dai, J.; Wang, Z.; Li, X.; Yuan, H.; Xiao, D. Double Input Capacitively Coupled Contactless Conductivity Detector with Phase Shift. Anal. Chem. 2014, 86, 10065–10070. [Google Scholar] [CrossRef]
- Do, L.Q.; Bui, T.T.; Tran, H.T.T.; Kikuchi, K.; Aoyagi, M.; Duc, T.C. Fluidic platform with embedded differential capacitively coupled contactless conductivity detector for micro-object sensing. Int. J. Nanotechnol. 2018, 15, 24–38. [Google Scholar] [CrossRef]
- Quang, L.D.; Bui, T.T.; Hoang, A.B.; Van, T.P.; Jen, C.-P.; Duc, T.C. Development of a Passive Capacitively Coupled Contactless Conductivity Detection (PC4D) Sensor System for Fluidic Channel Analysis Toward Point-of-Care Applications. IEEE Sens. J. 2019, 19, 6371–6380. [Google Scholar] [CrossRef]
- Huang, Z.; Jiang, W.; Zhou, X.; Wang, B.; Ji, H.; Li, H.J.S.; Chemical, A.B. A new method of capacitively coupled contactless conductivity detection based on series resonance. Sens. Actuators B Chem. 2009, 143, 239–245. [Google Scholar] [CrossRef]
- Lichtenberg, J.; de Rooij, N.F.; Verpoorte, E.J.E. A microchip electrophoresis system with integrated in-plane electrodes for contactless conductivity detection. Electrophoresis 2002, 23, 3769–3780. [Google Scholar] [CrossRef]
- Míka, J.; Opekar, F.; Coufal, P.; Štulík, K. A thin-layer contactless conductivity cell for detection in flowing liquids. Anal Chim Acta. 2009, 650, 189–194. [Google Scholar] [CrossRef]
- Nguyen, T.A.H.; Nguyen, V.R.; Le, D.D.; BinhNguyen, T.T.; Cao, V.H.; DungNguyen, T.K.; Sáiz, J.; Hauser, P.C.; Mai, T.D. Simultaneous determination of rare earth elements in ore and anti-corrosion coating samples using a portable capillary electrophoresis instrument with contactless conductivity detection. J. Chromatogr. A 2016, 1457, 151–158. [Google Scholar] [CrossRef]
- lampová, A.; Kubáň, P. Rapid determination of meldonium in urine samples by capillary electrophoresis with capacitively coupled contactless conductivity detection. J. Chromatogr. A 2016, 1468, 236–240. [Google Scholar] [CrossRef]
- Paul, P.; Griend, S.V.D.; Adams, E.; Schepdael, A.V. Recent advances in the capillary electrophoresis analysis of antibiotics with capacitively coupled contactless conductivity detection. J. Pharm. Biomed. Anal. 2018, 158, 405–415. [Google Scholar] [CrossRef]
- Nguyen, T.D.; Nguyen, M.H.; Vu, M.T.; Duong, H.A.; Pham, H.V.; Mai, T.D. Dual-channeled capillary electrophoresis coupled with contactless conductivity detection for rapid determination of choline and taurine in energy drinks and dietary supplements. Talanta 2019, 193, 168–175. [Google Scholar] [CrossRef]
- Blanco, G.A.; Nai, Y.H.; Hilder, E.F.; Shellie, R.A.; Dicinoski, G.W.; Haddad, P.R.; Breadmore, M.C. Identification of Inorganic Improvised Explosive Devices Using Sequential Injection Capillary Electrophoresis and Contactless Conductivity Detection. Anal. Chem. 2011, 83, 9068–9075. [Google Scholar] [CrossRef]
- Santos, M.S.F.; da Costa, E.T.; Gutz, I.G.R.; Garcia, C.D. Analysis of Methanol in the Presence of Ethanol, Using a Hybrid Capillary Electrophoresis Device with Electrochemical Derivatization and Conductivity Detection. Anal. Chem. 2017, 89, 1362–1368. [Google Scholar] [CrossRef] [PubMed]
- Chaneam, S.; Kaewyai, K.; Mantim, T.; Chaisuksant, R.; Wilairat, P.; Nacapricha, D. Simultaneous and direct determination of urea and creatinine in human urine using a cost-effective flow injection system equipped with in-house contactless conductivity detector and LED colorimeter. Anal. Chim. Acta 2019, 1073, 54–61. [Google Scholar] [CrossRef] [PubMed]
- Johnson, D.E.; Enke, C.G. Bipolar pulse technique for fast conductance measurements. Anal. Chem. 1970, 42, 329–335. [Google Scholar] [CrossRef]
- Wang, C.; Xing, H.; Zheng, B.; Yuan, H.; Xiao, D. Simulation and Experimental Study on Doubled-Input Capacitively Coupled Contactless Conductivity Detection of Capillary Electrophoresis. Sci. Rep. 2020, 10, 7944. [Google Scholar] [CrossRef] [PubMed]










| Parameter | Ratio | |
|---|---|---|
| Length of gap (mm) | 10 | 1.08 |
| 8 | 1.09 | |
| 5 | 1.11 | |
| 2 | 1.14 | |
| Length of electrode (mm) | 5 | 1.10 |
| 8 | 1.11 | |
| 10 | 1.14 | |
| 12 | 1.13 | |
| 15 | 1.12 | |
| Wave form | Sine | 1.14 |
| Square | 1.07 | |
| Ramp | 1.11 | |
| Pulse | 1.12 | |
Publisher’s Note: MDPI stays neutral with regard to jurisdictional claims in published maps and institutional affiliations. |
© 2022 by the authors. Licensee MDPI, Basel, Switzerland. This article is an open access article distributed under the terms and conditions of the Creative Commons Attribution (CC BY) license (https://creativecommons.org/licenses/by/4.0/).
Share and Cite
Zhang, S.; Yuan, H.; Xiao, D. A Study on Double Inputs Direct Contact and Single Output Capacitively Coupled Conductivity Detector. Sensors 2022, 22, 2729. https://doi.org/10.3390/s22072729
Zhang S, Yuan H, Xiao D. A Study on Double Inputs Direct Contact and Single Output Capacitively Coupled Conductivity Detector. Sensors. 2022; 22(7):2729. https://doi.org/10.3390/s22072729
Chicago/Turabian StyleZhang, Shuangfei, Hongyan Yuan, and Dan Xiao. 2022. "A Study on Double Inputs Direct Contact and Single Output Capacitively Coupled Conductivity Detector" Sensors 22, no. 7: 2729. https://doi.org/10.3390/s22072729
APA StyleZhang, S., Yuan, H., & Xiao, D. (2022). A Study on Double Inputs Direct Contact and Single Output Capacitively Coupled Conductivity Detector. Sensors, 22(7), 2729. https://doi.org/10.3390/s22072729
