Two-Channel Detecting Sensor with Signal Cross-Correlation for FTIR Instruments
Abstract
1. Introduction
- A two-channel detection module with cross-correlation can be used as an optical detection unit in an FTIR setup;
- The sensor with signal cross-correlation improves the signal-to-noise ratio of the FTIR spectrometer and is more effective than spectra averaging.
2. Materials and Methods
2.1. Experimental Design
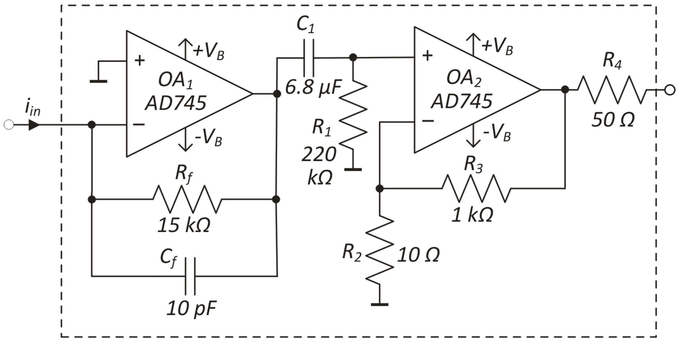
2.2. Sensor Design
2.3. Photodetectors
2.4. Read-Out Electronics
3. Experiment Results
3.1. FTIR Spectrometer with a Classical Detection Setup
3.2. FTIR Spectrometer with the Designed Sensor
3.3. Practical Validation of the Designed FTIR Setup
4. Conclusions
Author Contributions
Funding
Institutional Review Board Statement
Informed Consent Statement
Conflicts of Interest
References
- Kowalczuk, D.; Pitucha, M. Application of FTIR Method for the Assessment of Immobilisation of Active Substances in the Matrix of Biomedical Materials. Materials 2019, 12, 2972. [Google Scholar] [CrossRef] [PubMed]
- Rachah, A.; Reksen, O.; Tafintseva, V.; Stehr, F.J.M.; Rukke, E.-O.; Prestløkken, E.; Martin, A.; Kohler, A.; Afseth, N.K. Exploring Dry-Film FTIR Spectroscopy to Characterise Milk Composition and Subclinical Ketosis throughout a Cow’s Lactation. Foods 2021, 10, 2033. [Google Scholar] [CrossRef] [PubMed]
- Brusač, E.; Jeličić, M.-L.; Cvetnić, M.; Amidžić Klarić, D.; Nigović, B.; Mornar, A. A Comprehensive Approach to Compatibility Testing Using Chromatographic, Thermal and Spectroscopic Techniques: Evaluation of Potential for a Monolayer Fixed-Dose Combination of 6-Mercaptopurine and Folic Acid. Pharmaceuticals 2021, 14, 274. [Google Scholar] [CrossRef] [PubMed]
- Santos, D.I.; Neiva Correia, M.J.; Mateus, M.M.; Saraiva, J.A.; Vicente, A.A.; Moldão, M. Fourier Transform Infrared (FT-IR) Spectroscopy as a Possible Rapid Tool to Evaluate Abiotic Stress Effects on Pineapple By-Products. Appl. Sci. 2019, 9, 4141. [Google Scholar] [CrossRef]
- Fadlelmoula, A.; Pinho, D.; Carvalho, V.H.; Catarino, S.O.; Minas, G. Fourier Transform Infrared (FTIR) Spectroscopy to Analyse Human Blood over the Last 20 Years: A Review towards Lab-on-a-Chip Devices. Micromachines 2022, 13, 187. [Google Scholar] [CrossRef]
- Wojtas, J.; Szala, M. Thermally Enhanced FTIR Spectroscopy Applied to Study of Explosives Stability. Measurement 2021, 184, 110000. [Google Scholar] [CrossRef]
- Treffers, R.R. Signal-to-Noise Ratio in Fourier Spectroscopy. Appl. Opt. 1977, 16, 3103–3106. [Google Scholar] [CrossRef]
- Xia, X.-G. A Quantitative Analysis of SNR in the Short-Time Fourier Transform Domain for Multicomponent Signals. IEEE Trans. Signal Process. 1998, 46, 200–203. [Google Scholar] [CrossRef]
- Yu, H.-G.; Lee, J.-H.; Park, D.-J.; Nam, H.-W.; Park, B.-H. I confirm Algorithms in the FTIR Spectrometer. In Proceedings of the Algorithms and Technologies for Multispectral, Hyperspectral, and Ultraspectral Imagery XXIV, Orlando, FL, USA, 17–19 April 2018; Volume 10644, pp. 491–496. [Google Scholar]
- Griffiths, P.R. Fourier Transform Infrared Spectrometry. Science 1983, 222, 297–302. [Google Scholar] [CrossRef]
- Hirschfeld, T. Quantitative FT-IR: A Detailed Look at the Problems Involved. Fourier Transform. Infrared Spectrosc. 1979, 2, 193–241. [Google Scholar]
- Saptari, V. Fourier Transform Spectroscopy Instrumentation Engineering; SPIE Optical Engineering Press: Bellingham, WA, USA, 2003. [Google Scholar]
- Decoster, D.; Harari, J. Optoelectronic Sensors; John Wiley & Sons: Hoboken, NJ, USA, 2013. [Google Scholar]
- Biclecki, Z.; Kolosowski, W.; Sedek, E.; Borejko, M. Analysis of Signal-to-Noise Ratio in Optical Receivers. In Proceedings of the 6th International Conference on Telecommunications in Modern Satellite, Cable and Broadcasting Service, Nis, Yugoslavia, 1–3 October 2003; IEEE: Manhattan, NY, USA, 2003; Volume 1, pp. 71–74, TELSIKS 2003. [Google Scholar]
- Achtenberg, K.; Mikołajczyk, J.; Ciofi, C.; Scandurra, G.; Michalczewski, K.; Bielecki, Z. Low-Frequency Noise Measurements of IR Photodetectors with Voltage Cross Correlation System. Measurement 2021, 183, 109867. [Google Scholar] [CrossRef]
- Scandurra, G.; Achtenberg, K.; Bielecki, Z.; Mikołajczyk, J.; Ciofi, C. On the Use of Supercapacitors for DC Blocking in Transformer-Coupled Voltage Amplifiers for Low-Frequency Noise Measurements. Electronics 2022, 11, 2011. [Google Scholar] [CrossRef]
- Achtenberg, K.; Mikołajczyk, J.; Bielecki, Z. Application of Cross-Correlation-Based Transimpedance Amplifier in InAs and InAsSb IR Detectors Noise Measurements. Opto-Electron. Rev. 2022, 30, e141126. [Google Scholar]
- Achtenberg, K.; Mikołajczyk, J.; Ciofi, C.; Scandurra, G.; Bielecki, Z. Transformer-Based Low Frequency Noise Measurement System for the Investigation of Infrared Detectors’ Noise. Measurement 2022, 190, 110657. [Google Scholar] [CrossRef]
- Kempfert, K.D.; Jiang, E.Y.; Oas, S.; Coffin, J. Detectors for Fourier Transform Spectroscopy. AN-00125; Thermo Nicolet Spectroscopy: Madison, WI, USA, 2001; Available online: https://mmrc.caltech.edu/FTIR/Nicolet/Nicolet%20Tech%20Notes/DetectorsforFTIR1204.pdf (accessed on 15 November 2022).
- Lindon, J.C.; Ferrige, A.G. Digitisation and Data Processing in Fourier Transform NMR. Prog. Nucl. Magn. Reson. Spectrosc. 1980, 14, 27–66. [Google Scholar] [CrossRef]
- Kang, Y. Analysis of Sampling Error in FTIR; Tan, H., Ed.; SPIE: Bellingham, WA, USA, 2013; pp. 122–127. [Google Scholar]
- Min, X.; Liu, R.; Hu, Y.; Fu, B.; Xu, K. Double-Beam near-Infrared Spectroscopy to Correct Light Source Drift in Aqueous Glucose Solution Experiments. Anal. Methods 2014, 6, 9831–9840. [Google Scholar] [CrossRef]
- Kuehl, D.; Griffiths, P.R. Dual-Beam Fourier Transform Infrared Spectrometer. Anal. Chem. 1978, 50, 418–422. [Google Scholar] [CrossRef]
- Anderson, V.E.; Fox, N.P.; Nettleton, D.H. Highly Stable, Monochromatic and Tunable Optical Radiation Source and Its Application to High Accuracy Spectrophotometry. Appl. Opt. 1992, 31, 536–545. [Google Scholar] [CrossRef]
- Jensen, P.S.; Bak, J.; Andersen, P.E.; Andersson-Engels, S. Fourier Transform Infrared Spectroscopy of Aqueous Solutions Using Optical Substraction. In Optical Diagnostics and Sensing of Biological Fluids and Glucose and Cholesterol Monitoring II; Priezzhev, A.V., Cote, G.L., Eds.; SPIE: Bellingham, WA, USA, 2002; pp. 150–159. [Google Scholar]
- SQUID, D.C. Noise Reduction by Parallel Cross-Correlation Measurements; Zurich Instruments AG: Zurich, Switzerland, 2020; Available online: https://www.zhinst.com/sites/default/files/zi_appnote_mfli_cross_correlation.pdf (accessed on 15 November 2022).
- Rubiola, E.; Vernotte, F. The Cross-Spectrum Experimental Method. arXiv 2010, arXiv:1003.0113. [Google Scholar]
- Sampietro, M.; Fasoli, L.; Ferrari, G. Spectrum Analyzer with Noise Reduction by Cross-Correlation Technique on Two Channels. Rev. Sci. Instrum. 1999, 70, 2520–2525. [Google Scholar] [CrossRef]
- Venables, W.N.; Ripley, B.D. Modern Applied Statistics with S-PLUS; Statistics and Computing; Springer: New York, NY, USA, 2002; ISBN 978-1-4419-3008-8. [Google Scholar]
- Giechaskiel, B.; Clairotte, M. Fourier Transform Infrared (FTIR) Spectroscopy for Measurements of Vehicle Exhaust Emissions: A Review. Appl. Sci. 2021, 11, 7416. [Google Scholar] [CrossRef]
- Lowry, S.; McCarthy, B.; Hyatt, J. Verification of Wavelength Accuracy in an FT-NIR Spectrometer. Sci. Appl. Note 2000, 54, 50772. [Google Scholar]
- Bielecki, Z. Some Problems with Optimization of Signal-to-Noise Ratio in Infrared Radiation Receivers. In Photonics Applications in Astronomy, Communications, Industry, and High-Energy Physics Experiments; Romaniuk, R.S., Pozniak, K.T., Eds.; SPIE: Bellingham, WA, USA, 2003; pp. 238–245. [Google Scholar]
- Bielecki, Z. Maximisation of Signal-to-Noise Ratio in Infrared Radiation Receivers. Opto-Electron. Rev. 2002, 10, 209–216. [Google Scholar]
- Rogalski, A. HgCdTe Infrared Detector Material: History, Status and Outlook. Rep. Prog. Phys. 2005, 68, 2267–2336. [Google Scholar] [CrossRef]
- Reine, M.B. Photovoltaic Detectors in MCT. In Infrared Detectors and Emitters: Materials and Devices; Springer: Boston, MA, USA, 2001; pp. 313–376. [Google Scholar]
- FTIR/FTNIR MODULE INTERSPEC 402-X. Available online: https://interspectrum.ee/ftir-module/ftirftnir-module-interspec-402-x/ (accessed on 15 November 2022).
- Semiconductor, D. Digitally-Controlled Phase Shift Using the DS1669. Available online: https://pdfserv.maximintegrated.com/en/an/AN184.pdf (accessed on 10 November 2022).










Publisher’s Note: MDPI stays neutral with regard to jurisdictional claims in published maps and institutional affiliations. |
© 2022 by the authors. Licensee MDPI, Basel, Switzerland. This article is an open access article distributed under the terms and conditions of the Creative Commons Attribution (CC BY) license (https://creativecommons.org/licenses/by/4.0/).
Share and Cite
Achtenberg, K.; Mikołajczyk, J.; Bielecki, Z. Two-Channel Detecting Sensor with Signal Cross-Correlation for FTIR Instruments. Sensors 2022, 22, 8919. https://doi.org/10.3390/s22228919
Achtenberg K, Mikołajczyk J, Bielecki Z. Two-Channel Detecting Sensor with Signal Cross-Correlation for FTIR Instruments. Sensors. 2022; 22(22):8919. https://doi.org/10.3390/s22228919
Chicago/Turabian StyleAchtenberg, Krzysztof, Janusz Mikołajczyk, and Zbigniew Bielecki. 2022. "Two-Channel Detecting Sensor with Signal Cross-Correlation for FTIR Instruments" Sensors 22, no. 22: 8919. https://doi.org/10.3390/s22228919
APA StyleAchtenberg, K., Mikołajczyk, J., & Bielecki, Z. (2022). Two-Channel Detecting Sensor with Signal Cross-Correlation for FTIR Instruments. Sensors, 22(22), 8919. https://doi.org/10.3390/s22228919

