Method to Develop Legs for Underwater Robots: From Multibody Dynamics with Experimental Data to Mechatronic Implementation
Abstract
1. Introduction
2. Robot Parameters
2.1. Mechanical Characteristics
2.2. Inverse Kinematics of 5R Leg Mechanism
3. Seabed Model
3.1. Dynamic Seabed Model: Mass–Spring–Damper–Friction
- m = soil mass [Kg];
- u = displacement [m];
- k = contact stiffness coefficient [N/m];
- c = damping coefficient [Ns/m];
- = friction coefficient (i = s static, i = d dynamic, as appropriate);
- F = applied force [N];
- N = normal force [N].
3.2. Contact Force Parameters
4. Prototype Design
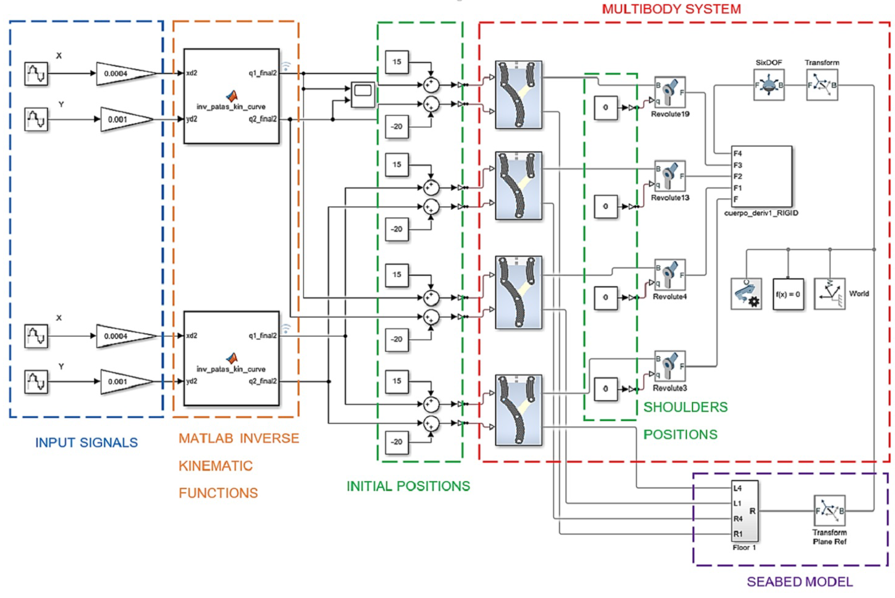
4.1. Quadrupedal Gait Simulation
4.2. Gait Simulation Results
4.2.1. Angular Position and Velocity
4.2.2. Torque
4.3. Gearbox
4.4. Leg Prototype
4.5. Hardware and Software Architecture
4.6. Low-Level Control of the Motor
5. Results
6. Discussion
6.1. Gait Simulation
6.2. Angular Position Control of Motors
6.3. Velocity Control of Motors
7. Conclusions and Future Works
Supplementary Materials
Author Contributions
Funding
Institutional Review Board Statement
Informed Consent Statement
Data Availability Statement
Conflicts of Interest
References
- Bellingham, J. Encyclopedia of Ocean Sciences:Autonomous Underwater Vehicles (auvs). 2001. Available online: https://www.sciencedirect.com/science/article/pii/B012227430X003032 (accessed on 30 June 2022).
- Christ, R.; Wernli, R. The ROV Manual: A User Guide for Remotely Operated Vehicles, 2nd ed.; Butterworth-Heinemann: Oxford, UK, 2013; pp. 1–679. Available online: https://books.google.es/books/about/The_ROV_Manual.html?id=zFWKtwAACAAJ&redir_esc=y (accessed on 30 June 2022).
- Jun, B.H.; Shim, H.; Kim, B.; Park, J.Y.; Baek, H.; Lee, P.M.; Kim, W.J.; Park, Y.S. Preliminary design of the multi-legged underwater walking robot CR200. In Proceedings of the 2012 Oceans, Yeosu, Korea, 11 August 2012; pp. 1–4. [Google Scholar] [CrossRef]
- Picardi, G.; Chellapurath, M.; Iacoponi, S.; Stefanni, S.; Laschi, C.; Calisti, M. Bioinspired underwater legged robot for seabed exploration with low environmental disturbance. Sci. Robot. 2020, 5, eaaz1012. [Google Scholar] [CrossRef] [PubMed]
- Liu, W.; Zheng, H.; Gao, L.; Li, L.; Li, Z. Motion Simulation of Underwater Hexapod Robot Based on Adams. In Proceedings of the 2018 Oceans-MTS/IEEE Kobe Techno-Oceans (OTO), Kobe, Japan, 28–31 May 2018; pp. 1–5. [Google Scholar] [CrossRef]
- Wang, Z. Model and Simulate an Underwater Hexapod Based on Isolated Body Method. In Proceedings of the Recent Research on Mechanical Engineering, Mechatronics and Automation. In Applied Mechanics and Materials; Trans Tech Publications Ltd.: Stafa-Zurich, Switzerland; 2014; Volume 574, pp. 197–208. [Google Scholar] [CrossRef]
- Wang, G.; Wang, K.; Ding, L.; Gao, H.; Yu, H.; Deng, Z. Analysis of Joint Torque under Single Movement Cycle of Underwater Legged Robot. In Proceedings of the 2019 IEEE 4th International Conference on Advanced Robotics and Mechatronics (ICARM), Toyonaka, Japan, 3–5 July 2019; pp. 773–779. [Google Scholar] [CrossRef]
- Katz, B.; Carlo, J.D.; Kim, S. Mini Cheetah: A Platform for Pushing the Limits of Dynamic Quadruped Control. In Proceedings of the 2019 International Conference on Robotics and Automation (ICRA), Montreal, QC, Canada, 20–24 May 2019; pp. 6295–6301, ISSN 2577-087X. [Google Scholar] [CrossRef]
- Hutter, M.; Gehring, C.; Lauber, A.; Gunther, F.; Bellicoso, C.D.; Tsounis, V.; Fankhauser, P.; Diethelm, R.; Bachmann, S.; Bloesch, M.; et al. ANYmal—Toward legged robots for harsh environments. Adv. Robot. 2017, 31, 918–931. [Google Scholar] [CrossRef]
- U.S. Department of Commerce-NOAA. How Does Pressure Change with Ocean Depth? 2001. Available online: https://oceanservice.noaa.gov/facts/pressure.html (accessed on 30 June 2022).
- Fossen, T. Handbook of Marine Craft Hydrodynamics and Motion Control; John Wiley & Sons: Hoboken, NJ, USA, 2011; p. 138. [Google Scholar] [CrossRef]
- Xu, K.; Liu, H. Design of a Flexure-Jointed Linkage in a Quadruped Walking Robot. IEEE/ASME Trans. Mechatron. 2022, 27, 4022–4032. [Google Scholar] [CrossRef]
- Siciliano, B. Kinematic control of redundant robot manipulators: A tutorial. J. Intell. Robot. Syst. 1990, 3, 201–212. [Google Scholar] [CrossRef]
- Larochelle, P.; Venkataramanujam, V. A New Concept for Reconfigurable Planar Motion Generators. In ASME International Mechanical Engineering Congress and Exposition; American Society of Mechanical Engineers Digital Collection: New York, NY, USA, 2013. [Google Scholar] [CrossRef]
- Le, T.D.; Kang, H.J.; Doan, Q.V. A method for optimal kinematic design of five-bar planar parallel manipulators. In Proceedings of the 2013 International Conference on Control, Automation and Information Sciences (ICCAIS), Nha Trang, Vietnam, 25–28 November 2013; pp. 7–11. [Google Scholar] [CrossRef]
- Yime Rodríguez, E.; Roldán Mckinley, J.; Villa Ramírez, J. Computed torque control of a 2-RR planar parallel robot. Prospectiva 2017, 15, 85–95. [Google Scholar] [CrossRef][Green Version]
- Campos, L.; Bourbonnais, F.; Bonev, I.A.; Bigras, P. Development of a Five-Bar Parallel Robot with Large Workspace. In International Design Engineering Technical Conferences and Computers and Information in Engineering Conference; American Society of Mechanical Engineers Digital Collection: New York, NY, USA, 2010; pp. 917–922. [Google Scholar] [CrossRef]
- Miller, S. Simscape Multibody Contact Forces Library. 2022. Available online: https://es.mathworks.com/matlabcentral/fileexchange/47417-simscape-multibody-contact-forces-library (accessed on 30 June 2022).
- Inderbitzen, A.L. Deep-Sea Sediments; Springer: Boston, MA, USA, 1974. [Google Scholar] [CrossRef]
- Howell, L.L. Compliant Mechanisms. In 21st Century Kinematics; McCarthy, J.M., Ed.; Springer: London, UK, 2013; pp. 189–216. Available online: https://link.springer.com/chapter/10.1007/978-1-4471-4510-3_7#citeas (accessed on 30 June 2022).
- Cook, A.E.; Sawyer, D.E. The mud-sand crossover on marine seismic data. Soc. Explor. Geophys. 2015, 80, A109–A114. [Google Scholar] [CrossRef]
- Azcona, J.; Munduate, X.; González, L.; Nygaard, T.A. Experimental validation of a dynamic mooring lines code with tension and motion measurements of a submerged chain. Ocean Eng. 2017, 129, 415–427. [Google Scholar] [CrossRef]
- Raikar, P. Modelling Soil Damping for Suction Pile Foundations. Master’s Thesis, Delft University of Technology, Delft, The Netherlands, 2016; p. 70. Available online: https://www.semanticscholar.org/paper/Modelling-Soil-Damping-for-Suction-Pile-Foundations-Raikar/f8fb7dfc8a9c299962679ec21af9f7a44c99745b (accessed on 30 June 2022).
- DNV-RP-H103. Modelling and Analysis of Marine Operations. 2011, p. 120. Available online: https://home.hvl.no/ansatte/tct/FTP/H2021%20Marinteknisk%20Analyse/Regelverk%20og%20standarder/DnV_documents/RP-H103.pdf (accessed on 30 June 2022).
- Mathworks, S. How to Configure Belt Drive Block for Hardware-in-the-Loop Simulation? 2015. Available online: https://es.mathworks.com/matlabcentral/answers/250602-how-to-configure-belt-drive-block-for-hardware-in-the-loop-simulation?s_tid=srchtitle_velocity%20threshold%20is%200.001m%252Fs%20_7 (accessed on 30 June 2022).
- Ottaviano, E.; Thomas, F.; Pérez Gracia, A. Computational Kinematics. In Mechanisms and Machine Science, Proceedings of the 6th International Workshop on Computational Kinematics (CK2013), Barcelona, Spain, 12–15 May 2013; Springer: Cham, Switzerland, 2014; pp. 387–394. Available online: http://link.springer.com/10.1007/978-94-007-7214-4 (accessed on 30 June 2022).
- Di Gregorio, R. A novel method for the singularity analysis of planar mechanisms with more than one degree of freedom. Mech. Mach. Theory 2009, 44, 83–102. [Google Scholar] [CrossRef]
- Merlet, J.P.; Gosselin, C.M.; Nicolas, M. Workspaces of planar parallel manipulators. Mech. Mach. Theory 1998, 33, 7–20. [Google Scholar] [CrossRef]
- Catavitello, G.; Ivanenko, Y.P.; Lacquaniti, F. Planar Covariation of Hindlimb and Forelimb Elevation Angles during Terrestrial and Aquatic Locomotion of Dogs. PLoS ONE 2015, 10, e0133936. [Google Scholar] [CrossRef] [PubMed]
- Bluerobotics, T.M. T200 Thruster. 2022. Available online: https://mtrobotics.ca/products/t200-thruster (accessed on 30 June 2022).
- Zhang, C.; Lan, B.; Matsuura, D.; Takeda Yukio, E.A. Kinematic design of a footplate drive mechanism using a 3-DOF parallel mechanism for walking rehabilitation device. J. Adv. Mech. Des. Syst. Manuf. 2018, 12, JAMDSM0017. [Google Scholar] [CrossRef]
- RMB20 Rotary Magnetic Encoder Module with AM4096 Chip. 2022, p. 4. Available online: https://www.rls.si/eng/fileuploader/download/download/?d=1&file=custom%2Fupload%2FRMB20D01_17EN_data_sheet.pdf (accessed on 30 June 2022).
- Hao, C.; Ding, X. Kinematics analysis of a quadruped robot with variable structure. Chin. J. Eng. 2012, 34, 53. [Google Scholar] [CrossRef]




















| Soil | Vmax–Vmin (m/s) | tmax–tmin (s) | Depth (m) |
|---|---|---|---|
| Firm mud | 1.5 |
| Coefficient | Firm Mud |
|---|---|
| Contact stiffness k (N/m) | 0.62 |
| Contact damping c (Ns/m) | |
| Dynamic friction () | 0.62 |
| Static friction () | 1.01 |
| Parameters | X Coordinate | Y Coordinate |
|---|---|---|
| Amplitude (m) | m | |
| Bias (m) | m | m |
| Frequency (rad/s) | 4 | 4 |
| Phase (rad) | pi/2 | 0 |
| Sample time (s) | 0.008 | 0.008 |
| PWM (s) | rpm | Current (A) | Voltage (V) | Power (W) | Force (kgf) | Effic. (g/W) |
|---|---|---|---|---|---|---|
| 1420 | 1120 | 0.5 | 20 | 10 | −0.39 | 38.6 |
| 1500 | 0 | 0 | 20 | 0.0 | 0.00 | 0.0 |
| 1580 | 1090 | 0.5 | 20 | 10.0 | 0.47 | 46.7 |
| Parameter | Crown | Sprocket |
|---|---|---|
| Pitch diameter Pd (mm) | 72 | 24 |
| Whole depth h (mm) | 7.58 | 9.2 |
| No. teeth Z | 36 | 12 |
| Thickness e (mm) | 5 | 5 |
| Parameter | Amplitude (s) | Bias (s) | Frequency (rad/s) | Phase (rad) |
|---|---|---|---|---|
| PWM | 4729.752 | 1500 | 0.374 | 0 |
| PWM | 1034.004 | 1500 | 0.374 | pi/2 |
Publisher’s Note: MDPI stays neutral with regard to jurisdictional claims in published maps and institutional affiliations. |
© 2022 by the authors. Licensee MDPI, Basel, Switzerland. This article is an open access article distributed under the terms and conditions of the Creative Commons Attribution (CC BY) license (https://creativecommons.org/licenses/by/4.0/).
Share and Cite
Pérez Bayas, M.Á.; Cely, J.; Sintov, A.; García Cena, C.E.; Saltaren, R. Method to Develop Legs for Underwater Robots: From Multibody Dynamics with Experimental Data to Mechatronic Implementation. Sensors 2022, 22, 8462. https://doi.org/10.3390/s22218462
Pérez Bayas MÁ, Cely J, Sintov A, García Cena CE, Saltaren R. Method to Develop Legs for Underwater Robots: From Multibody Dynamics with Experimental Data to Mechatronic Implementation. Sensors. 2022; 22(21):8462. https://doi.org/10.3390/s22218462
Chicago/Turabian StylePérez Bayas, Miguel Ángel, Juan Cely, Avishai Sintov, Cecilia E. García Cena, and Roque Saltaren. 2022. "Method to Develop Legs for Underwater Robots: From Multibody Dynamics with Experimental Data to Mechatronic Implementation" Sensors 22, no. 21: 8462. https://doi.org/10.3390/s22218462
APA StylePérez Bayas, M. Á., Cely, J., Sintov, A., García Cena, C. E., & Saltaren, R. (2022). Method to Develop Legs for Underwater Robots: From Multibody Dynamics with Experimental Data to Mechatronic Implementation. Sensors, 22(21), 8462. https://doi.org/10.3390/s22218462

