Transient Thermal Analysis Model of Damaged Bearing Considering Thermo-Solid Coupling Effect
Abstract
1. Introduction
2. Dynamic Analysis of Damaged Bearings under the Influence of Thermal Expansion
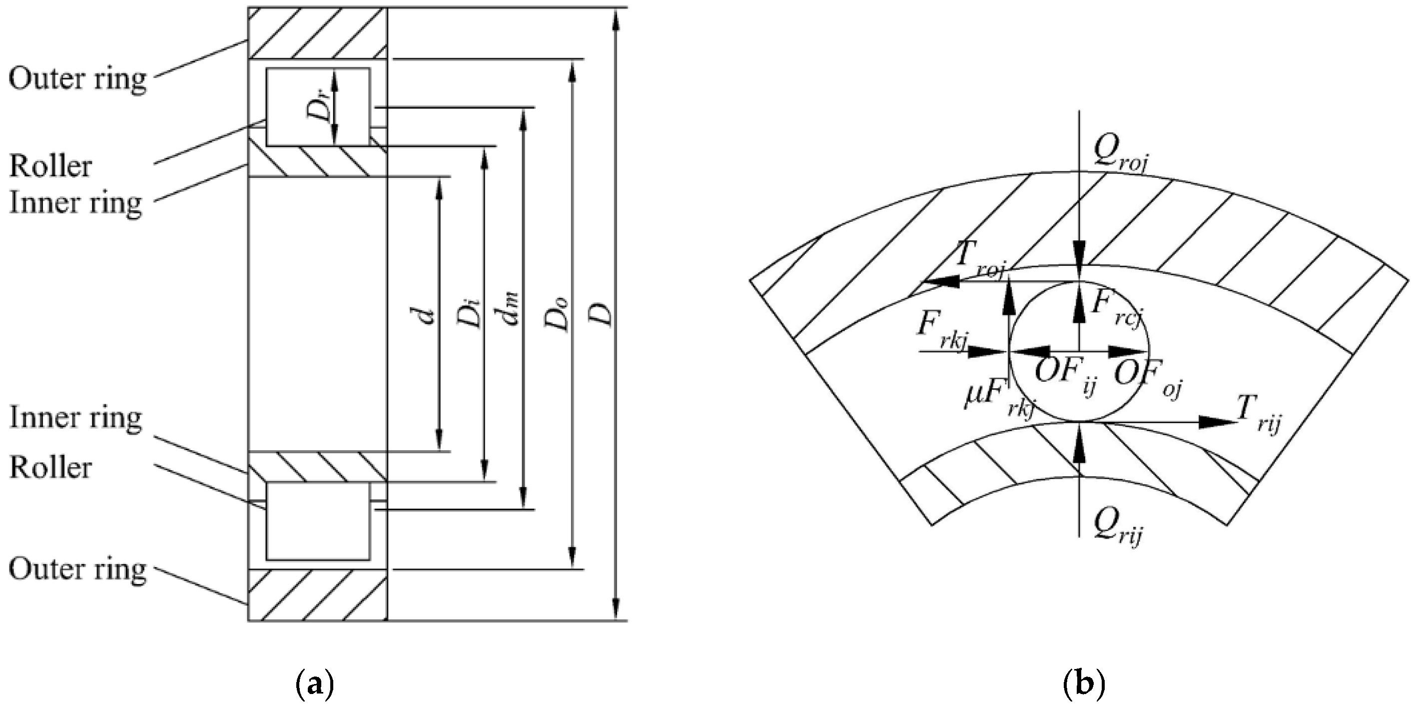
2.1. Analysis of Bearing Motion and Dynamics
2.2. The Analysis of Contact Load Distribution of Faulty Bearings
3. Heat Generation and Transfer at Key Positions of Bearing
3.1. Heat Generation in Bearing System
3.2. Heat Transfer in Bearing System
3.2.1. The Conduction Thermal Resistance
3.2.2. The Thermal Convection Resistance
4. Node Division and Calculation Process of the Model
4.1. Network Note Division
4.2. Transient Temperature Calculation Process of the Faulty Bearing
5. Model Validation and Analysis
5.1. The Influence of the Rotational Velocity on Temperature
5.2. The Influence of the Load on Temperature
6. Conclusions
Author Contributions
Funding
Institutional Review Board Statement
Informed Consent Statement
Data Availability Statement
Acknowledgments
Conflicts of Interest
References
- Wang, B.; Liu, Y.; Huai, W. Analysis of the Temperature Characteristics of High-speed Train Bearings Based on a Dynamics Model and Thermal Network Method. Chin. J. Mech. Eng. 2022, 35, 1–13. [Google Scholar] [CrossRef]
- Jang, G.; Cho, S. Feature Space Transformation for Fault Diagnosis of Rotating Machinery under Different Working Conditions. Sensors 2021, 21, 1417. [Google Scholar] [CrossRef] [PubMed]
- Kumar, R.; Ghosh, S.K.; Azam, M.S.; Khan, H. Numerical Simulation of Rough Thrust Pad Bearing Under Thin-Film Lubrication Using Variable Mesh Density. Trans. Mech. Eng. 2018, 44, 443–464. [Google Scholar] [CrossRef]
- Wen, B.; Ren, H.; Dang, P.; Hao, X.; Han, Q. Measurement and calculation of oil film thickness in a ball bearing. Ind. Lubr. Tribol. 2018, 70, 1500–1508. [Google Scholar] [CrossRef]
- Zhang, Z.; Wang, Y.; Lin, J.; Wang, D. Study on Factors Influencing Film Formation of Grease and Calculation Model for Grease Film Thickness. Lubricants 2022, 10, 123. [Google Scholar] [CrossRef]
- Liu, Y.; Wang, B.; Zhang, B.; Yang, S. Establishment of Dynamic Model for Axle Box Bearing of High-Speed Trains Under Variable Speed Conditions. Chin. J. Mech. Eng. 2022, 35, 1–12. [Google Scholar] [CrossRef]
- Nakahara, T.; Yagi, K. Influence of temperature distributions in EHL film on its thickness under high slip ratio conditions. Tribol. Int. 2007, 40, 632–637. [Google Scholar] [CrossRef]
- Dowson, D.; Higginson, G.R. A Numerical Solution to the Elasto-Hydrodynamic Problem. J. Mech. Eng. Sci. 1959, 1, 6–15. [Google Scholar] [CrossRef]
- Khonsari, M.M.; Kumar, P. EHL Circular Contact Film Thickness Correction Factor for Shear-Thinning Fluids. J. Tribol. 2008, 130, 4. [Google Scholar]
- Forster, N.H.; Schrand, J.B.; Gupta, P.K. Viscoelastic Effects in MIL-L-7808-Type Lubricant, Part II: Experimental Data Correlations. Tribol. Trans. 2008, 35, 275–280. [Google Scholar] [CrossRef]
- Echávarri Otero, J.; Lafont Morgado, P.; Chacón Tanarro, E.; De la Guerra Ochoa, E.; Diaz Lantada, A.; Munoz-Guijosa, I.; Munoz Sanz, I. Analytical model for predicting the friction coefficient in point contacts with thermal elastohydrodynamic lubrication. Proc. Inst. Mech. Eng. Part J J. Eng. Tribol. 2011, 225, 181–191. [Google Scholar] [CrossRef]
- Liu, H.C.; Zhang, B.B.; Bader, N.; Bader, N.; Poll, G.; Venner, C.H. Influences of solid and lubricant thermal conductivity on traction in an EHL circular contact. Tribol. Int. 2020, 146, 106059. [Google Scholar] [CrossRef]
- Shirzadegan, M.; Björling, M.; Almqvist, A.; Larsson, R. Low degree of freedom approach for predicting friction in elastohydrodynamically lubricated contacts. Tribol. Int. 2016, 94, 560–570. [Google Scholar] [CrossRef]
- Wang, Y.; Cao, J.; Tong, Q.; An, G.; Liu, R.; Zhang, Y.; Yan, H. Study on the Thermal Performance and Temperature Distribution of Ball Bearings in the Traction Motor of a High-Speed EMU. Appl. Sci. 2020, 10, 4373. [Google Scholar] [CrossRef]
- Echávarri Otero, J.; Guerra Ochoa, E.; Chacón Tanarro, E.; Díaz Lantada, A.; Munoz-Guijosa, J. Analytical model for predicting friction in line contacts. Lubr. Sci. 2016, 28, 189–205. [Google Scholar] [CrossRef]
- Palmgren, A. Ball and Roller Bearing Engineering, 3rd ed.; SKF Industries Inc.: Philadelphia, PA, USA, 1959. [Google Scholar]
- Stein, J.L.; Tu, J.F. A State-Space Model for Monitoring Thermally Induced Preload in Anti-Friction Spindle Bearings of High-Speed Machine Tools. J. Dyn. Syst. Meas. Control. 1994, 116, 43–53. [Google Scholar] [CrossRef]
- Kim, K.; Lee, D.; Lee, S.; Lee, S.; Hwang, J. A numerical approach to determine the frictional torque and temperature of an angular contact ball bearing in a spindle system. Int. J. Precis. Eng. Manuf. 2015, 16, 135–142. [Google Scholar] [CrossRef]
- Gao, P.; Tang, W.; Cui, Y.; Wang, Y.; Mo, G.; Yin, J. Theoretical and Experimental Investigation on Thermal Characteristics of Railway Double-Row Tapered Roller Bearing. Energies 2022, 15, 12. [Google Scholar] [CrossRef]
- Zhou, X.; Zhang, H.; Hao, X.; Liao, X.; Han, Q. Investigation on thermal behavior and temperature distribution of bearing inner and outer rings. Tribol. Int. 2019, 130, 289–298. [Google Scholar] [CrossRef]
- Mohan, L.; Gedong, J.; Xuesong, M.; Chit, M.; Jun, Y. Micro-Contact EHL Friction and Heat Generation Analysis of High Speed Ball Bearings. Xi’an Jiaotong Univ. 2016, 50, 81–88. [Google Scholar]
- Ma, F.; Li, Z.; Wu, B.; An, Q. An accurate calculation method for heat generation rate in grease-lubricated spherical roller bearings. Proc. Inst. Mech. Eng. Part J J. Eng. Tribol. 2016, 230, 472–480. [Google Scholar] [CrossRef]
- Xu, M.; Jiang, S.; Cai, Y. An improved thermal model for machine tool bearings. Int. J. Mach. Tools Manuf. 2006, 47, 53–62. [Google Scholar]
- Ai, S.Y. Study on Temperature Distribution and Lubrication Performance of Rolling Bearings. Ph.D. Thesis, Beijing Institute of Technology, Beijing, China, 2015. [Google Scholar]
- Li, M.; Lu, F.; Bai, X.; Zhu, W.; Zhu, R. Heat-flow coupling variation in double-row tapered-roller bearings during the loss of lubrication process. Proc. Inst. Mech. Engineers. Part C J. Mech. Eng. Sci. 2022, 236, 7500–7510. [Google Scholar] [CrossRef]
- Zheng, D.; Chen, W. Thermal performances on angular contact ball bearing of high-speed spindle considering structural constraints under oil-air lubrication. Tribol. Int. 2017, 109, 593–601. [Google Scholar] [CrossRef]
- Fangbo, M.; Zhengmei, L.; Shengchang, Q.; Baojie, W.; Qi, A. Transient thermal analysis of grease-lubricated spherical roller bearings. Tribol. Int. 2016, 93, 115–123. [Google Scholar]
- Belmiloud, D.; Lachi, M.; Pron, H.; Bolaers, F.; Dron, J.; Chiementin, X.; Laggoun, A. Thermo-dynamical modelisation of the degradation of a ball bearing in variables use conditions. Mech. Ind. 2020, 21, 608–622. [Google Scholar] [CrossRef]
- Liu, Y.; Wang, B.; Yang, S.; Liao, Y.; Guo, T. Characteristic analysis of mechanical thermal coupling model for bearing rotor system of high-speed train. Appl. Math. Mech. 2022, 43, 1381–1398. [Google Scholar] [CrossRef]
- Ai, S.; Wang, W.; Wang, Y.; Zhao, Z. Temperature rise of double-row tapered roller bearings analyzed with the thermal network method. Tribol. Int. 2015, 87, 11–22. [Google Scholar] [CrossRef]
- Liu, Y.; Wang, B.; Yang, S. Nonlinear Dynamic Behaviors Analysis of the Bearing Rotor System with Outer Ring Faults in the High-speed Train. Chin. J. Mech. Eng. 2018, 54, 17–25. [Google Scholar] [CrossRef]
- Xu, H.; Xinxin, G.; Xianwen, Z.; Xin, L.; QingKa, H. Distribution characteristics of stress and displacement of rings of cylindrical roller bearing. Proc. Inst. Mech. Eng. Part C J. Mech. Eng. Sci. 2019, 233, 151–160. [Google Scholar]
- Pouly, F.; Changenet, C.; Ville, F.; Velex, P.; Damiens, B. Investigations on the power losses and thermal behaviour of rolling element bearings. Proc. Inst. Mech. Eng. Part J J. Eng. Tribol. 2010, 224, 925–933. [Google Scholar] [CrossRef]
- Lee, J.; Kim, D.; Lee, C. A study on the thermal characteristics and experiments of High-Speed spindle for machine tools. Int. J. Precis. Eng. Manuf. 2015, 16, 293–299. [Google Scholar] [CrossRef]











| Nobel Number | Description | Nobel Number | Description |
|---|---|---|---|
| 1 | Bearing housing | 7 | Inner ring |
| 2 | Contact of bearing housing and outer ring | 8 | Contact of inner ring and spindle |
| 3 | Outer ring | 9 | Spindle |
| 4 | Contact of outer ring and roller | 10 | Oil in bearing box |
| 5 | Roller | 11 | Air |
| 6 | Contact of roller and inner ring |
| Parameters | Value |
|---|---|
| exponent sign (noil) | 0.43 |
| shear modulus (Gr, Pa) | |
| thermal conductivity (Kw, W/m °C−1) | 0.132 |
| density (ρ, kg/m3) | 920 |
| Temperature (°C) | Kinematic Viscosity | Pressure–Viscosity Coefficient | Dynamic Viscosity |
|---|---|---|---|
| 0 | |||
| 10 | |||
| 20 | |||
| 30 | |||
| 40 | |||
| 50 | |||
| 60 | |||
| 70 | |||
| 80 | |||
| 90 |
| Parameters | Value |
|---|---|
| Outerdiameter (mm) | 52 |
| Inner diameter (mm) | 25 |
| Width (mm) | 15 |
| Roller diameter (mm) | 7.02 |
| Pitch diameter (mm) | 38.5 |
| Number of Rollers | 13 |
| Bearing clearance (mm) | 0.1 |
| Interference (mm) | 0.01 |
Publisher’s Note: MDPI stays neutral with regard to jurisdictional claims in published maps and institutional affiliations. |
© 2022 by the authors. Licensee MDPI, Basel, Switzerland. This article is an open access article distributed under the terms and conditions of the Creative Commons Attribution (CC BY) license (https://creativecommons.org/licenses/by/4.0/).
Share and Cite
Sun, Y.; Zhang, C.; Zhao, X.; Liu, X.; Lu, C.; Fei, J. Transient Thermal Analysis Model of Damaged Bearing Considering Thermo-Solid Coupling Effect. Sensors 2022, 22, 8171. https://doi.org/10.3390/s22218171
Sun Y, Zhang C, Zhao X, Liu X, Lu C, Fei J. Transient Thermal Analysis Model of Damaged Bearing Considering Thermo-Solid Coupling Effect. Sensors. 2022; 22(21):8171. https://doi.org/10.3390/s22218171
Chicago/Turabian StyleSun, Yali, Chong Zhang, Xing Zhao, Xiaodong Liu, Chang Lu, and Jiyou Fei. 2022. "Transient Thermal Analysis Model of Damaged Bearing Considering Thermo-Solid Coupling Effect" Sensors 22, no. 21: 8171. https://doi.org/10.3390/s22218171
APA StyleSun, Y., Zhang, C., Zhao, X., Liu, X., Lu, C., & Fei, J. (2022). Transient Thermal Analysis Model of Damaged Bearing Considering Thermo-Solid Coupling Effect. Sensors, 22(21), 8171. https://doi.org/10.3390/s22218171
