Radiofrequency Energy Harvesting Systems for Internet of Things Applications: A Comprehensive Overview of Design Issues
Abstract
1. Introduction
1.1. Design Considerations of the RF-EH-WS
1.2. Problematic and Contributions
- Define the features of the main components of an RF-EH-WS.
- Provide design considerations and efficiency analysis of RF/DC conversion systems.
- Compare the performance of different circuit topologies.
- Review the leading solutions for the MEB-WS.
- Remind readers of the theoretical foundation through design equations.
- Define future research for the RF-EH-WS.
2. Comparison with Related Reviews
3. Rectenna Feeding Techniques (RFT)
3.1. Ambient RF Energy Harvesting (A-RF-EH)
3.2. Wireless Power Transfer (WPT)
3.3. Harvestable Power in Wireless Information and Power Transfer (WIPT) Techniques
- In the wireless powered communications network (WPCN), shown in Figure 3a, the WSs harvest RF energy, then use that energy to actively transmit data.
- In simultaneous wireless information and power transfer (SWIPT), shown in Figure 3b, energy and information are simultaneously transferred from one or more BS to one or more WSs. The WS can then choose to decode information or harvest energy sent from the power transmitter by switching between the decoding and harvesting modules to achieve high efficiency of energy-information transmission.
- In wirelessly powered backscatter communications (WPBC), shown in Figure 3c, a backscatter device modulates and reflects an RF signal instead of generating a new signal; the backscattered power is intended to supply the reader.
3.3.1. Harvestable Power in Simultaneous Wireless Information and Power Transfer (SWIPT)
- Time switching implementation
- 2.
- Power splitting
- 3.
- Antenna Switching
- 4.
- Spatial Switching
3.3.2. Harvestable Power in Wirelessly Powered Backscatter Communications (WPBC)
- In the monostatic systems shown in Figure 5a, the original signal comes from the backscatter receiver. The transmitted signal contains both energy and information. The backscatter transmitter radiates some of the energy to power the receiver. It is this technique that is used in RFID systems.
- In the bistatic systems shown in Figure 5b, the original signal transmitter differs from the backscatter receiver. The latter receives its energy from a dedicated source and the backscattered signal.
- In ambient backscatter in Figure 5c, the original signal comes from the ambient energy available due to the operation of telecommunications devices (digital TV, Wi-Fi, etc.). This energy is used to power both the backscattered transmitter and backscattered receiver. The backscattered energy thus makes it possible to increase the energy autonomy of the backscatter receiver
- 5.
- Rectenna Design Issues
4. Rectenna Design Issues
4.1. The Receiving Antenna
4.1.1. Main Features of the Receiving Antenna
- Receiving antenna operating frequency
- 2.
- Receiving antenna gain
- 3.
- Receiving antenna radiation pattern
- 4.
- Receiving antenna polarization
- 5.
- Receiving antenna bandwidth and size
4.1.2. Leading Solutions Commonly Used to Achieve Usable Power Levels
- Multi-band antenna
- 2.
- Reconfigurable antenna
- 3.
- Array antennas
4.2. The RF/DC Converter
4.2.1. Main features of Schottky Diodes for RF Energy Harvesting
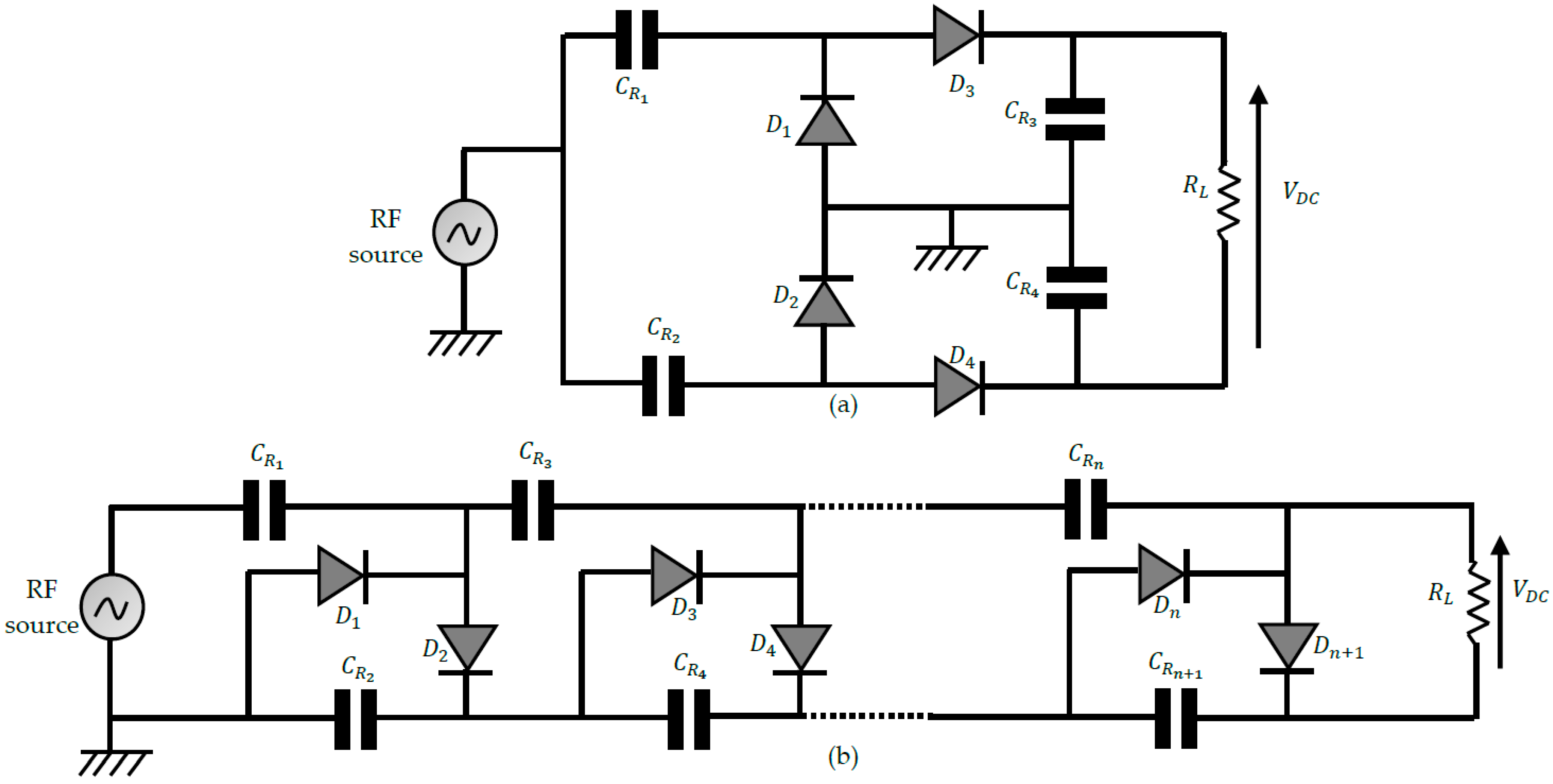
4.2.2. Main Rectifier Topologies
- Half-wave rectifiers
- 2.
- Full-wave rectifier topologies
- 3.
- Multistage voltage doublers (MSVD) rectifiers
4.3. The Matching Filter
4.3.1. General Principle and Main Features
4.3.2. Main Impedance Matching Techniques
4.4. DC/DC Converter
4.4.1. Brief Description
4.4.2. Main Features and Techniques for Optimizing DC/DC Conversion Efficiency
4.5. Storage Element
5. Minimization of the Energy Budget of the WS (MEB-WS)
5.1. Choice of Hardware Components for Minimizing Ws Energy Consumption
5.2. Influence of the Network Topology on WS’s Energy Consumption
5.3. The Main Communication Protocols in RF-EH-WSs
5.3.1. Main MAC Protocols Dedicated to RF-EH-WSs
- An On-Demand MAC (ODMAC) protocol
- 2.
- A poll-based Medium Access Mechanism (P-MAC)
- 3.
- Energy Adaptive MAC (EA-MAC) protocol
- 4.
- RF-MAC protocol
5.3.2. LPWAN Protocols for RF-EH-WS
6. Efficient Management of Harvested Energy: The Power Management Module
6.1. Transmission Completion Time Minimization (TCTM) Problem
6.2. Short-Term Throughput Maximization (STTM) Problem
7. Summary of the Main Results of This Review, Challenges, and Suggestions for Future Research
7.1. In the Rectenna Feeding Techniques Field
7.2. In the Rectenna Design Field
- Considering the design equations of a patch antenna or DRA antenna, nonlinear optimization techniques could be used to size the antenna for miniature rectenna applications. The objective function could be the antenna size, and constraints would be set on a minimum gain to be achieved.
- For multi sources-harvesting or multi-band harvesting, smart antennas for the design of rectennas, such as switched beam antennas, can be considered [111]. In this regard, it would be helpful to propose an analytical study to justify the need for these antennas by quantifying the power consumed to make the antenna wise.
- Regarding the RF signal rectification, with the voltage doubler (the most efficient rectifier), it would be necessary to derive the equations that make it possible to analyze the different circuit losses (as a function of the electrical elements of the used diode) in this configuration. This would make it possible to propose new rectifying diodes that would be more efficient for the RF-EH process.
7.3. In the MEB-WS Field
7.4. In the RF-EH-WS Field (PMM)
8. Conclusions
Funding
Institutional Review Board Statement
Informed Consent Statement
Data Availability Statement
Acknowledgments
Conflicts of Interest
References
- Zhao, J.; Li, D.; Pu, J.; Meng, Y.; Sbeih, A.; Hamad, A.A. Human-computer interaction for augmentative communication using a visual feedback system. Comput. Electr. Eng. 2022, 100, 107874. [Google Scholar] [CrossRef]
- Mouapi, A.; Mrad, H.; Parsad, A. Implementation of a reliability test protocol for a multimeasurement sensor dedicated to industrial applications of the Internet of things. Measurement 2020, 152, 107312. [Google Scholar] [CrossRef]
- Asghari, P.; Rahmani, A.M.; Javadi, H.H.S. Internet of Things applications: A systematic review. Comput. Netw. 2019, 148, 241–261. [Google Scholar] [CrossRef]
- Kabalci, Y.; Kabalci, E.; Padmanaban, S.; Holm-Nielsen, J.B.; Blaabjerg, F. Internet of things applications as energy internet in smart grids and smart environments. Electronics 2019, 8, 972. [Google Scholar] [CrossRef]
- Dong, M.J.; Yung, K.G.; Kaiser, W.J. Low power signal processing architectures for network microsensors. In Proceedings of the 1997 IEEE International Symposium on Low Power Electronics and Design, Monterey, CA, USA, 18–20 August 1997; pp. 173–177. [Google Scholar]
- Han, B.; Ran, F.; Li, J.; Yan, L.; Shen, H.; Li, A. A Novel Adaptive Cluster Based Routing Protocol for Energy-Harvesting Wireless Sensor Networks. Sensors 2022, 22, 1564. [Google Scholar] [CrossRef]
- Gungor, V.C.; Hancke, G.P. Industrial wireless sensor networks: Challenges, design principles, and technical approaches. IEEE Trans. Ind. Electron. 2009, 56, 4258–4265. [Google Scholar] [CrossRef]
- Clerckx, B.; Zhang, R.; Schober, R.; Ng, D.W.K.; Kim, D.I.; Poor, H.V. Fundamentals of wireless information and power transfer: From RF energy harvester models to signal and system designs. IEEE J. Sel. Areas Commun. 2018, 37, 4–33. [Google Scholar] [CrossRef]
- Ibrahim, H.H.; Singh, M.J.; Al-Bawri, S.S.; Ibrahim, S.K.; Islam, M.T.; Alzamil, A.; Islam, M.S. Radio Frequency Energy Harvesting Technologies: A Comprehensive Review on Designing, Methodologies, and Potential Applications. Sensors 2022, 22, 4144. [Google Scholar] [CrossRef]
- Yang, J.; Ulukus, S. Transmission completion time minimization in an energy harvesting system. In Proceedings of the 2010 IEEE 44th Annual Conference on Information Sciences and Systems (CISS), Princeton, NJ, USA, 17–19 March 2010; pp. 1–6. [Google Scholar]
- Guo, C.; Sheng, M.; Wang, X.; Zhang, Y. Throughput maximization with short-term and long-term Jain’s index constraints in downlink OFDMA systems. IEEE Trans. Commun. 2014, 62, 1503–1517. [Google Scholar] [CrossRef]
- Cansiz, M.; Altinel, D.; Kurt, G.K. Efficiency in RF energy harvesting systems: A comprehensive review. Energy 2019, 174, 292–309. [Google Scholar] [CrossRef]
- Divakaran, S.K.; Krishna, D.D. RF energy harvesting systems: An overview and design issues. Int. J. RF Microw. Comput. Aided Eng. 2019, 29, e21633. [Google Scholar] [CrossRef]
- Kansal, A.; Hsu, J.; Zahedi, S.; Srivastava, M.B. Power management in energy harvesting sensor networks. ACM Trans. Embed. Comput. Syst. (TECS) 2007, 6, 32-es. [Google Scholar] [CrossRef]
- Sudevalayam, S.; Kulkarni, P. Energy harvesting sensor nodes: Survey and implications. IEEE Commun. Surv. Tutor. 2010, 13, 443–461. [Google Scholar] [CrossRef]
- Bougas, I.D.; Papadopoulou, M.S.; Boursianis, A.D.; Kokkinidis, K.; Goudos, S.K. State-of-the-Art Techniques in RF Energy Harvesting Circuits. Telecom 2021, 2, 369–389. [Google Scholar] [CrossRef]
- Soyata, T.; Copeland, L.; Heinzelman, W. RF energy harvesting for embedded systems: A survey of tradeoffs and methodology. IEEE Circuits Syst. Mag. 2016, 16, 22–57. [Google Scholar] [CrossRef]
- Lu, X.; Wang, P.; Niyato, D.; Kim, D.I.; Han, Z. Wireless networks with RF energy harvesting: A contemporary survey. IEEE Commun. Surv. Tutor. 2014, 17, 757–789. [Google Scholar] [CrossRef]
- Ku, M.-L.; Li, W.; Chen, Y.; Liu, K.R. Advances in energy harvesting communications: Past, present, and future challenges. IEEE Commun. Surv. Tutor. 2015, 18, 1384–1412. [Google Scholar] [CrossRef]
- Perera, T.D.P.; Jayakody, D.N.K.; Sharma, S.K.; Chatzinotas, S.; Li, J. Simultaneous wireless information and power transfer (SWIPT): Recent advances and future challenges. IEEE Commun. Surv. Tutor. 2017, 20, 264–302. [Google Scholar] [CrossRef]
- Valenta, C.R.; Durgin, G.D. Harvesting Wireless Power: Survey of Energy-Harvester Conversion Efficiency in Far-Field, Wireless Power Transfer Systems. IEEE Microw. Mag. 2014, 15, 108–120. [Google Scholar] [CrossRef]
- Mohjazi, L.; Dianati, M.; Karagiannidis, G.K.; Muhaidat, S.; Al-Qutayri, M. RF-powered cognitive radio networks: Technical challenges and limitations. IEEE Commun. Mag. 2015, 53, 94–100. [Google Scholar] [CrossRef]
- Gu, X.; Burasa, P.; Hemour, S.; Wu, K. Recycling ambient RF energy: Far-field wireless power transfer and harmonic backscattering. IEEE Microw. Mag. 2021, 22, 60–78. [Google Scholar] [CrossRef]
- Mikeka, C.; Arai, H. Design issues in radio frequency energy harvesting system. Sustain. Energy Harvest. Technol. Past Present Future 2011, 235–256. [Google Scholar]
- Sherazi, H.H.R.; Zorbas, D.; O’Flynn, B. A Comprehensive Survey on RF Energy Harvesting: Applications and Performance Determinants. Sensors 2022, 22, 2990. [Google Scholar] [CrossRef] [PubMed]
- Surender, D.; Khan, T.; Talukdar, F.A.; Antar, Y.M. Rectenna design and development strategies for wireless applications: A review. IEEE Antennas Propag. Mag. 2021, 64, 16–29. [Google Scholar] [CrossRef]
- Sidhu, R.K.; Ubhi, J.S.; Aggarwal, A. A survey study of different RF energy sources for RF energy harvesting. In Proceedings of the 2019 IEEE International Conference on Automation, Computational and Technology Management (ICACTM), London, UK, 24–26 April 2019; pp. 530–533. [Google Scholar]
- Piñuela, M.; Mitcheson, P.D.; Lucyszyn, S. Ambient RF energy harvesting in urban and semi-urban environments. IEEE Trans. Microw. Theory Tech. 2013, 61, 2715–2726. [Google Scholar] [CrossRef]
- Maeng, J.; Dahouda, M.K.; Joe, I. Optimal Power Allocation with Sectored Cells for Sum-Throughput Maximization in Wireless-Powered Communication Networks Based on Hybrid SDMA/NOMA. Electronics 2022, 11, 844. [Google Scholar] [CrossRef]
- Han, K.; Huang, K. Wirelessly powered backscatter communication networks: Modeling, coverage, and capacity. IEEE Trans. Wirel. Commun. 2017, 16, 2548–2561. [Google Scholar] [CrossRef]
- Marcelić, M.; Ivšić, B.; Jurčević, M.; Dadić, M. Estimation of energy harvesting capabilities for RF and other environmental sources. In Proceedings of the 2018 IEEE First International Colloquium on Smart Grid Metrology (SmaGriMet), Split, Croatia, 24–27 April 2018; pp. 1–6. [Google Scholar]
- Mouapi, A.; Hakem, N.; Kandil, N. Characterization a Rectifying Antenna under Non-Stationary Propagation Conditions. In Proceedings of the 2020 IEEE International Conference on Environment and Electrical Engineering and 2020 IEEE Industrial and Commercial Power Systems Europe (EEEIC/I&CPS Europe), Madrid, Spain, 9–12 June 2020; pp. 1–6. [Google Scholar]
- Khemar, A.; Kacha, A.; Takhedmit, H.; Abib, G. Design and experiments of a dual-band rectenna for ambient RF energy harvesting in urban environments. IET Microw. Antennas Propag. 2018, 12, 49–55. [Google Scholar] [CrossRef]
- Muncuk, U.; Alemdar, K.; Sarode, J.D.; Chowdhury, K.R. Multiband ambient RF energy harvesting circuit design for enabling batteryless sensors and IoT. IEEE Internet Things J. 2018, 5, 2700–2714. [Google Scholar] [CrossRef]
- Andrenko, A.S.; Lin, X.; Zeng, M. Outdoor RF spectral survey: A roadmap for ambient RF energy harvesting. In Proceedings of the TENCON 2015-2015 IEEE Region 10 Conference, Macao, China, 1–4 November 2015; pp. 1–4. [Google Scholar]
- Marincic, A. Nikola tesla and the wireless transmission of energy. IEEE Trans. Power Appar. Syst. 1982, 4064–4068. [Google Scholar] [CrossRef]
- Kim, H.-J.; Hirayama, H.; Kim, S.; Han, K.J.; Zhang, R.; Choi, J.-W. Review of near-field wireless power and communication for biomedical applications. IEEE Access 2017, 5, 21264–21285. [Google Scholar] [CrossRef]
- Georgakopoulos, S.V.; Jonah, O. Optimized wireless power transfer to RFID sensors via magnetic resonance. In Proceedings of the 2011 IEEE International Symposium on Antennas and Propagation (APSURSI), Spokane, WA, USA, 3–8 July 2011; pp. 1421–1424. [Google Scholar]
- Kurs, A.; Karalis, A.; Moffatt, R.; Joannopoulos, J.D.; Fisher, P.; Soljacic, M. Wireless power transfer via strongly coupled magnetic resonances. Science 2007, 317, 83–86. [Google Scholar] [CrossRef] [PubMed]
- Naderi, M.Y.; Chowdhury, K.R.; Basagni, S. Wireless sensor networks with RF energy harvesting: Energy models and analysis. In Proceedings of the 2015 IEEE Wireless Communications and Networking Conference (WCNC), New Orleans, LA, USA, 9–12 March 2015; pp. 1494–1499. [Google Scholar]
- Shakir, Z.; Al-Thaedan, A.; Alsabah, R.; Al-Sabbagh, A.; Salah, M.E.M.; Zec, J. Performance evaluation for RF propagation models based on data measurement for LTE networks. Int. J. Inf. Technol. 2022, 14, 2423–2428. [Google Scholar] [CrossRef]
- Goldsmith, A. Wireless Communications; Cambridge University Press: Cambridge, UK, 2005. [Google Scholar] [CrossRef]
- Rappaport, T.S. Wireless Communications: Principles and Practice; Prentice Hall: Hoboken, NJ, USA, 1996. [Google Scholar]
- Varshney, L.R. Transporting information and energy simultaneously. In Proceedings of the 2008 IEEE International Symposium on Information Theory, Toronto, ON, Canada, 6–11 July 2008; pp. 1612–1616. [Google Scholar]
- Krikidis, I.; Timotheou, S.; Nikolaou, S.; Zheng, G.; Ng, D.W.K.; Schober, R. Simultaneous wireless information and power transfer in modern communication systems. IEEE Commun. Mag. 2014, 52, 104–110. [Google Scholar] [CrossRef]
- Chen, Y. Energy Harvesting Communications: Principles and Theories; John Wiley & Sons: Hoboken, NJ, USA, 2019. [Google Scholar]
- Zhou, B.; Hu, H.; Huang, S.-Q.; Chen, H.-H. Intracluster device-to-device relay algorithm with optimal resource utilization. IEEE Trans. Veh. Technol. 2013, 62, 2315–2326. [Google Scholar] [CrossRef]
- Mohjazi, L.; Muhaidat, S.; Dianati, M.; Al-Qutayri, M. Performance analysis of SWIPT relay networks with noncoherent modulation. IEEE Trans. Green Commun. Netw. 2018, 2, 1072–1086. [Google Scholar] [CrossRef]
- Bi, S.; Ho, C.K.; Zhang, R. Wireless powered communication: Opportunities and challenges. IEEE Commun. Mag. 2015, 53, 117–125. [Google Scholar] [CrossRef]
- Mishra, D.; Alexandropoulos, G.C. Jointly optimal spatial channel assignment and power allocation for MIMO SWIPT systems. IEEE Wirel. Commun. Lett. 2017, 7, 214–217. [Google Scholar] [CrossRef]
- Van Huynh, N.; Hoang, D.T.; Lu, X.; Niyato, D.; Wang, P.; Kim, D.I. Ambient backscatter communications: A contemporary survey. IEEE Commun. Surv. Tutor. 2018, 20, 2889–2922. [Google Scholar] [CrossRef]
- Pannuto, P.; Kempke, B.; Dutta, P. Slocalization: Sub-uW ultra wideband backscatter localization. In Proceedings of the 2018 17th ACM/IEEE International Conference on Information Processing in Sensor Networks (IPSN), Porto, Portugal, 11–13 April 2018; pp. 242–253. [Google Scholar]
- Visser, H.J.; Keyrouz, S.; Smolders, A. Optimized rectenna design. Wirel. Power Transf. 2015, 2, 44–50. [Google Scholar] [CrossRef]
- Ullah, M.A.; Keshavarz, R.; Abolhasan, M.; Lipman, J.; Esselle, K.P.; Shariati, N. A Review on Antenna Technologies for Ambient RF Energy Harvesting and Wireless Power Transfer: Designs, Challenges and Applications. IEEE Access 2022, 10, 17231–17267. [Google Scholar] [CrossRef]
- Mouapi, A.; Hakem, N.; Kandi, N. Radiofrequency Energy Harvesting for Wireless Sensor Node: Design Guidelines and Current Circuits Performance. In IoT Applications Computing; IntechOpen: London, UK, 2021. [Google Scholar] [CrossRef]
- Surender, D.; Ahsan Halimi, M.; Khan, T.; Talukdar, F.A.; Kishk, A.A.; Antar, Y.M.M.; Rengarajan, S.R. Semi-Annular-Ring slots loading for broadband circularly polarized DR-Rectenna for RF energy harvesting in smart city environment. AEU Int. J. Electron. Commun. 2022, 147, 154143. [Google Scholar] [CrossRef]
- Balanis, C.A. Antenna Theory: Analysis and Design; John Wiley & Sons: Hoboken, NJ, USA, 2015. [Google Scholar]
- Warneke, B.A.; Pister, K.S. MEMS for distributed wireless sensor networks. In Proceedings of the IEEE 9th International Conference on Electronics, Circuits and Systems, Dubrovnik, Croatia, 15–18 September 2002; Volume 1, pp. 291–294. [Google Scholar]
- Wheeler, H.A. Fundamental limitations of small antennas. Proc. IRE 1947, 35, 1479–1484. [Google Scholar] [CrossRef]
- Agrawal, S.; Gupta, R.D.; Parihar, M.S.; Kondekar, P.N. A wideband high gain dielectric resonator antenna for RF energy harvesting application. AEU-Int. J. Electron. Commun. 2017, 78, 24–31. [Google Scholar] [CrossRef]
- Lee, C.-M.; Yo, T.-C.; Huang, F.-J.; Luo, C.-H. Dual-resonant π-shape with double L-strips PIFA for implantable biotelemetry. Electron. Lett. 2008, 44, 837–839. [Google Scholar] [CrossRef]
- Yang, L.; Zhou, Y.J.; Zhang, C.; Yang, X.M.; Yang, X.-X.; Tan, C. Compact multiband wireless energy harvesting based battery-free body area networks sensor for mobile healthcare. IEEE J. Electromagn. RF Microw. Med. Biol. 2018, 2, 109–115. [Google Scholar] [CrossRef]
- Pal, H.; Choukiker, Y.K. Design of frequency reconfigurable antenna with ambient RF-energy harvester system. In Proceedings of the 2016 IEEE International Conference on Information Communication and Embedded Systems (ICICES), Chennai, India, 25–26 February 2016; pp. 1–5. [Google Scholar]
- Lu, P.; Yang, X.-S.; Li, J.-L.; Wang, B.-Z. A compact frequency reconfigurable rectenna for 5.2-and 5.8-GHz wireless power transmission. IEEE Trans. Power Electron. 2014, 30, 6006–6010. [Google Scholar] [CrossRef]
- Technologies, A. Agilent HSMS-285x Series Surface Mount Zero Bias Schottky Detector Diodes Data Sheet. Available online: https://datasheet.octopart.com/HSMS-2850-BLKG-Avago-datasheet-26413.pdf (accessed on 2 September 2022).
- McSpadden, J.O.; Fan, L.; Chang, K. Design and experiments of a high-conversion-efficiency 5.8-GHz rectenna. IEEE Trans. Microw. Theory Tech. 1998, 46, 2053–2060. [Google Scholar] [CrossRef]
- Mouapi, A.; Hakem, N. A new approach to design autonomous wireless sensor node based on RF energy harvesting system. Sensors 2018, 18, 133. [Google Scholar] [CrossRef]
- Marian, V.; Allard, B.; Vollaire, C.; Verdier, J. Strategy for microwave energy harvesting from ambient field or a feeding source. IEEE Trans. Power Electron. 2012, 27, 4481–4491. [Google Scholar] [CrossRef]
- Mouapi, A.; Hakem, N.; Kandil, N. Performances comparison of Shottky voltage doubler rectifier to support RF energy harvesting. In Proceedings of the 2020 IEEE International Conference on Environment and Electrical Engineering and 2020 IEEE Industrial and Commercial Power Systems Europe (EEEIC/I&CPS Europe), Madrid, Spain, 9–12 June 2020; pp. 1–5. [Google Scholar]
- Gozel, M.A.; Kahriman, M.; Kasar, O. Design of an efficiency-enhanced Greinacher rectifier operating in the GSM 1800 band by using rat-race coupler for RF energy harvesting applications. Int. J. RF Microw. Comput. Aided Eng. 2019, 29, e21621. [Google Scholar] [CrossRef]
- Jabbar, H.; Song, Y.S.; Jeong, T.T. RF energy harvesting system and circuits for charging of mobile devices. IEEE Trans. Consum. Electron. 2010, 56, 247–253. [Google Scholar] [CrossRef]
- Mouapi, A. Performance analysis of multistage voltage doubler rectifier for RF energy harvesting. In Proceedings of the 2019 IEEE International Conference on Environment and Electrical Engineering and 2019 IEEE Industrial and Commercial Power Systems Europe (EEEIC/I&CPS Europe), Genova, Italy, 11–14 June 2019; pp. 1–4. [Google Scholar]
- Agrawal, S.; Pandey, S.K.; Singh, J.; Parihar, M.S. Realization of efficient RF energy harvesting circuits employing different matching technique. In Proceedings of the IEEE Fifteenth International Symposium on Quality Electronic Design, Santa Clara, CA, USA, 3–5 March 2014; pp. 754–761. [Google Scholar]
- Zhang, F.; Miyahara, Y.; Otis, B.P. Design of a 300-mV 2.4-GHz receiver using transformer-coupled techniques. IEEE J. Solid-State Circuits 2013, 48, 3190–3205. [Google Scholar] [CrossRef]
- Mouapi, A.; Hakem, N.; Kandil, N. Design of 900 MHz RadioFrequency Energy Harvesting Circuit for the Internet of Things Applications. In Proceedings of the 2020 IEEE International Conference on Environment and Electrical Engineering and 2020 IEEE Industrial and Commercial Power Systems Europe (EEEIC/I&CPS Europe), Madrid, Spain, 9–12 June 2020; pp. 1–6. [Google Scholar]
- Oh, T.; Parvin, D.; Hassan, O.; Shamsir, S.; Islam, S.K. MPPT integrated DC–DC boost converter for RF energy harvester. IET Circuits Devices Syst. 2020, 14, 1086–1091. [Google Scholar] [CrossRef]
- Paing, T.; Shin, J.; Zane, R.; Popovic, Z. Resistor emulation approach to low-power RF energy harvesting. IEEE Trans. Power Electron. 2008, 23, 1494–1501. [Google Scholar] [CrossRef]
- Ababneh, M.M.; Perez, S.; Thomas, S. Optimized power management circuit for RF energy harvesting system. In Proceedings of the 2017 IEEE 18th Wireless and Microwave Technology Conference (WAMICON), Cocoa Beach, FL, USA, 24–25 April 2017; pp. 1–4. [Google Scholar]
- Saini, G.; Sarkar, S.; Arrawatia, M.; Baghini, M.S. Efficient power management circuit for RF energy harvesting with 74.27% efficiency at 623nW available power. In Proceedings of the 2016 14th IEEE International New Circuits and Systems Conference (NEWCAS), Vancouver, BC, Canada, 26–29 June 2016; pp. 1–4. [Google Scholar]
- Strickland, D.; Varnosfaderani, M.A. Ragone plots for battery discharge optimisation. In Proceedings of the 11th International Conference on Power Electronics, Machines and Drives (PEMD 2022), Newcastle, UK, 21–23 June 2022. [Google Scholar]
- Sarker, M.R.; Saad, M.H.M.; Olazagoitia, J.L.; Vinolas, J. Review of power converter impact of electromagnetic energy harvesting circuits and devices for autonomous sensor applications. Electronics 2021, 10, 1108. [Google Scholar] [CrossRef]
- Grama, A.; Petreus, D.; Borza, P.; Grama, L. Experimental determination of equivalent series resistance of a supercapacitor. In Proceedings of the 2009 IEEE 32nd International Spring Seminar on Electronics Technology, Brno, Czech Republic, 13–17 May 2009; pp. 1–4. [Google Scholar]
- Chen, G.Z. Supercapacitor and supercapattery as emerging electrochemical energy stores. Int. Mater. Rev. 2017, 62, 173–202. [Google Scholar] [CrossRef]
- Labisha, R.V.; Baburaj, E. Efficient approach to maximise WSN lifetime using weighted optimum storage-node placement, efficient and energetic wireless recharging, efficient rule-based node rotation and critical-state-data-passing methods. IET Netw. 2017, 6, 203–217. [Google Scholar]
- Mouapi, A.; Hakem, N.; Kandil, N. Piezoelectric Energy Harvesting Prediction and Efficient Management for Industrial Wireless Sensor. Appl. Sci. 2020, 10, 8486. [Google Scholar] [CrossRef]
- Zheng, J.; Jamalipour, A. Wireless Sensor Networks: A Networking Perspective; John Wiley & Sons: Hoboken, NJ, USA, 2009. [Google Scholar]
- Shrestha, A.; Xing, L. A performance comparison of different topologies for wireless sensor networks. In Proceedings of the 2007 IEEE Conference on Technologies for Homeland Security, Woburn, MA, USA, 16–17 May 2007; pp. 280–285. [Google Scholar]
- Kuo, Y.-W.; Li, C.-L.; Jhang, J.-H.; Lin, S. Design of a wireless sensor network-based IoT platform for wide area and heterogeneous applications. IEEE Sens. J. 2018, 18, 5187–5197. [Google Scholar] [CrossRef]
- Heron, J.W.; Jiang, J.; Sun, H.; Gezerlis, V.; Doukoglou, T. Demand-response round-trip latency of IoT smartgrid network topologies. IEEE Access 2018, 6, 22930–22937. [Google Scholar] [CrossRef]
- Dutta, D. IEEE 802.15. 4 as the MAC protocol for internet of things (IoT) applications for achieving QoS and energy efficiency. In Advances in Communication, Cloud, and Big Data; Springer: Berlin/Heidelberg, Germany, 2019; pp. 127–132. [Google Scholar]
- Ye, W.; Heidemann, J. Medium access control in wireless sensor networks. Wirel. Sens. Netw. 2004, 73–91. [Google Scholar]
- Singh, R.K.; Puluckul, P.P.; Berkvens, R.; Weyn, M. Energy consumption analysis of LPWAN technologies and lifetime estimation for IoT application. Sensors 2020, 20, 4794. [Google Scholar] [CrossRef] [PubMed]
- Naderi, M.Y.; Nintanavongsa, P.; Chowdhury, K.R. RF-MAC: A medium access control protocol for re-chargeable sensor networks powered by wireless energy harvesting. IEEE Trans. Wirel. Commun. 2014, 13, 3926–3937. [Google Scholar] [CrossRef]
- Fafoutis, X.; Di Mauro, A.; Dragoni, N. Sustainable medium access control: Implementation and evaluation of ODMAC. In Proceedings of the 2013 IEEE International Conference on Communications Workshops (ICC), Budapest, Hungary, 9–13 June 2013; pp. 407–412. [Google Scholar]
- Li, M.; Fang, C.-C.; Ferng, H.-W. On-Demand Energy Transfer and Energy-Aware Polling-Based MAC for Wireless Powered Sensor Networks. Sensors 2022, 22, 2476. [Google Scholar] [CrossRef]
- Eu, Z.A.; Tan, H.-P.; Seah, W.K. Design and performance analysis of MAC schemes for wireless sensor networks powered by ambient energy harvesting. Ad Hoc Netw. 2011, 9, 300–323. [Google Scholar] [CrossRef]
- Bhatia, A.; Patro, R.K. PMAC: A poll-based MAC protocol for wireless body area networks (WBANs). In Proceedings of the 2016 IEEE International Conference on Advanced Networks and Telecommunications Systems (ANTS), Bangalore, India, 6–9 November 2016; pp. 1–6. [Google Scholar]
- Mishra, D.; De, S.; Chowdhury, K.R. Charging time characterization for wireless RF energy transfer. IEEE Trans. Circuits Syst. II Express Briefs 2015, 62, 362–366. [Google Scholar] [CrossRef]
- Nguyen, T.D.; Khan, J.Y.; Ngo, D.T. An adaptive MAC protocol for RF energy harvesting wireless sensor networks. In Proceedings of the 2016 IEEE Global Communications Conference (GLOBECOM), Washington, DC, USA, 4–8 December 2016; pp. 1–6. [Google Scholar]
- Basford, P.J.; Bulot, F.M.; Apetroaie-Cristea, M.; Cox, S.J.; Ossont, S.J. LoRaWAN for smart city IoT deployments: A long term evaluation. Sensors 2020, 20, 648. [Google Scholar] [CrossRef]
- Sultania, A.K.; Mahfoudhi, F.; Famaey, J. Real-Time Demand-Response using NB-IoT. IEEE Internet Things J. 2020, 12, 11863–11872. [Google Scholar] [CrossRef]
- Fourtet, C.; Ponsard, B. An introduction to Sigfox radio system. In LPWAN Technologies for IoT and M2M Applications; Elsevier: Amsterdam, The Netherlands, 2020; pp. 103–118. [Google Scholar]
- Poluektov, D.; Polovov, M.; Kharin, P.; Stusek, M.; Zeman, K.; Masek, P.; Gudkova, I.; Hosek, J.; Samouylov, K. On the Performance of LoRaWAN in Smart City: End-Device Design and Communication Coverage. In Proceedings of the International Conference on Distributed Computer and Communication Networks, Moscow, Russia, 23–27 September 2019; Springer: Berlin/Heidelberg, Germany, 2019; pp. 15–29. [Google Scholar]
- Mekki, K.; Bajic, E.; Chaxel, F.; Meyer, F. A comparative study of LPWAN technologies for large-scale IoT deployment. ICT Express 2019, 5, 1–7. [Google Scholar] [CrossRef]
- Mekki, K.; Bajic, E.; Chaxel, F.; Meyer, F. Overview of cellular LPWAN technologies for IoT deployment: Sigfox, LoRaWAN, and NB-IoT. In Proceedings of the 2018 IEEE International Conference on Pervasive Computing and Communications Workshops (Percom Workshops), Athens, Greece, 19–23 March 2018; pp. 197–202. [Google Scholar]
- Yang, J.; Ulukus, S. Optimal packet scheduling in an energy harvesting communication system. IEEE Trans. Commun. 2011, 60, 220–230. [Google Scholar] [CrossRef]
- Tong, T.; Ulukus, S.; Chen, W. Optimal packet scheduling for delay minimization in an energy harvesting system. In Proceedings of the 2015 IEEE International Conference on Communications (ICC), London, UK, 8–12 June 2015; pp. 4241–4246. [Google Scholar]
- Arafa, A.; Tong, T.; Fu, M.; Ulukus, S.; Chen, W. Delay minimal policies in energy harvesting communication systems. IEEE Trans. Commun. 2018, 66, 2918–2930. [Google Scholar] [CrossRef]
- Tutuncuoglu, K.; Yener, A. Short-term throughput maximization for battery limited energy harvesting nodes. In Proceedings of the 2011 IEEE International Conference on Communications (ICC), Kyoto, Japan, 5–9 June 2011; pp. 1–5. [Google Scholar]
- Tutuncuoglu, K.; Yener, A. Optimum transmission policies for battery limited energy harvesting nodes. IEEE Trans. Wirel. Commun. 2012, 11, 1180–1189. [Google Scholar] [CrossRef]
- Kumar, S.; Sharma, A. Switched Beam Array Antenna Optimized for Microwave Powering of 3-D Distributed Nodes in Clustered Wireless Sensor Network. IEEE Trans. Antennas Propag. 2022. [Google Scholar] [CrossRef]






















| Papers | RFT | RF-EH | MEB-WS | RF-EH-WS | Key Points |
|---|---|---|---|---|---|
| [14] (2007) | × | × | × | √ |
|
| [15] (2011) | × | × | × | √ |
|
| [21] (2014) | √ | √ | × | × |
|
| [18] (2014) | √ | √ | × | × |
|
| [22] (2015) | √ | √ | × | √ |
|
| [19] (2016) | × | × | × | √ |
|
| [17] (2016) | √ | √ | × | √ |
|
| [20] (2018) | √ | √ | × | × |
|
| [27] (2019) | √ | × | × | × |
|
| [26] (2021) | × | √ | × | × |
|
| [9] (2022) | √ | √ | × | × |
|
| [25] (2022) | √ | √ | × | × |
|
| This review (2022) | √ | √ | √ | √ |
|
| Ref | Bands | Frequency (MHz) | Average Power Densities (nW/cm2) | Measured Power (μW) | City/Country |
|---|---|---|---|---|---|
| [31] | Professional mobile radio | 415–425 | - | Zagreb/Croatia | |
| DTV | 470–790 | - | Croatia | ||
| [28] | DTV (during switch over) | 470–610 | - | London/UK | |
| GSM 900 (MTX) | 880–915 | ||||
| GSM 900 (BTX) | 925–960 | ||||
| GSM 1800 (MTX) | 1710–1785 | 0.5 | |||
| GSM 1800 (BTX) | 1805–1880 | 84 | |||
| 3G (MTX) | 1920–1980 | 0.46 | |||
| 3G (BTX) | 2110–2500 | 0.18 | |||
| Wi-Fi | 2400–2500 | 12 | |||
| [32] | Wi-Fi | 2400 | 630 | Val d’Or/Canada | |
| [33] | GSM 900/LTE Band 8, GSM 1800/ LTE Band 3, UMTS Band 1, ISM Wi-Fi 2.4 GHz, LTE Band 7 | 900–3000 | - | 63.1 | Paris/France |
| [34] | LTE 700 MHz, GSM 850 MHz, ISM 900 MHz | 700/850/900 | - | 3.2 | Boston/USA |
| [35] | CDMA downlink | 870–880 | - | 0.126 | Shunde/China |
| GSM 900 | 935–960 | - | 0.01 |
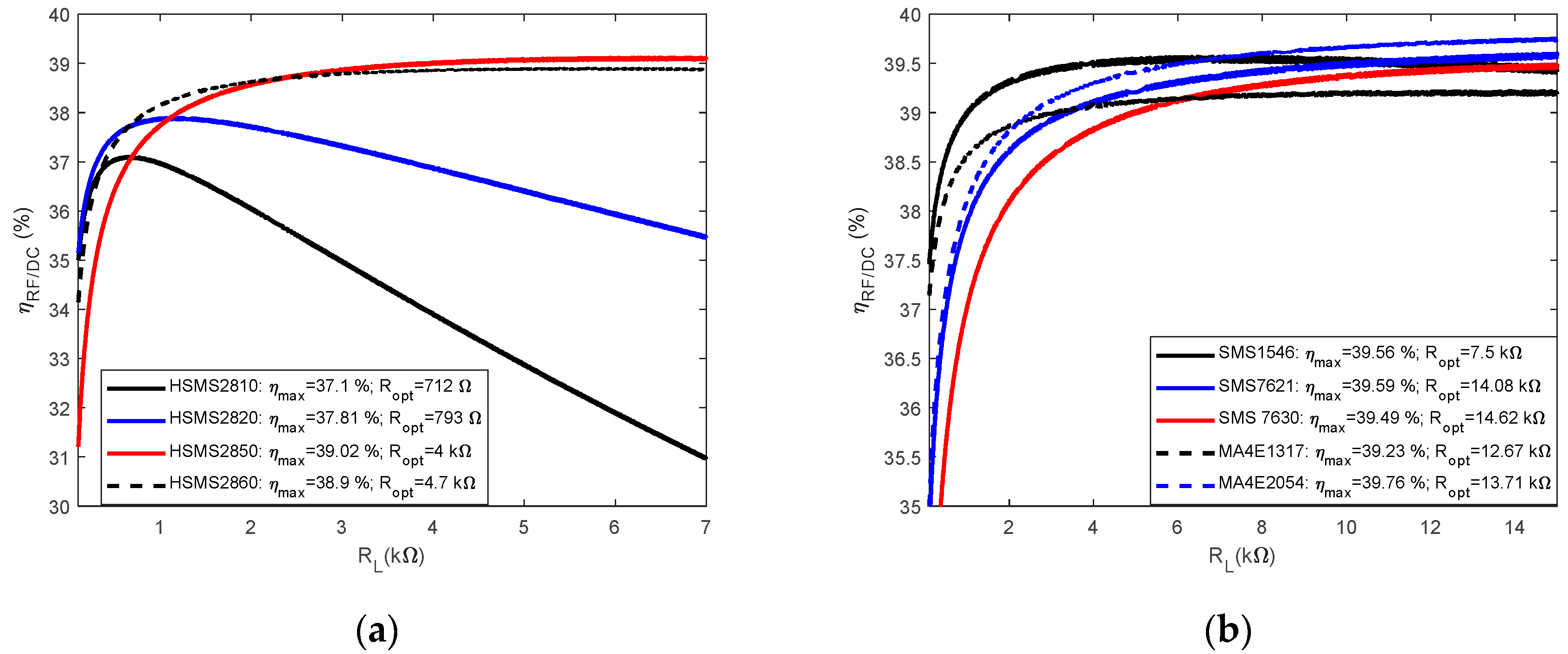
| Diodes | SMS 7630 (Skyworks) | SMS 7621 (Skyworks) | SMS 1546 (Skyworks) | HSMS 2820 (Avago) | HSMS 2850 (Avago) | HSMS 2860 (Avago) | MA4E 1317 (Macon) | MA4E 2054 (Macon) |
|---|---|---|---|---|---|---|---|---|
| 20 | 12 | 4 | 6 | 25 | 5 | 4 | 11 | |
| 0.34 | 0.51 | 0.51 | 0.65 | 0.35 | 0.65 | 0.7 | 0.4 | |
| 0.14 | 0.1 | 0.38 | 0.7 | 0.18 | 0.18 | 0.2 | 0.13 | |
| 1 | 2 | 2 | 15 | 2 | 7 | 7 | 3 |
| Component | Manufacturer | Sensor Type | Supply (V) | Consumption (mA) |
|---|---|---|---|---|
| CXL04GP3 | Aceinna | Accelerometer | 4.9–5.5 | 3 |
| ADXL278 | Analog Devices | Accelerometer | 4.75–5.25 | 2.2 |
| ADXL325 | Analog Devices | Accelerometer | 1.8–3.6 | 0.35 |
| MPL115A | Freescale | Pressure | 3.3–5.5 | 0.005 |
| DTH22 | Adafruit | Temperature and humidity | 3.3–6 | 1.5 |
| STLM20 | ST | Temperature | 2.4–5.5 | 0.008 |
| Component | Manufacturer | Supply (V) | Sleep (μA) | Processing (mA) | Receive (mA) | Transmit (mA) |
|---|---|---|---|---|---|---|
| ATMega128 | Atmel | 2.7 | 15 | 8 | 19.7 | 17.4 |
| MSP430F5437 | Texas Instrument | 2.2–3.6 | 12 | 2.2 | 18.5 | 18.5 |
| MSP430L092 | Texas Instrument | 0.9–1.65 | 6 | 0.18 | - | - |
| MSP430G2553 | Texas Instrument | 1.8–3.6 | 0.5 | 0.23 | - | - |
| ARM920T | ARM | 4.5–5.5 | 33 | 104 | 40 | 40 |
| ATmega1281 | Atmel | 3.3–4.2 | 55 | 15 | 30 | 30 |
| Marvell PXA271 | Marvell | 3.2 | 390 | 31–53 | 44 | 44 |
| Component | Manufacturer | Supply (V) | Sleep (μA) | Receive (mA) | Transmit (mA) | Maximum Transmission Power (dBm) |
|---|---|---|---|---|---|---|
| CC2430 | Texas Instrument | 2–3.6 | 0.5 | 27 | 27 | 0 |
| CC2590 | Texas Instrument | 2.2–3.6 | 0.1 | 34 | 22.1 | 12.2 |
| CC2520 | Texas Instrument | 1.8–3.8 | 1 | 18.5 | 33.6 | 5 |
| TCM 300 | EnOcean | 2.6–4.5 | - | 33 | 24 | 5 |
| EM250 | Ember | 2.1–3.6 | 1 | 29 | 33 | 5 |
| nRF24AP2 | Nordic | 1.9–3.6 | 0.5 | 17 | 15 | 0 |
| JN5139 | Jennic | 2.2–3.6 | 0.2 | 34 | 35 | 3 |
| SX1211 | Semtech | 2.1–3.6 | 2 | 3 | 25 | 10 |
| MC1321 | Freescale | 2–3.4 | 1 | 37 | 30 | 0 |
Publisher’s Note: MDPI stays neutral with regard to jurisdictional claims in published maps and institutional affiliations. |
© 2022 by the author. Licensee MDPI, Basel, Switzerland. This article is an open access article distributed under the terms and conditions of the Creative Commons Attribution (CC BY) license (https://creativecommons.org/licenses/by/4.0/).
Share and Cite
Mouapi, A. Radiofrequency Energy Harvesting Systems for Internet of Things Applications: A Comprehensive Overview of Design Issues. Sensors 2022, 22, 8088. https://doi.org/10.3390/s22218088
Mouapi A. Radiofrequency Energy Harvesting Systems for Internet of Things Applications: A Comprehensive Overview of Design Issues. Sensors. 2022; 22(21):8088. https://doi.org/10.3390/s22218088
Chicago/Turabian StyleMouapi, Alex. 2022. "Radiofrequency Energy Harvesting Systems for Internet of Things Applications: A Comprehensive Overview of Design Issues" Sensors 22, no. 21: 8088. https://doi.org/10.3390/s22218088
APA StyleMouapi, A. (2022). Radiofrequency Energy Harvesting Systems for Internet of Things Applications: A Comprehensive Overview of Design Issues. Sensors, 22(21), 8088. https://doi.org/10.3390/s22218088

