Optimal PID Control of a Brushed DC Motor with an Embedded Low-Cost Magnetic Quadrature Encoder for Improved Step Overshoot and Undershoot Responses in a Mobile Robot Application
Abstract
1. Introduction
2. Materials and Methods
2.1. Omnidirectional Mobile Robot APR-02
2.2. BDCM with an Embedded Low-Cost Magnetic Encoder
2.3. Electronic Control Board Implementing the PID Controller
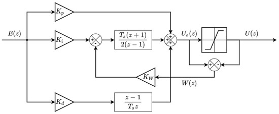
2.4. PID Control Method with Anti-Wind-Up
2.5. Error Funtion Used for PID Tuning Optimization
3. Practical Motor Modeling and Control
3.1. Optimal Measurement of the Angular Rotational Velocity Using a Magnetic Encoder
3.2. Steady-State Motor Characterization
3.3. Open-Loop Motor Response Evaluation
3.4. Motor Modeling
3.5. Model Validation Example
3.6. Selection of the PID Sampling Period ()
3.6.1. The Sampling Theorem
3.6.2. Sampling Time Deduced form the Encoder Information
3.7. Obtaining Baseline or Reference PID Parameters
3.8. Basic Validation of the Baseline or Reference PID Parameters
3.9. Validation of the Sampling Rate () of the PID Controller
3.10. Optimization of the PID Parameters for Minimum Overshoot and Undershoot
4. Discussion and Conclusions
Author Contributions
Funding
Conflicts of Interest
References
- Kuindersma, S.; Deits, R.; Fallon, M.; Valenzuela, A.; Dai, H.; Permenter, F.; Koolen, T.; Marion, P.; Tedrake, R. Optimization-based locomotion planning, estimation, and control design for the atlas humanoid robot. Auton. Robot. 2016, 40, 429–455. [Google Scholar] [CrossRef]
- Yeadon, W.H.; Yeadon, A.W. Handbook of Small Electric Motors, 1st ed.; McGraw-Hill Professional: New York, NY, USA, 2001. [Google Scholar]
- Laughton, M.A.; Warne, D.F. Electrical Engineer’s Reference Book, 16th ed.; Newnes: London, UK, 2003. [Google Scholar]
- Zhou, Y. Dc Motors, Speed Controls, Servo Systems: An Engineering Handbook, 3rd ed.; Elsevier: Amsterdam, The Netherlands, 2013; Volume 3. [Google Scholar]
- Aragon-Jurado, D.; Morgado-Estevez, A.; Perez-Peña, F. Low-Cost Servomotor Driver for PFM Control. Sensors 2018, 18, 93. [Google Scholar] [CrossRef]
- Hijikata, M.; Miyagusuku, R.; Ozaki, K. Wheel Arrangement of Four Omni Wheel Mobile Robot for Compactness. Appl. Sci. 2022, 12, 5798. [Google Scholar] [CrossRef]
- Yunardi, R.; Arifianto, D.; Bachtiar, F.; Intan Prananingrum, J. Holonomic Implementation of Three Wheels Omnidirectional Mobile Robot using DC Motors. J. Robot. Control. 2021, 2, 65–71. [Google Scholar] [CrossRef]
- Minorsky, M. Directional Stability of Automatically Steered Bodies. Nav. Eng. J. 1922, 34, 280–309. [Google Scholar] [CrossRef]
- Bennett, S. The past of PID controllers. Annu. Rev. Control. 2001, 25, 43–53. [Google Scholar] [CrossRef]
- Pallejà, T.; Saiz, A.; Tresanchez, M.; Moreno, J.; Ribó, J.; Clariá, F. Didactic platform for DC motor speed and position control in Z-plane. ISA Trans. 2021, 118, 116–132. [Google Scholar] [CrossRef]
- Grimholt, C.; Skogestad, S. Improved Optimization-based Design of PID Controllers Using Exact Gradients. Comput. Aided Chem. Eng. 2015, 37, 1751–1756. [Google Scholar] [CrossRef]
- Tabatabaei, M.; Barati-Boldaji, R. Non-overshooting PD and PID controllers design. Automatika 2014, 58, 400–409. [Google Scholar] [CrossRef]
- Somefun, O.A.; Akingbade, K.; Dahunsi, F. The dilemma of PID tuning. Annu. Rev. Control. 2021, 52, 65–74. [Google Scholar] [CrossRef]
- Ziegler, J.G.; Nichols, N.B. Optimum Settings for Automatic Controllers. J. Dyn. Sys. Meas. Control 1993, 115, 220–222. [Google Scholar] [CrossRef]
- Ang, K.H.; Chong, G.; Li, Y. PID Control System Analysis, Design, and Technology. IEEE Trans. Control. Syst. Technol. 2005, 13, 559–576. [Google Scholar] [CrossRef]
- Fruehauf, P.S.; Chien, I.; Lauritsen, M.D. Simplified IMC-PID tuning rules. ISA Trans. 1994, 33, 43–59. [Google Scholar] [CrossRef]
- Vilanova, R. IMC based Robust PID design: Tuning guidelines and automatic tuning. J. Process Control. 2008, 18, 61–70. [Google Scholar] [CrossRef]
- Ho, W.K.; Hang, C.C.; Cao, L.S. Tuning of PID controllers based on gain and phase margin specifications. Automatica 1995, 31, 497–502. [Google Scholar] [CrossRef]
- Mikhalevich, S.S.; Baydali, S.A.; Manenti, F. Development of a tunable method for PID controllers to achieve the desired phase margin. J. Process Control. 2015, 25, 28–34. [Google Scholar] [CrossRef]
- Garrido, J.; Ruz, M.L.; Morilla, F.; Vázquez, F. Iterative design of Centralized PID Controllers Based on Equivalent Loop Transfer Functions and Linear Programming. IEEE Access 2021, 10, 1440–1450. [Google Scholar] [CrossRef]
- Euzébio, T.A.; Da Silva, M.T.; Yamashita, A.S. Decentralized PID Controller Tuning Based on Nonlinear Optimization to Minimize the Disturbance Effects in Coupled Loops. IEEE Access 2021, 9, 156857–156867. [Google Scholar] [CrossRef]
- Torga, D.S.; Da Silva, M.T.; Reis, L.A.; Euzébio, T.A. Simultaneous tuning of cascade controllers based on nonlinear optimization. Trans. Inst. Meas. Control. 2022, 44. [Google Scholar] [CrossRef]
- Rachid, A.; Scali, C. Control of overshoot in the step response of chemical processes. Comput. Chem. Eng. 1999, 23, S1003–S1006. [Google Scholar] [CrossRef]
- Lu, Y.S.; Cheng, C.M.; Cheng, C.H. Non-overshooting PI control of variable-speed motor drives with sliding perturbation observers. Mechatronics 2005, 15, 1143–1158. [Google Scholar] [CrossRef]
- Bagis, A. Tabu search algorithm based PID controller tuning for desired system specifications. J. Frankl. Inst. 2011, 348, 2795–2812. [Google Scholar] [CrossRef]
- Mohsenizadeh, N.; Darbha, S.; Bhattacharyya, S.P. Synthesis of PID controllers with guaranteed non-overshooting transient response. In Proceedings of the IEEE Conference on Decision and Control and European Control Conference, Orlando, FL, USA, 12–15 December 2011; pp. 447–452. [Google Scholar] [CrossRef]
- Silva, G.J.; Datta, A.; Bhattacharyya, S.P. New results on the synthesis of PID controllers. IEEE Trans. Autom. Control. 2002, 47, 241–252. [Google Scholar] [CrossRef]
- Arciuolo, T.F.; Faezipour, M. PID++: A Computationally Lightweight Humanoid Motion Control Algorithm. Sensors 2021, 21, 456. [Google Scholar] [CrossRef] [PubMed]
- Podlubny, I. Fractional-Order Systems and PIλDμ –Controllers. IEEE Trans. Autom. Control. 1999, 44, 208–214. [Google Scholar] [CrossRef]
- Efe, M.Ö. Neural Network Assisted Computationally Simple PIλDμ Control of a Quadrotor UAV. IEEE Trans. Ind. Inform. 2011, 7, 354–361. [Google Scholar] [CrossRef]
- Bruzzone, L.; Fanghella, P. Fractional-Order Control of a Micrometric Linear Axis. J. Control. Sci. Eng. 2013, 2013. [Google Scholar] [CrossRef]
- Birari, A.; Kharat, A.; Joshi, P.; Pakhare, R.; Datar, U.; Khotre, V. Velocity control of omni drive robot using PID controller and dual feedback. In Proceedings of the IEEE International Conference on Control, Measurement and Instrumentation (CMI), Kolkata, India, 8–10 January 2016; pp. 295–299. [Google Scholar] [CrossRef]
- Meng, J.; Liu, A.; Yang, Y.; Wu, Z.; Xu, Q. Two-Wheeled Robot Platform Based on PID Control. In Proceedings of the International Conference on Information Science and Control Engineering (ICISCE), Zhengzhou, China, 20–22 July 2018; pp. 1011–1014. [Google Scholar] [CrossRef]
- Suarin, N.A.S.; Pebrianti, D.; Ann, N.Q.; Bayuaji, L.; Syafrullah, M.; Riyanto, I. Performance Evaluation of PID Controller Parameters Gain Optimization for Wheel Mobile Robot Based on Bat Algorithm and Particle Swarm Optimization. In Lecture Notes in Electrical Engineering; Springer: Singapore, 2019; Volume 538. [Google Scholar] [CrossRef]
- Batayneh, W.; AbuRmaileh, Y. Decentralized Motion Control for Omnidirectional Wheelchair Tracking Error Elimination Using PD-Fuzzy-P and GA-PID Controllers. Sensors 2020, 20, 3525. [Google Scholar] [CrossRef]
- Megalingam, R.K.; Nagalla, D.; Nigam, K.; Gontu, V.; Allada, P.K. PID based locomotion of multi-terrain robot using ROS platform. In Proceedings of the International Conference on Inventive Systems and Control (ICISC), Coimbatore, India, 8–10 January 2020; pp. 751–755. [Google Scholar] [CrossRef]
- Wang, J.; Li, M.; Jiang, W.; Huang, Y.; Lin, R. A Design of FPGA-Based Neural Network PID Controller for Motion Control System. Sensors 2022, 22, 889. [Google Scholar] [CrossRef]
- Borenstein, J.; Koren, Y. Motion Control Analysis of a Mobile Robot. J. Dyn. Syst. Meas. Control 1987, 109, 73–79. [Google Scholar] [CrossRef]
- Borenstein, J.; Everett, H.R.; Feng, L.; Wehe, D. Mobile Robot Positioning: Sensors and Techniques. J. Robot. Syst. 1997, 14, 231–249. [Google Scholar] [CrossRef]
- Moreno, J.; Clotet, E.; Lupiañez, R.; Tresanchez, M.; Martínez, D.; Pallejà, T.; Casanovas, J.; Palacín, J. Design, Implementation and Validation of the Three-Wheel Holonomic Motion System of the Assistant Personal Robot (APR). Sensors 2016, 16, 1658. [Google Scholar] [CrossRef] [PubMed]
- Rubies, E.; Palacín, J. Design and FDM/FFF Implementation of a Compact Omnidirectional Wheel for a Mobile Robot and Assessment of ABS and PLA Printing Materials. Robotics 2020, 9, 43. [Google Scholar] [CrossRef]
- Palacín, J.; Martínez, D.; Rubies, E.; Clotet, E. Suboptimal Omnidirectional Wheel Design and Implementation. Sensors 2021, 21, 865. [Google Scholar] [CrossRef] [PubMed]
- Li, Y.; Ge, S.; Dai, S.; Zhao, L.; Yan, X.; Zheng, Y.; Shi, Y. Kinematic Modeling of a Combined System of Multiple Mecanum-Wheeled Robots with Velocity Compensation. Sensors 2020, 20, 75. [Google Scholar] [CrossRef]
- Palacín, J.; Martínez, D. Improving the Angular Velocity Measured with a Low-Cost Magnetic Rotary Encoder Attached to a Brushed DC Motor by Compensating Magnet and Hall-Effect Sensor Misalignments. Sensors 2021, 21, 4763. [Google Scholar] [CrossRef]
- Qian, J.; Zi, B.; Wang, D.; Ma, Y.; Zhang, D. The Design and Development of an Omni-Directional Mobile Robot Oriented to an Intelligent Manufacturing System. Sensors 2017, 17, 2073. [Google Scholar] [CrossRef]
- Kao, S.-T.; Ho, M.-T. Ball-Catching System Using Image Processing and an Omni-Directional Wheeled Mobile Robot. Sensors 2021, 21, 3208. [Google Scholar] [CrossRef]
- Palacín, J.; Rubies, E.; Clotet, E.; Martínez, D. Evaluation of the Path-Tracking Accuracy of a Three-Wheeled Omnidirectional Mobile Robot Designed as a Personal Assistant. Sensors 2021, 21, 7216. [Google Scholar] [CrossRef]
- Palacín, J.; Rubies, E.; Clotet, E. Systematic Odometry Error Evaluation and Correction in a Human-Sized Three-Wheeled Omnidirectional Mobile Robot Using Flower-Shaped Calibration Trajectories. Appl. Sci. 2022, 12, 2606. [Google Scholar] [CrossRef]
- Clotet, E.; Martínez, D.; Moreno, J.; Tresanchez, M.; Palacín, J. Assistant Personal Robot (APR): Conception and Application of a Tele-Operated Assisted Living Robot. Sensors 2016, 16, 610. [Google Scholar] [CrossRef] [PubMed]
- Palacín, J.; Rubies, E.; Clotet, E. The Assistant Personal Robot Project: From the APR-01 to the APR-02 Mobile Robot Prototypes. Designs 2022, 6, 66. [Google Scholar] [CrossRef]
- Palacín, J.; Clotet, E.; Martínez, D.; Moreno, J.; Tresanchez, M. Automatic Supervision of Temperature, Humidity, and Luminance with an Assistant Personal Robot. J. Sens. 2017, 2017, 1480401. [Google Scholar] [CrossRef]
- Palacín, J.; Clotet, E.; Martínez, D.; Martínez, D.; Moreno, J. Extending the Application of an Assistant Personal Robot as a Walk-Helper Tool. Robotics 2019, 8, 27. [Google Scholar] [CrossRef]
- Palacín, J.; Martínez, D.; Clotet, E.; Pallejà, T.; Burgués, J.; Fonollosa, J.; Pardo, A.; Marco, S. Application of an Array of Metal-Oxide Semiconductor Gas Sensors in an Assistant Personal Robot for Early Gas Leak Detection. Sensors 2019, 19, 1957. [Google Scholar] [CrossRef]
- Dastjerdi, A.A.; Saikumar, N.; HosseinNia, S.H. Tuning guidelines for fractional order PID controllers: Rules of thumb. Mechatronics 2018, 56, 26–36. [Google Scholar] [CrossRef]
- Huba, M.; Chamraz, S.; Bistak, P.; Vrancic, D. Making the PI and PID Controller Tuning Inspired by Ziegler and Nichols Precise and Reliable. Sensors 2021, 21, 6157. [Google Scholar] [CrossRef]
- Zhang, J.; Zhuang, J.; Du, H.; Wang, S. Self-organizing genetic algorithm based tuning of PID controllers. Inf. Sci. 2009, 179, 1007–1018. [Google Scholar] [CrossRef]
- Zhenpeng, Y.; Jiandong, W.; Biao, H.; Zhenfu, B. Performance assessment of PID control loops subject to setpoint changes. J. Process Control. 2011, 21, 1164–1171. [Google Scholar] [CrossRef]
- Fiedeń, M.; Bałchanowski, J. A Mobile Robot with Omnidirectional Tracks—Design and Experimental Research. Appl. Sci. 2021, 11, 11778. [Google Scholar] [CrossRef]
- Matlab Documentation: Tfest. Available online: https://es.mathworks.com/help/ident/ref/tfest.html?s_tid=srchtitle_tfest_1#btfb8zb-1 (accessed on 8 February 2022).
- Young, P.; Jakeman, A. Refined Instrumental Variable Methods of Recursive Time-Series Analysis Part III. Extensions. Int. J. Control. 1980, 31, 741–764. [Google Scholar] [CrossRef]
- Shannon, C.E. Communication in the Presence of Noise. Proc. IRE 1949, 37, 10–21. [Google Scholar] [CrossRef]
- Santina, M.S.; Stubberud, A.R.; Hostetter, G.H. Sample-Rate Selection. In The Control Handbook; Levine, W.S., Ed.; CRC Press: Boca Raton, FL, USA, 1995; pp. 313–320. [Google Scholar]
- Matlab Documentation: Frequency-Response Based Tuning. Available online: https://es.mathworks.com/help/slcontrol/ug/frequency-response-based-tuning-basics.html (accessed on 27 June 2022).
- Silva, G.J.; Datta, A.; Bhattacharyya, S.P. Robust control design using the PID controller. In Proceedings of the IEEE Conference on Decision and Control, Las Vegas, NV, USA, 10–13 December 2002; pp. 1313–1318. [Google Scholar] [CrossRef]
- Palacín, J.; Rubies, E.; Clotet, E. Classification of Three Volatiles Using a Single-Type eNose with Detailed Class-Map Visualization. Sensors 2022, 22, 5262. [Google Scholar] [CrossRef] [PubMed]
- Palacín, J.; Clotet, E.; Rubies, E. Assessing over Time Performance of an eNose Composed of 16 Single-Type MOX Gas Sensors Applied to Classify Two Volatiles. Chemosensors 2022, 10, 118. [Google Scholar] [CrossRef]






















| K1 | K2 | K3 | K4 | K5 | K6 | K7 | K8 | K9 | K10 | K11 | K12 |
|---|---|---|---|---|---|---|---|---|---|---|---|
| 1.092197 | 0.886583 | 1.106404 | 0.941402 | 1.089113 | 0.892923 | 1.110171 | 0.934642 | 1.156358 | 0.839371 | 1.145867 | 0.949867 |
| PWM | Wheel rpm | Time Elapsed [ms] | Update Frequency [Hz] | Value Counted | Counts per Revolution |
|---|---|---|---|---|---|
| 10% | 3.7 | 21.11 | 47.36 | 1,773,649 | 1,362,162,432 |
| 20% | 10.8 | 7.23 | 138.24 | 607,639 | 466,666,752 |
| 30% | 17.6 | 4.44 | 225.28 | 372,869 | 286,363,392 |
| 40% | 24.5 | 3.19 | 313.60 | 267,857 | 205,714,176 |
| 50% | 31.5 | 2.48 | 403.20 | 208,333 | 159,999,744 |
| 60% | 38.6 | 2.02 | 494.08 | 170,013 | 130,569,984 |
| 70% | 45.5 | 1.72 | 582.40 | 114,231 | 110,769,408 |
| 80% | 52.8 | 1.48 | 675.84 | 124,290 | 95,454,720 |
| 90% | 60.0 | 1.30 | 768.00 | 109,375 | 84,000,000 |
| 100% | 64.4 | 1.21 | 824.32 | 101,902 | 78,260,736 |
Publisher’s Note: MDPI stays neutral with regard to jurisdictional claims in published maps and institutional affiliations. |
© 2022 by the authors. Licensee MDPI, Basel, Switzerland. This article is an open access article distributed under the terms and conditions of the Creative Commons Attribution (CC BY) license (https://creativecommons.org/licenses/by/4.0/).
Share and Cite
Bitriá, R.; Palacín, J. Optimal PID Control of a Brushed DC Motor with an Embedded Low-Cost Magnetic Quadrature Encoder for Improved Step Overshoot and Undershoot Responses in a Mobile Robot Application. Sensors 2022, 22, 7817. https://doi.org/10.3390/s22207817
Bitriá R, Palacín J. Optimal PID Control of a Brushed DC Motor with an Embedded Low-Cost Magnetic Quadrature Encoder for Improved Step Overshoot and Undershoot Responses in a Mobile Robot Application. Sensors. 2022; 22(20):7817. https://doi.org/10.3390/s22207817
Chicago/Turabian StyleBitriá, Ricard, and Jordi Palacín. 2022. "Optimal PID Control of a Brushed DC Motor with an Embedded Low-Cost Magnetic Quadrature Encoder for Improved Step Overshoot and Undershoot Responses in a Mobile Robot Application" Sensors 22, no. 20: 7817. https://doi.org/10.3390/s22207817
APA StyleBitriá, R., & Palacín, J. (2022). Optimal PID Control of a Brushed DC Motor with an Embedded Low-Cost Magnetic Quadrature Encoder for Improved Step Overshoot and Undershoot Responses in a Mobile Robot Application. Sensors, 22(20), 7817. https://doi.org/10.3390/s22207817

