Robust Optimization and Power Management of a Triple Junction Photovoltaic Electric Vehicle with Battery Storage
Abstract
:1. Introduction
2. Modeling of the PV Electric Vehicle Powertrain System
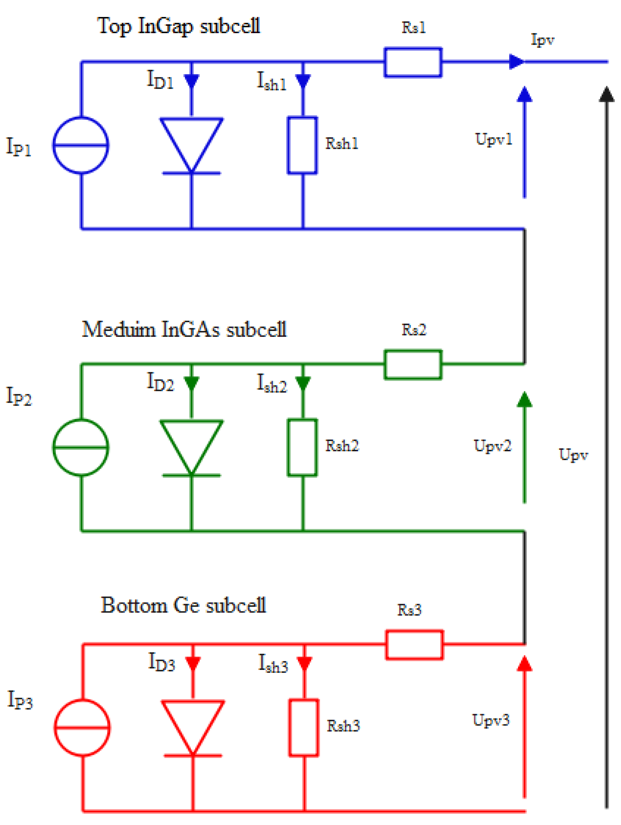
2.1. Modeling of Triple-Junction Solar Cell InGap/InGaAs/Ge
2.2. Modeling of Electric Vehicle Dynamics
2.3. Modeling of the Lithium-Ion Battery
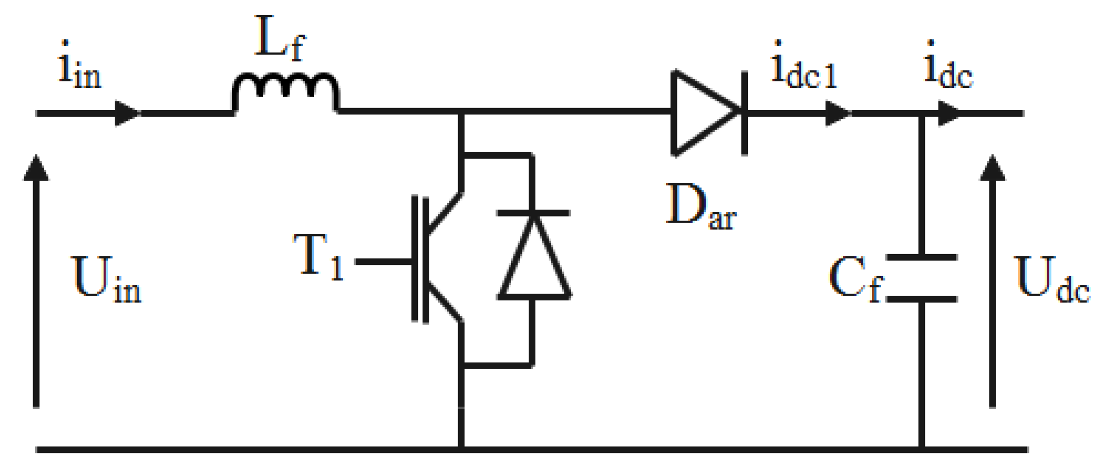
2.4. Modeling of the DC-DC Converters
2.4.1. Modeling of the Unidirectional DC-DC Boost Converter
2.4.2. Modeling of the Bidirectional DC-DC Buck-Boost Converter
3. Control Approaches and Energy Management Strategy
3.1. MPPT Algorithms
3.1.1. P & O Algorithm
3.1.2. Fuzzy Logic Algorithm
3.1.3. Sliding Mode MPPT-Based Algorithm
3.1.4. Comparative Study
3.2. Field Oriented Control Strategy
3.3. Nonlinear Control
3.4. Energy Management
| Algorithm 1 The power management algorithm |
| Compute starting time Repeat { { if (vehicle will start) The vehicle is totally supplied with the battery else (vehicle is in motion) Extract the maximum power from the PV generator if (weather is sunny) if (produced PV power exceeds the required load power) if (the battery is fully charged) { -Disconnect the battery -The load is supplied with the PV generator } if (the battery ready to charge) { -Charge the battery -Supply the load } if (the battery is ready to discharge) { -Supply the load with the produced PV power -Offset the lack of load energy by the battery stored energy } if (the battery is fully discharged) { -Supply the load -Disconnect the battery } elseif (the battery is fully charged) { { -Supply the load with the produced PV power -Offset the lack of load energy by the battery stored energy } else -Disconnect the battery } } Compute the end time } Until |
4. Simulation Results and Discussion
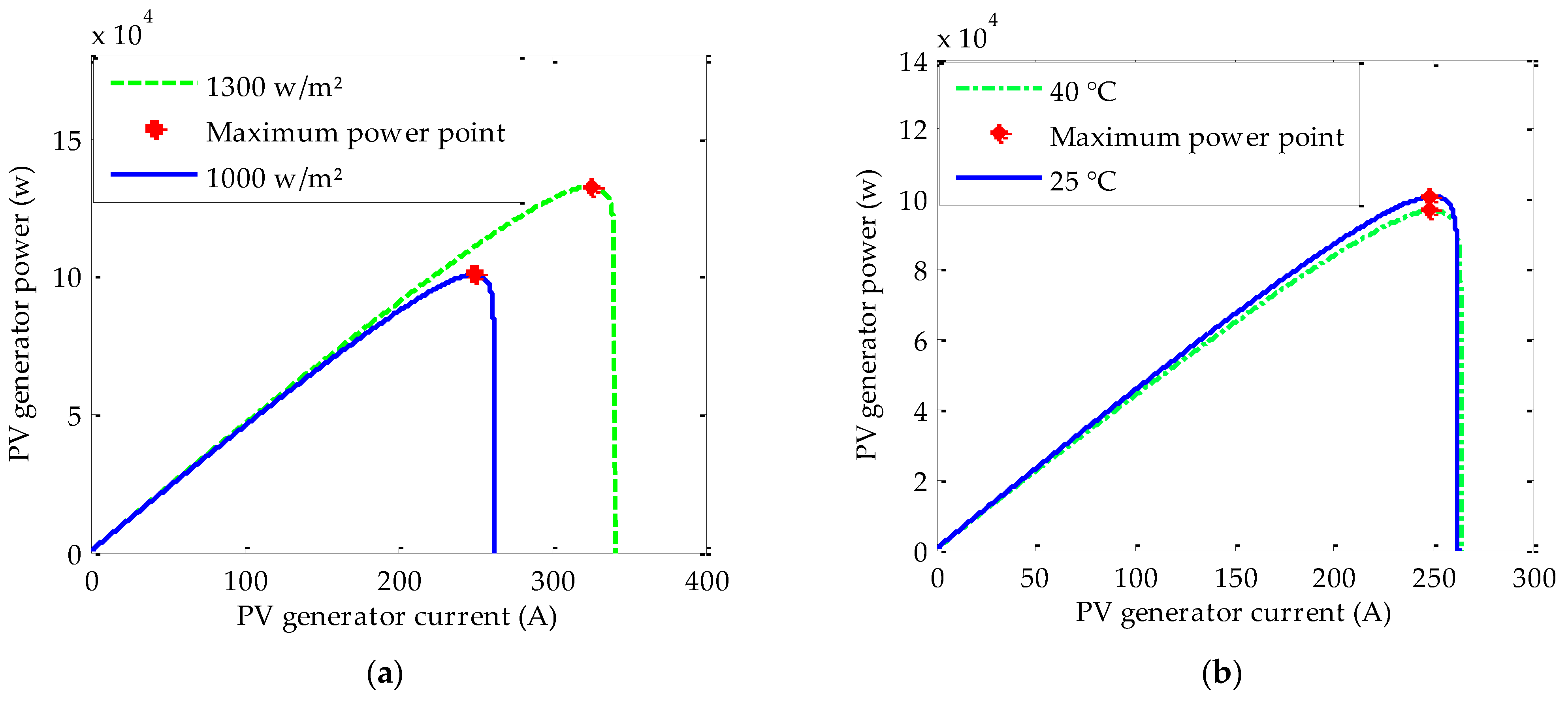
4.1. System Characteristics
4.2. Behavior Energy Management and Nonlinear Controllers’ Efficiency
4.2.1. Case of Quick Response
4.2.2. Case of Variable Vehicle Speed Response
4.2.3. Case of Extra Urban Drive Cycle (EUDC) Response
5. Conclusions
Author Contributions
Funding
Institutional Review Board Statement
Informed Consent Statement
Data Availability Statement
Acknowledgments
Conflicts of Interest
References
- Mohammed, A.; Brahim, G.; Othmane, A.; Jamel, G.; Tofik, T.; Abdeselem, C. Comparative study of energy management strategies for hybrid proton exchange membrane fuel cell four wheel drive electric vehicle. J. Power Sources 2020, 462, 228167. [Google Scholar]
- Brtka, E.; Jotanovic, G.; Stjepanovic, A.; Jausevac, G.; Kosovac, A.; Cvitić, I.; Kostadinovic, M. Model of Hybrid Electric Vehicle with Two Energy Sources. Electronics 2022, 11, 1993. [Google Scholar] [CrossRef]
- Ahmad, I.; Dewan, K.K. Electric vehicle: A futuristic approach to reduce pollution (A case study of Delhi). World Rev. Intermodal Transp. Res. 2007, 1, 300–312. [Google Scholar] [CrossRef]
- Kawtar, B.; Lebrouhi, A.; Mohammed, M. Novel external cooling solution for electric vehicle battery pack. Energy Rep. 2020, 6, 262–272. [Google Scholar]
- Amjad, S.; Neelakrishnan, S.; Rudramoorthy, R. Review of design considerations and technological challenges for successful development and deployment of plug-in hybrid electric vehicles. Renew. Sustain. Energy Rev. 2010, 14, 1104–1110. [Google Scholar] [CrossRef]
- Panneerselvam, R.; James, A.; Vijaya, S. Sensing and Analysis of Greenhouse Gas Emissions from Rice Fields to the Near Field Atmosphere. Sensors 2022, 22, 4141. [Google Scholar]
- Pedro, A.; Ivanovitch, S.; Marianne, S.; Thommas, F.; Jordão, C.; Daniel, G.C. A Tiny ML Soft-Sensor Approach for Low-Cost Detection and Monitoring of Vehicular Emissions. Sensors 2022, 22, 3838. [Google Scholar]
- Stefano, B.; Paolo, N. Estimating CO2 Emissions from IoT Traffic Flow Sensors and Reconstruction. Sensors 2022, 22, 3382. [Google Scholar]
- Aleksandar, M. Photovoltaic’s advancements for transition from renewable to clean energy. Energy 2021, 237, 121510. [Google Scholar]
- Feng, S.H.; Chienab, C.; Ching-Chi, H.; Ilhan, O.; Kcde, A.; Shariff, M. The role of renewable energy and urbanization towards greenhouse gas emission in top Asian countries: Evidence from advance panel estimations. Renew. Energy 2022, 186, 207–216. [Google Scholar]
- Bagheria, S.; Huanga, Y.; Walkerb, P.; Zhoua, J.; Surawskia, N. Strategies for improving the emission performance of hybrid electric vehicles. Sci. Total Environ. 2021, 771, 144901. [Google Scholar] [CrossRef] [PubMed]
- Hong, J.; Ma, F.; Xu, X.; Yang, J.; Zhang, H. A novel mechanical-electric-hydraulic power coupling electric vehicle considering different electrohydraulic distribution ratios. Energy Convers. Manag. 2021, 249, 114870. [Google Scholar] [CrossRef]
- Kim, W.; Lee, P.; Kim, J.; Kim, S. A Robust State of Charge Estimation Approach Based on Nonlinear Battery Cell Model for Lithium-Ion Batteries in Electric Vehicles. IEEE Trans. Veh. Technol. 2021, 70, 5638–5647. [Google Scholar] [CrossRef]
- Emmanuel, A.; Annette, J.; Alexandre, Y. An Overview of Electric Machine Trends in Modern Electric Vehicles. Machines 2020, 8, 20. [Google Scholar]
- Flah, A.; Irfan, A.K.; Agarwal, A.; Sbita, L.; Simoes, M.G. Field-oriented control strategy for double-stator single-rotor and double-rotor single-stator permanent magnet machine: Design and operation. Comput. Electr. Eng. 2021, 90, 106953. [Google Scholar] [CrossRef]
- Mahmoudi, C.; Flah, A.; Sbita, L. Smart database concept for power management in an electrical vehicle. Int. J. Power Electron. Drive Syst. 2019, 10, 160–169. [Google Scholar] [CrossRef]
- Shuai, Z.; Yuvraj, G.; Appadoob, S.; Abdulkaderb, M. Electric vehicle routing problem with recharging stations for minimizing energy consumption. Int. J. Prod. Econ. 2018, 203, 404–413. [Google Scholar]
- Riccardo, I.; Benjamin, M.; Tetsuo, T. Optimization of shared autonomous electric vehicles operations with charge scheduling and vehicle-to-grid. Transp. Res. Part C Emerg. Technol. 2019, 100, 34–52. [Google Scholar]
- Du, J.; Yu, F.R.; Lu, G.; Wang, J.; Jiang, J.; Chu, X. MEC-Assisted Immersive VR Video Streaming Over Terahertz Wireless Networks: A Deep Reinforcement Learning Approach. IEEE Internet Things J. 2020, 7, 9517–9529. [Google Scholar] [CrossRef]
- Cong Thanh, N.; Paul, D.W.; Shilei, Z. Optimal sizing and energy management of an electric vehicle powertrain equipped with two motors and multi-gear ratios. Mech. Mach. Theory 2022, 167, 104513. [Google Scholar]
- Du, C.; Huang, S.; Jiang, Y.; Wu, D.; Li, Y. Optimization of Energy Management Strategy for Fuel Cell Hybrid Electric Vehicles Based on Dynamic Programming. Energies 2022, 15, 4325. [Google Scholar] [CrossRef]
- Ali, A.; Shivapurkar, R.; Soeffker, D. Development and Improvement of a Situation-Based Power Management Method for Multi-Source Electric Vehicles. In Proceedings of the 2018 IEEE Vehicle Power and Propulsion Conference (VPPC), Chicago, IL, USA, 27–30 August 2018; pp. 1–6. [Google Scholar]
- Kim, J.; Kim, H.; Bae, J.; Kim, D.; Eo, J.; Kim, K. Economic Nonlinear Predictive Control for Real-Time Optimal Energy Management of Parallel Hybrid Electric Vehicles. IEEE Access 2020, 8, 177896–177920. [Google Scholar] [CrossRef]
- Allegre, A.; Bouscayrol, A.; Trigui, R. Influence of control strategies on battery/supercapacitor hybrid Energy Storage Systems for traction applications. In Proceedings of the 2009 IEEE Vehicle Power and Propulsion Conference, Dearborn, MI, USA, 7–10 September 2009; pp. 213–220. [Google Scholar]
- Hannan, M.; Azidin, F.; Mohamed, A. Multi-sources model and control algorithm of an energy management system for light electric vehicles. Energy Convers. Manag. 2012, 62, 123–130. [Google Scholar] [CrossRef]
- Hussain, S.; Ahmed, M.; Kim, Y. Efficient Power Management Algorithm Based on Fuzzy Logic Inference for Electric Vehicles Parking Lot. IEEE Access 2019, 7, 65467–65485. [Google Scholar] [CrossRef]
- Song, Z.; Hofmann, H.; Li, J.; Hou, J.; Han, X.; Ouyang, M. Energy management strategies comparison for electric vehicles with hybrid energy storage system. Appl. Energy 2014, 134, 321–331. [Google Scholar] [CrossRef]
- Camara, M.; Gualous, H.; Gustin, F.; Berthon, A. Design and new control of dc/dc converters to share energy between supercapacitors and batteries in hybrid vehicles. IEEE Trans. Veh. Technol. 2008, 57, 2721–2735. [Google Scholar] [CrossRef]
- Adam, D.; Andrzej, A.; Michał, S.; Krzysztof, T.; Mykola, K. The Concept of Using an Expert System and Multi-Valued Logic Trees to Assess the Energy Consumption of an Electric Car in Selected Driving Cycles. Energies 2022, 15, 4631. [Google Scholar]
- Yi, G.; Jiaqi, M. Leveraging existing high-occupancy vehicle lanes for mixed-autonomy traffic management with emerging connected automated vehicle applications. Transp. A Transp. Sci. 2020, 16, 1375–1399. [Google Scholar]
- Teeneti, C.; Truscott, T.; Beal, D.; Pantic, Z. Review of Wireless Charging Systems for Autonomous Underwater Vehicles. IEEE J. Ocean. Eng. 2021, 46, 68–87. [Google Scholar] [CrossRef]
- Yang, X.; Zhang, Y.; Zhang, T.; Xu, B.; Yi, B. Enhancing Utilization of PV Energy in Building Micro grids via Autonomous Demand Response. IEEE Access 2021, 9, 23554–23564. [Google Scholar] [CrossRef]
- Ahmed Ismail, M.A.; Hassanien, R. Improved P&O MPPT algorithm with efficient open-circuit voltage estimation for two-stage grid-integrated PV system under realistic solar radiation. Int. J. Electr. Power Energy Syst. 2022, 137, 107805. [Google Scholar]
- Van, N.; Mohsen, L.; Rabeh, A.; Jerbi, H. Improved Krill Herd Algorithm based Sliding Mode MPPT Controller for Variable Step Size P&O method in PV system under Simultaneous Change of Irradiance and Temperature. J. Frankl. Inst. 2021, 358, 3481–3511. [Google Scholar]
- Mingxin, J.; Mehrdad, G.; Sajjad, D.; Hongbo, C.; Yahya, A.; Noritoshi, F. A novel combinatorial hybrid SFL–PS algorithm based neural network with perturb and observe for the MPPT controller of a hybrid PV-storage system. Control Eng. Pract. 2021, 114, 104880. [Google Scholar]
- Loukriz, A.; Mourad, H.; Sabir, M. Simulation and experimental design of a new advanced variable step size Incremental Conductance MPPT algorithm for PV systems. ISA Trans. 2016, 62, 30–38. [Google Scholar] [CrossRef]
- Kok Soon, T.; Saad, M. Modified Incremental Conductance MPPT Algorithm to Mitigate Inaccurate Responses Under Fast-Changing Solar Irradiation Level. J. Sol. Energy. 2014, 101, 333–342. [Google Scholar]
- Kamarzaman, N.A.; Tan, C.W. A Comprehensive Review of Maximum Power Point Tracking Algorithms for Photovoltaic Systems. Renew. Sust. Energ. Rev. 2014, 37, 585–598. [Google Scholar] [CrossRef]
- Bhukya, L.; Anil, A.; Nandiraju, V.S. A grey wolf optimized fuzzy logic based MPPT for shaded solar photovoltaic systems in microgrids. Int. J. Hydrog. Energy. 2021, 46, 10653–10665. [Google Scholar]
- Milad, F.; Jafar Amiri, P. Intelligent MPPT for photovoltaic panels using a novel fuzzy logic and artificial neural networks based on evolutionary algorithms. Energy Rep. 2021, 7, 1338–1348. [Google Scholar]
- Hajar, D.; Issam, S.; Mohammed, C.; Najib, E. High Performance MPPT based on TS Fuzzy–integral backstepping control for PV system under rapid varying irradiance—Experimental validation. ISA Trans. 2021, 118, 247–259. [Google Scholar]
- Julien, V.-P.; Carlos, R.-A.; Diego, R.-L. Code and data from an ADALINE network trained with the RTRL and LMS algorithms for an MPPT controller in a photovoltaic system. Data Br. 2020, 32, 106296. [Google Scholar]
- Salim, I.; Wassila, I.; Abdelkrim, K. New intelligent control strategy by robust neural network algorithm for real time detection of an optimized maximum power tracking control in photovoltaic systems. Energy J. 2019, 187, 115881. [Google Scholar]
- Ahmet, G.; Resat, C. ANN-Based MPPT Algorithm for Photovoltaic Systems. Turkish J. Earth Sci. 2020, 15, 101–110. [Google Scholar]
- Wafa, H.; Emanuele, O.; Alberto, D.; Aicha, A.; Ben Hamed, M.; Sbita, L. Improved PSO: A Comparative Study in MPPT Algorithm for PV System Control under Partial Shading Conditions. Energies 2020, 13, 2035. [Google Scholar]
- Zafar, M.H.; Khan, N.M.; Mirza, A.F.; Mansoor, M.; Akhtar, N.; Qadir, M.U.; Khan, N.A.; Moosavi, S.K.R. A novel meta-heuristic optimization algorithm based MPPT control technique for PV systems under complex partial shading conditions. Sustain. Energy Technol. Assess. 2021, 47, 101367. [Google Scholar]
- Chanuri, C.; Dahaman, I.; Muhammad Ammirrul Atiqi, M.Z.; Baharuddin, I.; Mohamad Kamarol Mohd, J. A hybrid of bio-inspired algorithm based on Levy flight and particle swarm optimizations for photovoltaic system under partial shading conditions. Sol. Energy. 2021, 217, 1–14. [Google Scholar] [CrossRef]
- Garraoui, R.; Ben Hamed, M.; Sbita, L. A Robust Optimization Technique Based on First Order Sliding Mode Approach for Photovoltaic Power Systems. Int. J. Autom. Comput. 2015, 12, 620–629. [Google Scholar] [CrossRef]
- Garraoui, R.; Barambones, O.; Ben Hamed, M.; Sbita, L. Real-time implementation of a maximum power point tracking algorithm based on first order sliding mode strategy for photovoltaic power systems. Trans. Inst. Meas. Control. 2017, 40, 1–11. [Google Scholar] [CrossRef]
- Aymen, F.; Sbita, L. A novel IMC controller based on bacterial foraging optimization algorithm applied to a high speed range PMSM drive. Appl. Intell. 2013, 38, 114–129. [Google Scholar]
- Kailong, L.; Ashwin, T.R.; Hu, X.; Lucu, M.; Dhammika Widanage, W. An evaluation study of different modelling techniques for calendar ageing prediction of lithium-ion batteries. Renew. Sustain. Energy Rev. 2020, 131, 110017. [Google Scholar]
- Beni Hamed, S.; Ben Hamed, M.; Sbita, L. A dynamic mathematical model of lithum-ion battery in Matlab/Simulink. In Proceedings of the 17th International Multi-Conference on Systems, Signals & Devices (SSD), Monastir, Tunisia, 20–23 July 2020; pp. 491–494. [Google Scholar]
- Caliwag, A.; Lim, W. Hybrid VARMA and LSTM Method for Lithium-ion Battery State-of-Charge and Output Voltage Forecasting in Electric Motorcycle Applications. IEEE Access 2019, 7, 59680–59689. [Google Scholar] [CrossRef]
- Riquelme-Dominguez, J.; Martinez, S. Systematic evaluation of photovoltaic MPPT algorithms using state-space models under different dynamic test procedures. IEEE Access 2022, 10, 45772–45783. [Google Scholar] [CrossRef]
- Zadeh, L. Fuzzy sets. Inf. Technol. Control 1965, 8, 338–353. [Google Scholar] [CrossRef]
- Mihoub, M.; Nouri, A.S.; Ben Abdennour, R. Real-time application of discrete second order sliding mode control to a chemical reactor. Control Eng. Pract. 2009, 19, 1089–1095. [Google Scholar] [CrossRef]
- Pahlevaninezhad, M.; Das, P.; Drobnik, J.; Moschopoulos, G.; Jain, P.; Bakhshai, A. A Nonlinear Optimal Control Approach Based on the Control-Lyapunov Function for an AC/DC Converter Used in Electric Vehicles. IEEE Trans. Industr. Inform. 2012, 8, 596–614. [Google Scholar] [CrossRef]






















| BN | MN | SN | Z | SP | MP | BP | ||
|---|---|---|---|---|---|---|---|---|
| BN | Z | SN | MN | BN | BN | BN | BN | |
| MN | SP | Z | SN | MN | BN | BN | BN | |
| SN | MP | SP | Z | SN | MN | BN | BN | |
| Z | BP | MP | SP | Z | SN | MN | BN | |
| SP | BN | BP | MP | SP | Z | SN | SN | |
| MP | BP | BP | BP | MP | SP | Z | SN | |
| BP | BP | BN | BP | BP | MP | SP | Z | |
| MPPT Algorithms | |||||||
|---|---|---|---|---|---|---|---|
| Operating Modes | G (w/m2) | T (°C) | R (Ohm) | Parameters | SMC | FL | P and O |
| Simultaneous radiation and temperature variation | 900 | 27 | 5 | Response time (ms) | 8.75 | 100 | 313.8 |
| Tracking error (%) | −5.3 × 10−6 | 5.2 × 10−5 | 2.6 × 10−4 | ||||
| Objective function value | 0.006 | 0.01 | −0.25 | ||||
| 1000 | 77 | 5 | Stabilization time (ms) | 52 | 105 | 224 | |
| Tracking error (%) | 9.12 × 10−8 | 8.6 × 10−5 | 1.73 × 10−5 | ||||
| Voltage loss (%) | 1.5 × 10−3 | 6 × 10−3 | 5.5 × 10−3 | ||||
| Objective function value | 0.008 | 0.048 | 0.09 | ||||
| Abrupt load variation | 1000 | 77 | 10 | Stabilization time (ms) | ≅0 | 137 | 416 |
| Tracking error | 1.75 × 10−5 | 1.6 × 10−4 | 3.7 × 10−3 | ||||
| Voltage loss (%) | 2 × 10−4 | 16 × 10−4 | 117 × 10−4 | ||||
| Objective function value | −2.3 × 10−4 | −0.091 | 0.3 | ||||
| 1000 | 77 | 15 | Stabilization time (ms) | ≅0 | 69 | 125 | |
| Tracking error (%) | 2.1 × 10−4 | 2.7 × 10−4 | 8 × 10−4 | ||||
| Voltage loss (%) | 5 × 10−4 | 10 × 10−4 | 8.9 × 10−3 | ||||
| Objective function value | 0.01 | 0.011 | 0.02 | ||||
| Simultaneous radiation, temperature, and load variation | 1100 | 87 | 8 | Response time (ms) | 44 | 58 | 144 |
| Tracking error (%) | −4.27 × 10−7 | 1.9 × 10−6 | 2.9 × 10−4 | ||||
| Voltage loss (%) | 1.3 × 10−3 | 10 × 10−3 | 14.5 × 10−3 | ||||
| Objective function value | 3.6 × 10−4 | −0.07 | 8.4 × 10−4 | ||||
| 1050 | 52 | 12 | Response time (ms) | ≅0 | 35 | 0.2 | |
| Tracking error (%) | 2.6 × 10−5 | 1.1 × 10−4 | 22.7 × 10−4 | ||||
| Voltage loss (%) | 5.4 × 10−4 | 1.6 × 10−3 | 3.3 × 10−3 | ||||
| Objective function value | 6.8 × 10−3 | 0.03 | −0.1992 | ||||
| Number of controllers tuning parameters | 01 | 03 | 01 | ||||
| Parameter | Value |
|---|---|
| Vehicle mass (kg) | 1450 |
| Vehicle frontal area (m2) | 2.711 |
| Tire radius (m) | 0.43 |
| Aerodynamic drag coefficient | 0.29 |
| Air density (kg/m3) | 1.204 |
| rolling resistance coefficient | 0.013 |
| Parameter | Value |
|---|---|
| Direct inductance (mH) | 0.17 |
| Reverse inductance (mH) | 0.29 |
| Flux linkage (wb) | 0.071 |
| Stator resistance (Ω) | 0.0083 |
| Number of poles | 8 |
| Viscous friction (Nm/rad/s) | 0.005 |
| Moment of inertia (kg m2) | 0.089 |
| Top Sub-Cell InGaP | Top Sub-Cell InGaAs | Top Sub-Cell Ge | |
|---|---|---|---|
| Band-gap energy (ev) | 1.976 | 1.519 | 0.744 |
| Short circuit current (A) | 6.7522 | 7.7126 | 10.094 |
| Diode ideality factor | 1.97 | 1.75 | 1.96 |
| (A/cm2k4) | 1.86 × 10−9 | 1.288 × 10−8 | 10.5 × 10−6 |
| 2 | 2 | 2 | |
| 7.5 × 10−4 | 5.405 × 10−4 | 4.774 × 10−4 | |
| 500 | 204 | 235 |
| Parameter | Value |
|---|---|
| (Ah) | 2.55 |
| (v) | 0.0152 |
| (v) | 0.071 |
| (Ah−1) | 2.893 |
| (Ω) | 0.1138 |
Publisher’s Note: MDPI stays neutral with regard to jurisdictional claims in published maps and institutional affiliations. |
© 2022 by the authors. Licensee MDPI, Basel, Switzerland. This article is an open access article distributed under the terms and conditions of the Creative Commons Attribution (CC BY) license (https://creativecommons.org/licenses/by/4.0/).
Share and Cite
Hamed, S.B.; Hamed, M.B.; Sbita, L.; Bajaj, M.; Blazek, V.; Prokop, L.; Misak, S.; Ghoneim, S.S.M. Robust Optimization and Power Management of a Triple Junction Photovoltaic Electric Vehicle with Battery Storage. Sensors 2022, 22, 6123. https://doi.org/10.3390/s22166123
Hamed SB, Hamed MB, Sbita L, Bajaj M, Blazek V, Prokop L, Misak S, Ghoneim SSM. Robust Optimization and Power Management of a Triple Junction Photovoltaic Electric Vehicle with Battery Storage. Sensors. 2022; 22(16):6123. https://doi.org/10.3390/s22166123
Chicago/Turabian StyleHamed, Salah Beni, Mouna Ben Hamed, Lassaad Sbita, Mohit Bajaj, Vojtech Blazek, Lukas Prokop, Stanislav Misak, and Sherif S. M. Ghoneim. 2022. "Robust Optimization and Power Management of a Triple Junction Photovoltaic Electric Vehicle with Battery Storage" Sensors 22, no. 16: 6123. https://doi.org/10.3390/s22166123
APA StyleHamed, S. B., Hamed, M. B., Sbita, L., Bajaj, M., Blazek, V., Prokop, L., Misak, S., & Ghoneim, S. S. M. (2022). Robust Optimization and Power Management of a Triple Junction Photovoltaic Electric Vehicle with Battery Storage. Sensors, 22(16), 6123. https://doi.org/10.3390/s22166123

