A Low-Computing-Complexity Touch Signal Detection Method and Analog Front-End Circuits Based on Cross-Correlation Technology for Large-Size Touch Panel
Abstract
:1. Introduction
- A novel cross-correlation operation AFE architecture and analog cross-correlation computing circuits are proposed;
- The proposed cross-correlation AFE method achieved the detection of the weak touch signal submerged in the large display panel noise;
- The proposed cross-correlation multi-frequency driving AFE realizes a high frame rate without complex FFT circuits to reduce the die area and power consumption;
- The proposed touch signal detection method only samples and processes the signals around the touch points rather than full-screen data to decrease the computing complexity and ADC acquisition number.
2. Channel Difference and Cross-Correlation Analysis
2.1. Channel Difference Analysis
2.2. Cross-Correlation Analysis
3. The Proposed Low-Computing-Complexity Acquisition Analog Front-End
3.1. The Architecture of the Proposed Low-Computing-Complexity AFE
- Step 1: The cross-correlation operation of the RX signal and RX signal passing through the symbol function realizes the on/off judgment function of the touch point of the RX channel;
- Step 2: The cross-correlation operations of the RX signal with the touch point and each TX signal realize the on/off judgment function of the touch point of the TX channel. Rough touch point coordinates are obtained after the above two steps;
- Step 3: The cross-correlation values around the touch point are sampled precisely by the 12-bit SAR-VCO ADC and sent to MCU;
- Step 4: The touch point coordinates are accurately calculated with MCU and mapped to display coordinates.
3.2. The Circuit Implementation of the Proposed Cross-Correlation AFE
3.2.1. The RX Judgment Circuit
3.2.2. The TX Judgment Circuit
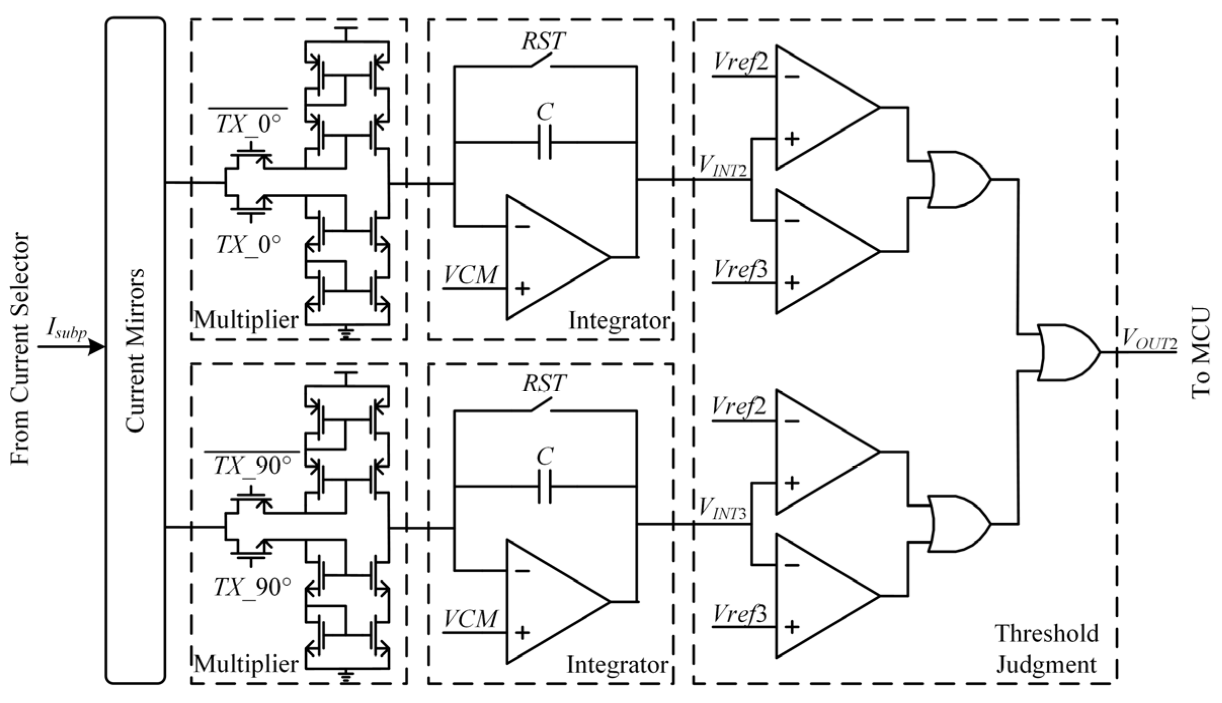
3.2.3. The Precise Cross-Correlation Sample Circuit
4. Results and Discussion
5. Conclusions
Author Contributions
Funding
Institutional Review Board Statement
Informed Consent Statement
Data Availability Statement
Acknowledgments
Conflicts of Interest
References
- Kwon, O.K.; An, J.S.; Hong, S.K. Capacitive touch systems with styli for touch sensors: A review. IEEE Sens. J. 2018, 18, 4832–4846. [Google Scholar] [CrossRef]
- Jang, H.; Shin, H.; Lee, J.; Yoo, C.; Chun, K.; Yun, I. A 51dB-SNR 120Hz-scan-rate 32 × 18 segmented-VCOM LCD in-cell touch-display-driver IC with 96-channel compact shunt-sensing self-capacitance analog front-end. In Proceedings of the 2020 IEEE International Solid- State Circuits Conference (ISSCC), San Francisco, CA, USA, 16–20 February 2020. [Google Scholar]
- Heo, S.; Ma, H.; Song, J.; Park, K.; Choi, E.-H.; Kim, J.J.; Bien, F. 72 dB SNR, 240 Hz Frame Rate Readout IC With Differential Continuous-Mode Parallel Architecture for Larger Touch-Screen Panel Applications. IEEE Trans. Circuits Syst. I Regul. Pap. 2016, 63, 960–971. [Google Scholar] [CrossRef]
- Hu, Y.S.; Huang, L.Y.; Chen, H.S. A 0.6 V 1.63 fJ/c.-s. detective open-loop dynamic system buffer for SAR ADC in zero-capacitor TDDI system. IEEE J. Solid-State Circuits 2019, 54, 2680–2690. [Google Scholar] [CrossRef]
- Jang, Y.-S.; Ko, Y.-H.; Choi, J.-M.; Oh, H.-S.; Lee, S.-G. A 45-dB, 150-Hz, and 18-mW Touch Controller for On-Cell Capacitive TSP Systems. IEEE Trans. Circuits Syst. II Express Briefs 2014, 61, 748–752. [Google Scholar] [CrossRef]
- Lee, C.-J.; Park, J.K.; Piao, C.; Seo, H.-E.; Choi, J.; Chun, J.-H. Mutual Capacitive Sensing Touch Screen Controller for Ultrathin Display with Extended Signal Passband Using Negative Capacitance. Sensors 2018, 18, 3637. [Google Scholar] [CrossRef] [Green Version]
- Park, J.; Hwang, Y.H.; Oh, J.; Song, Y.; Park, J.E.; Jeong, D.K. A mutual capacitance touch readout IC with 64% reduced-power adiabatic driving over heavily coupled touch screen. IEEE J. Solid-State Circuits 2019, 54, 1694–1704. [Google Scholar] [CrossRef]
- Ko, S.H.; Yang, B.D. An Ultra-Compact Low Power Self-Capacitive Touch Screen Readout IC Embedding Reconfigurable Noise Immunity and Current-Driven Capacitance Compensation. IEEE Trans. Circuits Syst. II Express Briefs 2018, 66, 1321–1325. [Google Scholar] [CrossRef]
- Park, K.; Oh, S.; Heo, S.; Shin, S.; Bien, F. 17-aFrms resolution noise-immune fingerprint scanning analog front-end for under-glass mutual-capacitive fingerprint sensors. IEEE Tran. Circuits Syst. I Reg. Pap. 2021, 69, 1135–1147. [Google Scholar] [CrossRef]
- Hussaini, S.; Jiang, H.; Walsh, P.; MacSweeney, D.; Makinwa, K.A. A 15-nW per Sensor Interference-Immune Readout IC for Capacitive Touch Sensors. IEEE J. Solid-State Circuits 2019, 54, 1874–1882. [Google Scholar] [CrossRef] [Green Version]
- Ko, S.H. A −24 dB in-Band Noise-Immunity Mutual Capacitance Readout System for Variable Refresh Rate of Active-Matrix OLED Display. IEEE Trans. Circuits Syst. I Regul. Pap. 2019, 67, 1126–1135. [Google Scholar] [CrossRef]
- Park, E.; Park, J.; Hwang, Y.H.; Oh, J.; Jeong, D.K. A noise-immunity-enhanced analog front-end for 36 × 64 touch-screen controllers with 20-Vpp noise tolerance at 100 kHz. IEEE J. Solid-State Circuits 2019, 54, 1497–1510. [Google Scholar] [CrossRef]
- Lim, G.W.; Kang, G.G.; Ma, H.; Jeong, M.; Kim, H.S. A 10b source-driver IC with LSB-stacked LV-to-HV-amplify DAC achieving 2688 μm2/channel and 4.8 mV DVO for mobile OLED displays. In Proceedings of the 2022 IEEE International Solid- State Circuits Conference (ISSCC), San Francisco, CA, USA, 20–26 February 2022. [Google Scholar]
- Lee, C.-J.; Park, J.K.; Seo, H.-E.; Huh, J.; Chun, J.-H. Fully Differential Touch Screen Controller with Wide Input Dynamic Range for Thin Displays. Sensors 2020, 20, 837. [Google Scholar] [CrossRef] [PubMed] [Green Version]
- An, J.-S.; Han, S.-H.; Kim, J.E.; Yoon, D.-H.; Kim, Y.-H.; Hong, H.-H.; Ye, J.-H.; Jung, S.-J.; Lee, S.-H.; Jeong, J.-Y.; et al. A 3.9-kHz Frame Rate and 61.0-dB SNR Analog Front-End IC With 6-bit Pressure and Tilt Angle Expressions of Active Stylus Using Multiple-Frequency Driving Method for Capacitive Touch Screen Panels. IEEE J. Solid-State Circuits 2017, 53, 187–203. [Google Scholar] [CrossRef]
- Miyamoto, M.; Hamaguchi, M.; Nagao, A. A 143 × 81 mutual capacitance touch-sensing analog front-end with parallel drive and differential sensing Architecture. IEEE J. Solid-State Circuits 2014, 50, 335–343. [Google Scholar] [CrossRef]
- Miura, N.; Dosho, S.; Tezuka, H.; Miki, T.; Fujimoto, D.; Kiriyama, T.; Nagata, M. A 1 mm pitch 80 × 80 channel 322 Hz frame-rate multitouch distribution sensor with two-step dual-mode capacitance scan. IEEE J. Solid-State Circuits 2015, 50, 2741–2749. [Google Scholar] [CrossRef]
- Seong, S.; Lee, S.; Bae, S.; Lee, M. Alternating panel charge sharing technique for touch screen panel self-capacitance sensing IC. Electron. Lett. 2020, 56, 1103–1105. [Google Scholar] [CrossRef]
- Kong, B.Y.; Lee, J.; Park, I.C. A low-latency multi-touch detector based on concurrent processing of redesigned overlap split and connected component analysis. IEEE Tran. Circuits Syst. I Reg. Pap. 2020, 67, 166–176. [Google Scholar] [CrossRef]
- Hwang, H.; Lee, H.; Han, M.; Kim, H.; Chae, Y. A 1.8-V 6.9-mW 120-fps 50-Channel capacitive touch readout with current conveyor AFE and current-driven ΔΣ ADC. IEEE J. Solid-State Circuits 2018, 53, 204–218. [Google Scholar] [CrossRef]
- Du, L.; Zhang, Y.; Liu, C.C.; Tang, A.; Hsiao, F.; Chang, M.C.F. A 2.3-mW 11-cm range bootstrapped and correlated-double-sampling three-dimensional touch sensing circuit for mobile devices. IEEE Trans. Circuits Syst. II Exp. Briefs 2016, 64, 96–100. [Google Scholar] [CrossRef]
- Huh, Y.; Hong, S.W.; Park, S.H.; Shin, C.; Bang, J.S.; Park, C.; Park, S.; Cho, G.H. A 10.1” 183 μW/electrode, 0.73-mm2/sensor high-SNR 3-D hover sensor based on enhanced signal refining and fine error calibrating techniques. IEEE J. Solid-State Circuits 2018, 53, 1079–1088. [Google Scholar] [CrossRef]
- Choi, E.; Kim, S.; Park, K.; Heo, S.; Ma, H.; Namgoong, G.; Kim, H.; Bien, F. A 32-dB SNR readout IC with 20-Vpp Tx using on-chip DM-TISM in HV BCD process for mutual-capacitive fingerprint sensor. IEEE Trans. Circuits Syst. II Exp. Briefs 2019, 67, 1224–1228. [Google Scholar] [CrossRef]
- Song, T.G.; Kim, D.K.; Cho, J.H.; Lee, J.H.; Kim, H.S. A 50.7-dB-DR finger-resistance extracting multi-touch sensor IC for soft classification of fingers contacted on 6.7-in capacitive touch screen panel. IEEE J. Solid-State Circuits 2021, 56, 3470–3485. [Google Scholar] [CrossRef]
- An, J.S.; Ra, J.H.; Kang, E.; Pertijs, M.A.; Han, S.H. A readout IC for capacitive touch screen panels with 33.9 dB charge-overflow reduction using amplitude-modulated multi-frequency excitation. IEEE J. Solid-State Circuits 2021, 56, 3486–3498. [Google Scholar] [CrossRef]
- Guo, X.; Li, H. A novel analog-front-end circuit of the touch system for display panel. In Proceedings of the 20th IEEE International NEWCAS Conference, Quebec City, QC, Canada, 19–22 June 2022. [Google Scholar]
- Kim, S.; Cho, S.; Pu, Y.; Yoo, S.S.; Lee, M.; Hwang, K.C.; Lee, K.Y. A 39.5-dB SNR, 300-Hz frame-rate, 56 × 70 channel read-out IC for electromagnetic resonance touch panels. IEEE Trans. Ind. Electron. 2017, 65, 5001–5011. [Google Scholar] [CrossRef]
- Kim, S.Y.; Samadpoor, R.B.; Pu, Y.G. A high noise immunity, 28 × 16 channel finger touch sensing IC using OFDM and frequency translation technique. Sensors 2018, 18, 1652. [Google Scholar] [CrossRef] [Green Version]
- Heo, S.; Park, K.; Choi, E.H.; Bien, F. Differential coded multiple signaling method with fully differential receiver for mutual capacitive fingerprint TSP. IEEE Trans. Circuits Syst. I Reg. Pap. 2019, 67, 74–85. [Google Scholar] [CrossRef]
- An, J.S.; Han, S.H.; Park, K.B.; Kim, J.E.; Ye, J.H.; Lee, S.H.; Kwon, O.K. Multi-way interactive capacitive touch system with palm rejection of active stylus for 86” touch screen panels. In Proceedings of the 2018 IEEE International Solid-State Circuits Conference (ISSCC), San Francisco, CA, USA, 11–15 February 2018. [Google Scholar]
- Park, S.H.; Kim, H.S.; Bang, J.S.; Cho, G.H.; Cho, G.H. A 0.26-nJ/node, 400-kHz Tx driving, filtered fully differential readout IC with parasitic RC time delay reduction technique for 65-in 169 × 97 capacitive-type touch screen panel. IEEE J. Solid-State Circuits 2016, 52, 528–542. [Google Scholar] [CrossRef]
- An, J.S.; Han, S.H.; Ye, J.H. A sensing mode reconfigurable analog front-end IC for capacitive touch and a-IGZO TFT-based active-matrix capacitive fingerprint sensors. IEEE Sens. J. 2019, 19, 11544–11552. [Google Scholar] [CrossRef]
- Cheon, J.; Lee, D.; Choi, H. A CMOS image sensor with a novel passive pixel array and high precision current amplifier for a compact digital X-ray detector. J. Med. Imaging Health Inform. 2020, 10, 2745–2753. [Google Scholar] [CrossRef]
- Heydari, P. Noise analysis of passive sampling mixers using auto- and cross-correlation functions. In Proceedings of the IEEE International Symposium on Circuits and Systems (ISCAS), Daegu, Korea, 22–28 May 2021. [Google Scholar]
- ATMEL. Touch Sensors Design Guide; 10620E-AT42; ATMEL: San Jose, CA, USA, 2004. [Google Scholar]















| Parameters | JSSC 2019 [12] | CAS-I 2020 [11] | Sensors J. 2019 [32] | JSSC 2021 [24] | Sensors 2020 [14] | This Work | 
|---|---|---|---|---|---|---|
| Process | 0.18 μm | 0.13 μm | 0.13 μm | 0.18 μm | 0.35 μm | 0.11 μm | 
| Supply | 3.3 V | 3 V | 3.3/20 V | 3.3 V | 3.3 V | 1.2/3.3 V | 
| Frame Rate | 120 Hz | 240 Hz | 120 Hz | 120 Hz | 250 Hz | ~3846 Hz@ 1 point; ~384.6 Hz@ 10 points | 
| Channels | TX: 36; RX: 64 | TX: 31; RX: 15 | 128 × 72 | TX: 8; RX: 17 | TX: 15; RX: 12 | TX: 32; RX: 32 | 
| Total Channels | 100 | 46 | 200 | 25 | 27 | 62 | 
| Power | 94.5 mW | 11.5 mW | 65.31 mW | 12 mW | 10.4 mW | 14.55 mW | 
| Average Power | 0.945 mW/channel | 0.25 mW/channel | 0.327 mW/channel | 0.48 mW/channel | 0.385 mW/channel | 0.227 mW/channel | 
| Active Area | 36 mm2 | 1.49 mm2 | 56.25 mm2 | 3.04 mm2 | 4.1 mm2 | 0.988 mm2 | 
| Average Area | 0.36 mm2/channel | 0.032 mm2/channel | 0.281 mm2/channel | 0.122 mm2/channel | 0.152 mm2/channel | 0.015 mm2/channel | 
| SNR | 54 dB | 54.2 dB | 47.8 dB | 37.5 dB | 41 dB | 46.1 dB | 
| Application | 12.2 inch | 5.3 inch | 32 inch | 6.7 inch | N/A | 65 inch | 
| ADC Number | 32 | 31 | 128 | 1 (shared) | 5 | 1 | 
| Computing Complexity | MN | MN | MN | MN | MN | M + nN | 
| Publisher’s Note: MDPI stays neutral with regard to jurisdictional claims in published maps and institutional affiliations. | 
© 2022 by the authors. Licensee MDPI, Basel, Switzerland. This article is an open access article distributed under the terms and conditions of the Creative Commons Attribution (CC BY) license (https://creativecommons.org/licenses/by/4.0/).
Share and Cite
Guo, X.; Li, H.; Chen, Y.; Sun, W. A Low-Computing-Complexity Touch Signal Detection Method and Analog Front-End Circuits Based on Cross-Correlation Technology for Large-Size Touch Panel. Sensors 2022, 22, 4354. https://doi.org/10.3390/s22124354
Guo X, Li H, Chen Y, Sun W. A Low-Computing-Complexity Touch Signal Detection Method and Analog Front-End Circuits Based on Cross-Correlation Technology for Large-Size Touch Panel. Sensors. 2022; 22(12):4354. https://doi.org/10.3390/s22124354
Chicago/Turabian StyleGuo, Xiaoyu, Hongge Li, Yuhao Chen, and Wei Sun. 2022. "A Low-Computing-Complexity Touch Signal Detection Method and Analog Front-End Circuits Based on Cross-Correlation Technology for Large-Size Touch Panel" Sensors 22, no. 12: 4354. https://doi.org/10.3390/s22124354
APA StyleGuo, X., Li, H., Chen, Y., & Sun, W. (2022). A Low-Computing-Complexity Touch Signal Detection Method and Analog Front-End Circuits Based on Cross-Correlation Technology for Large-Size Touch Panel. Sensors, 22(12), 4354. https://doi.org/10.3390/s22124354
 
         
                                                



 
       