Development of a Wireless Corrosion Detection System for Steel-Framed Structures Using Pulsed Eddy Currents
Abstract
:1. Introduction
2. Pulsed Eddy Current Response
3. Corrosion Remote Monitoring System
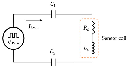
3.1. Sensor Node Design
3.2. Networking and Monitoring
4. Experimental Section
5. Result
6. Conclusions
Author Contributions
Funding
Institutional Review Board Statement
Informed Consent Statement
Data Availability Statement
Conflicts of Interest
References
- Kralovec, C.; Schagerl, M. Review of Structural Health Monitoring Methods Regarding a Multi-Sensor Approach for Damage Assessment of Metal and Composite Structures. Sensors 2020, 20, 826. [Google Scholar] [CrossRef] [Green Version]
- Lei, X.M.; Sun, L.M.; Xia, Y. Lost data reconstruction for structural health monitoring using deep convolutional generative adversarial net-works. Struct. Health Monit. 2021, 20, 2069–2087. [Google Scholar] [CrossRef]
- Xia, Y.; Lei, X.; Wang, P.; Liu, G.; Sun, L. Long-term performance monitoring and assessment of concrete beam bridges using neutral axis indicator. Struct. Control. Health Monit. 2020, 27, e2637. [Google Scholar] [CrossRef]
- Kintner-Meyer, M.; Brambley, M.; Carlon, T.; Bauman, N. Wireless Sensors: Technology and Cost-Savings for Commercial Buildings. Inf. Electron. Technol. Promises Pitfalls 2002, 7, 121–134. [Google Scholar]
- Agdas, D.; Rice, J.A.; Martinez, J.R.; Lasa, I.R. Comparison of Visual Inspection and Structural-Health Monitoring as Bridge Condition Assessment Methods. J. Perform. Constr. Facil. 2016, 30, 04015049. [Google Scholar] [CrossRef] [Green Version]
- Liu, X.C.; Cui, F.Y.; Zhan, X.X.; Yu, C.; Jiang, Z.Q. Seismic performance of bolted connection of H-beam to HSS-column with web end-plate. J. Constr. Steel Res. 2019, 156, 167–181. [Google Scholar] [CrossRef]
- Lynch, J.M.; Rakowski, H.E. Steel-framed Parking Garage Corrosion Assessment, Structural Analysis, and Shoring Repairs. Forensic Eng. 2018, 866–878. [Google Scholar]
- Wang, X.; Liu, Y.; Yang, F.; Lu, Y.; Li, X. Effect of concrete cover on the bond-slip behavior between steel section and concrete in SRC structures. Const. Build. Mater. 2019, 229, 116855. [Google Scholar] [CrossRef]
- Bao, A.; Gulasey, M.; Guillaume, C.; Levitova, N.; Moraes, A.; Satter, C. Structural Capacity Analysis of Corroded Steel Girder Bridges. In Proceedings of the 3rd International Conference on Civil, Structural and Transportation Engineering, Niagara Falls, ON, Canada, 10–12 June 2018. [Google Scholar] [CrossRef]
- Zhang, Y.; Wang, M.; Yu, L.; Guo, X.; Wang, Z.; Jiang, Y. Bond-slip behavior between corroded I-shaped steel and concrete in a subsea tunnel. Eng. Fail. Anal. 2020, 120, 105061. [Google Scholar] [CrossRef]
- Elsener, B. Corrosion of steel in concrete. Mater. Sci. Technol. 2000, 23, 389–436. [Google Scholar]
- Sophian, A.; Tian, G.Y.; Taylor, D.; Rudlin, J. Electromagnetic and eddy current NDT: A review. Insight 2001, 43, 302–306. [Google Scholar]
- Sophian, A.; Tian, G.; Fan, M. Pulsed Eddy Current Non-destructive Testing and Evaluation: A Review. Chin. J. Mech. Eng. 2017, 30, 500–514. [Google Scholar] [CrossRef] [Green Version]
- Lai, W.; Kind, T.; Wiggenhauser, H. Frequency-dependent dispersion of high-frequency ground penetrating radar wave in concrete. NDT E Int. 2011, 44, 267–273. [Google Scholar] [CrossRef]
- Lu, C.; Peiyu, Y. An algorithm of galvanostatic pulse method to determine the corrosion status of reinforcement in concrete. Corros. Sci. 2000, 42, 675–686. [Google Scholar] [CrossRef]
- Hassan, M.R.A.; Bakar, M.H.A.; Dambul, K.; Adikan, F.R.M. Optical-based sensors for monitoring corrosion of reinforcement rebar via an etched Cladding Bragg grating. Sensors 2012, 12, 15820–15826. [Google Scholar] [CrossRef] [PubMed] [Green Version]
- Sharma, S.; Mukherjee, A. Longitudinal guided waves for monitoring chloride corrosion in reinforcing bars in concrete. Struct. Health Monit. 2010, 9, 555–567. [Google Scholar] [CrossRef]
- Bagavathiappan, S.; Lahiri, B.B.; Saravanan, T.; Philip, J.; Jayakumar, T. Infrared thermography for condition monitoring—A review. Infrared Phys. Technol. 2013, 60, 35–55. [Google Scholar] [CrossRef]
- Alcantara, N.P.D.; Silva, F.M.D.; Guimarães, M.T. Corrosion Assessment of Steel Bars Used in Reinforced Concrete Structures by Means of Eddy Current Testing. Sensors 2015, 16, 15–33. [Google Scholar] [CrossRef] [Green Version]
- Sodsai, K.; Noipitak, M.; Sae-Tang, W. Detection of Corrosion under Coated Surface by Eddy Current Testing Method. In Proceedings of the 2019 7th International Electrical Engineering Congress (iEECON), Hua Hin, Thailand, 6–8 March 2019; pp. 1–4. [Google Scholar]
- Camerini, C.; Rebello, J.M.A.; Braga, L.; Santos, R.; Chady, T.; Psuj, G.; Pereira, G. In-Line Inspection Tool with Eddy Current Instrumentation for Fatigue Crack Detection. Sensors 2018, 18, 2161. [Google Scholar] [CrossRef] [Green Version]
- He, Y.; Tian, G.; Zhang, H.; Alamin, M.; Simm, A.; Jackson, P. Steel Corrosion Characterization Using Pulsed Eddy Current Systems. IEEE Sens. J. 2012, 12, 2113–2120. [Google Scholar] [CrossRef]
- Huang, C.; Wu, X. An improved ferromagnetic material pulsed eddy current testing signal processing method based on nu-merical cumulative integration. NDT E Int. 2015, 69, 35–39. [Google Scholar] [CrossRef]
- Shu, L.; Songling, H.; Wei, Z.; Peng, Y. Study of pulse eddy current probes detecting cracks extending in all directions. Sens. Actuators A Phys. 2008, 141, 13–19. [Google Scholar] [CrossRef]
- Tian, G.Y.; Sophian, A. Defect classification using a new feature for pulsed eddy current sensors. NDT E Int. 2004, 38, 77–82. [Google Scholar] [CrossRef]
- Lebrun, B.; Jayet, Y.; Baboux, J.C. Pulsed eddy current signal analysis: Application to the experimental detection and charac-terization of deep flaws in highly conductive materials. NDT E Int. 1997, 30, 163–170. [Google Scholar] [CrossRef]
- Ulapane, N.; Alempijevic, A.; Vidal Calleja, T.; Valls Miro, J. Pulsed eddy current sensing for critical pipe condition assess-ment. Sensors 2017, 17, 2208. [Google Scholar] [CrossRef]
- Alamin, M.; Tian, G.Y.; Andrews, A.; Jackson, P. Principal Component Analysis of Pulsed Eddy Current Response From Corrosion in Mild Steel. IEEE Sens. J. 2012, 12, 2548–2553. [Google Scholar] [CrossRef]
- Li, Y.; Yan, B.; Li, D.; Li, Y.L.; Zhou, D. Gradient-field pulsed eddy current probes for imaging of hidden corrosion in conduc-tive structures. Sens. Actuators A Phys. 2016, 238, 251–265. [Google Scholar] [CrossRef]
- Tian, G.Y.; Sophian, A. Reduction of lift-off effects for pulsed eddy current NDT. NDT E Int. 2005, 38, 319–324. [Google Scholar] [CrossRef]
- Tian, G.Y.; Li, Y.; Mandache, C. Study of Lift-Off Invariance for Pulsed Eddy-Current Signals. IEEE Trans. Magn. 2009, 45, 184–191. [Google Scholar] [CrossRef]
- He, Y.; Pan, M.; Luo, F.; Tian, G. Reduction of Lift-Off Effects in Pulsed Eddy Current for Defect Classification. IEEE Trans. Magn. 2011, 47, 4753–4760. [Google Scholar] [CrossRef]
- Landolfo, R.; Cascini, L.; Portioli, F. Modeling of metal structure corrosion damage: A state of the art re-port. Sustainability 2010, 2, 2163–2175. [Google Scholar] [CrossRef] [Green Version]
- Wang, H.; Li, W.; Feng, Z. Noncontact Thickness Measurement of Metal Films Using Eddy-Current Sensors Immune to Dis-tance Variation. IEEE Trans. Inst. 2015, 64, 2557–2564. [Google Scholar] [CrossRef]











Publisher’s Note: MDPI stays neutral with regard to jurisdictional claims in published maps and institutional affiliations. |
© 2021 by the authors. Licensee MDPI, Basel, Switzerland. This article is an open access article distributed under the terms and conditions of the Creative Commons Attribution (CC BY) license (https://creativecommons.org/licenses/by/4.0/).
Share and Cite
Ha, N.; Lee, H.-S.; Lee, S. Development of a Wireless Corrosion Detection System for Steel-Framed Structures Using Pulsed Eddy Currents. Sensors 2021, 21, 8199. https://doi.org/10.3390/s21248199
Ha N, Lee H-S, Lee S. Development of a Wireless Corrosion Detection System for Steel-Framed Structures Using Pulsed Eddy Currents. Sensors. 2021; 21(24):8199. https://doi.org/10.3390/s21248199
Chicago/Turabian StyleHa, Namhoon, Han-Seung Lee, and Songjun Lee. 2021. "Development of a Wireless Corrosion Detection System for Steel-Framed Structures Using Pulsed Eddy Currents" Sensors 21, no. 24: 8199. https://doi.org/10.3390/s21248199
APA StyleHa, N., Lee, H.-S., & Lee, S. (2021). Development of a Wireless Corrosion Detection System for Steel-Framed Structures Using Pulsed Eddy Currents. Sensors, 21(24), 8199. https://doi.org/10.3390/s21248199

