A Temperature-Compensation Technique for Improving Resolver Accuracy
Abstract
:1. Introduction
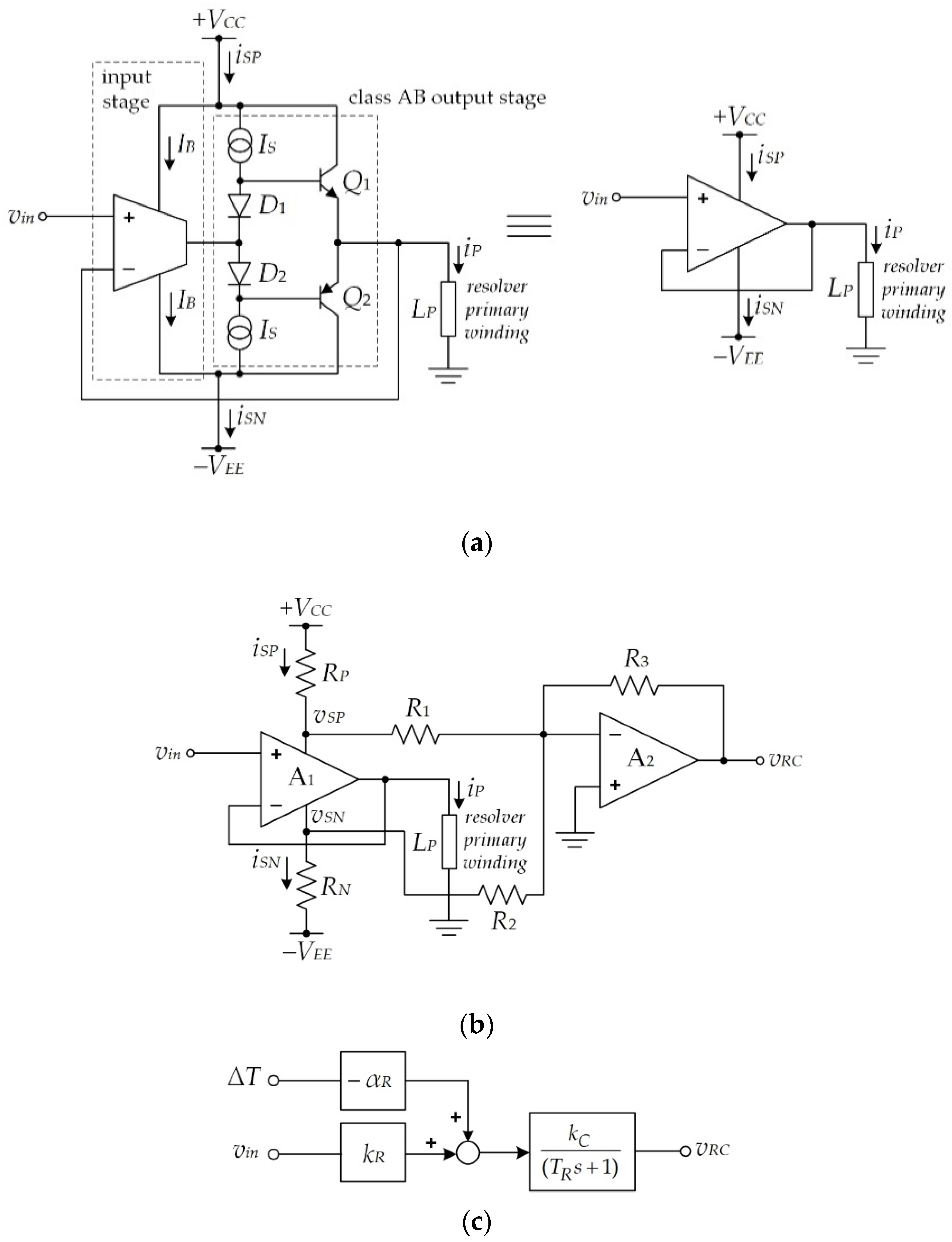
2. Principle
3. Temperature-Compensation Technique
4. Performance Analysis
5. Experimental Results
Author Contributions
Funding
Institutional Review Board Statement
Informed Consent Statement
Data Availability Statement
Conflicts of Interest
References
- Pallas-Areny, R.; Webster, J.G. Sensor and Signal Condition, 2nd ed.; John Wiley & Sons: New York, NY, USA, 2001; ISBN 0-471-33232-1. [Google Scholar]
 - Figueiredo, J. Resolver Models for Manufacturing. IEEE Trans. Ind. Electron. 2011, 58, 3693–3700. [Google Scholar] [CrossRef]
 - Petchmaneelumka, W.; Mano, P.; Songsuwankit, K.; Riewruja, V. High Accuracy Resolver-to-Linear Signal Converter. Int. J. Electron. 2018, 105, 1520–1534. [Google Scholar] [CrossRef]
 - Datlinger, C.; Hirz, M. Benchmark of Rotor Position Sensor Technologies for Application in Automotive Electric Drive Trains. Electronics 2020, 9, 1063. [Google Scholar] [CrossRef]
 - Attaianese, C.; Tomasso, G. Position Measurement in Industrial Drives by Means of Low-cost Resolver-to-digital Converter. IEEE Trans. Instrum. Meas. 2007, 56, 2155–2159. [Google Scholar] [CrossRef]
 - Li, Q.; Ding, F. Novel Displacement Eddy Current Sensor with Temperature Compensation for Electrohydraulic Valves. Sens. Actuators A 2005, 122, 83–87. [Google Scholar] [CrossRef]
 - Sun, L.; Taylor, J.; Guo, X.; Cheng, M.; Emadi, A. A Linear Position Measurement Scheme for Long-Distance and High-Speed Applications. IEEE Trans. Ind. Electron. 2021, 68, 4435–4447. [Google Scholar] [CrossRef]
 - Cetinkunt, S. Mechatronics; John Wiley & Sons: New York, NY, USA, 2006; ISBN 978-0-471-47987-1. [Google Scholar]
 - Casanella, R.; Casas, O.; Pallas-Areny, R. Differential Synchronous Demodulator for Modulating, Sensors and Impedance Measurements. Meas. Sci. Tech. 2005, 16, 1637–1643. [Google Scholar] [CrossRef]
 - Koukourlis, C.S.; Trigonidis, V.K.; Sahalos, J.N. Differential Synchronous Demodulation for Small-signal Amplitude Estimation. IEEE Trans. Instrum. Meas. 1993, 42, 926–931. [Google Scholar] [CrossRef]
 - Petchmaneelumka, W.; Songsuwankit, K.; Riewruja, V. Accurate LVDT Signal Converter. Int. Rev. Electr. Eng.-I 2016, 11, 340–347. [Google Scholar] [CrossRef]
 - Tongcharoen, J.; Petchmaneelumka, W.; Riewruja, V. Low-Cost Resolver-to-DC Converter. In Proceedings of the 15th International Conference on Control, Automation and Systems, Busan, Korea, 13–16 October 2015; pp. 1699–1702. [Google Scholar] [CrossRef]
 - Wang, Y.; Zhu, Z.; Zuo, Z. A Novel Design Method for Resolver-to-digital Conversion. IEEE Trans. Ind. Electron. 2015, 62, 3724–3731. [Google Scholar] [CrossRef]
 - Shi, T.; Hao, Y.; Jiang, G.; Wang, Z.; Xia, C. A Method of Resolver-to-Digital Conversion Based on Square Wave Excitation. IEEE Trans. Ind. Electron. 2018, 65, 7211–7219. [Google Scholar] [CrossRef]
 - Wang, K.; Wu, Z. Oversampling Synchronous Envelope Detection for Resolver-to-Digital Conversion. IEEE Trans. Ind. Electron. 2020, 67, 4867–4876. [Google Scholar] [CrossRef]
 - Qin, H.; Wu, Z. Angle Tracking Observer with Improved Accuracy for Resolver-to-Digital Conversion. Symmetry 2019, 11, 1347. [Google Scholar] [CrossRef] [Green Version]
 - Estrabis, T.; Gentil, G.; Cordero, R. Development of a Resolver-to-Digital Converter Based on Second-Order Difference Generalized Predictive Control. Energies 2021, 14, 459. [Google Scholar] [CrossRef]
 - Hwang, S.H.; Kim, H.J.; Kim, J.M.; Liu, L.; Li, H. Compensation of Amplitude Imbalance and Imperfect Quadrature in Resolver Signals for PMSM Drives. IEEE Trans. Ind. Appl. 2011, 47, 134–143. [Google Scholar] [CrossRef]
 - Strayer, L.R.; Lutton, M.D.; Begley, C.C. Temperature Compensation of an Inductive Sensor. U.S. Patent 2003/0052696A1, 20 March 2003. [Google Scholar]
 - Zheng, S.; Wang, Y.; Ren, H. Simultaneous Temperature Compensation and Synchronous Error Elimination for Axial Displacement Sensors Using an Auxiliary Probe. IEEE Trans. Ind. Electron. 2016, 63, 3179–3186. [Google Scholar] [CrossRef]
 - Wang, H.; Ju, B.; Li, W.; Feng, Z. Ultrastable Eddy Current Displacement Sensor Working in Harsh Temperature Environments with Comprehensive Self-temperature Compensation. Sens. Actuators A 2014, 211, 98–104. [Google Scholar] [CrossRef]
 - Lv, Y.T.; Zhu, C.S. High temperature eddy current displacement sensor based on temperature drift compensation. J. Zhejiang Univ. (Eng. Sci.) 2015, 4, 749–753. [Google Scholar]
 - Grima, A.; Castro, M.D.; Masi, A.; Sammut, N. Design Enhancements of an Ironless Inductive Position Sensor. IEEE Trans. Instrum. Meas. 2020, 69, 1362–1369. [Google Scholar] [CrossRef]
 - Wu, L.; Zhao, G.; Ying, J.; Feng, Z. A Thermal Drift Compensation Method for Precision Sensors Considering Historical Temperature State. IEEE Trans. Ind. Electron. 2021, 68. [Google Scholar] [CrossRef]
 - Zhao, Z.; Liu, Z.; Lyu, Y.; Gao, Y. Experimental Investigation of High Temperature-Resistant Inductive Sensor for Blade Tip Clearance Measurement. Sensors 2019, 19, 61. [Google Scholar] [CrossRef] [PubMed] [Green Version]
 - Wang, H.B.; Feng, Z.H. Ultrastable and highly sensitive eddy current displacement sensor using self-temperature compensation. Sens. Actuators A 2013, 203, 362–368. [Google Scholar] [CrossRef]
 - Petchmaneelumka, W.; Rerkratn, A.; Luangpol, A.; Riewruja, V. Compensation of Temperature Effect for LVDT Transducer. J. Circuit Syst. Comp. 2018, 27, 1850182. [Google Scholar] [CrossRef]
 - Melkebeek, J.A. Electrical Machines and Drives: Fundamentals and Advanced Modelling; Springer: Cham, Switzerland, 2018; ISBN 978-3-319-72730-1. [Google Scholar]
 - Riewruja, V.; Kamsri, T. Square-rooting and Absolute Function Circuits using Operational Amplifiers. IET Circuits Devices Syst. 2009, 3, 57–63. [Google Scholar] [CrossRef]
 - Riewruja, V.; Rerkratn, A. Analog Multiplier using Operational Amplifier. Indian J. Pure Appl. Phys. 2010, 48, 67–70. [Google Scholar]
 - Riewruja, V.; Rerkratn, A. Four-quadrant Analogue Multiplier using Operational Amplifier. Int. J. Electron. 2011, 98, 459–474. [Google Scholar] [CrossRef]
 - Nasir, B.A. An Accurate Iron Core Loss Model in Equivalent Circuit of Induction Machines. J. Energy 2020, 2020, 7613737. [Google Scholar] [CrossRef]
 











Publisher’s Note: MDPI stays neutral with regard to jurisdictional claims in published maps and institutional affiliations.  | 
© 2021 by the authors. Licensee MDPI, Basel, Switzerland. This article is an open access article distributed under the terms and conditions of the Creative Commons Attribution (CC BY) license (https://creativecommons.org/licenses/by/4.0/).
Share and Cite
Petchmaneelumka, W.; Riewruja, V.; Songsuwankit, K.; Rerkratn, A. A Temperature-Compensation Technique for Improving Resolver Accuracy. Sensors 2021, 21, 6069. https://doi.org/10.3390/s21186069
Petchmaneelumka W, Riewruja V, Songsuwankit K, Rerkratn A. A Temperature-Compensation Technique for Improving Resolver Accuracy. Sensors. 2021; 21(18):6069. https://doi.org/10.3390/s21186069
Chicago/Turabian StylePetchmaneelumka, Wandee, Vanchai Riewruja, Kanoknuch Songsuwankit, and Apinai Rerkratn. 2021. "A Temperature-Compensation Technique for Improving Resolver Accuracy" Sensors 21, no. 18: 6069. https://doi.org/10.3390/s21186069
APA StylePetchmaneelumka, W., Riewruja, V., Songsuwankit, K., & Rerkratn, A. (2021). A Temperature-Compensation Technique for Improving Resolver Accuracy. Sensors, 21(18), 6069. https://doi.org/10.3390/s21186069
        
                                                
