Irradiance Sensing through PV Devices: A Sensitivity Analysis
Abstract
:1. Introduction
2. Materials and Methods
2.1. Closed-Form Expression for Irradiance on a PV Device
2.2. Sensitivity Analysis
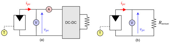
2.3. Two Approaches: Three-Measurement and Two-Measurement
3. Results
3.1. Voltage Sensitivity
3.2. Current Sensitivity and Sensing Resistance Sensitivity
3.3. Temperature Sensitivity
3.4. Total Sensitivity and Worst-Case Irradiance Perturbation
3.5. Measurement Prototype: The Smart Panel Sensor
3.6. Prototype Validation Workbench
4. Discussion
5. Conclusions
Author Contributions
Funding
Institutional Review Board Statement
Conflicts of Interest
Appendix A. Quantities and Units of Measurements
| Symbol | Description | Unity of Measurement |
|---|---|---|
| PV device current | (A) | |
| PV device voltage | (V) | |
| PV device power (active sign convention) | (W) | |
| Photogenerated Current | (A) | |
| Series Resistance | (Ohm) | |
| Shunt Resistance | (Ohm) | |
| Reverse saturation current | (A) | |
| Ideality Factor | ||
| Boltzmann Constant | (eV/K) | |
| Silicon Bandgap Energy | (eV) | |
| Cell temperature | (K) | |
| Solar irradiance | (W/m2) | |
| PV device open circuit voltage | (V) | |
| PV device short circuit current | (A) | |
| PV device maximum power voltage | (V) | |
| PV device maximum power current | (A) | |
| PV device short circuit current temperature coefficient | (A/K) | |
| Sensitivity of Y with respect to X |
References
- Diagne, M.; David, M.; Lauret, P.; Boland, J.; Schmutz, N. Review of solar irradiance forecasting methods and a proposition for small-scale insular grids. Renew. Sustain. Energy Rev. 2013, 27, 65–76. [Google Scholar] [CrossRef] [Green Version]
- Chaibi, Y.; Allouhi, A.; Malvoni, M.; Salhi, M.; Saadani, R. Solar irradiance and temperature influence on the photovoltaic cell equivalent-circuit models. Sol. Energy 2019, 188, 1102–1110. [Google Scholar] [CrossRef]
- De Soto, W.; Klein, S.; Beckman, W. Improvement and validation of a model for photovoltaic array performance. Sol. Energy 2006, 80, 78–88. [Google Scholar] [CrossRef]
- King, D.L. Photovoltaic module and array performance characterization methods for all system operating conditions. AIP Conf. Proc. 1997, 394, 347–368. [Google Scholar]
- Du, Y.; Fell, C.; Duck, B.; Chen, D.; Liffman, K.; Zhang, Y.; Gu, M.; Zhu, Y. Evaluation of photovoltaic panel temperature in realistic scenarios. Energy Convers. Manag. 2016, 108, 60–67. [Google Scholar] [CrossRef]
- Udenze, P.; Hu, Y.; Wen, H.; Ye, X.; Ni, K. A Reconfiguration Method for Extracting Maximum Power from Non-Uniform Aging Solar Panels. Energies 2018, 11, 2743. [Google Scholar] [CrossRef] [Green Version]
- Ali, M.; Mahmoud, K.; Lehtonen, M.; Darwish, M. Promising MPPT Methods Combining Metaheuristic, Fuzzy-Logic and ANN Techniques for Grid-Connected Photovoltaic. Sensors 2021, 21, 1244. [Google Scholar] [CrossRef]
- Scolari, E.; Sossan, F.; Paolone, M. Photovoltaic-Model-Based Solar Irradiance Estimators: Performance Comparison and Application to Maximum Power Forecasting. IEEE Trans. Sustain. Energy 2017, 9, 35–44. [Google Scholar] [CrossRef] [Green Version]
- Laudani, A.; Lozito, G.M. Smart Distributed Sensing for Photovoltaic Applications. In 2019 PhotonIcs & Electromagnetics Research Symposium—Spring (PIERS-Spring); IEEE: Rome, Italy, 2019; pp. 2908–2916. [Google Scholar]
- Kumar, D.S.; Yagli, G.M.; Kashyap, M.; Srinivasan, D. Solar irradiance resource and forecasting: A comprehensive review. IET Renew. Power Gener. 2020, 14, 1641–1656. [Google Scholar] [CrossRef]
- Brenna, M.; Foiadelli, F.; Longo, M.; Zaninelli, D. Energy Storage Control for Dispatching Photovoltaic Power. IEEE Trans. Smart Grid 2018, 9, 2419–2428. [Google Scholar] [CrossRef] [Green Version]
- Pei, T.; Hao, X. A Fault Detection Method for Photovoltaic Systems Based on Voltage and Current Observation and Evaluation. Energies 2019, 12, 1712. [Google Scholar] [CrossRef] [Green Version]
- Oliveri, A.; Cassottana, L.; Laudani, A.; Fulginei, F.R.; Lozito, G.M.; Salvini, A.; Storace, M. Two FPGA-Oriented High-Speed Irradiance Virtual Sensors for Photovoltaic Plants. IEEE Trans. Ind. Inform. 2015, 13, 157–165. [Google Scholar] [CrossRef]
- Carrasco, M.; Laudani, A.; Lozito, G.M.; Mancilla-David, F.; Fulginei, F.R.; Salvini, A. Low-Cost Solar Irradiance Sensing for PV Systems. Energies 2017, 10, 998. [Google Scholar] [CrossRef]
- Moreno-Garcia, I.M.; Palacios-Garcia, E.J.; Pallares-Lopez, V.; Santiago, I.; Redondo, M.J.G.; Varo-Martinez, M.; Calvo, R.J.R. Real-Time Monitoring System for a Utility-Scale Photovoltaic Power Plant. Sensors 2016, 16, 770. [Google Scholar] [CrossRef] [Green Version]
- Madeti, S.R.; Singh, S. A comprehensive study on different types of faults and detection techniques for solar photovoltaic system. Sol. Energy 2017, 158, 161–185. [Google Scholar] [CrossRef]
- Madeti, S.R.; Singh, S. Online fault detection and the economic analysis of grid-connected photovoltaic systems. Energy 2017, 134, 121–135. [Google Scholar] [CrossRef]
- Eghtedarpour, N.; Farjah, E. Control strategy for distributed integration of photovoltaic and energy storage systems in DC micro-grids. Renew. Energy 2012, 45, 96–110. [Google Scholar] [CrossRef]
- Zaouche, F.; Rekioua, D.; Gaubert, J.-P.; Mokrani, Z. Supervision and control strategy for photovoltaic generators with battery storage. Int. J. Hydrogen Energy 2017, 42, 19536–19555. [Google Scholar] [CrossRef]
- Marcos, J.; De La Parra, I.; García, M.; Marroyo, L. Control Strategies to Smooth Short-Term Power Fluctuations in Large Photovoltaic Plants Using Battery Storage Systems. Energies 2014, 7, 6593–6619. [Google Scholar] [CrossRef]
- Gilman, P.; Diorio, N.A.; Freeman, J.M.; Janzou, S.; Dobos, A.; Ryberg, D. SAM Photovoltaic Model Technical Reference Update; NREL: Golden, CO, USA, 2018. [Google Scholar]
- Toledo, F.; Blanes, J.M.; Galiano, V.; Laudani, A. In-depth analysis of single-diode model parameters from manufacturer’s datasheet. Renew. Energy 2021, 163, 1370–1384. [Google Scholar] [CrossRef]
- Coco, S.; Laudani, A.; Lozito, G.M.; Fulginei, F.R.; Salvini, A. Sensitivity analysis of the reduced forms of the one-diode model for photovoltaic devices. Int. J. Numer. Model. Electron. Netw. Devices Fields 2019, 32. [Google Scholar] [CrossRef]
- Toledo, F.J.; Blanes, J.M.; Galiano, V. Two-Step Linear Least-Squares Method For Photovoltaic Single-Diode Model Parameters Extraction. IEEE Trans. Ind. Electron. 2018, 65, 6301–6308. [Google Scholar] [CrossRef]
- Wiyadi, E.; Wati, A.; Hamzah, Y.; Umar, L. Simple I-V acquisition module with high side current sensing principle for real time photovoltaic measurement. J. Phys. Conf. Ser. 2020, 1528, 012040. [Google Scholar] [CrossRef]
- Ngo, G.C.; Floriza, J.K.I.; Creayla, C.M.C.; Garcia, F.C.C.; Macabebe, E.Q.B. Real-time energy monitoring system for grid-tied Photovoltaic installations. In Proceedings of the TENCON 2015—2015 IEEE Region 10 Conference, Macao, China, 1–4 November 2015; pp. 1–4. [Google Scholar]
- Laudani, A.; Fulginei, F.R.; Salvini, A. Identification of the one-diode model for photovoltaic modules from datasheet values. Sol. Energy 2014, 108, 432–446. [Google Scholar] [CrossRef]
- Dobos, A.P. An Improved Coefficient Calculator for the California Energy Commission 6 Parameter Photovoltaic Module Model. J. Sol. Energy Eng. 2012, 134, 021011. [Google Scholar] [CrossRef]














| Model Parameters | STP315S-20 | KXOB22-01X8L | MSP1M210-18-6W |
|---|---|---|---|
| 0.4020 | 23.896 | 2.644 | |
| 186.08 | 768.27 | 2686 | |
| 9.9815 | 0.0453 | 0.3 | |
| 8.3563 × 10−21 | 2.6822 × 10−18 | 6.451 × 10−9 | |
| 32.004 | 4.9136 | 46.800 | |
| Datasheet Parameters | |||
| 39.9 | 5.53 | 21.2 | |
| 9.96 | 0.0059 | 0.3 | |
| 33.1 | 4.46 | 17.221 | |
| 9.52 | 0.0055 | 0.274 | |
| 0.06 | 0.48 | 0.06 |
| Operating Point | Irradiance (W/m2) | Temperature (°C) |
|---|---|---|
| A | 400 | 15 |
| B | 800 | 45 |
| C | 1200 | 65 |
| Parameter | Simulated PV Device |
|---|---|
| 2.6441 | |
| 2686.5 | |
| 0.3002 | |
| 6.4519 × 10−9 | |
| 46.800 |
Publisher’s Note: MDPI stays neutral with regard to jurisdictional claims in published maps and institutional affiliations. |
© 2021 by the authors. Licensee MDPI, Basel, Switzerland. This article is an open access article distributed under the terms and conditions of the Creative Commons Attribution (CC BY) license (https://creativecommons.org/licenses/by/4.0/).
Share and Cite
Laudani, A.; Lozito, G.M.; Riganti Fulginei, F. Irradiance Sensing through PV Devices: A Sensitivity Analysis. Sensors 2021, 21, 4264. https://doi.org/10.3390/s21134264
Laudani A, Lozito GM, Riganti Fulginei F. Irradiance Sensing through PV Devices: A Sensitivity Analysis. Sensors. 2021; 21(13):4264. https://doi.org/10.3390/s21134264
Chicago/Turabian StyleLaudani, Antonino, Gabriele Maria Lozito, and Francesco Riganti Fulginei. 2021. "Irradiance Sensing through PV Devices: A Sensitivity Analysis" Sensors 21, no. 13: 4264. https://doi.org/10.3390/s21134264
APA StyleLaudani, A., Lozito, G. M., & Riganti Fulginei, F. (2021). Irradiance Sensing through PV Devices: A Sensitivity Analysis. Sensors, 21(13), 4264. https://doi.org/10.3390/s21134264

