Diagnostically Oriented Experiments and Modelling of Switched Reluctance Motor Dynamic Eccentricity
Abstract
1. Introduction—The Aim of the Study
2. Test Bench Experiments
2.1. Test Bench Construction
2.2. Results from Experiment
3. SRM Modelling
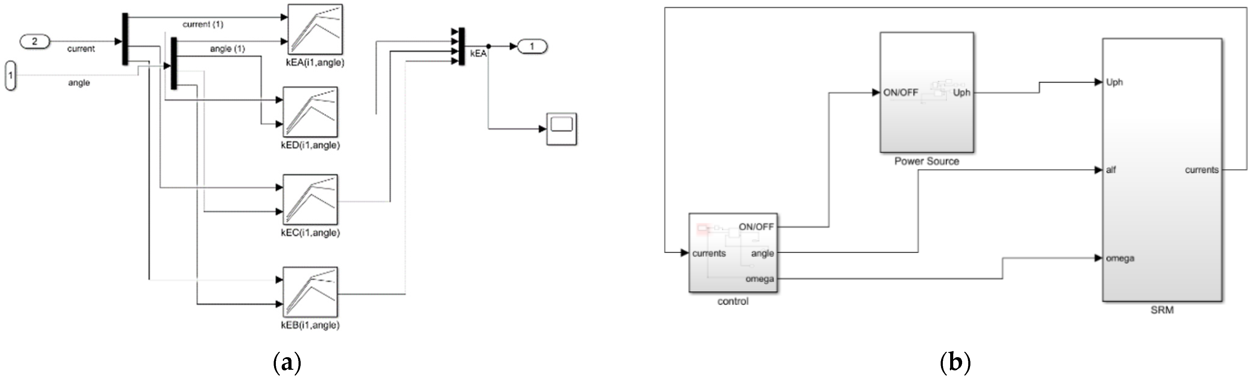
3.1. Modelling Assumptions
3.2. Parameters of the Examined Motor
3.3. Physical Quantities in Modeling
4. Model Results
5. Conclusions
Author Contributions
Funding
Institutional Review Board Statement
Conflicts of Interest
References
- Hööka, M.; Tang, X. Depletion of fossil fuels and anthropogenic climate change: A review. Energy Policy 2013, 52, 797–809. [Google Scholar] [CrossRef]
- Lorencki, J.; Tokarzewski, J. Osiągi pojazdów o napędzie niekonwencjonalnym. Zesz. Nauk. Inst. Pojazdów 2010, 5, 101–109. [Google Scholar]
- Toliyat, H. Electric Machines: Modeling, Condition Monitoring, and Fault Diagnosis; CRC Press: Boca Raton, FL, USA, 2012. [Google Scholar]
- Toliyat, H.A.; Arefeen, M.S.; Parlos, A.G. A method for dynamic simulation of eccentricity in induction machines. IEEE-TIA 1996, 32, 910–918. [Google Scholar]
- Vibration Diagnostic Guide—SKF Reliability Systems 2000. Available online: www.skfreliability.com (accessed on 20 September 2016).
- Krishnan, R. Switched Reluctance Motor Drives—Modeling, Simulation, Analysis, Design, and Applications; CRC Press: Boca Raton, FL, USA, 2001. [Google Scholar]
- Lorencki, J.; Radkowski, S. Procedury i Analiza usterek w silnikach synchronicznych z magnesami trwałymi. Zesz. Nauk. Inst. Pojazdów 2014, 50, 2. [Google Scholar]
- Lorencki, J.; Radkowski, S. Elektryczna diagnostyka asymetrii wirnika w pojazdach hybrydowych. Zesz. Nauk. Inst. Pojazdów/Politech. Warsz. 2013, 4, 89–98. [Google Scholar]
- Biernat, A. Analiza Sygnałów Diagnostycznych Maszyn Elektrycznych; Oficyna Wydawnicza Politechniki Warszawskiej: Warszawa, Poland, 2015. [Google Scholar]
- Gontarz, S.; Szulim, P. Evaluation of the impact of environmental hazards associated with mechanical faults in BLDC elec-tric motors. Environ. Eng. Manag. J. (EEMJ) 2016, 15, 491–504. [Google Scholar] [CrossRef]
- Radkowski, S.; Szulim, P. The use of diagnostic information to the energy-optimal path planning of autonomous vehicle. Logist. Transp. 2014, 21, 105–114. [Google Scholar]
- Bouchareb, I.; Bentounsi, A.; Lebaroud, A. Dynamic eccentricity fault detection in switched re-luctance motor using time-frequency analysis. In Proceedings of the 6th International conference on Sciences of Electronics, Technologies of Information and Telecommunication SETIT, Sousse, Tunisia, 21–24 March 2012. [Google Scholar]
- Briso-Montiano, J.R.; Karrelmeyer, R.; Dilger, E.; Bosch, R.; Stuttgart, G. Simulation of faults by means of finite element analysis in a switched reluctance motor. In Proceedings of the COMSOL Multiphysics User’s Conference, Frankfurt, Germany, 2–4 November 2005. [Google Scholar]
- Torkamanand, H.; Afjei, E. Magnetostatic field regarding analysis regarding the effect of eccentricity in switched reluc-tance motor. Electromagn. Res. M 2009, 8, 163–180. [Google Scholar] [CrossRef][Green Version]
- de la Guerra, A.; Jimenez-Mondragon, V.M.; Torres, L.; Escarela-Perez, R.; Olivares-Galvan, J.C. On-line open-phase fault detection method for switched reluctance motors with bus current measurement. Actuators 2020, 9, 117. [Google Scholar] [CrossRef]
- Pires, V.F.; Amaral, T.G.; Cordeiro, A.; Foito, D.; Pires, A.J.; Martins, J.F. Fault-tolerant SRM drive with a diagnosis method based on the entropy feature approach. Appl. Sci. 2020, 10, 3516. [Google Scholar] [CrossRef]
- Torkaman, H.; Afjei, E. Hybrid method of obtaining degrees of freedom for radial airgap length in SRM under normal and faulty conditions based on magnetostatic model. Electromagn. Res. 2010, 100, 37–54. [Google Scholar] [CrossRef]
- Hu, Y.; Gan, C.; Cao, W.; Finney, S. Fault Diagnosis of Switched Reluctance Motors in Electrified Vehicle Applications; New Applications of Electric Drives, Miroslav Chomat; IntechOpen: London, UK, 2015; Available online: https://www.intechopen.com/books/new-applications-of-electric-drives/fault-diagnosis-of-switched-reluctance-motors-in-electrified-vehicle-applications (accessed on 20 September 2016).
- Jamil, M.U.; Kongprawechnon, W.; Chayopitak, N. Active fault diagnosis of a switched reluctance motor using sliding mode observer and average torque estimator for light electric vehicle applications. Int. Trans. Electr. Energy Syst. 2020, 30, e12602. [Google Scholar] [CrossRef]
- Chen, L.; Hofmann, W. Analysis of radial forces based on rotor eccentricity of bearingless switched reluctance motors. In Proceedings of the XIX International Conference on Electrical Machines—ICEM’2010, Rome, Italy, 6–8 September 2010. [Google Scholar]
- Afjei, E.; Tavakoli, M.R.; Torkaman, H. Eccentricity compensation in switched reluctance machines via controlling winding turns/stator current: Theory, modeling, and electromagnetic analysis. Appl. Comput. Electromagn. Soc. J. 2013, 28, 162–172. [Google Scholar]
- Afjei, E.; Torkaman, H. Airgap eccentricity fault diagnosis in switched reluctance motor. In Proceedings of the PEDSTC 2010—1st Power Electronic and Drive Systems and Technologies Conference, Tehran, Iran, 17–18 February 2010; pp. 290–294. [Google Scholar] [CrossRef]
- Ilhem, B.; Amar, B.; Abdesselam, L.; Mouhamed, B.; Fares, R.; Bachir, B. Modeling and detection of eccentricity fault in switched reluctance motor. In Proceedings of the 2011 10th International Conference on Environment and Electrical Engineering EEEIC.EU 2011, Rome, Italy, 8–11 May 2011; pp. 1–5. [Google Scholar] [CrossRef]
- Li, J.; Choi, D.; Cho, Y. Analysis of rotor eccentricity in switched reluctance motor with parallel winding using FEM. IEEE Trans. Magn. 2009, 45, 2851–2854. [Google Scholar] [CrossRef]
- Hamouda, M.; Számel, L. Modeling and Simulation of Switched Reluctance Machines, Modelling and Control of Switched Reluctance Machines, Rui Esteves Araújo and José Roberto Camacho; IntechOpen: London, UK, 2020; Available online: https://www.intechopen.com/books/modelling-and-control-of-switched-reluctance-machines/modeling-and-simulation-of-switched-reluctance-machines (accessed on 20 September 2016).
- Stanisław, J.H.; Rafał, J.; Jan, S. Yokeless axial flux surface-mounted permanent magnets machine rotor parameters influence on torque and back-Emf. Energies 2020, 13, 3418. [Google Scholar]
- Lei, Y.; Li, N.; Gontarz, S.; Lin, J.; Radkowski, S.; Dybala, J. A model-based method for remaining useful life prediction of machin-ery. IEEE Trans. Reliab. 2016, 65, 1314–1326. [Google Scholar] [CrossRef]
- Szulim, P.; Gontarz, S. Using The surrounding magnetic field in diagnosis of the BLDC motor. J. Electr. Eng. 2015, 66, 193–198. [Google Scholar]















| Motor Parameter | Value |
|---|---|
| number of phases | 4 |
| stator poles | 6 |
| rotor poles | 8 |
| coil turns per winding | 70 |
| motor length | 250 mm |
| stator outer diameter | 117 mm |
| air-gap length | 0.31 mm |
| rotor outer diameter | 60.79 mm |
| shaft diameter | 4.73 mm |
| stator inner diameter | 62 mm |
| height of tooth | 5.5 mm |
| width of tooth tip | 3.5 mm |
| height of tooth foot | 0.5 mm |
| width of tooth | 3 mm |
| rotor inner diameter | 12.73 mm |
| width of lobe | 3 mm |
| height of lobe | 2.51 mm |
| rated power | 500 W |
| nominal speed | 1500 rpm |
| supply voltage | 315 V DC |
Publisher’s Note: MDPI stays neutral with regard to jurisdictional claims in published maps and institutional affiliations. |
© 2021 by the authors. Licensee MDPI, Basel, Switzerland. This article is an open access article distributed under the terms and conditions of the Creative Commons Attribution (CC BY) license (https://creativecommons.org/licenses/by/4.0/).
Share and Cite
Lorencki, J.; Radkowski, S.; Gontarz, S. Diagnostically Oriented Experiments and Modelling of Switched Reluctance Motor Dynamic Eccentricity. Sensors 2021, 21, 3857. https://doi.org/10.3390/s21113857
Lorencki J, Radkowski S, Gontarz S. Diagnostically Oriented Experiments and Modelling of Switched Reluctance Motor Dynamic Eccentricity. Sensors. 2021; 21(11):3857. https://doi.org/10.3390/s21113857
Chicago/Turabian StyleLorencki, Jakub, Stanisław Radkowski, and Szymon Gontarz. 2021. "Diagnostically Oriented Experiments and Modelling of Switched Reluctance Motor Dynamic Eccentricity" Sensors 21, no. 11: 3857. https://doi.org/10.3390/s21113857
APA StyleLorencki, J., Radkowski, S., & Gontarz, S. (2021). Diagnostically Oriented Experiments and Modelling of Switched Reluctance Motor Dynamic Eccentricity. Sensors, 21(11), 3857. https://doi.org/10.3390/s21113857

