THz-TDS Reflection Measurement of Coating Thicknesses at Non-Perpendicular Incidence: Experiment and Simulation
Abstract
1. Introduction
2. Materials and Methods
2.1. Fukuchi Method at Perpendicular Incidence
2.2. Adaptations for Inclined Incidence
2.3. Time-of-Flight Correction
2.4. Surface Roughness Correction
3. Results
3.1. Experimental Setup and Used Sample
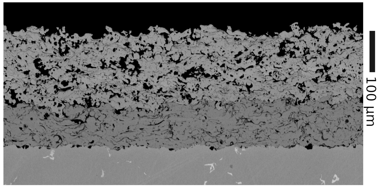
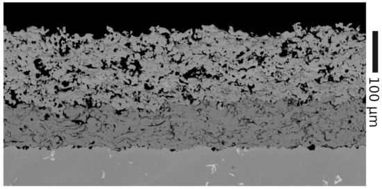
3.2. SEM Image Analysis
3.3. COMSOL Simulation
3.4. Simulation: No Roughness
3.5. Simulation: With Roughness
3.6. Measurement Data
4. Discussion
Author Contributions
Funding
Institutional Review Board Statement
Informed Consent Statement
Data Availability Statement
Acknowledgments
Conflicts of Interest
Abbreviations
| BC | Bond coat | 
| NDT | Nondestructive testing | 
| RMS | Root mean square | 
| SEM | Scanning electron microscopy | 
| TBC | Thermal barrier coating | 
| TDS | Time-domain spectroscopy | 
| THz | Terahertz | 
| THz-TDS | Terahertz time-domain spectroscopy | 
| ToF | Time-of-flight | 
| YSZ | Yttria-stabilized zirconia | 
Appendix A. Detailed Calculations
Appendix A.1. Angle in Coating
Appendix A.2. Angled Incidence with Perpendicular Polarization
Appendix A.3. Angled Incidence with Parallel Polarization
Appendix A.4. Roughness Correction for Inclined Incidence

Appendix A.5. Determination of n c from ToF and Known Thickness
References
- Dhillon, S.S.; Vitiello, M.S.; Linfield, E.H.; Davies, A.G.; Hoffmann, M.C.; Booske, J.; Paoloni, C.; Gensch, M.; Weightman, P.; Williams, G.P.; et al. The 2017 terahertz science and technology roadmap. J. Phys. D Appl. Phys. 2017, 50, 043001. [Google Scholar] [CrossRef]
 - Slocum, D.M.; Slingerland, E.J.; Giles, R.H.; Goyette, T.M. Atmospheric absorption of terahertz radiation and water vapor continuum effects. J. Quant. Spectrosc. Radiat. Transf. 2013, 127, 49–63. [Google Scholar] [CrossRef]
 - Yang, L.; Guo, T.; Zhang, X.; Cao, S.; Ding, X. Toxic chemical compound detection by terahertz spectroscopy: A review. Rev. Anal. Chem. 2018, 37. [Google Scholar] [CrossRef]
 - Yu, L.; Hao, L.; Meiqiong, T.; Jiaoqi, H.; Wei, L.; Jinying, D.; Xueping, C.; Weiling, F.; Yang, Z. The medical application of terahertz technology in non-invasive detection of cells and tissues: Opportunities and challenges. RSC Adv. 2019, 9, 9354–9363. [Google Scholar] [CrossRef]
 - Smith, P.R.; Auston, D.H.; Nuss, M.C. Subpicosecond Photoconducting Dipole Antennas. IEEE J. Quantum Electron. 1988, 24, 255–260. [Google Scholar] [CrossRef]
 - Zhu, Y.K.; Tian, G.Y.; Lu, R.S.; Zhang, H. A Review of Optical NDT Technologies. Sensors 2011, 11, 7773–7798. [Google Scholar] [CrossRef]
 - Coutaz, J.L.; Garet, F.; Wallace, V. Principles of Terahertz Time-Domain Spectroscopy; Pan Stanford Publishing: Singapore, 2018. [Google Scholar]
 - Fosodeder, P.; Hubmer, S.; Ploier, A.; Ramlau, R.; van Frank, S.; Rankl, C. Phase-contrast THz-CT for non-destructive testing. arXiv 2021, arXiv:2102.08650. [Google Scholar]
 - Fukuchi, T.; Fuse, N.; Okada, M.; Fujii, T.; Mizuno, M.; Fukunaga, K. Measurement of refractive index and thickness of topcoat of thermal barrier coating by reflection measurement of terahertz waves. Electron. Commun. Jpn. 2013, 96, 37–45. [Google Scholar] [CrossRef]
 - Dong, J.; Kim, B.; Locquet, A.; McKeon, P.; Declercq, N.; Citrin, D. Nondestructive evaluation of forced delamination in glass fiber-reinforced composites by terahertz and ultrasonic waves. Compos. Part B Eng. 2015, 79, 667–675. [Google Scholar] [CrossRef]
 - Krimi, S.; Klier, J.; Jonuscheit, J.; von Freymann, G.; Urbansky, R.; Beigang, R. Highly accurate thickness measurement of multi-layered automotive paints using terahertz technology. Appl. Phys. Lett. 2016, 109, 021105. [Google Scholar] [CrossRef]
 - Padture, N.P.; Gell, M.; Jordan, E.H. Thermal Barrier Coatings for Gas-Turbine Engine Applications. Science 2002, 296, 280–284. [Google Scholar] [CrossRef] [PubMed]
 - Clarke, D.R.; Phillpot, S.R. Thermal barrier coating materials. Mater. Today 2005, 8, 22–29. [Google Scholar] [CrossRef]
 - Vaßen, R.; Jarligo, M.O.; Steinke, T.; Mack, D.E.; Stöver, D. Overview on advanced thermal barrier coatings. Surf. Coat. Technol. 2010, 205, 938–942. [Google Scholar] [CrossRef]
 - Stiger, M.; Yanar, N.; Topping, M.; Pettit, F.; Meier, G. Thermal barrier coatings for the 21st century. Z. Met. 1999, 90, 1069–1078. [Google Scholar]
 - Frisch, J.; Wu, D.; Sripragash, L.; Gleichweit, C.; Mei, M.; Goldammer, M. NDT of Layered Structures Using Pulse-Thermography and THz-TDS Imaging. In Proceedings of the 14th Quantitative InfraRed Thermography Conference, Berlin, Germany, 25–29 June 2018. [Google Scholar] [CrossRef]
 - Wu, D.; Haude, C.; Burger, R.; Peters, O. Application of terahertz time domain spectroscopy for NDT of oxide-oxide ceramic matrix composites. Infrared Phys. Technol. 2019, 102, 102995. [Google Scholar] [CrossRef]
 - Ortolani, M.; Lee, J.S.; Schade, U.; Hübers, H.W. Surface roughness effects on the terahertz reflectance of pure explosive materials. Appl. Phys. Lett. 2008, 93, 081906. [Google Scholar] [CrossRef]
 - Herrmann, M.; Wiegand, C.; Jonuscheit, J.; Beigang, R. The influence of surface roughness on THz reflection measurements. In Proceedings of the 34th International Conference on Infrared, Millimeter, and Terahertz Waves, IRMMW-THz 2009, Busan, Korea, 21–25 September 2009; pp. 4–5. [Google Scholar] [CrossRef]
 - Fukuchi, T.; Fuse, N.; Mizuno, M.; Fukunaga, K. THz measurement of refractive index and thickness of ceramic coating on a metal substrate. In Proceedings of the Conference on Lasers and Electro-Optics/Pacific Rim, Kyoto, Japan, 30 June–4 July 2013. [Google Scholar]
 - Pinel, N.; Bourlier, C.; Saillard, J. Degree of Roughness of Rough Layers: Extensions of the Rayleigh Roughness Criterion and some Applications. Prog. Electromagn. Res. B 2010, 19, 41–63. [Google Scholar] [CrossRef]
 - Piesiewicz, R.; Jansen, C.; Mittleman, D.; Kleine-Ostmann, T.; Koch, M.; Kurner, T. Scattering Analysis for the Modeling of THz Communication Systems. IEEE Trans. Antennas Propag. 2007, 55, 3002–3009. [Google Scholar] [CrossRef]
 - Frisch, J. Comparison of Pulsed Thermography and THz-TDS Imaging for the Quantitative Investigation of Layered Structures. 2021. in preparation. [Google Scholar]
 - Ridler, T.; Calvard, S. Picture Thresholding Using an Iterative Selection Method. IEEE Trans. Syst. Man Cybern. 1978, 8, 630–632. [Google Scholar] [CrossRef]
 - Watanabe, M.; Kuroda, S.; Yamawaki, H.; Shiwa, M. Terahertz dielectric properties of plasma-sprayed thermal-barrier coatings. Surf. Coat. Technol. 2011, 205, 4620–4626. [Google Scholar] [CrossRef]
 - Quick Guide to Surface Roughness Measurement. Available online: https://www.mitutoyo.com/wp-content/uploads/2012/11/1984_Surf_Roughness_PG.pdf (accessed on 3 January 2021).
 - Ye, D.; Wang, W.; Zhou, H.; Li, Y.; Fang, H.; Huang, J.; Gong, H.; Li, Z. Quantitative Determination of Porosity in Thermal Barrier Coatings Using Terahertz Reflectance Spectrum: Case Study of Atmospheric-Plasma-Sprayed YSZ Coatings. IEEE Trans. Terahertz Sci. Technol. 2020, 10, 383–390. [Google Scholar] [CrossRef]
 - Garcia, N.; Stoll, E. Monte Carlo Calculation for Electromagnetic-Wave Scattering from Random Rough Surfaces. Phys. Rev. Lett. 1984, 52, 1798–1801. [Google Scholar] [CrossRef]
 













| Sample | thickn. h [] | meas. por. [%] | refr. ind. | surf. roughn. [] | 
|---|---|---|---|---|
| 6 mils | ||||
| 7 mils | ||||
| 9 mils | ||||
| 11 mils | 
| Sample | Name | [] | [] | [] | |
|---|---|---|---|---|---|
| flat | sim. 6 mils | 206 | - | - | |
| sim. 7 mils | 236 | - | - | ||
| sim. 9 mils | 330 | - | - | ||
| sim. 11 mils | 380 | - | - | ||
| rough | rough1 | 236 | 13 | 0 | |
| rough2 | 236 | 13 | 13 | ||
| rough3 | 236 | 13 | 5 | ||
| rough4 | 236 | 8 | 5 | 
| Parallel | Perpendicular | Combined | |||||
|---|---|---|---|---|---|---|---|
| sim. Sample | |||||||
| 6 mils | 206 | ||||||
| 7 mils | 236 | ||||||
| 9 mils | 330 | ||||||
| 11 mils | 380 | ||||||
| Method | rough1 | rough2 | rough3 | rough4 | ||
|---|---|---|---|---|---|---|
| 13 | 13 | 13 | 8 | |||
| 0 | 13 | 5 | 5 | |||
| par. | ||||||
| perp. | ||||||
| comb. | ||||||
| Sample | ||||
|---|---|---|---|---|
| 6 mils | 206 | |||
| 7 mils | 236 | |||
| 9 mils | 330 | |||
| 11 mils | 380 | 
Publisher’s Note: MDPI stays neutral with regard to jurisdictional claims in published maps and institutional affiliations.  | 
© 2021 by the authors. Licensee MDPI, Basel, Switzerland. This article is an open access article distributed under the terms and conditions of the Creative Commons Attribution (CC BY) license (https://creativecommons.org/licenses/by/4.0/).
Share and Cite
Burger, R.; Frisch, J.; Hübner, M.; Goldammer, M.; Peters, O.; Rönneberg, E.; Wu, D. THz-TDS Reflection Measurement of Coating Thicknesses at Non-Perpendicular Incidence: Experiment and Simulation. Sensors 2021, 21, 3473. https://doi.org/10.3390/s21103473
Burger R, Frisch J, Hübner M, Goldammer M, Peters O, Rönneberg E, Wu D. THz-TDS Reflection Measurement of Coating Thicknesses at Non-Perpendicular Incidence: Experiment and Simulation. Sensors. 2021; 21(10):3473. https://doi.org/10.3390/s21103473
Chicago/Turabian StyleBurger, Ruben, Julia Frisch, Matthias Hübner, Matthias Goldammer, Ole Peters, Enno Rönneberg, and Datong Wu. 2021. "THz-TDS Reflection Measurement of Coating Thicknesses at Non-Perpendicular Incidence: Experiment and Simulation" Sensors 21, no. 10: 3473. https://doi.org/10.3390/s21103473
APA StyleBurger, R., Frisch, J., Hübner, M., Goldammer, M., Peters, O., Rönneberg, E., & Wu, D. (2021). THz-TDS Reflection Measurement of Coating Thicknesses at Non-Perpendicular Incidence: Experiment and Simulation. Sensors, 21(10), 3473. https://doi.org/10.3390/s21103473
        
                                                
