Fully Differential Touch Screen Controller with Wide Input Dynamic Range for Thin Displays
Abstract
1. Introduction
2. Transient Characteristics of Display Noise
- i)
- ii)
- iii)
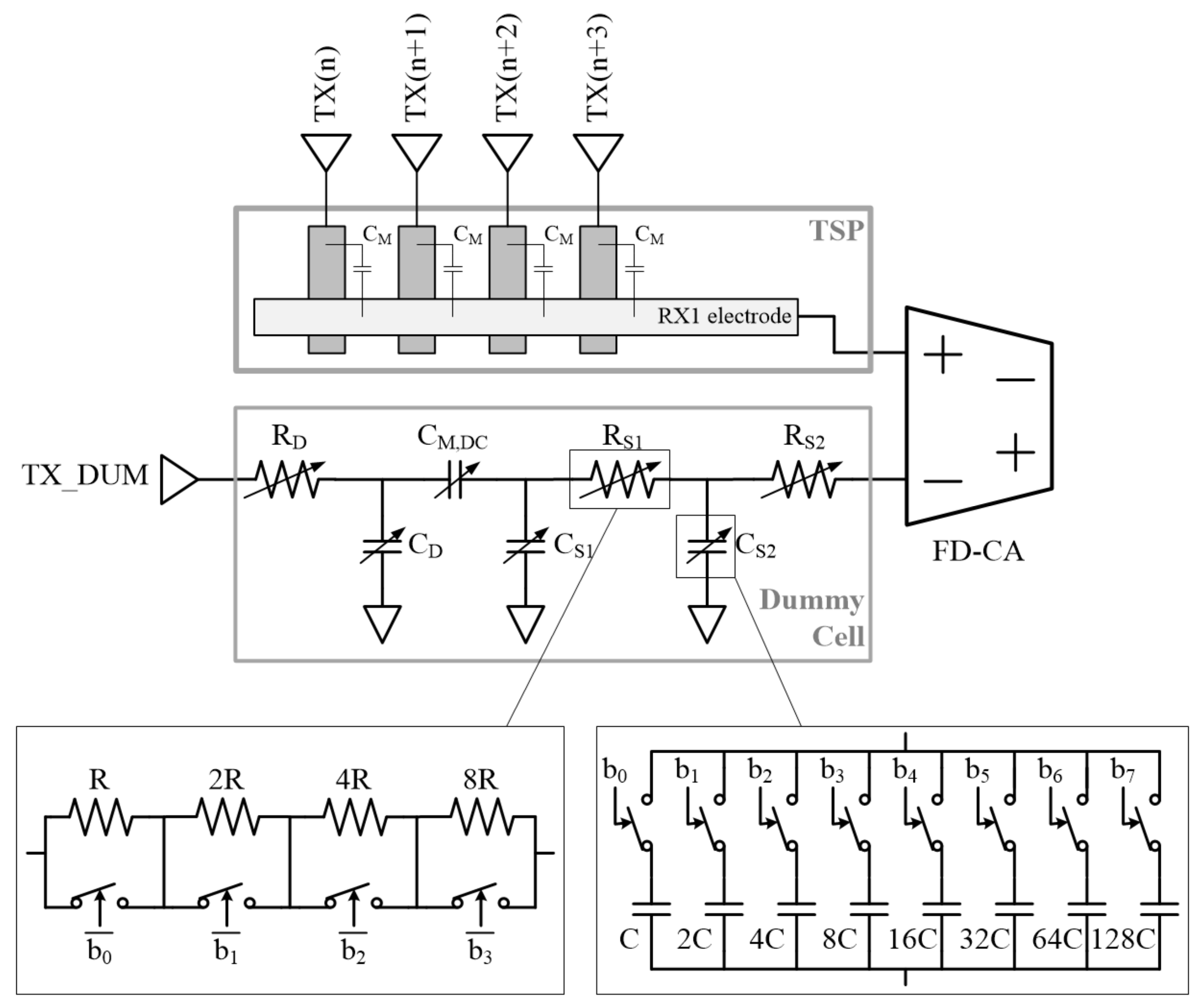
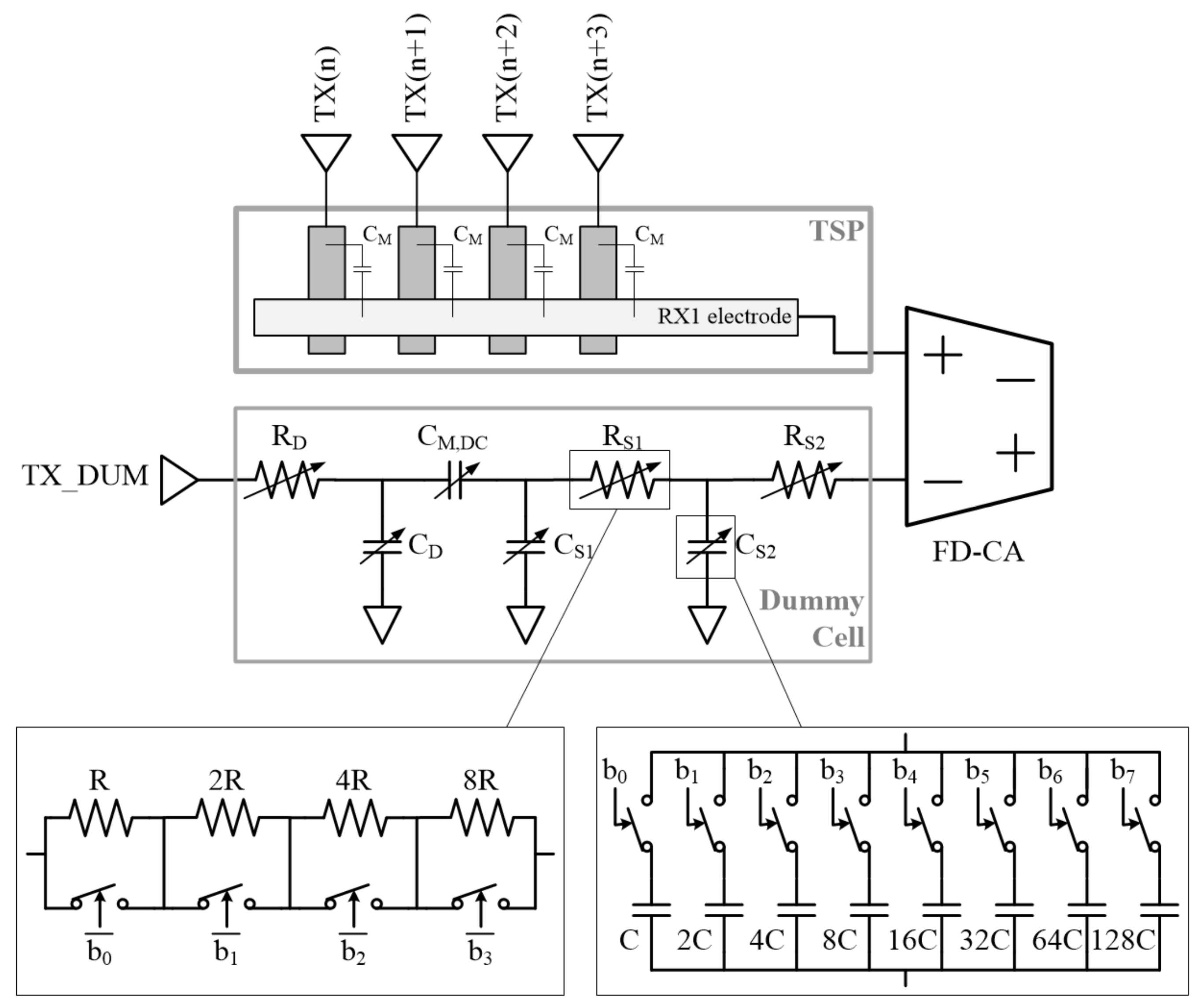
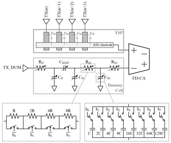
3. Design of Touch Screen Controller
3.1. Chip Configuration
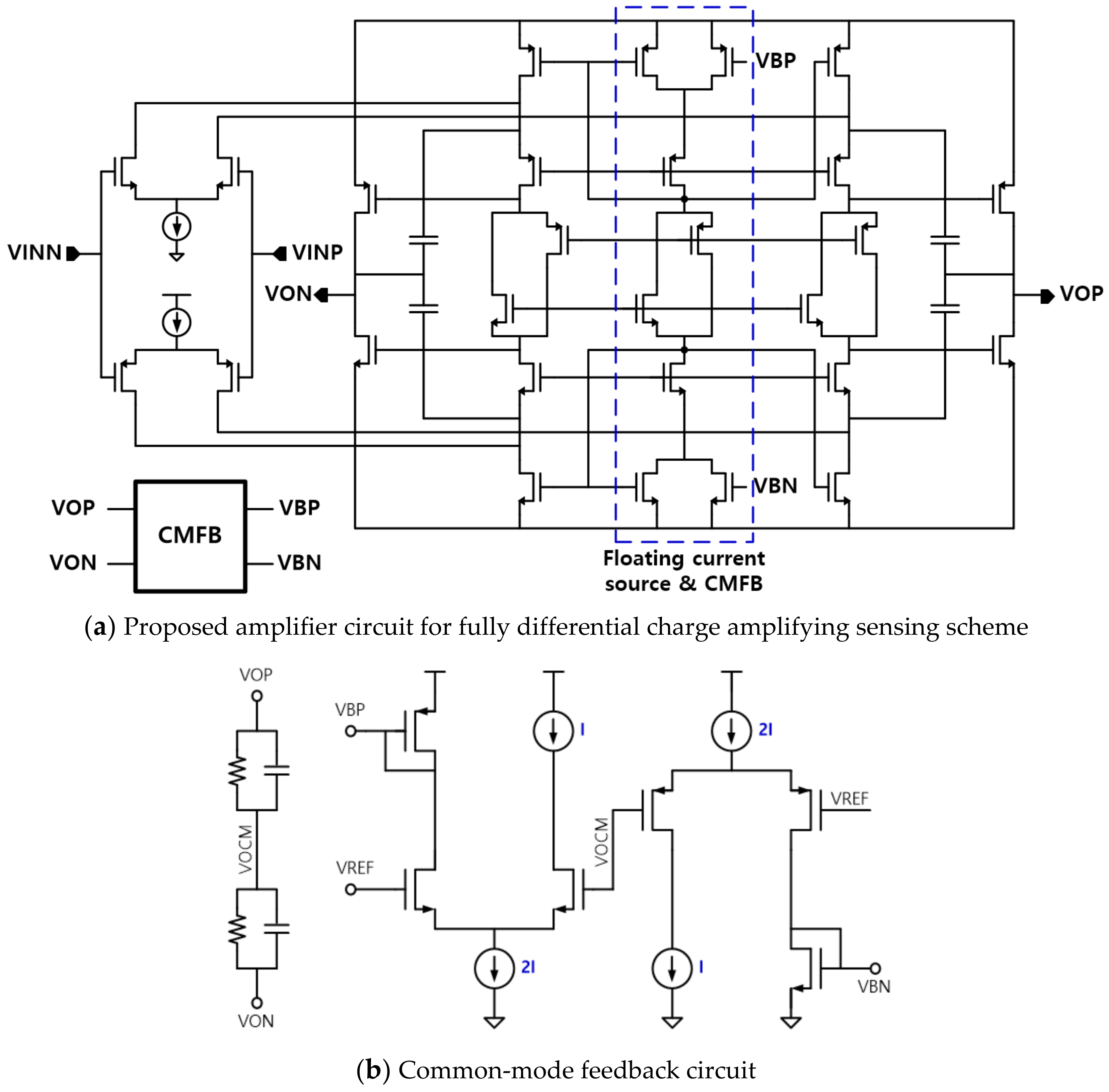
3.2. Fully Differential Charge Amplifier
3.3. Implementation of Other Blocks
4. Results and Discussion
Author Contributions
Funding
Acknowledgments
Conflicts of Interest
References
- Kim, H.-R.; Choi, Y.-K.; Byun, S.-H.; Kim, S.-W.; Choi, K.-H.; Ahn, H.-Y.; Park, J.-K.; Lee, D.-Y.; Wu, Z.-Y.; Kwon, H.-D.; et al. A mobile-display-driver IC embedding a capacitive-touch-screen controller system. In Proceedings of the 2010 IEEE International Solid-State Circuits Conference—(ISSCC), San Francisco, CA, USA, 7–11 February 2010; pp. 114–115. [Google Scholar]
- Yang, J.-H.; Park, S.-H.; Choi, J.-M.; Kim, H.-S.; Park, C.-B.; Ryu, S.-T.; Cho, G.-H. A highly noise-immune touch controller using filtered-delta-integration and a charge-interpolation technique for 10.1-inch capacitive touch-screen panels. In Proceedings of the 2013 IEEE International Solid-State Circuits Conference Digest of Technical Papers, San Francisco, CA, USA, 17–21 February 2013; pp. 390–391. [Google Scholar]
- Miura, N.; Dosho, S.; Tezuka, H.; Miki, T.; Fujimoto, D.; Kiriyama, T.; Nagata, M. A 1 mm-pitch 80 × 80-channel 322 Hz-frame-rate touch sensor with two-step dual-mode capacitance scan. IEEE J. Solid-State Circuits 2014, 50, 2741–2749. [Google Scholar] [CrossRef]
- Kim, K.-D.; Byun, S.-H.; Choi, Y.-K.; Baek, J.-H.; Cho, H.-H.; Park, J.-K.; Ahn, H.-Y.; Lee, C.-J.; Cho, M.-S.; Lee, J.-H.; et al. A capacitive touch controller robust to display noise for ultrathin touch screen displays. In Proceedings of the 2012 IEEE International Solid-State Circuits Conference, San Francisco, CA, USA, 19–23 February 2012; pp. 116–117. [Google Scholar]
- Hamaguchi, M.; Nagao, A.; Miyamoto, M. A 240 Hz-reporting-rate 143 × 81 mutual-capacitance touch-sensing analog front-end IC with 37 dB SNR for 1 mm-diameter stylus. In Proceedings of the 2014 IEEE International Solid-State Circuits Conference Digest of Technical Papers (ISSCC), San Francisco, CA, USA, 9–13 February 2014; pp. 214–215. [Google Scholar]
- Kim, K.-D.; Kang, S.; Choi, Y.-K.; Lee, K.-H.; Lee, C.-H.; Lee, J.-C.; Choi, M.; Ko, K.; Jung, J.; Park, N.; et al. A fully-differential capacitive touch controller with input common-mode feedback for symmetric display noise cancellation. In Proceedings of the 2014 Symposium on VLSI Circuits Digest of Technical Papers, Honolulu, HI, USA, 10–13 June 2014; pp. 1–2. [Google Scholar]
- Hotelling, S. Integrated touch screen. U.S. Patent 7,859,521, 28 December 2010. [Google Scholar]
- Klein, K. Noise Immunity of Touchscreen Devices. Available online: http://www.cypress.com/file/120641/download (accessed on 3 March 2019).
- Yang, I.-S.; Kwon, O.-K. A touch controller using differential sensing method for on-cell capacitive touch screen panel systems. IEEE Trans. Consum. Electron. 2011, 57, 1027–1032. [Google Scholar] [CrossRef]
- Park, J.-E.; Lim, D.-H.; Jeong, D.-K. A reconfigurable 40-to-67 dB SNR, 50-to-6400 Hz frame-rate, column-parallel readout IC for capacitive touch-screen panels. IEEE J. Solid-State Circuits 2014, 49, 2305–2318. [Google Scholar] [CrossRef]
- Heo, S.; Ma, H.; Song, J.; Park, K.; Choi, E.-H.; Kim, J.J.; Bien, F. 72 dB SNR, 240 Hz frame rate readout IC with differential continuous-mode parallel architecture for larger touch-screen panel applications. IEEE Trans. Circuits Syst. I: Regul. Pap. 2016, 63, 960–971. [Google Scholar] [CrossRef]
- Park, C.; Park, S.; Kim, K.D.; Park, S.; Park, J.; Kang, B.; Huh, Y.; Cho, G.-H. A pen-pressure-sensitive capacitive touch system using electrically coupled resonance pen. IEEE J. Solid-State Circuits 2015, 51, 124–125. [Google Scholar] [CrossRef]
- Wikipedia. Seven-Segment Display. Available online: https://en.wikipedia.org/wiki/Seven-segment_display (accessed on 3 March 2019).
- Kawamoto, H. The history of liquid-crystal displays. Proc. IEEE 2002, 90, 460–500. [Google Scholar] [CrossRef]
- Ji, Y.; Ran, F.; Xu, H.; Shen, W.; Lilja, D.J. A digitally driven pixel circuit with current compensation for AMOLED microdisplays: digital drive pixel circuit for OLED microdisplays. J. Soc. Info. Disp. 2014, 22, 465–472. [Google Scholar] [CrossRef]
- Wu, J.; Fei, F.; Wei, C.; Chen, X.; Nie, S.; Zhang, N.; Su, W.; Cui, Z. Efficient multi-barrier thin film encapsulation of OLED using alternating Al2O3 and polymer layers. RSC Adv. 2018, 8, 5721–5727. [Google Scholar] [CrossRef]
- Lee, C.-J.; Park, J.K.; Piao, C.; Seo, H.-E.; Choi, J.; Chun, J.-H. Mutual capacitive touch screen controller for ultrathin display with extended signal passband using negative capacitance. Sensors 2018, 18, 3637. [Google Scholar] [CrossRef]
- Markus, J.; Silva, J.; Temes, G. Theory and applications of incremental ΔΣ converters. IEEE Trans. Circuits Syst. I: Regul. Pap. 2004, 51, 678–690. [Google Scholar] [CrossRef]
- Bang, J.-S. A hybrid AMOLED driver IC for real-time TFT non-uniformity compensation. IEEE J. Solid-State Circuits 2016, 51, 966–978. [Google Scholar]
- Park, J.K.; Lee, C.-J.; Kim, D.-Y.; Chun, J.-H.; Kim, J.T. Application of 4k-order Hadamard matrices to simultaneous driving capacitive touch systems. In Proceedings of the 2015 IEEE International Conference on Consumer Electronics (ICCE), Las Vegas, NV, USA, 9–12 January 2015; pp. 592–593. [Google Scholar]
- Ko, S.; Yang, B. An interference-resilient 31 × 15 touch-screen panel read-out IC based on chirp spread spectrum and pseudo random orthogonal sequences. In Proceedings of the 2019 IEEE International Symposium on Circuits and Systems (ISCAS), Sapporo, Japan, 26–29 May 2019; pp. 1–5. [Google Scholar]
- Park, J.-E.; Park, J.; Hwang, Y.-H.; Oh, J.; Jeong, D.-K. A 100-TRX-Channel Configurable 85-to-385Hz-Frame-Rate Analog Front-End for Touch Controller with Highly Enhanced Noise Immunity of 20Vpp. In Proceedings of the 2016 IEEE International Solid-State Circuits Conference (ISSCC), San Francisco, CA, USA, 31 January–4 February 2016; pp. 210–211. [Google Scholar]
- Lee, J.-S.; Yeo, D.-H.; Kwon, H.-J.; Kim, B.; Sim, J.-Y.; Park, H.-J. An LCD-VCOM-noise resilient mutual-capacitive touch-sensor IC chip with a low-voltage driving signal. IEEE J. Sens. 2015, 15, 4595–4602. [Google Scholar] [CrossRef]


















| Parameter | Value | Unit |
|---|---|---|
| Supply voltage | 3 | V |
| Input common-mode range | −0.3–3.3 | V |
| CMRR at 240 kHz | ||
| Vcommon: | ||
| from −0.3 V to 0.9 V | 72 | dB |
| from 1.1 V to 1.9 V | 77 | dB |
| from 2.1 V to 3.3 V | 71 | dB |
| Open-loop gain (NN, 27 °C) | 85 | dB |
| Unity-gain frequency | 5 | MHz |
| Unity-gain phase margin | 63 | ° |
| DC current | 28 | uA |
| Peak current | 480 | uA |
| Slew rate | 9.4 | V/us |
| Settling time (1%), Vstep = 1 V, CL = 2 pF | 212 | ns |
| Unity-gain frequency of CMFB circuit (R: 200 kΩ, C: 0.1 pF) | 6.1 | MHz |
| ISCAS 19 [21] | ISSCC 16 [22] | IEEE Sensors 16 [23] | T-CAS 16 [11] | This Study | ||
|---|---|---|---|---|---|---|
| Process | 0.13 μm | 0.18 μm | 0.35 μm | 0.18 μm | 0.35 μm | |
| Supply voltage | N/A | 2.7~3.3 V | 3.3 V | 3.3 V | 3.3 V | |
| Channel | TX: 31 RX: 15 | TX: 36 RX: 64 | TX: 12 RX: 16 | TX: 32 RX: 10 | TX: 15 RX: 12 | |
| TX diving multiplexing | CDM | CDM | TDM | CDM | CDM | |
| Charge amplifier | Single-ended | Single-ended | Fully differential | Fully differential | Fully differential | |
| SNR | Display Off | N/A | 54 dB | 35.5 dB | 72 dB | 47.1 dB |
| Display On | 54.2 dB (1) | N/A | 27.5 dB | 36.1 dB | 41.0 dB (2) | |
| Frame rate | 240 Hz | 120 Hz | 175 Hz | 240 Hz | 250 Hz | |
| Power | 11.5 mW | 94.5 mW (including digital block) | 76 mW | TX: 34.2 mW RX: 8.43 mW | 10.4 mW | |
| Area | 1.49 mm2 | 36 mm2 | 5.02 mm2 | 1.25 mm2 | 4.1 mm2 | |
| TSP type | Mutual | Mutual | Mutual | Mutual | Mutual | |
© 2020 by the authors. Licensee MDPI, Basel, Switzerland. This article is an open access article distributed under the terms and conditions of the Creative Commons Attribution (CC BY) license (http://creativecommons.org/licenses/by/4.0/).
Share and Cite
Lee, C.-J.; Park, J.K.; Seo, H.-E.; Huh, J.; Chun, J.-H. Fully Differential Touch Screen Controller with Wide Input Dynamic Range for Thin Displays. Sensors 2020, 20, 837. https://doi.org/10.3390/s20030837
Lee C-J, Park JK, Seo H-E, Huh J, Chun J-H. Fully Differential Touch Screen Controller with Wide Input Dynamic Range for Thin Displays. Sensors. 2020; 20(3):837. https://doi.org/10.3390/s20030837
Chicago/Turabian StyleLee, Chang-Ju, Jong Kang Park, Han-Eol Seo, Junho Huh, and Jung-Hoon Chun. 2020. "Fully Differential Touch Screen Controller with Wide Input Dynamic Range for Thin Displays" Sensors 20, no. 3: 837. https://doi.org/10.3390/s20030837
APA StyleLee, C.-J., Park, J. K., Seo, H.-E., Huh, J., & Chun, J.-H. (2020). Fully Differential Touch Screen Controller with Wide Input Dynamic Range for Thin Displays. Sensors, 20(3), 837. https://doi.org/10.3390/s20030837

