A Novel MIMO-SAR System Based on Simultaneous Digital Beam Forming of Both Transceiver and Receiver
Abstract
1. Introduction
2. MIMO-SAR System Model Uses OFDM Chirp Signal
2.1. MIMO-SAR System
2.2. OFDM Chirp Signal and the Reason of Range Ambiguity
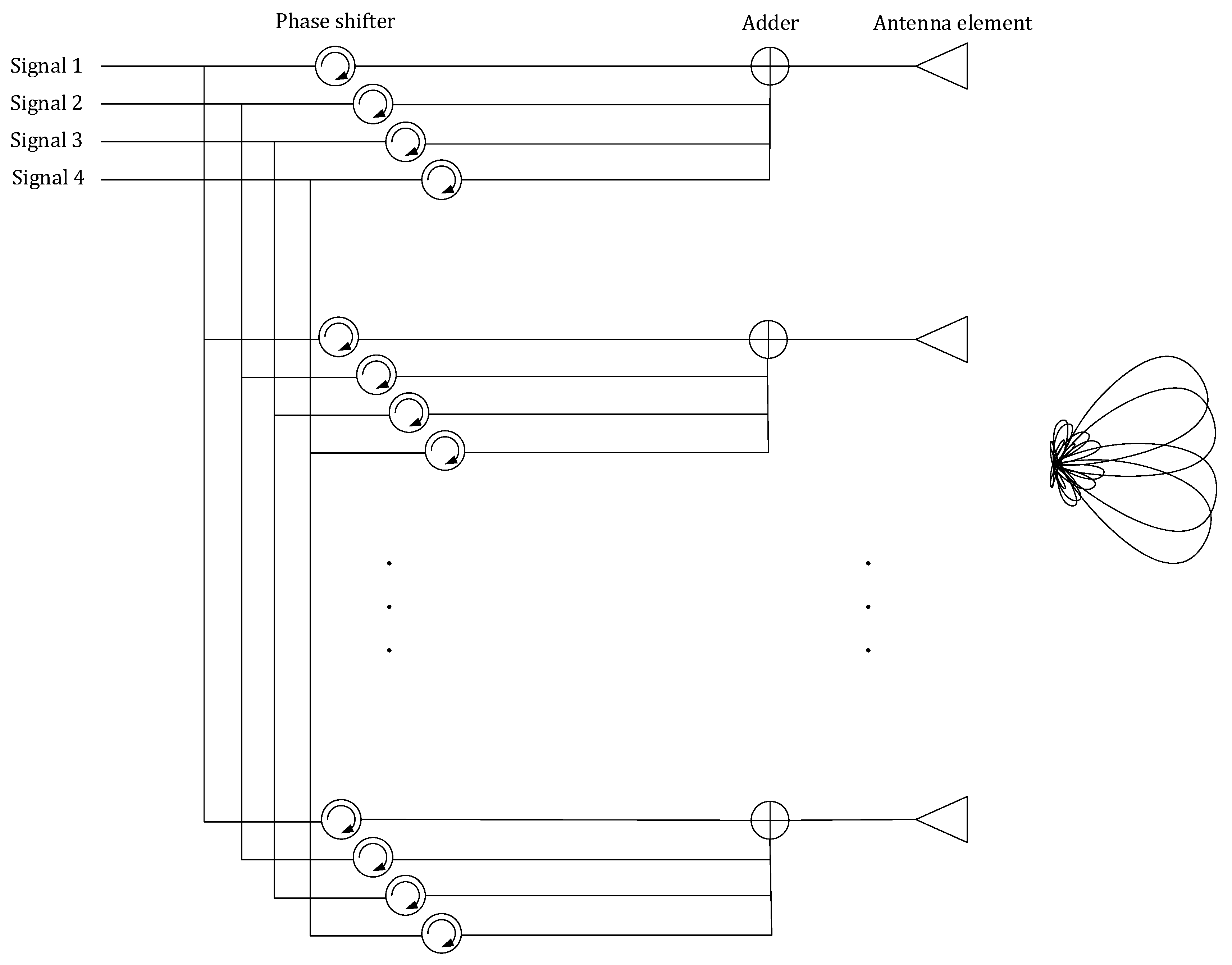
3. Simultaneous Digital Beamforming of Transceiver and Receiver
- Step 1:
- Set the relevant system parameters. is the number of azimuth transmitting antennas; is the number of range sub-bands; and is the number of receiving antennas.
- Step 2:
- According to the number of azimuth transmitting antennas, design orthogonal multi-dimensional waveform coding signals. These signals can be expressed by . The OFDM-chirp signal forming matrix is expressed as (2).
- Step 3:
- According to the number of the sub-bands in the range, design the transmission waveform in the range direction of each array element.
- Step 4:
- The signal is transmitted through the transmitting module.
- Step 5:
- Receive the signal through the signal receiving module, then sample the signal.
- Step 6:
- Separate the reflected echoes with different range to different subswath through spatial filtering.
- Step 7:
- After filtering in frequency domain, the reflected echoes of different subswath are further separated to improve the isolation between the signals of the respective subswath.
- Step 8:
- Demodulate each of the separated subswath signal to obtain the receiving echo corresponding to the transmitting antenna in each azimuth. The transmitted signals in frequency domain is expressed as (3).
- Step 9:
- Use traditional MIMO-SAR imaging algorithm to process the echoes after steps 6–8.
4. Simulation Results
4.1. Simulation Results of the Proposed System
4.2. Performance Comparison
5. Discussion
Author Contributions
Funding
Acknowledgments
Conflicts of Interest
References
- Currie, A.; Brown, M.A. Wide-swath SAR. IEE Proc. F Radar Signal Process. 1992, 139, 122–135. [Google Scholar] [CrossRef]
- Ender, J. MIMO-SAR. In Proceedings of the International Radar Symposium, Cologne, Germany, 5–7 September 2007; pp. 667–674. [Google Scholar]
- Fornaro, G.; Serafino, F.; Soldovieri, F. Three-dimensional focusing with multipass SAR data. IEEE Trans. Geosci. Remote. Sens. 2003, 41, 507–517. [Google Scholar] [CrossRef]
- Wang, W.-Q. Large-Area Remote Sensing in High-Altitude High-Speed Platform Using MIMO SAR. IEEE J. Sel. Top. Appl. Earth Obs. Remote. Sens. 2013, 6, 2146–2158. [Google Scholar] [CrossRef]
- Kim, J.; Younis, M.; Moreira, A.; Wiesbeck, W. A Novel OFDM Chirp Waveform Scheme for Use of Multiple Transmitters in SAR. IEEE Geosci. Remote. Sens. Lett. 2013, 10, 568–572. [Google Scholar] [CrossRef]
- Kim, J.; Younis, M.; Moreira, A.; Wiesbeck, W. Spaceborne MIMO Synthetic Aperture Radar for Multimodal Operation. IEEE Trans. Geosci. Remote. Sens. 2015, 53, 2453–2466. [Google Scholar] [CrossRef]
- Krieger, G. MIMO-SAR: Opportunities and Pitfalls. IEEE Trans. Geosci. Remote. Sens. 2013, 52, 2628–2645. [Google Scholar] [CrossRef]
- Wang, J.; Liang, X.; Chen, L. MIMO SAR system using digital implemented OFDM waveforms. In Proceedings of the 2012 IEEE International Geoscience and Remote Sensing Symposium (IGARSS 2012), Munich, Germany, 22–27 July 2012; pp. 7428–7431. [Google Scholar]
- Bu, X.; Zhang, Z.; Liang, X.; Chen, L.; Tang, H.; Zeng, Z.; Wang, J. A Novel Scheme for MIMO-SAR Systems Using Rotational Orbital Angular Momentum. Sensors 2018, 18, 3511. [Google Scholar] [CrossRef]
- Krieger, G.; Younis, M.; Huber, S.; Bordoni, F. MIMO-SAR and the orthogonality confusion. In Proceedings of the 2012 IEEE International Geoscience and Remote Sensing Symposium (IGARSS 2012), Munich, Germany, 22–27 July 2012; pp. 1533–1536. [Google Scholar]
- Wang, J.; Zhu, K.-H.; Wang, L.-N.; Liang, X.; Chen, L. A Novel Orthogonal Waveform Separation Scheme for Airborne MIMO-SAR Systems. Sensors 2018, 18, 3580. [Google Scholar] [CrossRef]
- Wang, W.-Q. MIMO SAR OFDM Chirp Waveform Diversity Design With Random Matrix Modulation. IEEE Trans. Geosci. Remote. Sens. 2015, 53, 1615–1625. [Google Scholar] [CrossRef]
- Wang, W.-Q. Space–Time Coding MIMO-OFDM SAR for High-Resolution Imaging. IEEE Trans. Geosci. Remote. Sens. 2011, 49, 3094–3104. [Google Scholar] [CrossRef]
- Castellanos, G.; Jirousek, M.; Peichl, M. Orthogonal Waveform Experiments with a Highly Digitized Radar. In Proceedings of the European Conference on Synthetic Aperture Radar, Nuremberg, Germany, 23–26 April 2012; pp. 103–106. [Google Scholar]
- Wang, W.-Q. MIMO SAR Chirp Modulation Diversity Waveform Design. IEEE Geosci. Remote. Sens. Lett. 2014, 11, 1644–1648. [Google Scholar] [CrossRef]
- Deng, Y.-K.; Chen, Q.; Qi, H.-M.; Zheng, H.-F.; Liu, Y.-D. A High-resolution Imaging Algorithm for MIMO SAR Based on the Sub-band Synthesis in Frequency Domain. J. Electron. Inf. Technol. 2011, 33, 1082–1087. [Google Scholar] [CrossRef]
- Tarokh, V.; Seshadri, N.; Calderbank, A. Space-time codes for high data rate wireless communication: Performance criterion and code construction. IEEE Trans. Inf. Theory 1998, 44, 744–765. [Google Scholar] [CrossRef]
- Liu, S.; Zhang, Z.; Yu, W. A Space-Time Coding Scheme With Time and Frequency Comb-Like Chirp Waveforms for MIMO-SAR. IEEE J. Sel. Top. Signal Process. 2017, 11, 391–403. [Google Scholar] [CrossRef]
- Ye, K.; Yu, W.; Wang, W. Investigation on System Scheme and Processing Approach for Bistatic Spaceborne MIMO SAR. Dianzi Yu Xinxi Xuebao/J. Electron. Inf. Technol. 2017, 39, 2697–2704. (In Chinese) [Google Scholar] [CrossRef]
- Wang, J.; Liang, X.; Chen, L.; Li, K. A Novel Space–Time Coding Scheme Used for MIMO-SAR Systems. IEEE Geosci. Remote. Sens. Lett. 2015, 12, 1556–1560. [Google Scholar] [CrossRef]
- Dall, A.K.J. Azimuth phase coding for range ambiguity suppression in SAR. In Proceedings of the IEEE International IEEE International Geoscience and Remote Sensing Symposium, Anchorage, AK, USA, 20–24 September 2004; pp. 1734–1737. [Google Scholar]
- Meng, C.-Z.; Yang, J.; Xia, X.-G.; Mao, E.-K.; Peng, Y.-N.; Xu, J.; Long, T. MIMO-SAR waveform separation based on inter-pulse phase modulation and range-Doppler decouple filtering. Electron. Lett. 2013, 49, 420–422. [Google Scholar] [CrossRef]
- Cristallini, D.; Sedehi, M.; Lombardo, P. SAR Imaging Solution Based on Azimuth Phase Coding. In Proceedings of the 7th European Conference on Synthetic Aperture Radar, Friedrichshafen, Germany, 2–5 June 2008; pp. 1–4. [Google Scholar]
- Bordoni, F.; Younis, M.; Krieger, G. Ambiguity Suppression by Azimuth Phase Coding in Multi-Channel SAR Systems. IEEE Trans. Geosci. Remote Sens. 2012, 50, 617–629. [Google Scholar] [CrossRef]
- Bordoni, F.; Laux, C.; Wollstadt, S.; Younis, M.; Mittermayer, J.; Kriger, G. First Demonstration of Azimuth Phase Coding Technique by TerraSAR-X. In Proceedings of the 10th European Conference on Synthetic Aperture Radar, Berlin, Germany, 3–5 June 2014; pp. 1–4. [Google Scholar]
- Zhou, F.; Ai, J.; Dong, Z.; Zhang, J.; Xing, M. A Novel MIMO–SAR Solution Based on Azimuth Phase Coding Waveforms and Digital Beamforming. Sensors 2018, 18, 3374. [Google Scholar] [CrossRef]
- Zhang, T.X.; Xia, X.G. An overview of OFDM SAR imaging methods. J. Radars 2020, 9, 243–258. (In Chinese) [Google Scholar] [CrossRef]
- Li, Y.; Wang, J.; Liang, X.D. Design of MIMO SAR anti-multipath waveform based on OFDM. Radar Sci. Technol. 2019, 17, 70–76, 82. (In Chinese) [Google Scholar] [CrossRef]
- Liu, S.; Zhang, Z.; Yu, W. Circulate shifted OFDM chirp waveform diversity design with digital beamforming for MIMO SAR. Sci. China Inf. Sci. 2017, 60, 102307. [Google Scholar] [CrossRef]
- Wang, J.; Liang, X.; Chen, L.; Wang, L.-N.; Li, K. First Demonstration of Joint Wireless Communication and High-Resolution SAR Imaging Using Airborne MIMO Radar System. IEEE Trans. Geosci. Remote. Sens. 2019, 57, 6619–6632. [Google Scholar] [CrossRef]
- Yu, X.; Fu, Y.; Nie, L.; Zhao, G.; Zhang, W. IRCI-Free CP-OFDM SAR Signal Processing. IEEE Geosci. Remote Sens. Lett. 2018, 16, 50–54. [Google Scholar] [CrossRef]
- Wang, J.; Chen, L.; Liang, X.; Ding, C.-B.; Li, K. Implementation of the OFDM Chirp Waveform on MIMO SAR Systems. IEEE Trans. Geosci. Remote Sens. 2015, 53, 5218–5228. [Google Scholar] [CrossRef]
- Krieger, G.; Gebert, N.; Moreira, A. Unambiguous SAR Signal Reconstruction from Nonuniform Displaced Phase Center Sampling. IEEE Geosci. Remote. Sens. Lett. 2004, 1, 260–264. [Google Scholar] [CrossRef]



















| Parameters | Value |
|---|---|
| bandwidth | 150 MHz |
| swath width | 2000 m |
| pulse subcarrier spacing | 300 kHz |
| maximum swath width without range ambiguity | 500 m |
| Parameters | Value |
|---|---|
| bandwidth | 150 MHz |
| swath width | 2000 m |
| pulse subcarrier spacing | 300 kHz |
| maximum swath width without range ambiguity | 500 m |
| center frequency | 5.4 GHz |
| Parameters | Value |
|---|---|
| bandwidth | 150 MHz |
| swath width | 2000 m |
| pulse subcarrier spacing | 300 kHz |
| maximum swath width without range ambiguity | 500 m |
| center frequency of sub-beam 1 | 5.2 GHz |
| center frequency of sub-beam 2 | 5.4 GHz |
| center frequency of sub-beam 3 | 5.6 GHz |
| center frequency of sub-beam 4 | 5.8 GHz |
| Parameters | Values | |
|---|---|---|
| Geometry | swath width | ~100 km |
| Number of subswaths | 14 | |
| orbit height | 560 km | |
| velocity | 7560 m/s | |
| spatial resolution | 1 m × 1.5 m | |
| (range × azimuth) | ||
| center frequency | 9.65 GHz | |
| Transmit array | length | 2.5 m |
| total height | 3.5 m | |
| gain | 51 dBi | |
| Number of antennas | 2 | |
| Receive array | total length | 9.6 m |
| total height | 3.5 m | |
| gain | 56 dBi | |
| azimuth panel | 6 | |
| elements in elevation | 42 | |
| HRWS system | peak power | 5 kW |
| average power | max. 1.208 kW | |
| bandwidth per subswath | 250 MHz | |
| pulse duration | 150 μsec | |
| duty cycle | 24.10% | |
| noise figure | 3.75 dB | |
| loss | 3 dB | |
| pulse subcarrier spacing | 6.67 kHz | |
| pulse repeat frequency | 1.6 kHz | |
| Different Systems | NESZ | RASR |
|---|---|---|
| system proposed in [6] | <−20 dB | <−30 dB |
| system proposed in this paper | <−23 dB | <−60 dB |
Publisher’s Note: MDPI stays neutral with regard to jurisdictional claims in published maps and institutional affiliations. |
© 2020 by the authors. Licensee MDPI, Basel, Switzerland. This article is an open access article distributed under the terms and conditions of the Creative Commons Attribution (CC BY) license (http://creativecommons.org/licenses/by/4.0/).
Share and Cite
Zhao, Y.; Chen, L.; Zhang, F.; Li, Y.; Wu, Y. A Novel MIMO-SAR System Based on Simultaneous Digital Beam Forming of Both Transceiver and Receiver. Sensors 2020, 20, 6604. https://doi.org/10.3390/s20226604
Zhao Y, Chen L, Zhang F, Li Y, Wu Y. A Novel MIMO-SAR System Based on Simultaneous Digital Beam Forming of Both Transceiver and Receiver. Sensors. 2020; 20(22):6604. https://doi.org/10.3390/s20226604
Chicago/Turabian StyleZhao, Yuzhen, Longyong Chen, Fubo Zhang, Yanlei Li, and Yirong Wu. 2020. "A Novel MIMO-SAR System Based on Simultaneous Digital Beam Forming of Both Transceiver and Receiver" Sensors 20, no. 22: 6604. https://doi.org/10.3390/s20226604
APA StyleZhao, Y., Chen, L., Zhang, F., Li, Y., & Wu, Y. (2020). A Novel MIMO-SAR System Based on Simultaneous Digital Beam Forming of Both Transceiver and Receiver. Sensors, 20(22), 6604. https://doi.org/10.3390/s20226604

