Improved Performance of SRAM-Based True Random Number Generator by Leveraging Irradiation Exposure
Abstract
1. Introduction
2. Related Works and Our Contributions
- Ionization irradiation increases the min-entropy over 20 times, which is a remarkable randomness improvement upon the existing works. In other words, about only 5% of the SRAM cells are needed to generate the true random bitstreams of the same length as the ones before irradiation, which significantly promotes the utilization rate of memory cells and decreases the area and power consumption per random bit generation. Furthermore, putting SRAM chips that are powered off into the irradiation lab is the main operation in our randomness improvement scheme, and this has a much lower cost and is simpler to implement compared to designing a dedicated SRAM cell to enhance inherent noise sensitivity (as in [11]).
- Throughput is another obstacle for utilizing SRAM as a TRNG because the power-down time between two power-on cycles must be long enough to avoid the degradation of the randomness of power-on values by the remaining charge. Many researchers even give up optimizing throughput [13,21,27,28]. Ionization irradiation can accelerate charge leakage and hence decrease the minimal power-down period between successive two power-on cycles from approximately 250 ms to about 1.5 ms, which makes a great contribution to the throughput of TRNG. It can generate National Institute of Standards and Technology (NIST) SP 800-22 compatible true random bitstreams with throughput of 178 Mbps, which is four times as high as that achieved in [19].
3. Proposed SRAM-Based TRNG Scheme
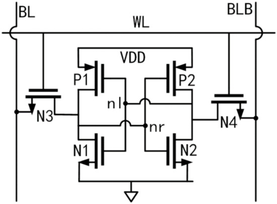
4. Impact of TID on SRAM Power-On Characteristics
5. Hardware Postprocessing
6. Conclusions
Author Contributions
Funding
Conflicts of Interest
Appendix A


References
- Yun, J.; Kim, M. JLVEA: Lightweight Real-Time Video Stream Encryption Algorithm for Internet of Things. Sensors 2020, 20, 3627. [Google Scholar] [CrossRef] [PubMed]
- Gulen, U.; Baktir, S. Elliptic Curve Cryptography for Wireless Sensor Networks Using the Number Theoretic Transform. Sensors 2020, 20, 1507. [Google Scholar] [CrossRef] [PubMed]
- Liu, A.; Ning, P. TinyECC: A Configurable Library for Elliptic Curve Cryptography in Wireless Sensor Networks. In Proceedings of the International Conference on Information Processing in Sensor Networks, St. Louis, MO, USA, 22–24 April 2008. [Google Scholar]
- Bagini, V.; Bucci, M. A design of reliable true random number generator for cryptographic applications. In Proceedings of the International Workshop on Cryptographic Hardware and Embedded Systems, Worcester, MA, USA, 12–13 August 1999; pp. 204–218. [Google Scholar]
- Fischer, V.; Lubicz, D. Embedded Evaluation of Randomness in Oscillator Based Elementary TRNG. In Proceedings of the International Workshop on Cryptographic Hardware and Embedded Systems, Busan, Korea, 23–26 September 2014. [Google Scholar]
- Mohanty, A.; Sutaria, K.B.; Awano, H.; Sato, T.; Cao, Y. RTN in scaled transistors for on-chip random seed generation. IEEE Trans. Very Large Scale Integr. (VLSI) Syst. 2017, 25, 2248–2257. [Google Scholar] [CrossRef]
- Wieczorek, P. Dual-metastability FPGA-based true random number generator. Electron. Lett. 2013, 49, 744–745. [Google Scholar] [CrossRef]
- Yang, K.; Blaauw, D.; Sylvester, D. An all-digital edge racing true random number generator robust against PVT variations. IEEE J. Solid State Circuits 2016, 51, 1022–1031. [Google Scholar]
- Vasyltsov, I.; Hambardzumyan, E.; Kim, Y.-S.; Karpinskyy, B. Fast digital TRNG based on metastable ring oscillator. In Proceedings of the International Workshop on Cryptographic Hardware and Embedded Systems, Washington, DC, USA, 10–13 August 2008; pp. 164–180. [Google Scholar]
- Suresh, V.B.; Burleson, W.P. Entropy extraction in metastability-based TRNG. In Proceedings of the 2010 IEEE International Symposium on Hardware-Oriented Security and Trust (HOST), Anaheim, CA, USA, 13–14 June 2010; pp. 135–140. [Google Scholar]
- Rahman, M.T.; Forte, D.; Wang, X.; Tehranipoor, M. Enhancing noise sensitivity of embedded SRAMs for robust true random number generation in SoCs. In Proceedings of the 2016 IEEE Asian Hardware-Oriented Security and Trust (AsianHOST), Yilan, Taiwan, 19–20 December 2016; pp. 1–6. [Google Scholar]
- Siripragada, A.; Prasad, R.S.; Mohankumar, N. Power Efficient PUF-Based Random Reseeding True Random Number Generator. In Soft Computing and Signal Processing; Springer: Berlin/Heidelberg, Germany, 2019; pp. 549–559. [Google Scholar]
- Wang, W.; Guin, U.; Singh, A. Aging-Resilient SRAM-based True Random Number Generator for Lightweight Devices. J. Electr. Test. 2020, 36, 301–311. [Google Scholar] [CrossRef]
- Gao, Y.; Su, Y.; Yang, W.; Chen, S.; Nepal, S.; Ranasinghe, D.C. Building secure SRAM PUF key generators on resource constrained devices. In Proceedings of the 2019 IEEE International Conference on Pervasive Computing and Communications Workshops (PerCom Workshops), Kyoto, Japan, 11–15 March 2019; pp. 912–917. [Google Scholar]
- Holcomb, D.E.; Burleson, W.P.; Fu, K. Power-up SRAM state as an identifying fingerprint and source of true random numbers. IEEE Trans. Comput. 2008, 58, 1198–1210. [Google Scholar] [CrossRef]
- Zhao, S.; Zhang, Q.; Hu, G.; Qin, Y.; Feng, D. Providing root of trust for ARM TrustZone using on-chip SRAM. In Proceedings of the 4th International Workshop on Trustworthy Embedded Devices, Scottsdale, AZ, USA, 3 November 2014; pp. 25–36. [Google Scholar]
- Wang, R.; Selimis, G.; Maes, R.; Goossens, S. Long-term continuous assessment of SRAM PUF and source of random numbers. In Proceedings of the 2020 Design, Automation & Test in Europe Conference & Exhibition (DATE), Grenoble, France, 9–13 March 2020; pp. 7–12. [Google Scholar]
- Guajardo, J.; Kumar, S.S.; Schrijen, G.-J.; Tuyls, P. FPGA intrinsic PUFs and their use for IP protection. In Proceedings of the International Workshop on Cryptographic Hardware And Embedded Systems, Vienna, Austria, 10–13 September 2007; pp. 63–80. [Google Scholar]
- Leest, V.V.D.; Sluis, E.V.D.; Schrijen, G.J.; Tuyls, P.; Handschuh, H. Efficient Implementation of True Random Number Generator Based on SRAM PUFs. In Cryptography and Security: From Theory to Applications; Naccache, D., Ed.; Springer: Heidelberg, Germany, 2012; Volume 6805, pp. 300–318. [Google Scholar]
- Barker, E.; Kelsey, J. Recommendation for Random Bit Generator (RBG) Constructions (DRAFT NIST Special Publication 800-90C). Natl. Inst. Stand. Technol. 2012. [Google Scholar]
- Kiamehr, S.; Golanbari, M.S.; Tahoori, M.B. Leveraging aging effect to improve SRAM-based true random number generators. In Proceedings of the Design, Automation & Test in Europe Conference & Exhibition (DATE), Lausanne, Switzerland, 27–31 March 2017; pp. 882–885. [Google Scholar]
- Garg, A.; Lee, Z.C.; Lu, L.; Kim, T.T.-H. Improving uniformity and reliability of SRAM PUFs utilizing device aging phenomenon for unique identifier generation. Microelectron. J. 2019, 90, 29–38. [Google Scholar] [CrossRef]
- Setyawan Sajim, A. Open-Source Software-Based SRAM-PUF for Secure Data and Key Storage Using Off-The-Shelf SRAM. Master’s Thesis, Delft University of Technology, Delft, The Netherlands, 2018. [Google Scholar]
- Bhm, C.; Hofer, M. Exemplary PUF. In Physical Unclonable Functions in Theory and Practice; Springer Science & Business Media: New York, NY, USA, 2013; pp. 16–19. [Google Scholar]
- Lee, J.; Jee, D.-W.; Jeon, D. Power-up control techniques for reliable SRAM PUF. IEICE Electron. Express 2019, 16, 20190296. [Google Scholar] [CrossRef]
- Liu, M.; Zhou, C.; Tang, Q.; Parhi, K.K.; Kim, C.H. A data remanence based approach to generate 100% stable keys from an sram physical unclonable function. In Proceedings of the 2017 IEEE/ACM International Symposium on Low Power Electronics and Design (ISLPED), Taipei, Taiwan, 24–26 July 2017; pp. 1–6. [Google Scholar]
- Aysu, A.; Gulcan, E.; Moriyama, D.; Schaumont, P.; Yung, M. End-to-end design of a PUF-based privacy preserving authentication protocol. In Proceedings of the International Workshop on Cryptographic Hardware and Embedded Systems, Saint-Malo, France, 13–16 September 2015; pp. 556–576. [Google Scholar]
- Rahman, M.T. Hardware-Based Security Primitives and Their Applications to Supply Chain Integrity. Ph.D. Thesis, University of Florida, Gainesville, FL, USA, 2017. [Google Scholar]
- Edgar, T.W.; Manz, D.O. Research Methods for Cyber Security; Syngress: Cambridge, MA, USA, 2017. [Google Scholar]
- Barker, E.; Feldman, L.; Witte, G. Recommendation for Random Number Generation Using Deterministic Random Bit Generators; National Institute of Standards and Technology: Gaithersburg, MD, USA, 2015. Available online: https://csrc.nist.gov/publications/detail/itl-bulletin/2015/08/recommendation-for-random-number-generation-using-deterministic-/final (accessed on 10 August 2020).
- Barker, E.; Kelsey, J. SP 800-90C. Recommendation for Random Bit Generator (RBG) Constructions. 13 June 2016. Available online: https://csrc.nist.gov/csrc/media/publications/sp/800-90c/draft/documents/draft-sp800-90c.pdf (accessed on 8 August 2020).
- Sreekumar, L.; Ramesh, P. Selection of an Optimum Entropy Source Design for a True Random Number Generator. Procedia Technol. 2016, 25, 598–605. [Google Scholar] [CrossRef]
- Fischer, V.; Bernard, F.; Bochard, N.; Varchola, M. Enhancing security of ring oscillator-based TRNG implemented in FPGA. In Proceedings of the 2008 International Conference on Field Programmable Logic and Applications, Heidelberg, Germany, 8–10 September 2008; pp. 245–250. [Google Scholar]
- Cret, O.; Suciu, A.; Gyorfi, T. Practical issues in implementing trngs in fpgas based on the ring oscillator sampling method. In Proceedings of the 2008 10th International Symposium on Symbolic and Numeric Algorithms for Scientific Computing, Timisoara, Romania, 6–29 September 2008; pp. 433–438. [Google Scholar]
- Istvan, H.; Suciu, A.; Cret, O. FPGA based TRNG using automatic calibration. In Proceedings of the 2009 IEEE 5th International Conference on Intelligent Computer Communication and Processing, Cluj-Napoca, Romania, 27–29 August 2009; pp. 373–376. [Google Scholar]
- Wold, K.; Tan, C.H. Analysis and enhancement of random number generator in FPGA based on oscillator rings. In Proceedings of the 2008 International Conference on Reconfigurable Computing and FPGAs, Cancun, Mexico, 3–5 December 2008; pp. 385–390. [Google Scholar]
- Sunar, B.; Martin, W.J.; Stinson, D.R. A provably secure true random number generator with built-in tolerance to active attacks. IEEE Trans. Comput. 2006, 56, 109–119. [Google Scholar] [CrossRef]
- Satpathy, S.K.; Mathew, S.K.; Kumar, R.; Suresh, V.; Anders, M.A.; Kaul, H.; Agarwal, A.; Hsu, S. An all-digital unified physically unclonable function and true random number generator featuring self-calibrating hierarchical Von Neumann extraction in 14-nm tri-gate CMOS. IEEE J. Solid State Circuits 2019, 54, 1074–1085. [Google Scholar] [CrossRef]
- Satpathy, S.; Mathew, S.; Suresh, V.; Anders, M.; Kaul, H.; Agarwal, A.; Hsu, S.; Krishnamurthy, R.; De, V. An all-digital unified static/dynamic entropy generator featuring self-calibrating hierarchical Von Neumann extraction for secure privacy-preserving mutual authentication in IoT mote platforms. In Proceedings of the 2018 IEEE Symposium on VLSI Circuits, Honolulu, HI, USA, 18–22 June 2018; pp. 169–170. [Google Scholar]
- Degada, A.; Thapliyal, H. An Integrated TRNG-PUF Architecture based on Photovoltaic Solar Cells. IEEE Consum. Electron. Mag. 2020. [Google Scholar] [CrossRef]
- Jun, B.; Kocher, P. The Intel random number generator. Cryptogr. Res. Inc. White Pap. 1999, 27, 1–8. [Google Scholar]
- Garcia-Bosque, M.; Pérez, A.; Sánchez-Azqueta, C.; Celma, S. Application of a MEMS-based TRNG in a chaotic stream cipher. Sensors 2017, 17, 646. [Google Scholar] [CrossRef] [PubMed]
- Tokunaga, C.; Blaauw, D.; Mudge, T. True random number generator with a metastability-based quality control. IEEE J. Solid State Circuits 2008, 43, 78–85. [Google Scholar] [CrossRef]
- XILINX. ZC702 Evaluation Board for the Zynq-7000 XC7Z020 SoC User Guide. Available online: https://china.xilinx.com/search/site-keyword-search.html#q=xc7z020 (accessed on 5 August 2020).
- Holcomb, D.E.; Burleson, W.P.; Fu, K. Initial SRAM state as a fingerprint and source of true random numbers for RFID tags. In Proceedings of the Conference on RFID Security, Graz, Austria, 13–15 July 2007; p. 1. [Google Scholar]
- Taur, Y.; Ning, T.H. Basic Device Physics. In Fundamentals of Modern VLSI Devices; Cambridge University Press: New York, NY, USA, 2013; pp. 69–79. [Google Scholar]
- Novikov, A. Experimental measurement of work function in doped silicon surfaces. Solid State Electron. 2010, 54, 8–13. [Google Scholar] [CrossRef]
- Bernstein, K.; Frank, D.J.; Gattiker, A.E.; Haensch, W.; Ji, B.L.; Nassif, S.R.; Nowak, E.J.; Pearson, D.J.; Rohrer, N.J. High-performance CMOS variability in the 65-nm regime and beyond. IBM J. Res. Dev. 2006, 50, 433–449. [Google Scholar] [CrossRef]
- Asenov, A.; Brown, A.R.; Davies, J.H.; Kaya, S.; Slavcheva, G. Simulation of intrinsic parameter fluctuations in decananometer and nanometer-scale MOSFETs. IEEE Trans. Electron. Devices 2003, 50, 1837–1852. [Google Scholar] [CrossRef]
- Campbell, P.M.; Bogdan, C.W. Analytical Models for Total Dose Ionization Effects in MOS Devices. Sandia Rep. Sandia Natl. Lab. Albuq. N. M. 2008, 1178–1185. [Google Scholar]
- Esqueda, I.S.; Barnaby, H.J.; King, M.P. Compact modeling of total ionizing dose and aging effects in MOS technologies. IEEE Trans. Nucl. Sci. 2015, 62, 1501–1515. [Google Scholar] [CrossRef]







| Pre-Irradiation (Power-Down Period () = 3 ms, Block Size () = 370) | Under 2 Mrad(SiO2) (Power-Down Period () = 3 ms, Block Size () = 370) | |||
|---|---|---|---|---|
| Power-on Sequence | Conditioned Bitstreams | Power-on Sequence | Conditioned Bitstreams | |
| 1 | ✕ | ✓ | ✓ | ✓ | 
| 2 | ✕ | ✓ | ✓ | ✓ | 
| 3 | ✕ | ✓ | ✓ | ✓ | 
| 4 | ✕ | ✓ | ✓ | ✓ | 
| 5 | ✓ | ✕ | ✓ | ✓ | 
| 6 | ✕ | ✕ | ✓ | ✓ | 
| 7 | ✕ | ✓ | ✓ | ✓ | 
| 8 | ✕ | ✓ | ✓ | ✓ | 
| 9 | ✕ | ✓ | ✕ | ✓ | 
| 10 | ✓ | ✓ | ✓ | ✓ | 
| 11 | ✕ | ✕ | ✓ | ✓ | 
| 12 | ✕ | ✕ | ✕ | ✓ | 
| 13 | ✕ | ✓ | ✓ | ✓ | 
| 14 | ✕ | ✓ | ✓ | ✓ | 
| [1] | [21] | [11] | [45] | This Work | |
|---|---|---|---|---|---|
| Min-entropy of SRAM power-on values | 0.02 | 0.5 | 0.89 | 0.103 | 0.75 | 
| Type of conditioned bitstreams | Pseudorandom | -- | True random | Pseudorandom | True random | 
| Throughput of conditioned bitstreams | 40 Mbps | -- | -- | -- | 178 Mbps | 
| NIST SP 800-22 tests on conditioned bitstreams | Pass | -- | Pass | Pass | Pass | 
| Postprocessing | Hash | -- | Hash | Hash | Hash | 
| Normal storage function | Yes | Yes | No | Yes | Yes | 
| Publisher’s Note: MDPI stays neutral with regard to jurisdictional claims in published maps and institutional affiliations. | 
© 2020 by the authors. Licensee MDPI, Basel, Switzerland. This article is an open access article distributed under the terms and conditions of the Creative Commons Attribution (CC BY) license (http://creativecommons.org/licenses/by/4.0/).
Share and Cite
Zhang, X.; Jiang, C.; Dai, G.; Zhong, L.; Fang, W.; Gu, K.; Xiao, G.; Ren, S.; Liu, X.; Zou, S. Improved Performance of SRAM-Based True Random Number Generator by Leveraging Irradiation Exposure. Sensors 2020, 20, 6132. https://doi.org/10.3390/s20216132
Zhang X, Jiang C, Dai G, Zhong L, Fang W, Gu K, Xiao G, Ren S, Liu X, Zou S. Improved Performance of SRAM-Based True Random Number Generator by Leveraging Irradiation Exposure. Sensors. 2020; 20(21):6132. https://doi.org/10.3390/s20216132
Chicago/Turabian StyleZhang, Xu, Chunsheng Jiang, Gang Dai, Le Zhong, Wen Fang, Ke Gu, Guoping Xiao, Shangqing Ren, Xin Liu, and Sanyong Zou. 2020. "Improved Performance of SRAM-Based True Random Number Generator by Leveraging Irradiation Exposure" Sensors 20, no. 21: 6132. https://doi.org/10.3390/s20216132
APA StyleZhang, X., Jiang, C., Dai, G., Zhong, L., Fang, W., Gu, K., Xiao, G., Ren, S., Liu, X., & Zou, S. (2020). Improved Performance of SRAM-Based True Random Number Generator by Leveraging Irradiation Exposure. Sensors, 20(21), 6132. https://doi.org/10.3390/s20216132
 
        

 
       