Design of a 1-bit MEMS Gyroscope using the Model Predictive Control Approach
Abstract
:1. Introduction
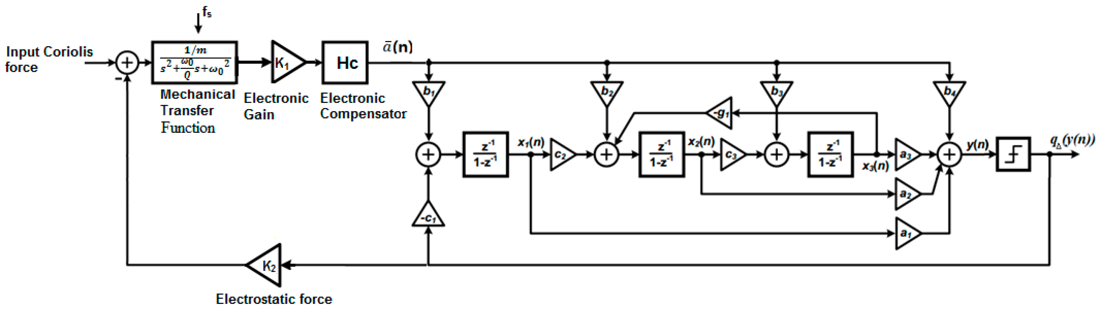
2. Δ∑ Modulator-Based MEMS Gyroscope
3. OBMPC Structure for the 1-bit MEMS Gyroscope
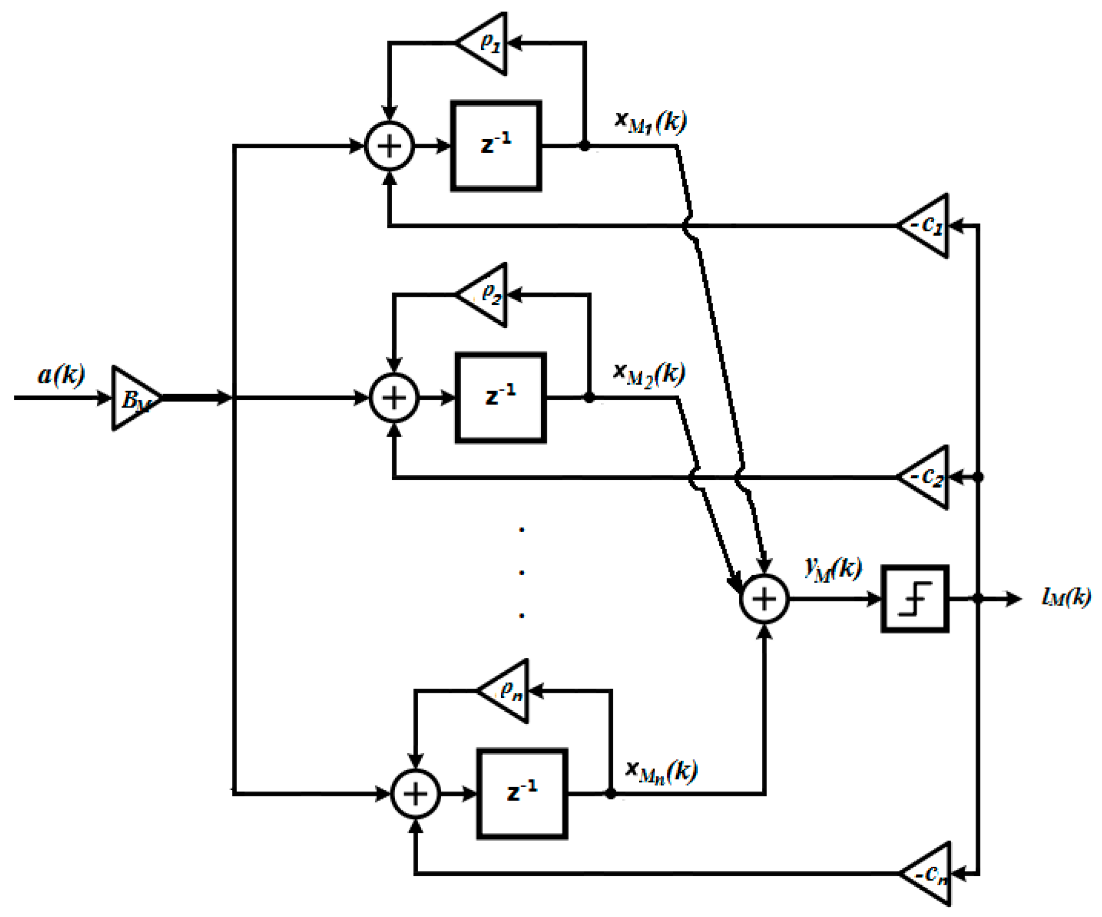
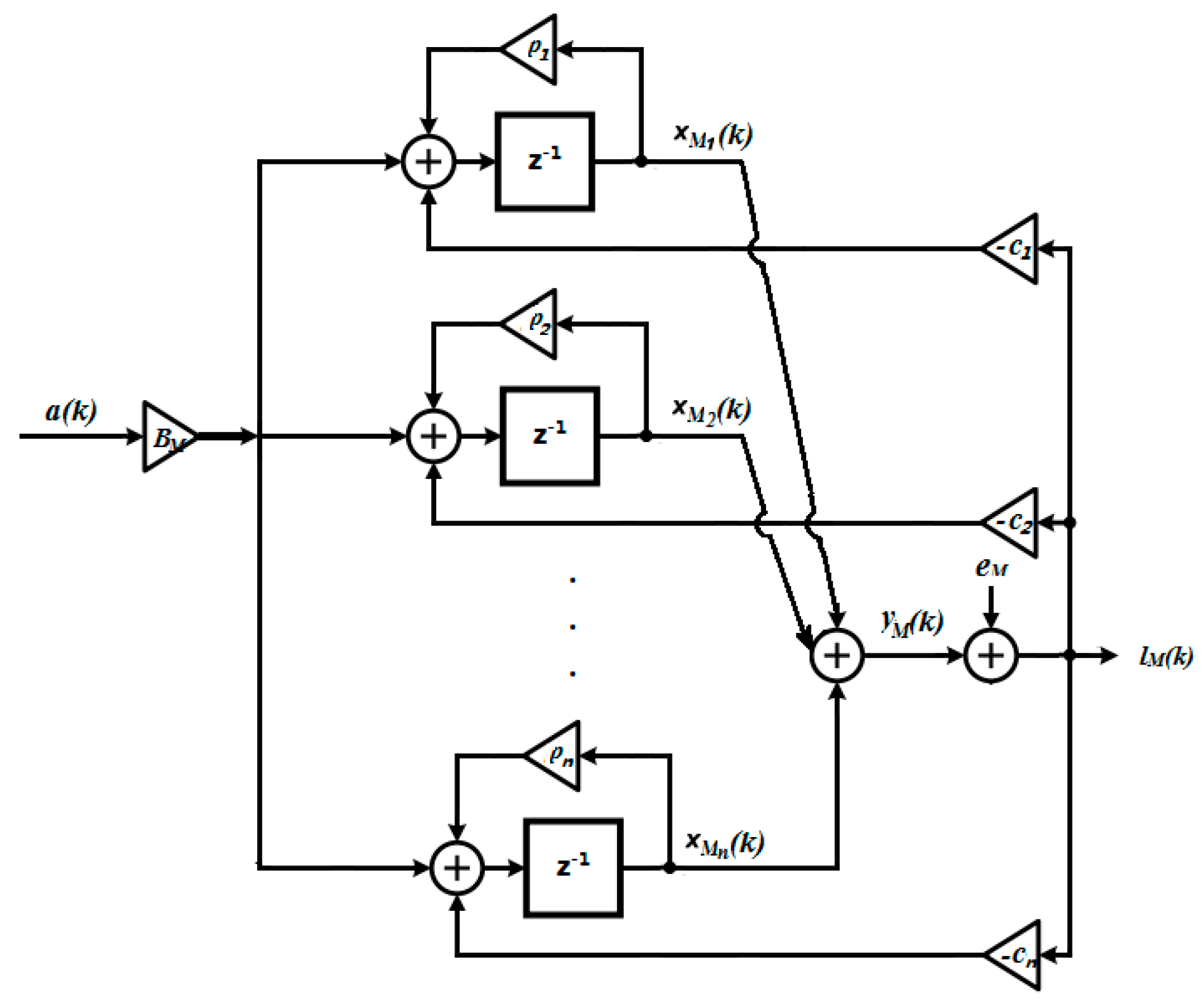
3.1. Δ∑ Modulator with Parallel State Variables
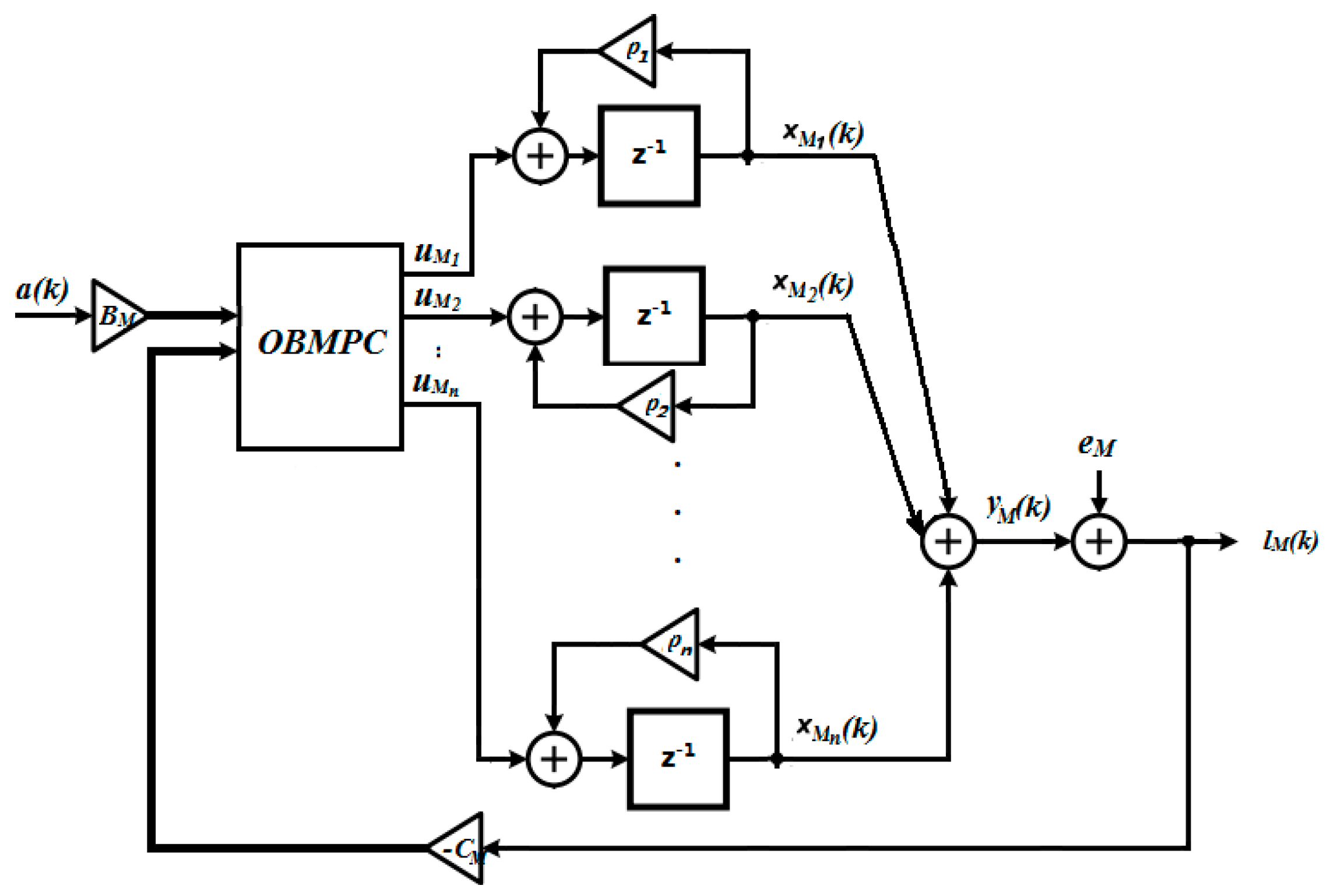
3.2. OBMPC-based MEMS Gyroscope Using 1-bit Processing
3.2.1. Linearization Assumption and Problem Formulation
3.2.2. Unconstrained OBMPC Implementation
3.2.3. Hard Constraints on OBMPC based MEMS Gyroscope
4. Direct Implementation Method Using the OBMPC Approach
5. Numerical Example
6. Conclusions
Author Contributions
Funding
Acknowledgments
Conflicts of Interest
References
- Kraft, M.; Ding, H. Sigma-delta modulator based control systems for MEMS gyroscopes. In Proceedings of the 4th IEEE International Conference on Nano/Micro Engineered and Molecular Systems (NEMS 2009), Shenzhen, China, 5–8 January 2009; pp. 41–46. [Google Scholar]
- Jiang, X.; Seeger, J.I.; Kraft, M.; Boser, B.E. A monolithic surface micromachined Z-axis gyroscope with digital output. In Proceedings of the 2000 Symposium on VLSI Circuits, Digest of Technical Papers, Honolulu, HI, USA, 15–17 June 2000; pp. 16–19. [Google Scholar]
- Petkov, V.P.; Boser, B.E. High-order electromechanical ΣΔ modulation in micromachined inertial sensors. IEEE Trans. Circuits Syst. I Regul. Pap. 2006, 53, 1016–1022. [Google Scholar] [CrossRef]
- Dong, Y.; Kraft, M.; Redman-White, W. Higher order noise-shaping filters for high-performance micromachined accelerometers. IEEE Trans. Instrum. Meas. 2007, 56, 1666–1674. [Google Scholar] [CrossRef]
- Raman, J.; Cretu, E.; Rombouts, P.; Weyten, L. A closed-loop digitally controlled MEMS gyroscope with unconstrained sigma-delta force-feedback. IEEE Sens. J. 2009, 9, 297–305. [Google Scholar] [CrossRef]
- Antonello, R.; Oboe, R. Exploring the potential of MEMS gyroscopes: Successfully using sensors in typical industrial motion control applications. IEEE Ind. Electron. Mag. 2012, 6, 14–24. [Google Scholar] [CrossRef]
- Dong, Y.; Zwahlen, P.; Nguyen, A.-M.; Rudolf, F.; Stauffer, J.-M. High performance inertial navigation grade sigma-delta MEMS accelerometer. In Proceedings of the 2010 IEEE/ION Position Location and Navigation Symposium (PLANS), Indian Wells, CA, USA, 4–6 May 2010; pp. 32–36. [Google Scholar]
- Paramesh, J.; Von Jouanne, A. Use of sigma-delta modulation to control EMI from switch-mode power supplies. IEEE Trans. Ind. Electron. 2001, 48, 111–117. [Google Scholar] [CrossRef]
- Jacob, B.; Baiju, M. Space-Vector-Quantized Dithered Sigma–Delta Modulator for Reducing the Harmonic Noise in Multilevel Converters. IEEE Trans. Ind. Electron. 2015, 62, 2064–2072. [Google Scholar] [CrossRef]
- Acero, J.; Navarro, D.; Barragán, L.; Garde, I.; Artigas, J.; Burdío, J.M. FPGA-based power measuring for induction heating appliances using sigma–delta A/D conversion. IEEE Trans. Ind. Electron. 2007, 54, 1843–1852. [Google Scholar] [CrossRef]
- Jimenez, O.; Lucia, O.; Urriza, I.; Barragan, L.A.; Navarro, D. Design and Evaluation of a Low-Cost High-Performance–ADC for Embedded Control Systems in Induction Heating Appliances. IEEE Trans. Ind. Electron. 2014, 61, 2601–2611. [Google Scholar] [CrossRef]
- De Rooij, N.; Gautsch, S.; Briand, D.; Marxer, C.; Mileti, G.; Noell, W.; Shea, H.; Staufer, U.; Van Der Schoot, B. Mems for space. In Proceedings of the International Solid-State Sensors, Actuators and Microsystems Conference, 2009. (TRANSDUCERS 2009), Denver, CO, USA, 21–25 June 2009; pp. 17–24. [Google Scholar]
- Miller, M.R.; Petrie, C.S. A multibit sigma-delta ADC for multimode receivers. IEEE J. Solid-State Circuits 2003, 38, 475–482. [Google Scholar] [CrossRef]
- Datta, A.; Ho, M.-T.; Bhattacharyya, S.P. Structure and Synthesis of PID Controllers; Springer Science & Business Media: Berlin/Heidelberg, Germany, 2000. [Google Scholar]
- Johns, D.A.; Lewis, D.M. Design and analysis of delta-sigma based IIR filters. IEEE Trans. Circuits Syst. II Analog Digit. Signal Process. 1993, 40, 233–240. [Google Scholar] [CrossRef]
- Schreier, R. An empirical study of high-order single-bit delta-sigma modulators. IEEE Trans. Circuits Syst. II Analog Digit. Signal Process. 1993, 40, 461–466. [Google Scholar] [CrossRef]
- Kershaw, S.; Summerfield, S.; Sandler, M.; Anderson, M. Realisation and implementation of a sigma-delta bitstream FIR filter. IEE Proc. Circuits Devices Syst. 1996, 143, 267–273. [Google Scholar] [CrossRef]
- Johns, D.; Lewis, D. IIR filtering on sigma-delta modulated signals. Electron. Lett. 1991, 27, 307–308. [Google Scholar] [CrossRef]
- Stewart, B.; Pfann, E. Oversampling and sigma-delta strategies for data conversion. Electron. Commun. Eng. 1998, 10, 37–47. [Google Scholar] [CrossRef]
- Sklar, B. Digital Communications; Prentice Hall PTR: Upper Saddle River, NJ, USA, 2001; Volume 1099. [Google Scholar]
- Reefman, D.; Janssen, E. One-bit audio: An overview. J. Audio Eng. Soc. 2004, 52, 166–189. [Google Scholar]
- Dallago, E.; De Leo, G.; Sassone, G. A current-mode power sigma-delta modulator for audio applications. IEEE Trans. Ind. Electron. 2005, 52, 236–242. [Google Scholar] [CrossRef]
- Wu, X.; Goodall, R. One-bit processing for digital control. IEE Proc. Control Theory Appl. 2005, 152, 403–410. [Google Scholar] [CrossRef]
- Wu, X.; Goodall, R. One-Bit Processing for Real-Time Control; Loughborough University: Loughborough, UK, 2005. [Google Scholar]
- Bai, X.; Wu, X. 1-Bit processing based model predictive control for fractionated satellite missions. Acta Astronaut. 2014, 95, 37–50. [Google Scholar] [CrossRef]
- Dong, Y.; Kraft, M.; Redman-White, W. Micromachined vibratory gyroscopes controlled by a high-order bandpass sigma-delta modulator. IEEE Sens. J. 2007, 7, 59–69. [Google Scholar] [CrossRef]
- Smith, T.; Nys, O.; Chevroulet, M.; DeCoulon, Y.; Degrauwe, M. A 15 b electromechanical sigma-delta converter for acceleration measurements. In Proceedings of the 1994 IEEE International Solid-State Circuits Conference (41st ISSCC), San Francisco, CA, USA, 16–18 February 1994; pp. 160–161. [Google Scholar]
- Dong, Y.; Kraft, M.; Hedenstierna, N.; Redman-White, W. Microgyroscope control system using a high-order band-pass continuous-time sigma-delta modulator. Sens. Actuators A Phys. 2008, 145, 299–305. [Google Scholar] [CrossRef]
- Einicke, G.A. Smoothing, Filtering and Prediction-Estimating the Past, Present and Future; InTech: New York, NY, USA, 2012. [Google Scholar]
- Zwahlen, P.; Nguyen, A.-M.; Dong, Y.; Rudolf, F.; Pastre, M.; Schmid, H. Navigation grade MEMS accelerometer. In Proceedings of the 2010 IEEE 23rd International Conference on Micro Electro Mechanical Systems (MEMS), Hong Kong, China, 24–28 January 2010; pp. 631–634. [Google Scholar]
- Zwahlen, P.; Dong, Y.; Nguyen, A.-M.; Rudolf, F.; Stauffer, J.-M.; Ullah, P.; Ragot, V. Breakthrough in high performance inertial navigation grade Sigma-Delta MEMS accelerometer. In Proceedings of the 2012 IEEE/ION Position Location and Navigation Symposium (PLANS), Myrtle Beach, SC, USA, 23–26 April 2012; pp. 15–19. [Google Scholar]
- Raman, J.; Cretu, E.; Rombouts, P.; Weyten, L. A digitally controlled MEMS gyroscope with unconstrained sigma-delta force-feedback architecture. In Proceedings of the 19th IEEE International Conference on Micro Electro Mechanical Systems (MEMS 2006), Istanbul, Turkey, 22–26 January 2006; pp. 710–713. [Google Scholar]
- Petkov, V.P.; Boser, B.E. A fourth-order ΣΔ interface for micromachined inertial sensors. IEEE J. Solid-State Circuits 2005, 40, 1602–1609. [Google Scholar] [CrossRef]
- Hein, S.; Zakhor, A. On the stability of interpolative sigma delta modulators. In Proceedings of the IEEE International Sympoisum on Circuits and Systems, Singapore, 11–14 June 1991; pp. 1621–1624. [Google Scholar]
- Hein, S.; Zakhor, A. On the stability of sigma delta modulators. IEEE Trans. Signal Process. 1993, 41, 2322–2348. [Google Scholar] [CrossRef]
- Wang, H. On the stability of third-order sigma-delta modulation. In Proceedings of the 1993 IEEE International Symposium on Circuits and Systems (ISCAS’93), Chicago, IL, USA, 3–6 May 1993; pp. 1377–1380. [Google Scholar]
- Bourdopoulos, G.I.; Anastassopoulos, V.; Pnevmatikakis, A.; Deliyannis, T.L. Delta-Sigma Modulators Modeling, Design and Applications; Imperial College Press: London, UK, 2003. [Google Scholar]
- Dunn, C.; Sandler, M. Use of clipping in Sigma-Delta modulators. In Proceedings of the IEEE Colloquium on Oversampling Techniques and Sigma-Delta Modulation, London, UK, 1–4 March 1994. [Google Scholar]
- Steiner, P.; Yang, W. A framework for analysis of high-order sigma-delta modulators. IEEE Trans. Circuits Syst. II Analog Digit. Signal Process. 1997, 44, 1–10. [Google Scholar] [CrossRef]
- Almakhles, D.; Swain, A.; Patel, N. Stability and Performance Analysis of Bit-Stream Based Feedback Control Systems. IEEE Trans. Ind. Electron. 2015, 62, 4319–4327. [Google Scholar] [CrossRef]
- Kuhn, H.W.; Tucker, A.W. Nonlinear programming. In Proceedings of the Second Berkeley Symposium on Mathematical Statistics and Probability; University of California Press: Oakland, CA, USA, 1951; pp. 481–492. [Google Scholar]
- Hildreth, C. A quadratic programming procedure. Nav. Res. Logist. Q. 1957, 4, 79–85. [Google Scholar] [CrossRef]
- Wang, L. Model Predictive Control System Design and Implementation Using MATLAB®; Springer: New York, NY, USA, 2009. [Google Scholar]
















© 2019 by the authors. Licensee MDPI, Basel, Switzerland. This article is an open access article distributed under the terms and conditions of the Creative Commons Attribution (CC BY) license (http://creativecommons.org/licenses/by/4.0/).
Share and Cite
Wu, X.; Xie, Z.; Bai, X.; Kwan, T. Design of a 1-bit MEMS Gyroscope using the Model Predictive Control Approach. Sensors 2019, 19, 730. https://doi.org/10.3390/s19030730
Wu X, Xie Z, Bai X, Kwan T. Design of a 1-bit MEMS Gyroscope using the Model Predictive Control Approach. Sensors. 2019; 19(3):730. https://doi.org/10.3390/s19030730
Chicago/Turabian StyleWu, Xiaofeng, Zhicheng Xie, Xueliang Bai, and Trevor Kwan. 2019. "Design of a 1-bit MEMS Gyroscope using the Model Predictive Control Approach" Sensors 19, no. 3: 730. https://doi.org/10.3390/s19030730
APA StyleWu, X., Xie, Z., Bai, X., & Kwan, T. (2019). Design of a 1-bit MEMS Gyroscope using the Model Predictive Control Approach. Sensors, 19(3), 730. https://doi.org/10.3390/s19030730
