Physical Unclonable Functions in the Internet of Things: State of the Art and Open Challenges
Abstract
:1. Introduction
2. PUF Initial Definitions
3. PUF-Based Threats on IoT Devices
3.1. Man in the Middle Attack
3.2. Side Channel Attack
3.2.1. Invasive, Semi-invasive, and Non-Invasive
3.2.2. Active and Passive
4. Defense Strategy
5. Physical Unclonable Function Architecture Selection for IoT
- Robustness against possible attacks.
- Good statistical properties are important features in cryptographic applications (CRPs uniqueness and uniformity).
- Number of CRPs vs. occupied area (strong PUF: exponential increment in the number of CRPs by increasing utilized computational resources vs. weak PUF: linear increment in the number of CRPs by increasing utilized computational resources).
- Easy implementation process on FPGA (making it possible to adapt the PUF after deploying the IoT devices and updating it to new counter attacks).
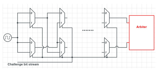
5.1. Arbiter PUF
5.2. Ring Oscillator PUF
5.3. SRAM PUF
5.4. Newer PUF Architectures
- Combination of these new PUFs with an authentication protocols to fulfil required IoT authentication scenarios (see Section 7).
- Integration of the solution in FPGAs with few computational resources, e.g., the Artix 7 or the Spartan family from Xilinx.
- Evaluation of the term “lightweight solution for the authentication process” after a clear report regarding the required computational resources.
- Collaboration with third-parties to reevaluate the achieved results.
6. PUF Protocols for IoT
6.1. Early Protocols
6.2. Mutual Authentication Protocol
6.3. Obfuscated Challenge Response Protocol
- First, in the enrollment phase, the server stores CRPs for partial challenges combined with all possible random numbers. Thus, for each partial challenge, it stores n possible responses.
- For authentication, the server sends a partial challenge to the device. The device applies it to its OB-PUF and sends back the generated response R.
- When the server receives R, it compares it with all possible responses which have as part of their full challenge. If , authentication is successful, otherwise authentication is rejected.
6.4. Lockdown Protocol
7. Where Are We with PUFs in IoT?
8. Conclusions
Author Contributions
Funding
Conflicts of Interest
References
- Sicari, S.; Rizzardi, A.; Grieco, L.; Coen-Porisini, A. Security, privacy and trust in internet of things: The road ahead. Comput. Netw. 2015, 76, 146–164. [Google Scholar] [CrossRef]
- Radomirovic, S. Towards a model for security and privacy in the internet of things. In Proceedings of the First International Workshop on Security of the Internet of Things, Tokyo, Japan, 29 November–1 December 2010. [Google Scholar]
- Wurm, J.; Hoang, K.; Arias, O.; Sadeghi, A.-H.; Jin, Y. Security analysis on consumer and industrial iot devices. In Proceedings of the 2016 21st Asia and South Pacific Design Automation Conference (ASP-DAC), Macao, China, 25–28 January 2016; pp. 519–524. [Google Scholar]
- Shrouf, F.; Ordieres, J.; Miragliotta, G. Smart factories in industry 4.0: A review of the concept and of energy management approached in production based on the internet of things paradigm. In Proceedings of the 2014 IEEE International Conference on Industrial Engineering and Engineering Management (IEEM), Selangor, Malaysia, 9–12 December 2014; pp. 697–701. [Google Scholar]
- Martinez, B.; Montón, M.; Vilajosana, I.; Prades, J.D. The power of models: Modeling power consumption for iot devices. IEEE Sens. J. 2015, 15, 5777–5789. [Google Scholar] [CrossRef]
- Mukhopadhyay, S.C.; Suryadevara, N.K. Internet of things: Challenges and opportunities. In Internet of Things; Springer: Berlin/Heidelberg, Germany, 2014; pp. 1–17. [Google Scholar]
- Babaei, A.; Schiele, G. Spatial reconfigurable physical unclonable functions for the internet of things. In Proceedings of the International Conference on Security, Privacy and Anonymity in Computation, Communication and Storage, Guangzhou, China, 12–15 December 2017; pp. 312–321. [Google Scholar]
- Keoh, S.L.; Kumar, S.S.; Tschofenig, H. Securing the Internet of Things: A Standardization Perspective. IEEE Internet Things J. 2014, 1, 265–275. [Google Scholar] [CrossRef]
- Bertino, E.; Islam, N. Botnets and internet of things security. Computer 2017, 50, 76–79. [Google Scholar] [CrossRef]
- Mukhopadhyay, D. Pufs as promising tools for security in internet of things. IEEE Des. Test 2016, 33, 103–115. [Google Scholar] [CrossRef]
- Halak, B.; Zwolinski, M.; Mispan, M.S. Overview of puf-based hardware security solutions for the internet of things. In Proceedings of the 2016 IEEE 59th International Midwest Symposium on Circuits and Systems (MWSCAS), Abu Dhabi, UAE, 16–19 October 2016; pp. 1–4. [Google Scholar]
- Machida, T.; Yamamoto, D.; Iwamoto, M.; Sakiyama, K. A new arbiter puf for enhancing unpredictability on fpga. Sci. World J. 2015, 2015, 1–13. [Google Scholar] [CrossRef] [PubMed]
- Rührmair, U.; Sehnke, F.; Sölter, J.; Dror, G.; Devadas, S.; Schmidhuber, J. Modeling attacks on physical unclonable functions. In Proceedings of the 17th ACM conference on Computer and Communications Security, Chicago, IL, USA, 4–8 October 2010; pp. 237–249. [Google Scholar]
- Busch, H.; Katzenbeisser, S.; Baecher, P. Puf-based authentication protocols–revisited. In Proceedings of the International Workshop on Information Security Applications, Busan, Korea, 25–27 August 2009; pp. 296–308. [Google Scholar]
- Pappu, R.; Recht, B.; Taylor, J.; Gershenfeld, N. Physical one-way functions. Science 2002, 297, 2026–2030. [Google Scholar] [CrossRef]
- Maes, R. Physically Unclonable Functions: Constructions, Properties and Applications (Fysisch Onkloonbare Functies: Constructies, Eigenschappen en Toepassingen). Ph.D. Thesis, Katholieke Universiteit Leuven, Leuven, Belgium, 2012. [Google Scholar]
- Merli, D. Attacking and Protecting Ring Oscillator Physical Unclonable Functions and Code-Offset Fuzzy Extractors. Ph.D. Thesis, Technische Universität München, München, Germany, 2014. [Google Scholar]
- Ho, G.; Leung, D.; Mishra, P.; Hosseini, A.; Song, D.; Wagner, D. Smart locks: Lessons for securing commodity internet of things devices. In Proceedings of the 11th ACM on Asia Conference on Computer and Communications Security (ASIA CCS ’16), Xian, China, 30 May–3 June 2016; pp. 461–472. [Google Scholar]
- Delvaux, J.; Verbauwhede, I. Fault injection modeling attacks on 65 nm arbiter and ro sum pufs via environmental changes. IEEE Trans. Circuits Syst. I Regul. Pap. 2014, 61, 1701–1713. [Google Scholar] [CrossRef]
- Wallgren, L.; Raza, S.; Voigt, T. Routing attacks and countermeasures in the rpl-based internet of things. Int. J. Distrib. Sens. Netw. 2013, 9, 1–11. [Google Scholar] [CrossRef]
- Helfmeier, C.; Boit, C.; Nedospasov, D.; Seifert, J.-P. Cloning physically unclonable functions. In Proceedings of the 2013 IEEE International Symposium on Hardware-Oriented Security and Trust (HOST), Austin, TX, USA, 2–3 June 2013; pp. 1–6. [Google Scholar]
- Ganji, F. On the Learnability of Physically Unclonable Functions; Springer: Berlin/Heidelberg, Germany, 2018. [Google Scholar]
- Standaert, F.-X. Introduction to side-channel attacks. In Secure Integrated Circuits and Systems; Springer: Boston, MA, USA, 2010; pp. 27–42. [Google Scholar]
- Aman, M.N.; Chua, K.C.; Sikdar, B. Position paper: Physical unclonable functions for iot security. In Proceedings of the 2nd ACM International Workshop on IoT Privacy, Trust, and Security, Xi’an, China, 30 May–June 2016; pp. 10–13. [Google Scholar]
- Aman, M.N.; Chua, K.C.; Sikdar, B. Mutual authentication in iot systems using physical unclonable functions. IEEE Internet Things J. 2017, 4, 1327–1340. [Google Scholar] [CrossRef]
- Nedospasov, D.; Seifert, J.-P.; Helfmeier, C.; Boit, C. Invasive puf analysis. In Proceedings of the 2013 Workshop on Fault Diagnosis and Tolerance in Cryptography (FDTC), Los Alamitos, CA, USA, 20 August 2013; pp. 30–38. [Google Scholar]
- Rührmair, U.; Holcomb, D.E. Pufs at a glance. In Proceedings of the Conference on Design, Automation & Test in Europe (DATE), Dresden, Germany, 24–28 March 2014; p. 347. [Google Scholar]
- Skorobogatov, S.P. Semi-Invasive Attacks: A New Approach to Hardware Security Analysis. Ph.D. Thesis, University of Cambridge, Cambridge, UK, 2005. [Google Scholar]
- Tajik, S.; Dietz, E.; Frohmann, S.; Seifert, J.-P.; Nedospasov, D.; Helfmeier, C.; Boit, C.; Dittrich, H. Physical characterization of arbiter pufs. In Proceedings of the International Workshop on Cryptographic Hardware and Embedded Systems, Busan, Korea, 23–26 September 2014; pp. 493–509. [Google Scholar]
- Merli, D.; Schuster, D.; Stumpf, F.; Sigl, G. Semi-invasive em attack on fpga ro pufs and countermeasures. In Proceedings of the Workshop on Embedded Systems Security, Montreal, QC, Canada, 29 September–4 October 2013; p. 2. [Google Scholar]
- Merli, D.; Heyszl, J.; Heinz, B.; Schuster, D.; Stumpf, F.; Sigl, G. Localized electromagnetic analysis of ro pufs. In Proceedings of the 2013 IEEE International Symposium on Hardware-Oriented Security and Trust (HOST), Austin, TX, USA, 2–3 June 2013; pp. 19–24. [Google Scholar]
- Becker, G.T.; Kumar, R. Active and passive side-channel attacks on delay based puf designs. IACR Cryptol. ePrint Arch. 2014, 2014, 287. [Google Scholar]
- Mahmoud, A.; Rührmair, U.; Majzoobi, M.; Koushanfar, F. Combined modeling and side channel attacks on strong pufs. IACR Cryptol. ePrint Arch. 2013, 2013, 632. [Google Scholar]
- Rührmair, U.; Xu, X.; Sölter, J.; Mahmoud, A.; Majzoobi, M.; Koushanfar, F.; Burleson, W. Efficient power and timing side channels for physical unclonable functions. In Proceedings of the International Workshop on Cryptographic Hardware and Embedded Systems, Busan, Korea, 23–26 September 2014; Springer: Berlin/Heidelberg, Germany, 2014; pp. 476–492. [Google Scholar]
- Kumar, R.; Burleson, W. Hybrid modeling attacks on current-based pufs. In Proceedings of the 2014 32nd IEEE International Conference on Computer Design (ICCD), Seoul, Korea, 19–22 October 2014; pp. 493–496. [Google Scholar]
- Xu, X.; Burleson, W. Hybrid side-channel/machine-learning attacks on pufs: A new threat? In Proceedings of the Conference on Design, Automation & Test in Europe (DATE), Dresden, Germany, 24–28 March 2014; European Design and Automation Association: Leuven, Belgium, 2014; p. 349. [Google Scholar]
- Delvaux, J.; Peeters, R.; Gu, D.; Verbauwhede, I. A survey on lightweight entity authentication with strong pufs. ACM Comput. Surv. CSUR 2015, 48, 26. [Google Scholar] [CrossRef]
- Idriss, T.; Idriss, H.; Bayoumi, M. A puf-based paradigm for iot security. In Proceedings of the 2016 IEEE 3rd World Forum on Internet of Things (WF-IoT), Reston, VA, USA, 12–14 December 2016; pp. 700–705. [Google Scholar]
- Herder, C.; Yu, M.D.; Koushanfar, F.; Devadas, S. Physical unclonable functions and applications: A tutorial. Proc. IEEE 2014, 102, 1126–1141. [Google Scholar] [CrossRef]
- Sadeghi, A.-H.; Visconti, I.; Wachsmann, C. Enhancing rfid security and privacy by physically unclonable functions. In Towards Hardware-Intrinsic Security; Springer: Berlin/Heidelberg, Germany, 2010; pp. 281–305. [Google Scholar]
- Lee, Y.S.; Kim, T.Y.; Lee, H.J. Mutual authentication protocol for enhanced rfid security and anti-counterfeiting. In Proceedings of the 2012 26th International Conference on Advanced Information Networking and Applications Workshops (WAINA), Fukuoka, Japan, 26–29 March 2012; pp. 558–563. [Google Scholar]
- Gassend, B.; Clarke, D.; van Dijk, M.; Devadas, S. Silicon physical random functions. In Proceedings of the 9th ACM Conference on Computer and Communications Security, Washington, DC, USA, 18–22 November 2002; pp. 148–160. [Google Scholar]
- Zalivaka, S.S.; Ivaniuk, A.A.; Chang, C.-H. Low-cost fortification of arbiter puf against modeling attack. In Proceedings of the 2017 IEEE International Symposium on Circuits and Systems (ISCAS), Baltimore, MD, USA, 28–31 May 2017; pp. 1–4. [Google Scholar]
- Tao, S.; Dubrova, E. Reliable low-overhead arbiter-based physical unclonable functions for resource-constrained IoT devices. In Proceedings of the Fourth Workshop on Cryptography and Security in Computing Systems, Stockholm, Sweden, 24 January 2017; pp. 1–6. [Google Scholar]
- Suh, G.E.; Devadas, S. Physical unclonable functions for device authentication and secret key generation. In Proceedings of the 44th Annual Design Automation Conference, San Diego, CA, USA, 4–8 June 2007; pp. 9–14. [Google Scholar]
- Becker, G.T. The gap between promise and reality: On the insecurity of xor arbiter pufs. In Proceedings of the International Workshop on Cryptographic Hardware and Embedded Systems, Saint-Malo, France, 13–16 September 2015; Springer: Berlin/Heidelberg, Germany, 2015; pp. 535–555. [Google Scholar]
- Yu, M.-D.; Devadas, S. Recombination of physical unclonable functions. In Proceedings of the 35th Annual Government Microcircuit Applications & Critical Technology Conference (GOMACTech), Reno, NV, USA, 22–25 March 2010. [Google Scholar]
- Cao, Y.; Zhang, L.; Chang, C.-H.; Chen, S. A low-power hybrid ro puf with improved thermal stability for lightweight applications. IEEE Trans. Comput.-Aided Des. Integr. Circuits Syst. 2015, 34, 1143–1147. [Google Scholar]
- Holcomb, D.E.; Burleson, W.P.; Fu, K. Power-up sram state as an identifying fingerprint and source of true random numbers. IEEE Trans. Comput. 2009, 58, 1198–1210. [Google Scholar] [CrossRef]
- Intrinsic ID, BV. Available online: https://www.intrinsic-id.com/ (accessed on 21 July 2019).
- Garg, A.; Kim, T.T. Design of sram puf with improved uniformity and reliability utilizing device aging effect. In Proceedings of the 2014 IEEE International Symposium on Circuits and Systems (ISCAS), Melbourne, Australia, 1–5 June 2014; pp. 1941–1944. [Google Scholar]
- Koeberl, P.; Li, J.; Maes, R.; Rajan, A.; Vishik, C.; Wójcik, M. Evaluation of a puf device authentication scheme on a discrete 0.13 um sram. In Proceedings of the INTRUST, Beijing, China, 27–29 November 2011; pp. 271–288. [Google Scholar]
- Bhargava, M.; Cakir, C.; Mai, K. Reliability enhancement of bi-stable pufs in 65nm bulk cmos. In Proceedings of the 2012 IEEE International Symposium on Hardware-Oriented Security and Trust (HOST), San Francisco, CA, USA, 3–4 Jun 2012; pp. 25–30. [Google Scholar]
- Böhm, C.; Hofer, M.; Pribyl, W. A microcontroller sram-puf. In Proceedings of the 2011 5th International Conference on Network and System Security (NSS), Milan, Italy, 6–8 September 2011; pp. 269–273. [Google Scholar]
- Barbareschi, M.; Battista, E.; Mazzeo, A.; Mazzocca, N. Testing 90 nm microcontroller sram puf quality. In Proceedings of the 2015 10th International Conference on Design & Technology of Integrated Systems in Nanoscale Era (DTIS), Naples, Italy, 21–23 April 2015; pp. 1–6. [Google Scholar]
- Platonov, M.; Hlavác, J.; Lórencz, R. Using power-up sram state of atmel atmega1284p microcontrollers as physical unclonable function for key generation and chip identification. Inf. Sec. J. A Glob. Perspect. 2013, 22, 244–250. [Google Scholar] [CrossRef]
- Barbareschi, M.; Bagnasco, P.; Mazzeo, A. Authenticating iot devices with physically unclonable functions models. In Proceedings of the 2015 10th International Conference on P2P, Parallel, Grid, Cloud and Internet Computing (3PGCIC), Krakow, Poland, 4–6 November 2015; pp. 563–567. [Google Scholar]
- Bossuet, L.; Ngo, X.T.; Cherif, Z.; Fischer, V. A puf based on a transient effect ring oscillator and insensitive to locking phenomenon. IEEE Trans. Emerg. Top. Comput. 2014, 2, 30–36. [Google Scholar] [CrossRef]
- Cherkaoui, A.; Bossuet, L.; Seitz, L.; Selander, G.; Borgaonkar, R. New paradigms for access control in constrained environments. In Proceedings of the 2014 9th International Symposium on Reconfigurable and Communication-Centric Systems-on-Chip (ReCoSoC), Montpellier, France, 26–28 May 2014; pp. 1–4. [Google Scholar]
- Marchand, C.; Bossuet, L.; Mureddu, U.; Bochard, N.; Cherkaoui, A.; Fischer, V. Implementation and characterization of a physical unclonable function for iot: A case study with the tero-puf. IEEE Trans. Comput.-Aided Des. Integr. Circuits Syst. 2018, 37, 97–109. [Google Scholar] [CrossRef]
- Bayon, P.; Bossuet, L.; Aubert, A.; Fischer, V. Electromagnetic analysis on ring oscillator-based true random number generators. In Proceedings of the 2013 IEEE International Symposium on Circuits and Systems (ISCAS), Beijing, China, 19–23 May 2013; pp. 1954–1957. [Google Scholar]
- Maistri, P.; Leveugle, R.; Bossuet, L.; Aubert, A.; Fischer, V.; Robisson, B.; Moro, N.; Maurine, P.; Dutertre, J.-M.; Lisart, M. Electromagnetic analysis and fault injection onto secure circuits. In Proceedings of the 2014 22nd International Conference on Very Large Scale Integration (VLSI-SoC), Playa del Carmen, Mexico, 6–8 October 2014; pp. 1–6. [Google Scholar]
- Yanambaka, V.P.; Mohanty, S.P.; Kougianos, E. Novel finfet based physical unclonable functions for efficient security integration in the iot. In Proceedings of the 2016 IEEE International Symposium on Nanoelectronic and Information Systems (iNIS), Gwalior, India, 19–21 December 2016; pp. 172–177. [Google Scholar]
- Xu, T.; Wendt, J.B.; Potkonjak, M. Security of iot systems: Design challenges and opportunities. In Proceedings of the 2014 IEEE/ACM International Conference on Computer-Aided Design, San Jose, CA, USA, 2–6 November 2014; pp. 417–423. [Google Scholar]
- Xi, X.; Zhuang, H.; Sun, N.; Orshansky, M. Strong subthreshold current array puf with 265 challenge-response pairs resilient to machine learning attacks in 130 nm cmos. In Proceedings of the 2017 Symposium on VLSI Circuits, Kyoto, Japan, 5–8 June 2017; pp. C268–C269. [Google Scholar]
- Nguyen, P.H.; Sahoo, D.P.; Jin, C.; Mahmood, K.; Rührmair, U.; van Dijk, M. The interpose puf: Secure puf design against state-of-the-art machine learning attacks. IACR Cryptol. ePrint Arch. 2018, 2018, 350. [Google Scholar]
- Jin, C.; Herder, C.; Ren, L.; Nguyen, P.; Fuller, B.; Devadas, S.; van Dijk, M. Fpga implementation of a cryptographically-secure puf based on learning parity with noise. Cryptography 2017, 1, 23. [Google Scholar] [CrossRef]
- Miao, J.; Li, M.; Roy, S.; Yu, B. Lrr-dpuf: Learning resilient and reliable digital physical unclonable function. In Proceedings of the 2016 IEEE/ACM International Conference on Computer-Aided Design (ICCAD), Austin, TX, USA, 7–10 November 2016; pp. 1–8. [Google Scholar]
- Herder, C.; Ren, L.; van Dijk, M.; Yu, M.D.; Devadas, S. Trapdoor computational fuzzy extractors and stateless cryptographically-secure physical unclonable functions. IEEE Trans. Dependable Secur. Comput. 2016, 14, 65–82. [Google Scholar] [CrossRef]
- Gassend, B.L.P. Physical Random Functions. Ph.D. Thesis, Massachusetts Institute of Technology (MIT), Cambridge, MA, USA, 2003. [Google Scholar]
- Delvaux, J.; Gu, D.; Schellekens, D.; Verbauwhede, I. Helper data algorithms for puf-based key generation: Overview and analysis. IEEE Trans. Comput.-Aided Des. Integr. Circuits Syst. 2015, 34, 889–902. [Google Scholar] [CrossRef]
- Katzenbeisser, S.; Kocabaş, Ü.; Van Der Leest, V.; Sadeghi, A.R.; Schrijen, G.J.; Wachsmann, C. Recyclable pufs: Logically reconfigurable pufs. J. Cryptogr. Eng. 2011, 1, 177. [Google Scholar] [CrossRef]
- Jin, Y.; Xin, W.; Sun, H.; Chen, Z. Puf-based rfid authentication protocol against secret key leakage. In Proceedings of the Asia-Pacific Web Conference, Kunming, China, 11–13 April 2012; Springer: Berlin/Heidelberg, Germany, 2012; pp. 318–329. [Google Scholar]
- Kocabaş, Ü.; Peter, A.; Katzenbeisser, S.; Sadeghi, A.R. Converse puf-based authentication. In Proceedings of the International Conference on Trust and Trustworthy Computing, Vienna, Austria, 13–15 June 2012; pp. 142–158. [Google Scholar]
- Van Herrewege, A.; Katzenbeisser, S.; Maes, R.; Peeters, R.; Sadeghi, A.-H.; Verbauwhede, I.; Wachsmann, C. Reverse fuzzy extractors: Enabling lightweight mutual authentication for puf-enabled rfids. In Proceedings of the International Conference on Financial Cryptography and Data Security, Kralendijk, Bonaire, 27 February–2 March 2012; Springer: Berlin/Heidelberg, Germany, 2012; pp. 374–389. [Google Scholar]
- Bolotnyy, L.; Robins, G. Physically unclonable function-based security and privacy in rfid systems. In Proceedings of the Fifth Annual IEEE International Conference on Pervasive Computing and Communications (PerCom’07), White Plains, NY, USA, 19–23 March 2007; pp. 211–220. [Google Scholar]
- Öztürk, E.; Hammouri, G.; Sunar, B. Towards robust low cost authentication for pervasive devices. In Proceedings of the Sixth Annual IEEE International Conference on Pervasive Computing and Communications (PerCom 2008), Hong Kong, China, 17–21 March 2008; pp. 170–178. [Google Scholar]
- Kulseng, L.; Yu, Z.; Wei, Y.; Guan, Y. Lightweight mutual authentication and ownership transfer for rfid systems. In Proceedings of the 2010 Proceedings IEEE INFOCOM, San Diego, CA, USA, 14–19 March 2010; pp. 1–5. [Google Scholar]
- Xu, Y.; He, Z. Design of a security protocol for low-cost rfid. In Proceedings of the 2012 8th International Conference on Wireless Communications, Networking and Mobile Computing (WiCOM), Shanghai, China, 21–23 September 2012; pp. 1–3. [Google Scholar]
- Jung, S.W.; Jung, S. Hrp: A hmac-based rfid mutual authentication protocol using puf. In Proceedings of the 2013 International Conference on Information Networking (ICOIN), Bangkok, Thailand, 28–30 January 2013; pp. 578–582. [Google Scholar]
- He, Z.; Zou, L. High-efficient rfid authentication protocol based on physical unclonable function. In Proceedings of the 2012 8th International Conference on Wireless Communications, Networking and Mobile Computing (WiCOM), Shanghai, China, 21–23 September 2012; pp. 1–4. [Google Scholar]
- Lee, Y.S.; Lee, H.J.; Alasaarela, E. Mutual authentication in wireless body sensor networks (wbsn) based on physical unclonable function (puf). In Proceedings of the 2013 9th International Wireless Communications and Mobile Computing Conference (IWCMC), Sardinia, Italy, 1–5 July 2013; pp. 1314–1318. [Google Scholar]
- Gao, Y.; Li, G.; Ma, H.; Al-Sarawi, S.F.; Kavehei, O.; Abbott, D.; Ranasinghe, D.C. Obfuscated challenge-response: A secure lightweight authentication mechanism for puf-based pervasive devices. In Proceedings of the 2016 IEEE International Conference on Pervasive Computing and Communication Workshops (PerCom Workshops), Sydney, NSW, Australia, 14–18 March 2016; pp. 1–6. [Google Scholar]
- Yu, M.-D.; Hiller, M.; Delvaux, J.; Sowell, R.; Devadas, S.; Verbauwhede, I. A lockdown technique to prevent machine learning on pufs for lightweight authentication. IEEE Trans. Multi-Scale Comput. Syst. 2016, 2, 146–159. [Google Scholar] [CrossRef]












© 2019 by the authors. Licensee MDPI, Basel, Switzerland. This article is an open access article distributed under the terms and conditions of the Creative Commons Attribution (CC BY) license (http://creativecommons.org/licenses/by/4.0/).
Share and Cite
Babaei, A.; Schiele, G. Physical Unclonable Functions in the Internet of Things: State of the Art and Open Challenges. Sensors 2019, 19, 3208. https://doi.org/10.3390/s19143208
Babaei A, Schiele G. Physical Unclonable Functions in the Internet of Things: State of the Art and Open Challenges. Sensors. 2019; 19(14):3208. https://doi.org/10.3390/s19143208
Chicago/Turabian StyleBabaei, Armin, and Gregor Schiele. 2019. "Physical Unclonable Functions in the Internet of Things: State of the Art and Open Challenges" Sensors 19, no. 14: 3208. https://doi.org/10.3390/s19143208
APA StyleBabaei, A., & Schiele, G. (2019). Physical Unclonable Functions in the Internet of Things: State of the Art and Open Challenges. Sensors, 19(14), 3208. https://doi.org/10.3390/s19143208
