Wireless Temperature Sensor Based on a Nematic Liquid Crystal Cell as Variable Capacitance
Abstract
1. Introduction
2. Design of the Sensor
3. Methods
3.1. Electric Equivalent Circuit of the Sensing Elements
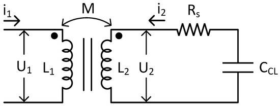
3.2. Electric Equivalent Circuit of the Whole Sensor
4. Results and Discussion
5. Conclusions
Author Contributions
Funding
Conflicts of Interest
References
- Lemmer, A.; Ullrich, T. Effect of different operating temperatures on the biological hydrogen methanation in trickle bed reactors. Energies 2018, 11, 1344. [Google Scholar] [CrossRef]
- Wang, Y.; Li, P.; Truong-Dinh Tran, T.; Zhang, J.; Kong, L. Manufacturing techniques and surface Engineering of polymer based nanoparticles for targeted drug delivery to cancer. Nanomaterials 2016, 6, 26. [Google Scholar] [CrossRef] [PubMed]
- Kotsuchibashi, Y.; Ebara, M.; Aoyagi, T.; Narain, R. Recent advances in dual temperature Responsive Block copolymers and their potential as biomedical applications. Polymers 2016, 8, 380. [Google Scholar] [CrossRef]
- Pollock, D.D. Thermocouples: Theory and Properties; CRC Press: Boca Raton, FL, USA, 1991; ISBN 9780849342431. [Google Scholar]
- Kalsi, H.S. Electronic Instrumentation, 3rd ed.; McGraw-Hill Education: New Delhi, India, 2010; ISBN 0070702063. [Google Scholar]
- Moraleda, A.T.; García, C.V.; Zaballa, J.Z.; Arrue, J. A temperature sensor based on a polymer optical fiber macro-bend. Sensors 2013, 13, 13076–13089. [Google Scholar] [CrossRef] [PubMed]
- De Gennes, P.G. The Physics of Liquid Crystal; Oxford University Press: Oxford, UK, 1975; ISBN 9780198517856. [Google Scholar]
- Blinov, L.M.; Chigrinov, V.G. Electrooptic Effects in Liquid Crystal Materials; Springer: New York, NY, USA, 1994; ISBN 978-1-4612-2692-5. [Google Scholar]
- Li, J.; Gauzia, S.; Wu, S.-T. High temperature-gradient refractive index liquid crystals. Opt. Express 2004, 12, 2002–2010. [Google Scholar] [CrossRef] [PubMed]
- Yang, D.-K.; Wu, S.-T. Liquid Crystal Materials. In Fundamentals of Liquid Crystal Devices, 2nd ed.; Yang, D.-K., Wu, S.-T., Eds.; John Wiley and Sons, Ltd.: Chichester, UK, 2014; pp. 191–212. ISBN 9781118752005. [Google Scholar]
- Torres, J.C.; García-Cámara, B.; Pérez, I.; Urruchi, V.; Sánchez-Pena, J.M. Temperature-phase converter based on a LC cell as a variable capacitance. Sensors 2015, 15, 5594–5608. [Google Scholar] [CrossRef] [PubMed]
- Kelly, S.M.; O’Neil, M. Liquid crystals for electro-optic applications. In Handbook of Advanced Electronic and Photonic Materials and Devices, Ten-Volume Set; Nalwa, H.S., Ed.; Academic Press: Burlington, VT, USA, 2001; Volume 7, pp. 1–66. [Google Scholar]
- Yasuura, H.; Kyung, C.-M.; Liu, Y.; Lin, Y.-L. Smart Sensors at the IoT Frontier; Springer: New York, NY, USA, 2018; ISBN 978-3-319-55345-0. [Google Scholar]
- Nakata, S.; Arie, T.; Akita, S.; Takei, K. Wearable, Flexible, and Multifunctional Healthcare Device with an ISFET Chemical Sensor for Simultaneous Sweat pH and Skin Temperature Monitoring. ACS Sens. 2017, 2, 443–448. [Google Scholar] [CrossRef] [PubMed]
- Wang, Y.; Jia, Y.; Chen, Q.; Wang, Y. A Passive Wireless Temperature sensor for harsh environment applications. Sensors 2008, 8, 7982–7995. [Google Scholar] [CrossRef] [PubMed]
- Rodriguez, R.I.; Jia, Y. A wireless inductive-capacitive (L-C) sensor for rotating component temperature monitoring. Int. J. Smart Sens. Intell. Syst. 2011, 4, 325–337. [Google Scholar] [CrossRef]
- Birdsell, E.D.; Park, J.; Allen, M.G. Wireless ceramic sensors operating in high temperature environments. In Proceedings of the 40th AIAA/ASME/SAE/ASEE Joint Propulsion Conference and Exhibit, Fort Lauderdale, FL, USA, 11–14 July 2004. [Google Scholar]
- Harpster, T.J.; Hauvespre, S.; Dokmeci, M.R.; Najafi, K.A. Passive humidity monitoring system for in situ remote wireless testing of micropackages. J. Microelectromech. Syst. 2002, 11, 61–67. [Google Scholar] [CrossRef]
- Yan, D.; Yang, Y.; Hong, Y.; Liang, T.; Yao, Z.; Chen, X.; Xiong, J. Low-cost wireless temperature measurement: design, manufacture, and testing of a PCB-based wireless passive temperature sensor. Sensors 2018, 18, 532. [Google Scholar] [CrossRef] [PubMed]
- Woodard, S.E.; Taylor, B.D.; Shams, Q.A.; Fox, R.L. L-C Measurement Acquisition Method for Aerospace Systems. In Proceedings of the 2003 AIAA Aviation Technology, Integration and Operations Technical Forum, Denver, CO, USA, 17–19 November 2003. Paper No. 2003-6842. [Google Scholar]
- Yan, J.; Chen, Y.; Wu, S.-T.; Song, X. Figure of Merit of Polymer-Stabilized Blue Phase Liquid Crystals. J. Disp. Technol. 2013, 9, 24–29. [Google Scholar] [CrossRef]
- Singh, G.; Prakash, G.V.; Choudhary, A.; Biradar, A.M. Homeotropic alignment of nematic liquid crystals with negative dielectric anisotropy. Phys. B Condens. Matter 2010, 405, 2118–2121. [Google Scholar] [CrossRef]
- Dhara, S.; Madhusudana, N.V. Ionic contribution to the dielectric properties of a nematic liquid crystal in thin cells. J. Appl. Phys. 2001, 90, 3483–3488. [Google Scholar] [CrossRef]
- Costa, M.R.; Altafim, R.A.C.; Mammana, A.P. Electrical modeling of liquid crystal displays-LCDs. IEEE Trans. Dielectr. Electr. Insul. 2006, 13, 204–210. [Google Scholar] [CrossRef]










© 2018 by the authors. Licensee MDPI, Basel, Switzerland. This article is an open access article distributed under the terms and conditions of the Creative Commons Attribution (CC BY) license (http://creativecommons.org/licenses/by/4.0/).
Share and Cite
Torres, J.C.; García-Cámara, B.; Pérez, I.; Urruchi, V.; Sánchez-Pena, J.M. Wireless Temperature Sensor Based on a Nematic Liquid Crystal Cell as Variable Capacitance. Sensors 2018, 18, 3436. https://doi.org/10.3390/s18103436
Torres JC, García-Cámara B, Pérez I, Urruchi V, Sánchez-Pena JM. Wireless Temperature Sensor Based on a Nematic Liquid Crystal Cell as Variable Capacitance. Sensors. 2018; 18(10):3436. https://doi.org/10.3390/s18103436
Chicago/Turabian StyleTorres, Juan Carlos, Braulio García-Cámara, Isabel Pérez, Virginia Urruchi, and José Manuel Sánchez-Pena. 2018. "Wireless Temperature Sensor Based on a Nematic Liquid Crystal Cell as Variable Capacitance" Sensors 18, no. 10: 3436. https://doi.org/10.3390/s18103436
APA StyleTorres, J. C., García-Cámara, B., Pérez, I., Urruchi, V., & Sánchez-Pena, J. M. (2018). Wireless Temperature Sensor Based on a Nematic Liquid Crystal Cell as Variable Capacitance. Sensors, 18(10), 3436. https://doi.org/10.3390/s18103436
 
        



