Use of Savitzky–Golay Filter for Performances Improvement of SHM Systems Based on Neural Networks and Distributed PZT Sensors
Abstract
1. Introduction
- develop an improved method based on the EMI technique that is relatively more efficient in terms of damage detection rates when compared to state-of-the-art approaches; and,
- develop a method that uses a short dataset for training neural networks, which would be a great advantage for practical applications in SHM systems.
2. Theoretical Fundamentals
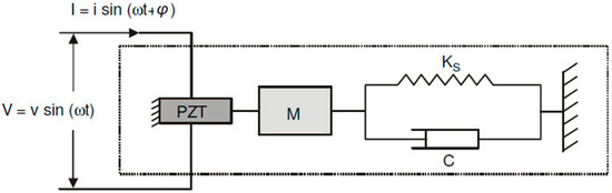
2.1. Electromechanical Impedance
2.2. Savitzky–Golay Filter
2.3. Neural Networks
3. Proposed Method
3.1. Signal Acquisition Based on EMI
3.2. Forming Datasets
3.3. Damage Detection Phase
4. Experimental Results
4.1. Study Case 1: Real Part of the EMI
4.2. Study Case 2: Time-Response Signals
5. Discussion
6. Final Remarks
Acknowledgments
Author Contributions
Conflicts of Interest
References
- Worden, K.; Dulileu-Barton, J.M. Overview of Intelligent Fault Detection in System and Structures. Struct. Health Monit. 2004, 3, 85–98. [Google Scholar] [CrossRef]
- Boller, C.; Staszewski, W.J. Health Monitoring of Aerospace Structures: Smart Sensor Technologies and Signal Processing, an Introduction to Damage prognosis, 1st ed.; John Wiley & Sons: Munich, Germany, 2004; p. 266. [Google Scholar]
- De Oliveira, M.A.; Vieira Filho, J.; Lopes, V., Jr.; Inman, D.J. A new approach for structural damage detection exploring the singular spectrum analysis. J. Intell. Mater. Syst. Struct. 2016, 28, 1160–1174. [Google Scholar] [CrossRef]
- Lee, B.C.; Staszewsk, W.J. Lamb wave propagation modeling for damage detection: I. two-dimensional analysis. Smart Mater. Struct. 2007, 16, 249–259. [Google Scholar] [CrossRef]
- Park, G.; Lee, J.J.; Yun, C.B.; Inman, D.J. Electro-Mechanical Impedance-Based Wireless Structural Health Monitoring Using PCA-Data Compression and k-means Clustering Algorithms. J. Intell. Mater. Syst. Struct. 2007, 19, 509–520. [Google Scholar] [CrossRef]
- Park, G.; Inman, D.J. Structural health monitoring using piezoelectric impedance measurements. Philos. Trans. R. Soc. Lond. A Math. Phys. Eng. Sci. 2007, 365, 373–392. [Google Scholar] [CrossRef] [PubMed]
- Park, G.; Sohn, H.; Farrar, C.; Inman, D.J. Overview of piezoelectric impedance-based health monitoring and path forward. Shock Vib. Dig. 2003, 35, 451–463. [Google Scholar] [CrossRef]
- Giurgiutiu, V.; Zagrai, A. Characterization of Piezoelectric Wafer Active Sensors. J. Intell. Mater. Syst. Struct. 2000, 11, 959–976. [Google Scholar] [CrossRef]
- Giurgiutiu, V. Tuned Lamb Wave Excitation and Detection with Piezoelectric Wafer Active Sensors for Structural Health Monitoring. J. Intell. Mater. Syst. Struct. 2005, 16, 291–305. [Google Scholar] [CrossRef]
- Giurgiutiu, V. Structural Health Monitoring: With Piezoelectric Wafer Active Sensors, 1st ed.; Academic Press: New York, NY, USA, 2007. [Google Scholar]
- Giurgiutiu, V. Structural Health Monitoring of Composite Structures with Piezoelectric-Wafer Active Sensors. AIAA J. 2011, 49, 565–581. [Google Scholar] [CrossRef]
- Giurgiutiu, V. Structural Health Monitoring: With Piezoelectric Wafer Active Sensors, 2nd ed.; Academic Press: New York, NY, USA, 2014. [Google Scholar]
- Vitola, J.; Pozo, F.; Tibaduiza, D.A.; Anaya, M. Distributed Piezoelectric Sensor System for Damage Identification in Structures Subjected to Temperature Changes. Sensors 2017, 17, 1252. [Google Scholar] [CrossRef] [PubMed]
- Vitola, J.; Pozo, F.; Tibaduiza, D.A.; Anaya, M. A Sensor Data Fusion System Based on k-Nearest Neighbor Pattern Classification for Structural Health Monitoring Applications. Sensors 2017, 17, 417. [Google Scholar] [CrossRef] [PubMed]
- Bhuiyan, M.Y.; Bao, J.; Poddar, B.; Giurgiutiu, V. Toward identifying crack-length-related resonances in acoustic emission waveforms for structural health monitoring applications. Struct. Health Monit. 2017. [Google Scholar] [CrossRef]
- Liang, C.; Sun, F.; Rogers, C.A. Coupled electro-mechanical analysis of adaptive material systems—Determination of the actuator power consumption and system energy transfer. J. Intell. Mater. Syst. Struct. 1994, 5, 12–20. [Google Scholar] [CrossRef]
- Baptista, F.G.; Budoya, D.E.; de Almeida, V.A.D.; Ulson, J.A.C. An Experimental Study on the Effect of Temperature on Piezoelectric Sensors for Impedance-Based Structural Health Monitoring. Sensors 2014, 14, 1208–1227. [Google Scholar] [CrossRef] [PubMed]
- Castro, B.; Clerice, G.; Ramos, C.; Andreoli, A.; Baptista, F.; Campos, F.; Ulson, J. Partial Discharge Monitoring in Power Transformers Using Low-Cost Piezoelectric Sensors. Sensors 2016, 16, 1266. [Google Scholar] [CrossRef] [PubMed]
- Kim, J.; Lee, C.; Park, S. Artificial Neural Network-Based Early-Age Concrete Strength Monitoring Using Dynamic Response Signals. Sensors 2017, 17, 1319. [Google Scholar] [CrossRef] [PubMed]
- Hoshyarmanesh, H.; Abbasi, A.; Moein, P.; Ghodsi, M.; Zareinia, K. Design and Implementation of an Accurate, Portable, and Time-Efficient Impedance-Based Transceiver for Structural Health Monitoring. IEEE/ASME Trans. Mechatron. 2017, 22, 2809–2814. [Google Scholar] [CrossRef]
- Wandowski, T.; Malinowski, P.H.; Ostachowicz, W.M. Delamination detection in CFRP panels using EMI method with temperature compensation. Compos. Struct. 2016, 151, 99–107. [Google Scholar] [CrossRef]
- Djemana, M.; Hrairi, M.; Al Jeroudi, Y. Using Electromechanical Impedance and Extreme Learning Machine to Detect and Locate Damage in Structures. J. Nondestruct. Eval. 2017, 36, 39. [Google Scholar] [CrossRef]
- Na, W.S. Distinguishing crack damage from debonding damage of glass fiber reinforced polymer plate using a piezoelectric transducer based nondestructive testing method. Compos. Struct. 2017, 159, 517–527. [Google Scholar] [CrossRef]
- Nasrollahi, A.; Deng, W.; MA, Z.; Rizzo, P. Multimodal structural health monitoring based on active and passive sensing. Struct. Health Monit. 2017. [Google Scholar] [CrossRef]
- Zahedi, F.; Huang, H. Time–frequency analysis of electromechanical impedance (EMI) signature for physics-based damage detections using piezoelectric wafer active sensor (PWAS). Smart Mater. Struct. 2017, 26, 055010. [Google Scholar] [CrossRef]
- Lopes, V., Jr.; Park, G.; Cudney, H.H.; Inman, D.J. Impedance-Based Structural Healthy with Artificial Neural Networks. J. Intell. Mater. Syst. Struct. 2000, 11, 206–214. [Google Scholar] [CrossRef]
- Saxena, A.; Saad, A. Evolving an artificial neural network classifier for condition monitoring of rotating mechanical systems. Appl. Soft Comput. 2007, 7, 441–454. [Google Scholar] [CrossRef]
- Papatheou, E.; Dervilis, N.; Maguire, A.E.; Antoniadou, I.; Worden, K. A Performance Monitoring Approach for the Novel Lillgrund Offshore Wind Farm. IEEE Trans. Ind. Electron. 2015, 62, 6636–6644. [Google Scholar] [CrossRef]
- Na, S.; Lee, H.K. Neural network approach for damage area location prediction of a composite plate using electromechanical impedance technique. Compos. Sci. Technol. 2013, 88, 62–68. [Google Scholar] [CrossRef]
- Selva, P.; Cherrier, O.; Bundinger, V.; Lachaud, F.; Morlierb, J. Smart monitoring of aeronautical composites plates based on electromechanical impedance measurements and artificial neural networks. Eng. Struct. 2013, 56, 441–454. [Google Scholar] [CrossRef]
- Palomino, L.V.; Steffen, V., Jr.; Finzi Neto, R.M. Probabilistic neural network and fuzzy cluster analysis methods applied to impedance-based SHM for damage classification. Shock Vib. 2014, 2014, 401942. [Google Scholar] [CrossRef]
- Lima, F.P.A.; Souza, A.S.; Chavarette, F.R.; Lopes, M.L.M.; Turra, A.E.; Lopes, V., Jr. Monitoring and Fault Identification in Aeronautical Structures Using an ARTMAP-Fuzzy-Wavelet Artificial Neural Network. Adv. Mater. Res. 2014, 1025, 1107–1112. [Google Scholar] [CrossRef]
- Lima, F.P.A.; Souza, A.S.; Chavarette, F.R.; Lopes, M.L.M.; Turra, A.E.; Lopes, V., Jr. Analysis of Structural Integrity of a Building Using an Artificial Neural Network ARTMAP-Fuzzy-Wavelet. Adv. Mater. Res. 2014, 1025, 1113–1118. [Google Scholar] [CrossRef]
- Ali, J.B.; Saidi, L.; Mouelhi, A.; Morello, B.C.; Fnaiech, F. Linear features election and classification using PNN and SFAM neural networks for a nearly on line diagnosis of bearing naturally progressing degradations. Eng. Appl. Artif. Intell. 2015, 42, 67–81. [Google Scholar]
- De Oliveira, M.A.; Inman, D.J. Simplified fuzzy ARTMAP network-based method for assessment of structural damage applied to composite structures. J. Compos. Mater. 2016, 50, 3501–3514. [Google Scholar] [CrossRef]
- De Oliveira, M.A.; Inman, D.J. Performance Analysis of Simplified Fuzzy ARTMAP and Probabilistic Neural Networks for Identifying Structural Damage Growth. Appl. Soft Comput. 2017, 52, 53–63. [Google Scholar] [CrossRef]
- De Oliveira, M.A.; Araujo, N.V.S.; Inman, D.J.; Vieira Filho, J. Kappa-PSO-FAN based method for damage identification on composite structural health monitoring. Expert Syst. Appl. 2018, 95, 1–13. [Google Scholar] [CrossRef]
- Moheimani, S.O.R.; Fleming, A.J. Piezoelectric Transducers for Vibration Control and Damping, 1st ed.; Springer: London, UK, 2006; p. 203. [Google Scholar]
- Sevillano, E.; Sun, R.; Perera, R. Damage Detection Based on Power Dissipation Measured with PZT Sensors through the Combination of Electro-Mechanical Impedances and Guided Waves. Sensors 2016, 16, 639. [Google Scholar] [CrossRef] [PubMed]
- Savitzky, A.; Golay, M.J.E. Smoothing and Differentiation of Data by Simplified Least Squares Procedures. Anal. Chem. 1964, 36, 1627–1639. [Google Scholar] [CrossRef]
- Orfanidis, S.J. Introduction to Signal Processing, 1st ed.; Pearson Education Inc.: Upper Saddle River, NJ, USA, 2010; p. 795. [Google Scholar]
- Luo, J.; Ying, K.; He, P.; Bai, J. Properties of Savitzky-Golay Digital Differentiators. Dig. Signal Process. 2005, 15, 122–136. [Google Scholar] [CrossRef]
- Carpenter, G.A.; Grossberg, S.; Markuzon, N.; Reynold, J.H.; Rosen, D.B. Fuzzy ARTMAP: A neural network for incremental supervised learning of analog multidimensional maps. IEEE Trans. Neural Netw. 1992, 3, 689–713. [Google Scholar] [CrossRef] [PubMed]
- Kasuba, T. Simplified Fuzzy ARTMAP. AI Expert 1993, 8, 18–25. [Google Scholar]
- Specht, D.F. Probabilistic neural networks for classification, mapping, or associative memory. Neural Netw. 1988, 1, 525–532. [Google Scholar]
- Freitas, E.S.; Baptista, F.G. Experimental analysis of the feasibility of low-cost piezoelectric diaphragms in impedance-based SHM applications. Sens. Actuators A Phys. 2016, 238, 220–228. [Google Scholar] [CrossRef]
- Park, G.; Cudney, H.H.; Inman, D.J. An Integrated Health Monitoring Technique Using Structural Impedance Sensors. J. Intell. Mater. Syst. Struct. 2000, 11, 448–455. [Google Scholar] [CrossRef]
- Sun, F.P.; Chaudhry, Z.; Liang, C.; Rogers, C.A. Truss structure integrity identification using PZT sensor–actuator. J. Intell. Mater. Syst. Struct. 1995, 6, 134–139. [Google Scholar] [CrossRef]
- Baptista, F.G.; Vieira Filho, J. A new impedance measurement system for PZT-based structural health monitoring. IEEE Trans. Instrum. Meas. 2010, 58, 3602–3608. [Google Scholar] [CrossRef]
- Vieira Filho, J.; Baptista, F.G.; Inman, D.J. Time-domain analysis of piezo-electric impedance-based structural health monitoring using multilevel wavelet decomposition. Mech. Syst. Signal Proc. 2011, 25, 1550–1558. [Google Scholar] [CrossRef]
- Campeiro, L.M.; Da Silveira, R.Z.M.; Baptista, F.G. Impedance-based damage detection under noise and vibration effects. Struct. Health Monit. 2017. [Google Scholar] [CrossRef]
- Garcia-Breijo, E.; Garrigues, J.; Sanchez, L.G.; Laguarda-Miro, N. An Embedded Simplified Fuzzy ARTMAP Implemented on a Microcontroller for Food Classification. Sensors 2013, 13, 10418–10429. [Google Scholar] [CrossRef] [PubMed]













| PNN [36] | PNN | SFAN [36] | SFAN | |||||
|---|---|---|---|---|---|---|---|---|
| Sensor | ED | SG | SGFD | SGSD | ED | SG | SGFD | SGSD |
| PZT#1 | 75% | 67.71% | 50% | 48.95% | 71.87% | 100% | 46.87% | 50% |
| PZT#2 | 70.83% | 75% | 100% | 100% | 84.37% | 78.12% | 100% | 100% |
| PZT#3 | 77.08% | 78.12% | 78.12% | 59.37% | 75% | 63.54% | 83.33% | 47.91% |
© 2018 by the authors. Licensee MDPI, Basel, Switzerland. This article is an open access article distributed under the terms and conditions of the Creative Commons Attribution (CC BY) license (http://creativecommons.org/licenses/by/4.0/).
Share and Cite
De Oliveira, M.A.; Araujo, N.V.S.; Da Silva, R.N.; Da Silva, T.I.; Epaarachchi, J. Use of Savitzky–Golay Filter for Performances Improvement of SHM Systems Based on Neural Networks and Distributed PZT Sensors. Sensors 2018, 18, 152. https://doi.org/10.3390/s18010152
De Oliveira MA, Araujo NVS, Da Silva RN, Da Silva TI, Epaarachchi J. Use of Savitzky–Golay Filter for Performances Improvement of SHM Systems Based on Neural Networks and Distributed PZT Sensors. Sensors. 2018; 18(1):152. https://doi.org/10.3390/s18010152
Chicago/Turabian StyleDe Oliveira, Mario A., Nelcileno V. S. Araujo, Rodolfo N. Da Silva, Tony I. Da Silva, and Jayantha Epaarachchi. 2018. "Use of Savitzky–Golay Filter for Performances Improvement of SHM Systems Based on Neural Networks and Distributed PZT Sensors" Sensors 18, no. 1: 152. https://doi.org/10.3390/s18010152
APA StyleDe Oliveira, M. A., Araujo, N. V. S., Da Silva, R. N., Da Silva, T. I., & Epaarachchi, J. (2018). Use of Savitzky–Golay Filter for Performances Improvement of SHM Systems Based on Neural Networks and Distributed PZT Sensors. Sensors, 18(1), 152. https://doi.org/10.3390/s18010152

