A Reconfigurable Readout Integrated Circuit for Heterogeneous Display-Based Multi-Sensor Systems
Abstract
:1. Introduction
2. Display-Based Multi-Sensor Interface
2.1. Heterogeneous Architecture
2.2. Alternate-Sampling Error-Correction Scheme
3. ROIC Implementation
3.1. Design of Oscillator-Based Readout Circuit
3.2. Design of Amplifier-Based Readout Circuit
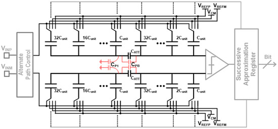
3.3. Design of 12-Bit Alternate-Sampling SAR ADC
4. Measurement Results & Discussions
5. Conclusions
Acknowledgments
Author Contributions
Conflicts of Interest
References
- Park, J.-E.; Lim, D.-H.; Jeong, D.-K. A reconfigurable 40-to-67 dB SNR, 50-to-6400 Hz frame-rate, column-parallel readout IC for capacitive touch-screen panels. IEEE J. Solid State Circuit 2014, 49, 2305–2318. [Google Scholar] [CrossRef]
- Kim, H.-S.; Han, K.-Y. High-SNR capacitive multi-touch sensing technique for AMOLED display panels. IEEE Sens. J. 2016, 16, 859–860. [Google Scholar] [CrossRef]
- Kwon, K.; Kim, S.-W.; Bien, F.; Kim, J.J. A fully-differential correlated double sampling readout circuit for mutual-capacitance touch screens. J. Semicond. Technol. Sci. 2015, 15, 349–355. [Google Scholar] [CrossRef]
- Yusefpor, M.; Bussat, J.M.; Lyon, B.B. Fingerprint Sensor in an Electronic Device. U.S. Patent Application No 14/451,076; U.S. Patent Publication No 2015/0036065 A1, 5 February 2015. [Google Scholar]
- Eom, W.-J.; Kim, S.-W.; Park, K.; Bien, F.; Kim, J.J. Multi-purpose fingerprint readout circuit embedding physiological signal detection. J. Semicond. Technol. Sci. 2016, 16, 793–799. [Google Scholar] [CrossRef]
- Martinez-Millana, A.; Bayo-Monton, J.L.; Lizondo, A.; Fernandez-Llatas, C. Evaluation of Google Glass technical limitations on their integration in medical systems. Sensors 2016, 16, 2142. [Google Scholar] [CrossRef] [PubMed]
- Patel, S.; Park, H.; Bonato, P.; Chan, L.; Rodgers, M. A review of wearable sensors and systems with application in rehabilitation. J. Neuro Eng. Rehabil. 2012. [Google Scholar] [CrossRef] [PubMed]
- Meijer, G.; Pertijs, M.; Makinwa, K. Smart Sensor Systems: Emerging Technologies and Applications, 1st ed.; Wiley: West Sussex, UK, 2014; pp. 1–14. [Google Scholar]
- Helleputte, N.V.; Konijnenburg, M.; Pettine, J.; Jee, D.-W.; Kim, H.; Morgado, A.; Wegberg, R.V.; Torfs, T.; Mohan, R.; Breeschoten, A.; et al. A 345 μW multi-sensor biomedical SoC with bio-impedance, 3-channel ECG, motion artifact reduction, and integrated DSP. IEEE J. Solid State Circuit 2015, 50, 230–244. [Google Scholar] [CrossRef]
- He, Y.; Chang, Z.-Y.; Pakula, L.; Shalmany, S.H.; Pertijs, M. A 0.05 mm2 1V Capacitance-to-Digital Converter Based on Period Modulation. In Proceedings of the IEEE International Solid-State Circuits Conference, Digest of Technical Papers, San Fransisco, CA, USA, 22–26 February 2015; pp. 486–487. [Google Scholar]
- Choi, M.; Gu, J.; Blaauw, D.; Sylvester, D. Wide Input Range 1.7 μW 1.2 kS/s Resistive Sensor Interface Circuit with 1 cycle/sample Logarithmic Sub-Ranging. In Proceedings of the Symposium on VLSI Circuits, Digest of Technical Papers, Kyoto, Japan, 15–19 June 2015; pp. 330–331. [Google Scholar]
- Kyle, U.G.; Bosaeus, I.; Lorenzo, A.D.D.; Deurenberg, P. Bioelectrical impedance analysis—Part I: Review of principles and methods. Clin. Nutr. 2004, 23, 1226–1243. [Google Scholar] [CrossRef] [PubMed]
- Abad, D.G. Development of a Capacitive Bioimpedance Measurement System. Ph.D. Thesis, RWTH Aachen University, Aachen, Germany, 2009. [Google Scholar]
- Bouchaala, D.; Shi, Q.; Chen, X.; Kanoun, O.; Derbel, N. Comparative study of voltage controlled current sources for biompedance measurements. In Proceedings of the International Multi-Conference on Systems, Signals and Devices, Hammamet, Tunisia, 18–21 March 2013. [Google Scholar]
- Ciuti, G.; Ricotti, L.; Menciassi, A.; Dario, P. MEMS sensor technologies for human centred applications in healthcare, physical activities, safety and environmental sensing: A review on research activities in Italy. Sensors 2015, 15, 6441–6468. [Google Scholar] [CrossRef] [PubMed]
- Xu, R.; Liu, B.; Yuan, J. Digitally calibrated 768-kS/s 10-b minimum-size SAR ADC array with dithering. IEEE J. Solid State Circuit 2012, 47, 2129–2140. [Google Scholar] [CrossRef]
- Lin, Z.; Wu, J.; Chen, C. Digital-domain dual-calibration for single-ended successive approximation register ADCs. Electron. Lett. 2015, 51, 1161–1163. [Google Scholar] [CrossRef]
- Chen, Y.-J.; Chang, K.-H.; Hsieh, C.-C. A 2.02–5.16 fJ/conversion step 10 bit hybrid coarse-fine SAR ADC with time-domain quantizer in 90 nm CMOS. IEEE J. Solid State Circuit 2016, 51, 357–364. [Google Scholar]
- Harpe, P.; Cantatore, E.; Roermund, A.V. A 10 b/12 b 40 kS/s SAR ADC with data-driven noise reduction achieving up to 10.1b ENOB at 2.2 fJ/conversion-step. IEEE J. Solid State Circuit 2013, 48, 3011–3018. [Google Scholar] [CrossRef]
- Chan, C.-H.; Zhu, Y.; Ho, I.-M. A 0.011 mm2 60 dB SNDR 100MS/s reference error calibrated SAR ADC with 3pF decoupling capacitance for reference voltages. In Proceedings of the IEEE Asian Solid-State Circuits Conference, Toyama, Japan, 7–9 November 2016; pp. 145–148. [Google Scholar]
- Tsai, J.-H.; Wang, H.-H.; Yen, Y.-C. A 0.003 mm2 10 b 240 MS/s 0.7 mW SAR ADC in 28 nm CMOS with digital error correction and correlated-reversed switching. IEEE J. Solid State Circuit 2015, 50, 1382–1398. [Google Scholar] [CrossRef]
- Enz, C.C.; Temes, G.C. Circuit techniques for reducing the effects of op-amp imperfections: Autozeroing, correlated double sampling, and chopper stabilization. Proc. IEEE 1996, 84, 1584–1614. [Google Scholar] [CrossRef]
- Chang, D.-J.; Kim, W.; Seo, M.-J. Normalized-full-scale-referencing digitial-domain linearity calibration for SAR ADC. IEEE Trans. Circuits Syst. I 2017, 64, 322–332. [Google Scholar] [CrossRef]
- An, Y.-J.; Jung, D.-H.; Ryu, K.; Yim, H.S.; Jung, S.-O. All-digital on-chip process sensor using ratioed inverter-based ring oscillator. IEEE Trans. VLSI Syst. 2016, 24, 3232–3242. [Google Scholar] [CrossRef]
- Shin, H.; Ko, S.; Jang, H.; Yun, I.; Lee, K. A 55 dB SNR with 240 Hz frame scan rate mutual capacitor 30 × 24 touch-screen panel read-out IC using code-division multiple sensing technique. In Proceedings of the IEEE International Solid-State Circuits Conference, Digest of Technical Papers, San Fransisco, CA, USA, 17–21 February 2013; pp. 388–389. [Google Scholar]
- Song, H.; Park, Y.; Kim, H.; Ko, H. Fully integrated biopotential acquisition analog front-end IC. Sensors 2015, 15, 25139–25156. [Google Scholar] [CrossRef] [PubMed]














| Parameter | This Work | [1] | [9] | [10] | [11] |
|---|---|---|---|---|---|
| Process | 0.18 µm | 0.18 µm | 0.18 µm | 0.16 µm | 0.18 µm |
| Supported sensor types | TSP, R/C type, body impedance (BI), ECG | TSP | BI, ECG | C type | R type |
| Power consumption (mW) | 1.163 (TSP/ECG + ADC) 0.202 (XDC) 0.271 (BI + ADC) | 6.26 (TSP) | 0.233 (3 channel BI + ECG ) | 0.014 (capacitance-to-digital converter (CDC)) | 0.0017 (resistance-to-digital converter (RDC)) |
| Area (mm2) | 0.67 (TSP/ECG) 0.057 (XDC) 0.223 (BI) 0.95 (ADC) | 2.2 | 8.17 (estimated per channel) 49 (ROIC + micro controller unit (MCU)) | 0.05 | 1.23 |
| Application | Bio-signal acquisition, TSP, R & C type sensor | TSP | Bio-signal acquisition | C type sensor | R type sensor |
| Supply (V) | 1.8 | 2.1–3.3 | 1.2 | 1 | 1.2/0.6 |
| Resolution (bits) | 12 | N.A. | 13.5 | 13.1 (CDC) | 10 |
| R, C sensing Range (Ω), (F) | R: 270 k–1 M C: 0 p–27 p | N.A. | N.A. | C: 0–8 p | R: 10 k–10 M |
| TSP channel | TX: 32 RX: 8 | TX: 12 RX: 8 | N.A. | N.A. | N.A. |
| Frame rate (Hz) | 240 | 50–6400 | N.A. | N.A. | N.A. |
| TSP SNR (dB) | 44.36 | 40 @ oversampling ratio (OSR) 32 | N.A. | N.A. | N.A. |
| Body impedance frequency range (Hz) | 50 k–750 k | N.A. | 1–20 M | N.A. | N.A. |
© 2017 by the authors. Licensee MDPI, Basel, Switzerland. This article is an open access article distributed under the terms and conditions of the Creative Commons Attribution (CC BY) license (http://creativecommons.org/licenses/by/4.0/).
Share and Cite
Park, K.; Kim, S.M.; Eom, W.-J.; Kim, J.J. A Reconfigurable Readout Integrated Circuit for Heterogeneous Display-Based Multi-Sensor Systems. Sensors 2017, 17, 759. https://doi.org/10.3390/s17040759
Park K, Kim SM, Eom W-J, Kim JJ. A Reconfigurable Readout Integrated Circuit for Heterogeneous Display-Based Multi-Sensor Systems. Sensors. 2017; 17(4):759. https://doi.org/10.3390/s17040759
Chicago/Turabian StylePark, Kyeonghwan, Seung Mok Kim, Won-Jin Eom, and Jae Joon Kim. 2017. "A Reconfigurable Readout Integrated Circuit for Heterogeneous Display-Based Multi-Sensor Systems" Sensors 17, no. 4: 759. https://doi.org/10.3390/s17040759
APA StylePark, K., Kim, S. M., Eom, W.-J., & Kim, J. J. (2017). A Reconfigurable Readout Integrated Circuit for Heterogeneous Display-Based Multi-Sensor Systems. Sensors, 17(4), 759. https://doi.org/10.3390/s17040759

