Design of a Humidity Sensor Tag for Passive Wireless Applications
Abstract
:1. Introduction
2. System Design


3. Key Blocks Design
3.1. Humidity Sensor

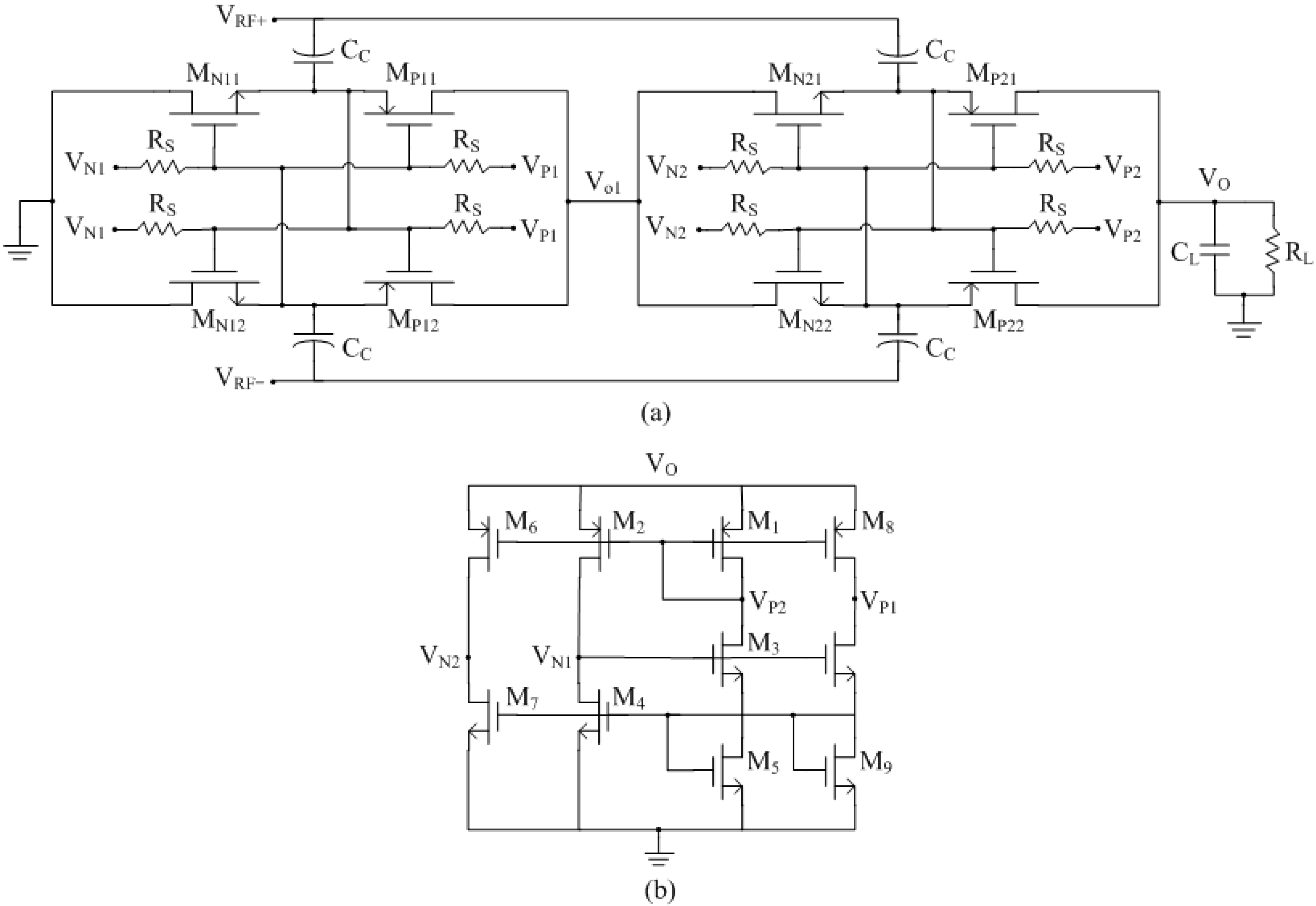
3.2. Rectifier

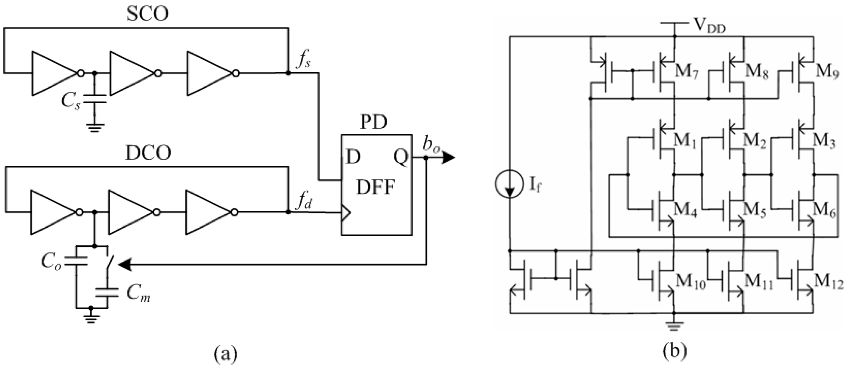
3.3. Sensor Interface Design

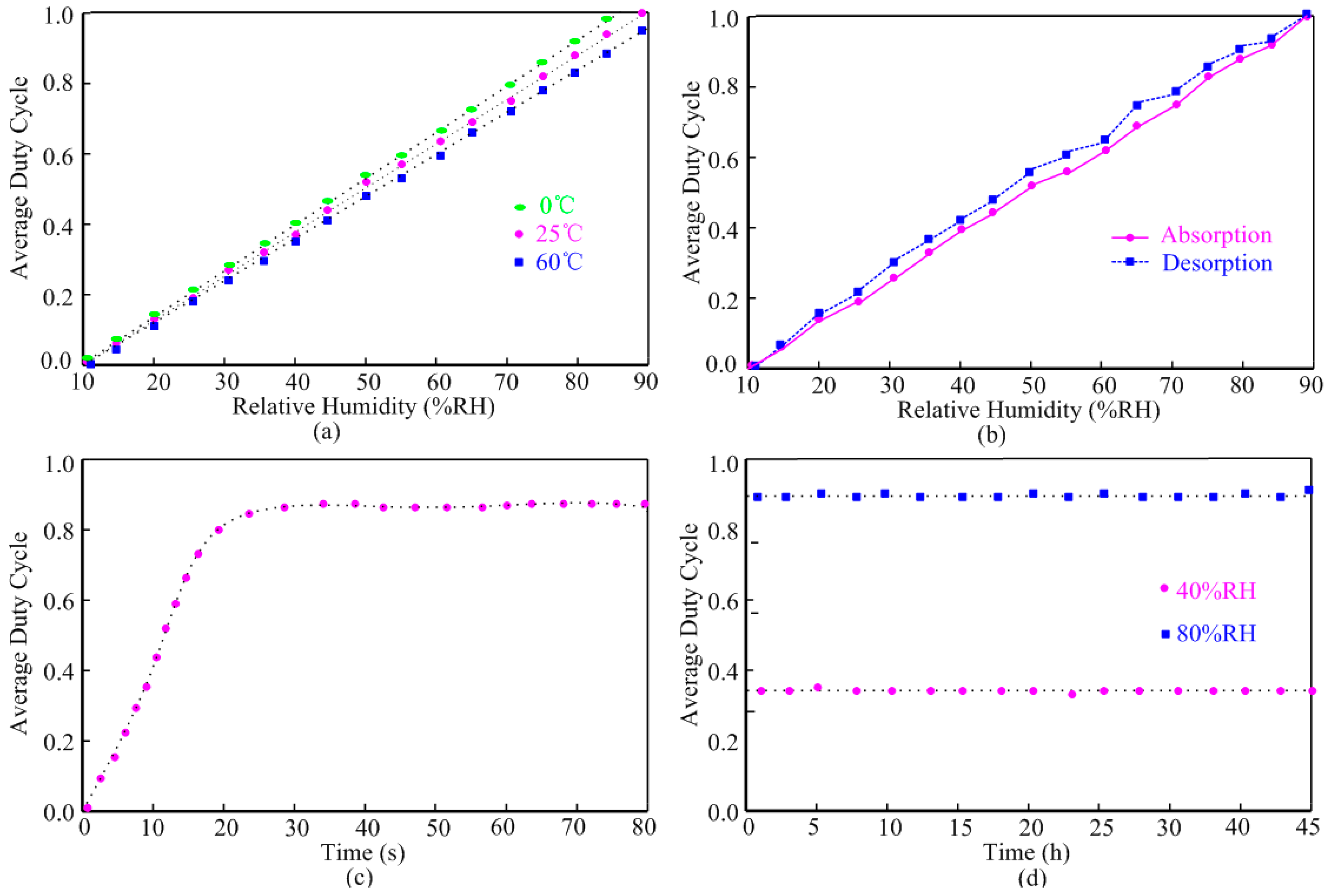
4. Measurements Result and Discussion



| Design | Sensor Structure | Process | Sensitivity | Fabrication Post-Processing | On-Chip Readout Circuit |
|---|---|---|---|---|---|
| [13] | Interdigitated | 3 µm | 5 fF/%RH | Yes | No |
| [15] | Parallel Plate | 0.5 µm | 303 fF/%RH | Yes | No |
| [16] | Interdigitated | 0.35 µm | 0.11 MHz/%RH | Yes | No |
| [17] | Woven Mesh | 0.15 µm | 1.78 mV/%RH | No | Yes |
| [18] | Interdigitated | 0.16 µm | 7.43 fF/%RH | No | Yes |
| [20] | Interdigitated | 0.6 µm | 30 fF/%RH | No | Yes |
| This work | Interdigitated | 0.18 µm | 18.75 fF/%RH | No | Yes |

| Interface | Process (µm) | Supply (V) | Area (mm2) | ENOB (bits) | FOM (pJ/conv) | Power (µW) |
|---|---|---|---|---|---|---|
| [18] | 0.16 | 1.2 | 0.15 | 12.5 | 8300 | 10.3 |
| [33] | 0.09 | 1.0 | N/A | 10.4 | 1.4 | 3.0 |
| [34] | 0.35 | 3.0 | 0.09 | 9.3 | 3.4 | 54.0 |
| [35] | 0.32 | 3.0 | 0.52 | 9.8 | 4.5 | 84.0 |
| This work | 0.18 | 0.5 | 0.01 | 6.8 | 1.6 | 1.1 |

5. Conclusions
Acknowledgments
Author Contributions
Conflicts of Interest
References
- Gu, B.B.; Yin, M.J.; Zhang, A.P.; Qian, J.W.; He, S.L. Optical fiber relative humidity sensor based on FBG incorporated thin-core fiber modal interferometer. Opt. Express 2011, 19, 4140–4146. [Google Scholar] [CrossRef] [PubMed]
- Correia, S.F.; Antunes, P.; Pecoraro, E.; Lima, P.P.; Varum, H.; Carlos, L.D.; André, P.S. Optical fiber relative humidity sensor based on a FBG with a Di-ureasil coating. Sensors 2012, 12, 8847–8860. [Google Scholar] [PubMed]
- Hong, H.S.; Chung, G.S. Humidity sensing characteristics of Ga-doped zinc oxide film grown on a polycrystalline AlN thin film based on a surface acoustic wave. Sensor Actuators B Chem. 2010, 150, 681–685. [Google Scholar] [CrossRef]
- Wang, W.; Xie, X.; He, S. Optimal design of a polyaniline-coated surface acoustic wave based humidity sensor. Sensors 2013, 13, 16816–16828. [Google Scholar] [CrossRef]
- Zampetti, E.; Pantalei, S.; Pecora, A.; Valletta, A.; Maiolo, L.; Minotti, A.; Bearzotti, A. Design and optimization of an ultra thin flexible capacitive humidity sensor. Sens. Actuators B Chem. 2009, 143, 302–307. [Google Scholar] [CrossRef]
- Okcan, B.; Akin, T. A low-power robust humidity sensor in a standard CMOS process. IEEE Trans. Electron. Devices 2007, 54, 3071–3078. [Google Scholar] [CrossRef]
- Boltshauser, T.; Azeredo, L.C.; Baltes, H. High sensitivity CMOS humidity sensors with on-chip absolute capacitance measurement system. Sens. Actuators B Chem. 1993, 15, 75–80. [Google Scholar] [CrossRef]
- Li, B.; He, Y.G.; Guo, F.; Zuo, L. A novel localization algorithm based on isomap and partial least squares for wireless sensor networks. IEEE Trans. Instrum. Meas. 2013, 62, 304–314. [Google Scholar] [CrossRef]
- Li, B.; He, Y.G.; Zuo, L.; Long, Y. Metrics of the application environment impact to the passive UHF RFID system. IEEE Trans. Instrum. Meas. 2014, 63, 2387–2395. [Google Scholar] [CrossRef]
- Abad, E.; Palacio, F.; Nuin, M.; Zárate, A.; Juarros, A.; Gómez, J.M.; Marco, S. RFID smart tag for traceability and cold chain monitoring of foods: Demonstration in an intercontinental fresh fish logistic chain. J. Food Eng. 2009, 93, 394–399. [Google Scholar] [CrossRef]
- Oprea, A.; Courbat, J.; Bârsan, N.; Briand, D.; de Rooij, N.F.; Weimar, U. Temperature, humidity and gas sensors integrated on plastic foil for low power applications. Sens. Actuators B Chem. 2009, 140, 227–232. [Google Scholar] [CrossRef]
- Beriain, A.; Rebollo, I.; Fernandez, I.; Sevillano, J.F.; Berenguer, R. A passive UHF RFID pressure sensor tag with a 7.27 bit and 5.47 pj capacitive sensor interface. In Proceedings of the 2012 IEEE International Microwave Symposium Digest (MTT), Montreal, PQ, Canada, 17–22 June 2012; pp. 1–3.
- Gu, L.; Huang, Q.A.; Qin, M. A novel capacitive-type humidity sensor using CMOS fabrication technology. Sens. Actuators B Chem. 2004, 99, 491–498. [Google Scholar] [CrossRef]
- Zhao, C.L.; Qin, M.; Huang, Q.A. A fully packaged CMOS interdigital capacitive humidity sensor with polysilicon heaters. IEEE Sens. J. 2011, 11, 2986–2992. [Google Scholar] [CrossRef]
- Kim, J.H.; Hong, S.M.; Lee, J.S.; Moon, B.M.; Kim, K. High sensitivity capacitive humidity sensor with a novel polyimide design fabricated by MEMS technology. In Proceeding of the 4th IEEE International Conference on Nano/Micro Engineered and Molecular Systems (NEMS), Shenzhen, China, 5–8 January 2009; pp. 703–706.
- Dai, C.L.; Lu, D.H. Fabrication of a micro humidity sensor with polypyrrole using the CMOS process. In Proceedings of the 5th IEEE International Conference on Nano/Micro Engineered and Molecular Systems, Nice, France, 20–23 January 2010; pp. 110–113.
- Nizhnik, O.; Higuchi, K.; Maenaka, K. Self-calibrated humidity sensor in CMOS without post-processing. Sensors 2012, 12, 226–232. [Google Scholar] [CrossRef] [PubMed]
- Tan, Z.; Daamen, R.; Humbert, A.; Ponomarev, Y.V.; Chae, Y.; Pertijs, M.A. A 1.2-V 8.3-nJ CMOS Humidity Sensor for RFID Applications. IEEE J. Solid State Circuits 2013, 48, 2469–2477. [Google Scholar] [CrossRef]
- Deng, F.M.; He, Y.G.; Zhang, C.L.; Feng, W. A CMOS humidity sensor for passive RFID sensing applications. Sensors 2014, 14, 8728–8739. [Google Scholar] [CrossRef] [PubMed]
- Cirmirakis, D.; Demosthenous, A.; Saeidi, N.; Donaldson, N. Humidity-to-frequency sensor in CMOS technology with wireless readout. IEEE Sens. J. 2013, 13, 900–908. [Google Scholar] [CrossRef]
- Wei, P.; Che, W.; Bi, Z.; Wei, C.; Na, Y.; Li, Q.; Min, H. High-efficiency differential RF front-end for a Gen2 RFID tag. IEEE Trans. Circuits Syst. II 2011, 4, 189–194. [Google Scholar] [CrossRef]
- Kapucu, K.; Dehollain, C. A passive UHF RFID system with a low-power capacitive sensor interface. In Proceedings of the 2014 IEEE RFID Technology and Applications Conference (RFID-TA), Tampere, Finland, 8–9 September 2014; pp. 301–305.
- Rao, K.V.S.; Nikitin, P.V.; Lam, S.F. Antenna design for UHF RFID tags: A review and a practical application. IEEE Trans. Antennas Propag. 2005, 53, 3870–3876. [Google Scholar] [CrossRef]
- Ashry, A.; Sharaf, K.; Ibrahim, M. A compact low-power UHF RFID tag. Microelectron. J. 2009, 40, 1504–1513. [Google Scholar] [CrossRef]
- Dai, C.L. A capacitive humidity sensor integrated with micro heater and ring oscillator circuit fabricated by CMOS–MEMS technique. Sens. Actuators B Chem. 2007, 122, 375–380. [Google Scholar] [CrossRef]
- Kamalinejad, P.; Keikhosravy, K.; Mirabbasi, S.; Leung, V. An efficiency enhancement technique for CMOS rectifiers with low start-up voltage for UHF RFID tags. In Proceedings of the International Green Computing Conference (IGCC), Dallas, TX, USA, 3–5 November 2013; pp. 1–6.
- Theilmann, P.T.; Presti, C.D.; Kelly, D.; Asbeck, P.M. Near zero turn-on voltage high-efficiency UHF RFID rectifier in silicon-on-sapphire CMOS. In Proceedings of the IEEE Radio Frequency Integrated Circuits Symposium (RFIC), Anaheim, CA, USA, 23–25 May 2010; pp. 105–108.
- Mandal, S.; Sarpeshkar, R. Low-power CMOS rectifier design for RFID applications. IEEE Trans. Circuits Syst. I 2007, 54, 1177–1188. [Google Scholar] [CrossRef]
- Kotani, K.; Sasaki, A.; Ito, T. High-efficiency differential-drive CMOS rectifier for UHF RFIDs. IEEE J. Solid State Circuits 2009, 44, 3011–3018. [Google Scholar]
- Kamalinejad, P.; Keikhosravy, K.; Mirabbasi, S. A CMOS rectifier with an extended high-efficiency region of operation. In Proceedings of the 2014 IEEE RFID Technology and Applications Conference (RFID-TA), Johor Bahru, Malaysia, 4–5 September 2013; pp. 1–6.
- Paavola, M.; Kamarainen, M.; Laulainen, E.; Saukoski, M.; Koskinen, L.; Kosunen, M.; Halonen, K.A. A micropower-based interface ASIC for a capacitive 3-axis micro-accelerometer. IEEE J. Solid State Circuits 2009, 44, 3193–3210. [Google Scholar] [CrossRef]
- Shin, D.Y.; Lee, H.; Kim, S. A delta–sigma interface circuit for capacitive sensors with an automatically calibrated zero point. IEEE Trans. Circuits System II 2011, 58, 90–94. [Google Scholar] [CrossRef]
- Nguyen, T.T.; Hafliger, P. An energy efficient inverter based readout circuit for capacitive sensor. In Proceedings of the Biomedical Circuits and Systems Conference (BioCAS), Rotterdam, Netherlands, 1–2 November 2013; pp. 326–329.
- Sheu, M.L.; Hsu, W.H.; Tsao, L.J. A capacitance-ratio-modulated current front-end circuit with pulsewidth modulation output for a capacitive sensor interface. IEEE Trans. Instrum. Meas. 2012, 61, 447–455. [Google Scholar] [CrossRef]
- Tan, Z.; Shalmany, S.H.; Meijer, G.C.; Pertijs, M.A. An energy-efficient 15-bit capacitive-sensor interface based on period modulation. IEEE J. Solid State Circuits 2012, 47, 1703–1711. [Google Scholar] [CrossRef]
- Danneels, H.; Piette, F.; De Smedt, V.; Dehaene, W.; Gielen, G. A novel PLL-based frequency-to-digital conversion mechanism for sensor interfaces. Sens. Actuators A Phys. 2011, 172, 220–227. [Google Scholar] [CrossRef]
© 2015 by the authors; licensee MDPI, Basel, Switzerland. This article is an open access article distributed under the terms and conditions of the Creative Commons Attribution license (http://creativecommons.org/licenses/by/4.0/).
Share and Cite
Wu, X.; Deng, F.; Hao, Y.; Fu, Z.; Zhang, L. Design of a Humidity Sensor Tag for Passive Wireless Applications. Sensors 2015, 15, 25564-25576. https://doi.org/10.3390/s151025564
Wu X, Deng F, Hao Y, Fu Z, Zhang L. Design of a Humidity Sensor Tag for Passive Wireless Applications. Sensors. 2015; 15(10):25564-25576. https://doi.org/10.3390/s151025564
Chicago/Turabian StyleWu, Xiang, Fangming Deng, Yong Hao, Zhihui Fu, and Lihua Zhang. 2015. "Design of a Humidity Sensor Tag for Passive Wireless Applications" Sensors 15, no. 10: 25564-25576. https://doi.org/10.3390/s151025564
APA StyleWu, X., Deng, F., Hao, Y., Fu, Z., & Zhang, L. (2015). Design of a Humidity Sensor Tag for Passive Wireless Applications. Sensors, 15(10), 25564-25576. https://doi.org/10.3390/s151025564
