Late Quaternary Paleoecology and Environmental History of the Hortobágy, an Alkaline Steppe in Central Europe
Abstract
1. Introduction
2. Materials and Methods
3. Results
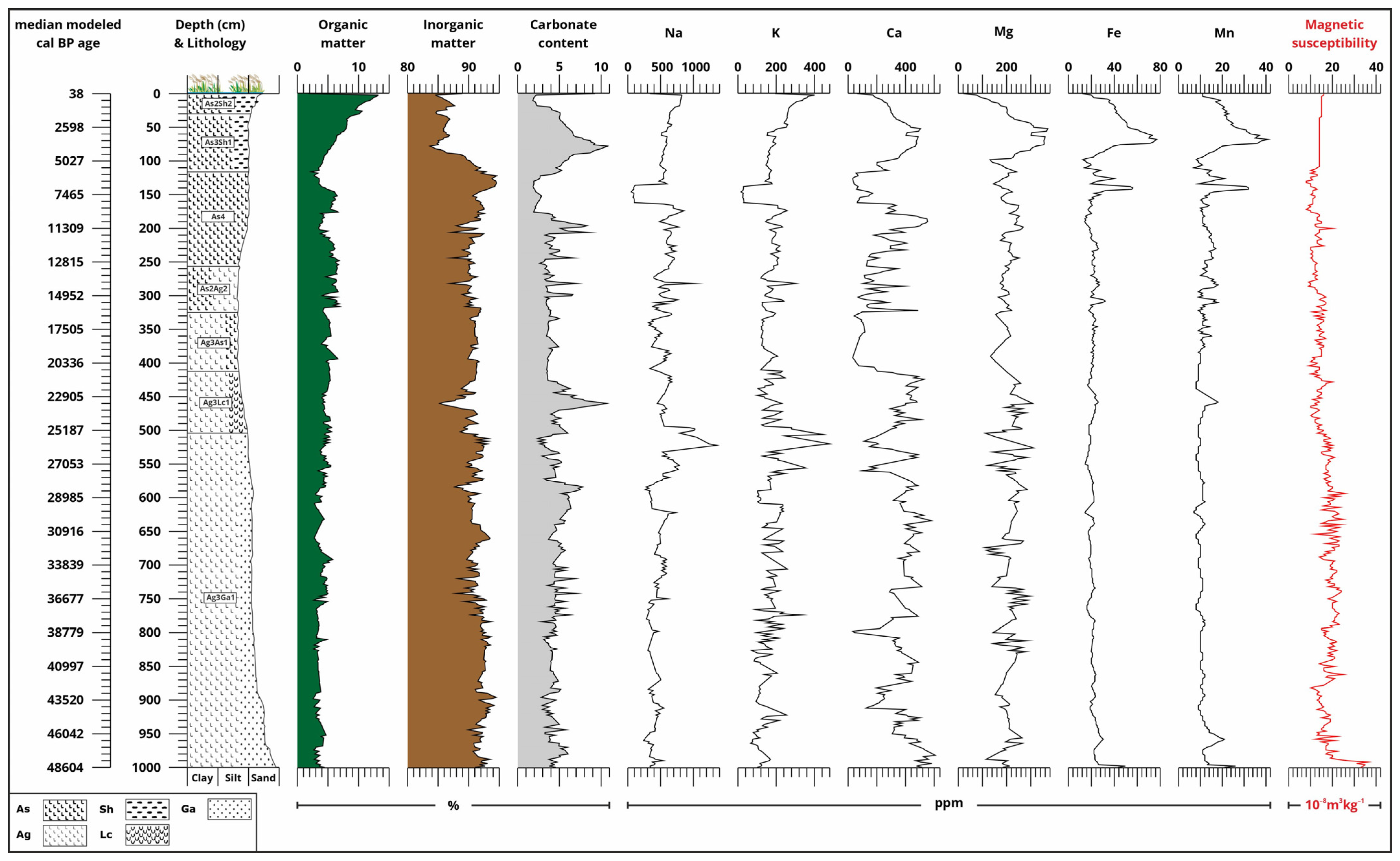
3.1. Geochronological Results
3.2. Sedimentological Results
3.3. Results of the Pollen Analysis
3.4. Macrobotanical Results
3.5. Malacological Results
4. Discussion
Supplementary Materials
Author Contributions
Funding
Institutional Review Board Statement
Data Availability Statement
Acknowledgments
Conflicts of Interest
References
- Béres, A.; Bodó, I.; Jakuts, P. Hortobágy—A Nomád Pusztától a Nemzeti Parkig; Kovács, G., Salamon, F., Eds.; Natura: Budapest, Hungary, 1976; p. 351. [Google Scholar]
- Jakucs, P. A Hortobágy növényvilága. In Hortobágy—A Nomád Pusztától a Nemzeti Parkig; Kovács, G., Salamon, F., Eds.; Natura: Budapest, Hungary, 1976; pp. 38–56. [Google Scholar]
- Molnár, Z. A Hortobágy hazánk egyik legősibb növényzetű tája. In Válogatás az MTA Ökológiai és Botanikai Kutatóintézet Kutatási eredményeiből, ÖBKI Műhelyfüzetek 2; Török, K., Keve, K.T., Kertész, M., Eds.; MTA Ökológiai és Botanikai Kutatóintézet: Vácrátót, Hungary, 2009; pp. 143–148. [Google Scholar]
- Lőkös, L. Diaria Itinerum Pauli Kitaibelii III; Természettudományi Múzeum: Budapest, Hungary, 2001. [Google Scholar]
- Townson, R. Travels in Hungary, with a Short Account of Vienna in the Year 1793; G G & J Robinson: London, UK, 1797; p. 506. [Google Scholar]
- Pók, J. Szabolcs Vármegye Katonai Leírása 1782–1785; Szabolcs-Szatmár-Bereg megyei Levéltár Kiadványa: Nyíregyháza, Hungary, 1994; Volume II, p. 128. [Google Scholar]
- Mesterházy, K. The Hortobágy in the Hungarian Conquest period. In Environmental Archaeology in North-Eastern Hungary. Varia Archaeologica Hungarica, XIX; Gál, E., Juhász, I., Sümegi, P., Eds.; MTA Archaeological Institute: Budapest, Hungary, 2005; pp. 387–393. [Google Scholar]
- Nagy, E.G. Die Herausbildung der Alfölder Linearbandkeramik I–II. Debr. Déri Múzeum Évkönyve 1998, 73, 53–150. [Google Scholar]
- Hertelendi, E.; Kalicz, N.; Raczky, P.; Horváth, F.; Veres, M.; Svingor, É.; Futó, I.; Bartosiewicz, L. Re-evaluation of the Neolithic in eastern Hungary based on calibrated radiocarbon dates. Radiocarbon 1995, 37, 239–244. [Google Scholar] [CrossRef]
- Sherratt, A. The development of neolithic and copper age settlement in the Great Hungarian plain part I: The regional setting. Oxf. J. Archaeol. 1982, 1, 287–316. [Google Scholar] [CrossRef]
- Sherratt, A. The development of Neolithic and copper age settlement in the Great Hungarian plain part II: Site survey and settlement dynamics. Oxf. J. Archaeol. 1983, 2, 13–41. [Google Scholar] [CrossRef]
- Raczky, P.; Anders, A. Social dimensions of the Late Neolithic settlement of Polgár-Csőszhalom (eastern Hungary). Acta Archaeol. 2006, 57, 17–33. [Google Scholar] [CrossRef]
- Raczky, P.; Anders, A. Polgár-Bosnyákdomb, a Late Neolithic tell-like settlement on Polgár Island (NE Hungary). Preliminary results of the investigations. Folia Quat. 2016, 2016, 99–122. [Google Scholar]
- Zoltai, L. Debreceni Halmok, Hegyek; Városi Nyomda: Debrecen, Hungary, 1938; p. 57. [Google Scholar]
- Horváth, T. Hajdúnánás-Tedej-Lyukas-halom: An interdisciplinary survey of a typical kurgan from the Great Hungarian Plain region: A case study (the revision of the kurgans from the territory of Hungary). In Kurgan Studies: An Environmental and Archaeological Multiproxy Study of Burial Mounds in the Eurasian Steppe Zone; Pető, Á., Barczi, A., Eds.; BAR International Series 2238; BAR International: Oxford, UK, 2011; pp. 71–131. [Google Scholar]
- Dani, J.; Horváth, T. Őskori Kurgánok a Magyar Alföldön. A Gödörsíros (Jamnaja) Entitás Magyarországi Kutatása az Elmúlt 30 év Során. Áttekintés és Revízió. [Prehistoric Kurgans in the Great Hungarian Plain. The Research of the Gödörsíros (Jamnaja) Entity in Hungary over the Past 30 Years. An Overview and Revision]; Archaeolingua Alapítvány: Budapest, Hungary, 2012; p. 215. [Google Scholar]
- Horváth, T.; Dani, J.; Pető, Á.; Pospieszny, Ł.; Svingor, É. Multidisciplinary contributions to the study of Pit Grave culture kurgans of the Great Hungarian Plain. In Transitions to the Bronze Age: Interregional Interaction and Socio-Cultural Change in the Third Millennium BC Carpathian Basin and Neighbouring Regions (No. 30); Heyd, V., Kulcsár, G., Szeverényi, V., Eds.; Archaeolingua Kiadó: Budapest, Hungary, 2013; pp. 153–180. [Google Scholar]
- Gazdapusztai, G. Chronologische Fragen in der Alfölder Gruppe der Kurgan-Kultur. Móra Ferenc Múzeum Évkönyve 1968, 2, 91–100. [Google Scholar]
- Ecsedy, I. The People of the Pit-Grave Kurgans in Eastern Hungary; Fontes Archaeologici Hungaricae, Akadémiai Kiadó: Budapest, Hungary, 1979. [Google Scholar]
- Gerling, C.; Bánffy, E.; Dani, J.; Köhler, K.; Kulcsár, G.; Pike, A.W.; Szeverényi, V.; Heyd, V. Immigration and transhumance in the Early Bronze Age Carpathian Basin: The occupants of a kurgan. Antiquity 2012, 86, 1097–1111. [Google Scholar] [CrossRef]
- Tóth, C.A.; Prónay, Z.; Braun, M.; Nagy, P.; Pethe, M.; Tildy, P.; Buró, B.; Kertész, T.; McIntosh, R.W.; Molnár, M. Geoarchaeological study of Szálka and Vajda kurgans (Great Hungarian Plain) based on radiocarbon and geophysical analyses. Radiocarbon 2018, 60, 1425–1437. [Google Scholar] [CrossRef]
- Deák, B.; Tóthmérész, B.; Valkó, O.; Sudnik-Wójcikowska, B.; Moysiyenko, I.I.; Bragina, T.M.; Dembicz, I.; Török, P. Cultural monuments and nature conservation: A review of the role of kurgans in the conservation and restoration of steppe vegetation. Biodivers. Conserv. 2016, 25, 2473–2490. [Google Scholar] [CrossRef]
- Masek, Z.; Serlegi, G.; Vágvölgyi, B. Burial Mounds, Circular Enclosures and Beyond. Complex Archaeological Investigation of Roman Period Tumuli in the Great Hungarian Plain Using Non-Destructive Methods. Hung. Archaeol. 2019, 8, 19–27. [Google Scholar] [CrossRef]
- Faragó, N.; Gáll, E.; Gulyás, B.; Marcsik, A.; Molnár, E.; Bárány, A.; Szenthe, G. Dietary and cultural differences between neighbouring communities: A case study on the early medieval Carpathian Basin (Avar and post-Avar period, 7th–9th/10th centuries AD). J. Archaeol. Sci. Rep. 2022, 42, 103361. [Google Scholar] [CrossRef]
- Gerasimenko, N.; Yurchenko, T.; Zaytsev, Y. Paleoecology of the Scythian population in the foothills of the Crimean mountains based on pollen study of the ak-kaya settlement. In From the Caspian to Mediterranean: Environmental Change and Human Response during the Quaternary; Gilbert, A., Yanko-Hombach, V., Eds.; IGCP—Ilia State University—Avalon Institute of Applied Sciences: Tbilisi, Georgia, 2013; pp. 63–65. [Google Scholar]
- Kemenczei, T. Az Alföld szkíta kora. In Hatalmasok a Viadalokban; Havassy, P., Ed.; Békés Megyei Múzeumok Igazgatósága Erkel Ferenc Múzeuma: Gyula, Hungary, 2001; pp. 7–36. [Google Scholar]
- Módy, G. A falutelepülés külső kerete a honfoglaláskor utáni első évszázadokig. In Hajdúnánés Története; Rácz, I., Ed.; Hajdúnánási Kiadó: Hajdúnánás, Hungary, 1973; pp. 21–31. [Google Scholar]
- Módy, G. Nyugat-Bihar és Dél-Szabolcs települései a XIII. század végéig. In Debreceni Déri Múzeum 1995–1996 Évkönyve; Déri Múzeum: Debrecen, Hungary, 1995/1996; Volume 1998, pp. 187–195. [Google Scholar]
- Módy, G. Nyugat-Bihar és Dél-Szabolcs települései a XIV. században. In Déri Múzeum 1997-1998 Évkönyve; Déri Múzeum: Debrecen, Hungary, 1998; Volume 1999, pp. 219–244. [Google Scholar]
- Mesterházy, K. Régészeti adatok Hajdú-Bihar megye területe IX–XIII. századi településtörténetéhez II. Déri Múzeum Évkönyve 1974, 1975, 212–216, 245–246. [Google Scholar]
- Zoltai, L. Települések, Egyházas és Egyházatlan Falvak Debrecen Város mai Határa és Külső Birtokai Területén a XI–XV-ik Századokban; Melius Kiadó: Debrecen, Hungary, 1925; p. 50. [Google Scholar]
- Sümegi, P.; Szilágyi, G.; Gulyás, S.; Jakab, G.; Molnár, A. The Late Quaternary Paleoecology and Environmental History of the Hortobágy, a unique Mosaic Alkaline Steppe from the Heart of the Carpathian Basin, Central Europe. In Steppe Ecosystems Biological Diversity, Management and Restoration; Prieto, M.B.M., Diaz, T.B., Eds.; Nova Publishers: New York, NY, USA, 2013; pp. 165–194. [Google Scholar]
- Sümegi, P.; Szilágyi, G. A Hortobágy új felszínfejlődési modellje és a szikesedés eredete. Acta Biol. Debrecina 2010, 22, 27–36. [Google Scholar]
- Dapsy, L. Tiszaszabályozás befolyása a magyar talajra. Termtud. Közlöny 1869, 1, 97–108. [Google Scholar]
- Boros, E.; Bíró, C. A Duna-Tisza-közi szikes tavak ökológiai állapot változásai a XVIII–XX. századokban (Ecological changes in natron lakes of the Danube-Tisza Interfluve between the 18th and 20th centuries). Acta Biol. Debrecina Oecologica Hung. 1999, 9, 81–105. [Google Scholar]
- Molnár, Z. A Pitvarosi-puszták és környékük vegetáció-és tájtörténete a Középkortól napjainkig. Nat. Bekes. 1996, 2, 65–97. [Google Scholar]
- Molnár, Z. Vegetation history of the Kardoskút area (S.E. Hungary) II: The lake Fehér-tó in the last 200 years. Tiscia 1997, 30, 27–34. [Google Scholar]
- Molnár, Z. Tájtörténeti adatok a hazai szikesek növényzetének ismeretéhez. In Ohattól Farkas-Szigetig. Ökológiai Kultúra—Ökológiai Nevelés; Tóth, A., Ed.; Alföldkutatásért Alapítvány: Budapes-Kisújszállás, Hungary, 2003; pp. 71–95. [Google Scholar]
- Molnár, Z. Történeti Tájökológiai Kutatások az Alföldön; University of Pécs: Pécs, Hungary, 2007. [Google Scholar]
- Molnár, Z. A Duna—Tisza köze és a Tiszántúl fontosabb vegetáció típusainak holocén kori története: Irodalmi értékelés egy vegetációkutató szemszögéből. Kanitzia 2008, 16, 93–118. [Google Scholar]
- Molnár, Z.; Bíró, M. Vegetation history of the Kardoskút area (SE Hungary) I: History of the steppes from the Middle Ages to the present. Tiscia 1997, 30, 15–25. [Google Scholar]
- Miháltz, I. A Duna-Tisza csatorna geológiai viszonyainak tanulmányozása. In A Duna-Tisza Csatorna; Lampl, H., Hallósy, F., Eds.; Egyetemi Nyomda: Budapest, Hungary, 1947. [Google Scholar]
- Sümegi, P. A Negyedidőszak Földtanának és Őskörnyezettanának Alapjai; JATEPress: Szeged, Hungary, 2001; p. 262. [Google Scholar]
- Sümegi, P. The Process of Sodification on Hortobágy in Space and Time according to geopedological investigation. In Hydro-Petro-Geology and Hungary. A Field Trip across the Country. Excursion Guide; Magyarhoni Földtani Társulat: Budapest, Hungary, 1997; pp. 237–242. [Google Scholar]
- Sümegi, P. Hajdúság Felső-Pleisztocén Fejlődéstörténete Finomrétegtani (Üledékföldtani, Őslénytani, Geokémiai) Vizsgálatok Alapján; Debreceni Egyetem: Debrecen, Hungary, 1989. [Google Scholar]
- Szilágyi, G.; Náfrádi, K.; Sümegi, P. A preliminary chronological study to understand the construction phases of a Late Copper–Early Bronze Age kurgan (kunhalom). Cent. Eur. Geol. 2019, 62, 1–29. [Google Scholar] [CrossRef]
- Sümegi, P.; Bodor, E.; Törőcsik, T. The origins of sodification in the Hortobágy region in the light of the palaeoenvironmental studies at Zám–Halasfenék. In Environmental Archaeology in North-Eastern Hungary. Varia Archaeologica Hungarica; Gál, E., Juhász, I., Sümegi, P., Eds.; MTA Régészeti Intézet: Budapest, Hungary, 2005. [Google Scholar]
- Sümegi, P.; Molnár, M.; Jakab, G.; Persaits, G.; Majkut, P.; Páll, D.G.; Gulyás, S.; Jull, A.J.T.; Törőcsik, T. Radiocarbon-dated paleoenvironmental changes on a lake and peat sediment sequence from the central part of the Great Hungarian Plain (Central Europe) during the last 25.000 years. Radiocarbon 2011, 52, 85–97. [Google Scholar] [CrossRef][Green Version]
- Willis, K.J. Impact of the early Neolithic Körös culture on the landscape: Evidence from palaeoecological investigations of Kiri-tó. In The Early Neolithic on the Great Hungarian Plain: Investigations of the Körös Culture Site of Ecsegfalva 23, Co. Békés; Whittle, A., Ed.; Varia Archaeologica Hungarica: Budapest, Hungary, 2007; pp. 83–99. [Google Scholar]
- Sümegi, P.; Magyari, E.; Dániel, P.; Hertelendi, E.; Rudner, E. A kardoskúti Fehér-tó negyedidőszaki fejlődéstörténetének rekonstrukciója. Földtani Közlöny 1999, 129, 479–519. [Google Scholar]
- Sümegi, P.; Persaits, G.; Gulyás, S. Woodland-Grassland Ecotonal Shifts in Environmental Mosaics: Lessons Learnt from the Environmental History of the Carpathian Basin (Central Europe) During the Holocene and the Last Ice Age Based on Investigation of Paleobotanical and Mollusk Remains. In Ecotones Between Forest and Grassland; Myster, R.W., Ed.; Springer Press: New York, NY, USA, 2012; pp. 17–57. [Google Scholar]
- Jakab, G.; Sümegi, P.; Magyari, E. New Quantative Method for the Paleobotanical Description of Late Quaternary Organic Sediments (Mire-Development Pathway and Paleoclimatic Records from Southern Hungary). Acta Geol. Hung. 2004, 47, 373–409. [Google Scholar] [CrossRef]
- Willis, K.J.; Braun, M.; Sümegi, P.; Tóth, A. Does soil change cause vegetation change or vice-versa? Ecology 1997, 78, 740–750. [Google Scholar] [CrossRef]
- Magyari, E.; Chapman, J.C.; Passmore, D.G.; Allen, J.R.M.; Huntley, J.P.; Huntley, B. Holocene persistence of wooded steppe in the Great Hungarian Plain. J. Biogeogr. 2010, 37, 915–935. [Google Scholar] [CrossRef]
- Willis, K.J.; Sümegi, P.; Braun, M.; Tóth, A. The Late Quaternary environmental history of Bátorliget, N.E. Hungary. Palaeogeogr. Palaeoclimatol. Palaeoecol. 1995, 118, 25–47. [Google Scholar] [CrossRef]
- Sümegi, P.; Törőcsik, T. Magyarország növényzetének története. Rosalia 2010, 1, 11–13. [Google Scholar]
- Gardner, A.R. The Impact of Neolithic Agriculture on the Environments of South-East Europe; University of Cambridge: Cambridge, UK, 1999. [Google Scholar]
- Borhidi, A. Magyarország Növénytársulásai; Akadémiai Kiadó: Budapest, Hungary, 2007. [Google Scholar]
- Ábrányi, K.; Bokor, J.; Timon, Á.; Radó, A.; Gaál, J.; Wargha, S. A Pallas Nagy Lexikona; Pallas Irodalmi és Nyomdai Részvénytársaság—Révai Testvérek: Budapest, Hungary, 1895. [Google Scholar]
- Troels-Smith, J. Karakterisering af lose jordater (Characterisation of Unconsolidated Sediments). Dan. Geol. Unders. 1955, 3, 39–73. [Google Scholar]
- Vári, T.Z.; Gulyás, S.; Sümegi, P. Reconstructing the Paleoenvironmental Evolution of Lake Kolon (Hungary) through Integrated Geochemical and Sedimentological Analyses of Quaternary Sediments. Quaternary 2023, 6, 39. [Google Scholar] [CrossRef]
- Dean, W.E. Determination of carbonate and organic matter in calcareous sediments and sedimentary rocks by loss on ignition; comparison with other methods. J. Sediment. Res. 1974, 44, 242–248. [Google Scholar]
- Oldfield, F.; Thompson, R.; Barber, K.E. Changing atmospheric fallout of magnetic particles recorded in recent ombrotrophic peat sections. Science 1978, 199, 679–680. [Google Scholar] [CrossRef] [PubMed]
- Dearing, J. Environmental Magnetic Susceptibility: Using the Bartington MS2 System; Chi Publishing: Keniloworth, UK, 1994. [Google Scholar]
- Xu, X.W.; Qiang, X.K.; Fu, C.F.; Zhao, H.; Chen, T.; Sun, Y.F. Characteristics of frequency-dependent magnetic susceptibility in Bartington MS2 and Kappabridge MFK1-FA, and its application in loess-paleosol, red clay and lacustrine sediments. Chin. J. Geophys. 2012, 55, 197–206. [Google Scholar]
- Njalsson, T.; Novosselov, I. Design and optimization of a compact low-cost optical particle sizer. J. Aerosol Sci. 2018, 119, 1–12. [Google Scholar] [CrossRef] [PubMed]
- Hertelendi, E.; Csongor, É.; Záborszky, L.; Molnár, I.; Gál, I.; Győrffy, M.; Nagy, S. Counting system for high precision C-14 dating. Radiocarbon 1989, 32, 399–408. [Google Scholar] [CrossRef]
- Molnár, M.; Janovics, R.; Major, I.; Orsovszki, J.; Gönczi, R.; Veres, M.; Leonard, A.G.; Castle, S.M.; Lange, T.E.; Wacker, L.; et al. Status Report of the New AMS 14C Sample Preparation Lab of the Hertelendi Laboratory of Environmental Studies (Debrecen, Hungary). Radiocarbon 2013, 55, 665–676. [Google Scholar] [CrossRef]
- Reimer, P.; Austin, W.; Bard, E.; Bayliss, A.; Blackwell, P.G.; Bronk Ramsey, C.; Butzin, M.; Cheng, H.; Edwards, R.L.; Friedrich, M.; et al. The IntCal20 Northern Hemisphere radiocarbon age calibration curve (0–55 cal kBP). Radiocarbon 2020, 62, 725–757. [Google Scholar] [CrossRef]
- Stuiver, M.; Reimer, P.J.; Braziunas, T.F. High-precision radiocarbon age calibration for terrestrial and marine samples. Radiocarbon 1998, 40, 1127–1151. [Google Scholar] [CrossRef]
- RBacon. Age-Depth Modelling Using Bayesian Statistics. Available online: https://cran.r-project.org/web/packages/rbacon/index.html (accessed on 29 August 2023).
- RStudio Desktop—Posit. Available online: https://posit.co/download/rstudio-desktop/ (accessed on 29 August 2023).
- Blaauw, M.; Christen, J.A. Flexible paleoclimate age-depth models using an autoregressive gamma process. Bayesian Anal. 2011, 6, 457–474. [Google Scholar] [CrossRef]
- Berglund, B.E.; Ralska-Jasiewiczowa, M. Pollen analysis and pollen diagrams. In Handbook of Holocene Palaeoecology and Palaeohydrology; Berglund, B.E., Ed.; J. Wiley and Sons Ltd.: Chichester-Toronto, UK, 1986. [Google Scholar]
- Zólyomi, B. Magyarország növénytakarójának fejlődéstörténete az utolsó jégkorszaktól. MTA Biológiai Osztályának Közleményei 1952, 1, 491–544. [Google Scholar]
- Magyari, E.K. Climatic Versus Human Modification of the Late Quaternary Vegetation in Eastern Hungary; Debrecen University: Debrecen, Hungary, 2002. [Google Scholar]
- Stockmarr, J. Tablets with spores used in absolute pollen analysis. Pollen Et Spores 1971, 13, 614–621. [Google Scholar]
- Maher, L.J.J. Nomograms for computing 0.95 confidence limits of pollen data. Rev. Palaeobot. Palynol. 1972, 13, 85–93. [Google Scholar] [CrossRef]
- Clark, R.L. Point count estimation of charcoal in pollen preparations and thin sections of sediments. Pollen Et Spores 1982, 24, 523–535. [Google Scholar]
- Moore, P.D.; Webb, J.A.; Collinson, M.E. Pollen Analysis; Blackwell Scientific Publications: Oxford, UK, 1991. [Google Scholar]
- Beug, H.J. Leitfaden der Pollenbestimmung für Mitteleuropa und Angrenzende Gebiete; Pfeil: München, Germany, 2004. [Google Scholar]
- Kozáková, R.; Pokorný, P. Dynamics of the biotopes at the edge of a medieval town: Pollen analysis of Vltava river sediments in Prague, Czech Republic. Preslia 2007, 79, 259–281. [Google Scholar]
- Reille, M. Pollen et Spores D’europe et D’afrique du Nord; Laboratoire de Botanique Historique et Palynologie: Marseille, France, 1992; p. 543. [Google Scholar]
- Reille, M. Pollen et Spores d’Europe et d’Afrique du Nord, Supplément 1; Laboratoire de Botanique Historique et Palynologie: Marseille, France, 1995; p. 331. [Google Scholar]
- Reille, M. Pollen et Spores d’Europe et d’Afrique du Nord: Supplément 2; Laboratoire de Botanique Historique et Palynologie: Marseille, France, 1998; p. 521. [Google Scholar]
- Bennett, K.D. Psimpoll Manual. Available online: http://www.kv.geo.uu.se/psimpoll.html (accessed on 23 August 2023).
- Birks, H.J.B.; Gordon, A.D. Numerical Methods in Quaternary Pollen Analysis; Academic Press: London, UK, 1985. [Google Scholar]
- Barber, K.E.; Chambers, F.M.; Maddy, D.; Brew, J. A sensitive high resolution record of the Holocene climatic change from a raised bog in northern England. Holocene 1994, 4, 198–205. [Google Scholar] [CrossRef]
- Sugita, S. Pollen representation of vegetation in Quaternary sediments: Theory and method in patchy vegetation. J. Ecol. 1994, 82, 881–897. [Google Scholar] [CrossRef]
- Ložek, V. Quartärmollusken der Tschechoslowakei. Rozpr. Ústredniho Ust. Geol. 1964, 31, 1–374. [Google Scholar]
- Sparks, B.W. Non-marine Mollusca and Quaternary ecology. J. Anim. Ecol. 1964, 33, 87–98. [Google Scholar] [CrossRef]
- Alexandrowicz, W.P. Molluscan assemblages of Late Glacial and Holocene calcareous tufa in Southern Poland. Folia Quat. 2004, 75, 3–309. [Google Scholar]
- Alexandrowicz, W.P. Malacological sequence of Weichselian (MIS 5-2) loess series from a profile in Grodzisko Dolne (southern Poland) and its palaeogeographic significance. Quat. Int. 2014, 319, 109–118. [Google Scholar] [CrossRef]
- Krolopp, E. Mollusc fauna of the sedimentary formations of the Quaternary period, Hungary. Acta Geol. Hung. 1965, 9, 153–160. [Google Scholar]
- Krolopp, E. Quaternary malacology in Hungary. Földrajzi Közlemények 1973, 21, 161–171. [Google Scholar]
- Krolopp, E. Biostratigraphic division of Hungarian Pleistocene Formations according to their Mollusc fauna. Acta Geol. Hung. 1983, 26, 62–89. [Google Scholar]
- Welter-Schultes, F. European Non-Marine Mollusc, a Guide for Species Identification; Planet Poster Edition: Göttingen, Germany, 2012; p. 760. [Google Scholar]
- Birks, H.J.B.; Birks, H.H. Quaternary Paleoecology; Edward Arnold: London, UK, 1980; p. 289. [Google Scholar]
- Fall, P. Pollen taphonomy in a canyon stream. Quat. Res. 1987, 28, 393–406. [Google Scholar] [CrossRef]
- Hall, S.A. Pollen analysis and paleoecology of alluvium. Quat. Res. 1989, 31, 435–438. [Google Scholar] [CrossRef]
- Prentice, I.C.; Guiot, J.; Huntley, B.; Jolly, D.; Cheddadi, R. Reconstructing biomes from palaeoecological data: A general method and its application to European pollen data at 0 and 6 ka. Clim. Dyn. 1996, 12, 185–194. [Google Scholar] [CrossRef]
- Magyari, E.K. Late quaternary vegetation history in the Hortobágy steppe and Middle Tisza floodplain, NE Hungary. Stud. Bot. Hung. 2011, 42, 185–203. [Google Scholar]
- Sümegi, P.; Gulyás, S.; Molnár, D.; Sümegi, B.P.; Almond, P.C.; Vandenberghe, J.; Zhou, L.; Pál-Molnár, E.; Törőcsik, T.; Hao, Q.; et al. New chronology of the best developed loess/paleosol sequence of Hungary capturing the past 1.1 ma: Implications for correlation and proposed pan Eurasian stratigraphic schemes. Quat. Sci. Rev. 2018, 191, 144–166. [Google Scholar] [CrossRef]
- Willis, K.J.; Sümegi, P.; Braun, M.; Bennett, K.D.; Tóth, A. Prehistoric land degradation in Hungary: Who, how and why? Antiquity 1998, 72, 101–113. [Google Scholar] [CrossRef]
- Timár, G.; Sümegi, P.; Horváth, F. Late Quaternary dynamics of Tisza River: Evidence of climatic and tectonic controls. Tectonophysics 2005, 410, 97–110. [Google Scholar] [CrossRef]
- Szöőr, G.; Sümegi, P.; Balázs, É. Sedimentological and geochemical facies analysis Upper Pleistocene fossil soil zones discovered in the Hajdúság region, NE Hungary. In Quaternary Environment in Hungary; Studies in geography in Hungary; Pécsi, M., Schweitzer, F., Eds.; Akadémiai Kiadó: Budapest, Hungary, 1991. [Google Scholar]
- Dániel, P. Methods of the five-step extraction-digestion method. In The Geohistory of Bátorliget Marshland; Sümegi, P., Gulyás, S., Eds.; Archaeolingua Press: Budapest, Hungary, 2004. [Google Scholar]
- Rónai, A. A síkvidékek földtani kutatásának jelentősége. Földtani Intézet Évi Jelentése 1961-ről 1964, 1, 5–17. [Google Scholar]
- Rónai, A. Negyedkori Üledékképződés és Éghajlattörténet az Alföld Medencéjében: Quartärsedimentation und Klimageschichte im Becken der Ungarischen Tiefebene (Alföld). Magyar Állami Földtani Intézet Évkönyve 56. köt. 1. füz.; Műszaki Könyvkiadó: Budapest, Hungary, 1972; p. 421. [Google Scholar]
- Rónai, A. Negyedidőszaki kéregmozgások a Magyar medencében. Földtani Közlöny 1977, 107, 431–436. [Google Scholar]
- Rónai, A. Komplex síkvidéki földtani kutatások és agrogeológiai kapcsolataik. MTA X. Osztály Közleményei 1982, 15, 183–188. [Google Scholar]
- Rónai, A. Az Alföld földtana. Acta Geol. Hung. 1985, 21, 1–445. [Google Scholar]
- Lehmkuhl, F.; Bösken, J.; Hošek, J.; Sprafke, T.; Marković, S.B.; Obreht, I.; Hambach, U.; Sümegi, P.; Lindner, H. Loess distribution and related Quaternary sediments in the Carpathian Basin. J. Maps 2018, 14, 673–682. [Google Scholar] [CrossRef]
- Lehmkuhl, F.; Bösken, J.; Pötter, S.; Sprafke, T.; Schulte, P.; Jary, Z.; Antoine, P.; Wacha, L.; Wolf, D.; Zerboni, A.; et al. Loess landscapes of Europe—Mapping, geomorphology and zonal differentiation. Earth-Sci. Rev. 2021, 211, 1–82. [Google Scholar] [CrossRef]
- Willis, K.J.; Rudner, E.; Sümegi, P. The full-glacial forests of central and southeastern Europe: Evidence from Hungarian palaeoecological records. Quat. Res. 2000, 53, 203–213. [Google Scholar] [CrossRef]
- Jacobson, G.L.; Bradshaw, R.H.W. The selection of sites for palaeovegetational studies. Quat. Res. 1981, 16, 80–96. [Google Scholar] [CrossRef]
- Prentice, I.C. Pollen representation, source area, and basin size: Toward a unified theory of pollen analysis. Quat. Res. 1985, 23, 76–86. [Google Scholar] [CrossRef]
- Prentice, I.C.; Webb, T., III. BIOME 6000: Reconstructing global mid-Holocene vegetation patterns from palaeoecological records. J. Biogeogr. 1988, 25, 997–1005. [Google Scholar] [CrossRef]
- Prentice, I.C.; Cramer, W.; Harrison, S.P.; Leemans, R.; Monserud, R.A.; Solomon, A.M. A global biome model based on plant physiology and dominance, soil properties and climate. J. Biogeogr. 1992, 19, 117–134. [Google Scholar] [CrossRef]
- Buiron, D.; Stenni, B.; Chappellaz, J.; Landais, A.; Baumgartner, M.; Bonazza, M.; Capronc, E.; Frezzotti, M.; Kageyama, M.; Lemieux-Dudon, B.; et al. Regional imprints of millennial variability during the MIS 3 period around Antarctica. Quat. Sci. Rev. 2012, 48, 99–112. [Google Scholar] [CrossRef]
- Bond, G.C.; Heinrich, H.; Broecker, W.; Labeyrie, L.; McManus, J.; Andrews, J.; Huon, S.; Jantschik, R.; Clasen, S.; Simet, C.; et al. Evidence for massive discharges of icebergs into the North Atlantic ocean during the last glacial. Nature 1992, 360, 245–249. [Google Scholar] [CrossRef]
- Genty, D.; Blamart, D.; Ouahdi, R.; Gilmour, M.; Baker, A.; Jouzel, J.; Van Exter, S. Precise dating of Dansgaard-Oeschger climate oscillations in Western Europe from stalagmite data. Nature 2003, 421, 833–837. [Google Scholar] [CrossRef] [PubMed]
- Grimm, E.C.; Jacobson, G.L.; Watts, W.A.; Hansen, B.C.S.; Maasch, K.A. A 50,000-Year Record of Climate Oscillations from Florida and Its Temporal Correlation with the Heinrich Events. Science 1993, 261, 198–200. [Google Scholar] [CrossRef]
- Grimm, E.C.; Watts, W.A.; Jacobson, G.L.; Hansen, B.C.S.; Almquist, H.R.; Dieffenbacher-Krall, A.C. Evidence for warm wet Heinrich events in Florida. Quat. Sci. Rev. 2006, 25, 2197–2211. [Google Scholar] [CrossRef]
- Grootes, P.M.; Stuiver, M.; White, J.W.C.; Johnsen, S.J.; Jouzel, J. Comparison of oxygen isotope records from the GISP2 and GRIP Greenland ice cores. Nature 1993, 366, 552–554. [Google Scholar] [CrossRef]
- Svensson, A.; Andersen, K.K.; Bigler, M.; Clausen, H.B.; Dahl-Jensen, D.; Davies, S.M.; Johnsen, S.J.; Muscheler, R.; Parrenin, F.; Rasmussen, S.O. A 60 000 year Greenland stratigraphic ice core chronology. Clim. Past 2008, 4, 47–57. [Google Scholar] [CrossRef]
- Timmermann, A.; Menviel, L.; Okumura, Y.; Schilla, A.; Merkel, U.; Timm, O.; Hu, A.; Otto-Bliesner, B.; Schulz, M. Towards a quantitative understanding ofmillennial-scale Antarctic warming events. Quat. Sci. Rev. 2010, 29, 74–85. [Google Scholar] [CrossRef]
- Yiou, P.; Jouzel, J.; Johnsen, S.; Rögnvaldsson, Ö.E. Rapid oscillations in Vostok and GRIP Ice Cores. Geophyical Res. Lett. 1995, 22, 2179–2182. [Google Scholar] [CrossRef]
- Björck, S.; Walker, M.J.C.; Cwynar, L.C.; Johnsen, S.; Knudsen, K.L.; Lowe, J.J.; Wohlfarth, B. and INTIMATE Members. An event stratigraphy for the Last Termination in the North Atlantic region based on the Greenland ice-core record: A proposal by the INTIMATE group. J. Quat. Sci. 1998, 13, 282–292. [Google Scholar] [CrossRef]
- Walker, M.J.C.; Björck, S.; Lowe, J.J.; Cwynar, L.C.; Johnsen, S.; Knudsen, K.L.; Wohlfarth, B. and INTIMATE GROUP. Isotopic “events” in the GRIP ice core: A stratotype for the Late Pleistocene. Quat. Sci. Rev. 1999, 18, 1143–1150. [Google Scholar] [CrossRef]
- Kremenetski, K.V. Steppe and forest-steppe belt of Eurasia: Holocene environmental history. In Prehistoric Steppe Adaptation and the Horse; Levine, M., Renfrew, C., Boyle, K., Eds.; McDonald Institute for Archaeological Research, University of Cambridge: Cambridge, UK, 2003; pp. 11–27. [Google Scholar]
- Tímár, G.; Gábris, G. Estimation of water conductivity of the natural flood channels on the Tisza flood-plain, the Great Hungarian Plain. Geomorphology 2008, 98, 250–261. [Google Scholar] [CrossRef]
- Tarasov, P.E.; Webb, T., III; Andreev, A.A.; Afanaseva, N.B.; Berezina, N.A.; Bezusko, L.G.; Blyakharchuk, T.A.; Bolikhovskaya, N.S.; Cheddadi, R.; Chernavskaya, M.M.; et al. Present-day and mid-Holocene biomes reconstructed from pollen and plant macrofossil data from the Former Soviet Union and Mongolia. J. Biogeogr. 1998, 25, 1029–1053. [Google Scholar] [CrossRef]
- Tarasov, P.E.; Volkova, V.S.; Webb III, T.; Guiot, J.; Andreev, A.A.; Bezusko, L.G.; Bezusko, T.V.; Bykova, G.V.; Dorofeyuk, N.I.; Kvavadze, E.V.; et al. Last glacial maximum biomes reconstructed from pollen and plant macrofossil data from northern Eurasia. J. Biogeogr. 2000, 27, 609–620. [Google Scholar] [CrossRef]
- Szelepcsényi, Z.; Breuer, H.; Kis, A.; Pongrácz, R.; Sümegi, P. Assessment of projected climate change in the Carpathian Region using the Holdridge life zone system. Theor. Appl. Climatol. 2018, 131, 593–610. [Google Scholar] [CrossRef]
- Pełechata, A.; Pełechaty, M.; Pukacz, A. Factors influencing cyanobacteria community structure in Chara-lakes. Ecol. Indic. 2016, 71, 477–490. [Google Scholar] [CrossRef]
- Várallyay, G. Soil water problems in Hungary. Agrokémia És Talajt. 1989, 38, 577–595. [Google Scholar]
- Bába, K. History of the investigation of the terrestrial snails of the Great Hungarian Plain and its present situation—II. Tiscia 1983, 18, 83–95. [Google Scholar]
- Molnár, B. Pliocén és pleisztocén lehordási területek az Alföldön. Földtani Közlöny 1960, 89, 403–413. [Google Scholar]
- Molnár, B. A magyarországi folyók homoküledékeinek nehézásvány-összetétel vizsgálata. Hidrológiai Közlöny 1964, 44, 347–355. [Google Scholar]
- Molnár, B. Changes in Area and Directions of Stream Erosion in the Eastern Part of the Hungarian Basin (Great Plain) during the Pliocene and Pleistocene. Acta Minerol. Et Petrogr. 1965, 17, 39–52. [Google Scholar]
- Molnár, B. A Dél-Alföld feltöltődésének ritmusai és vízföldtani jelentőségük. Hidrológiai Közlöny 1967, 47, 537–552. [Google Scholar]
- Molnár, B. Az Alföld harmadidőszak-végi és negyedkori feltöltődési ciklusai. Földtani Közlöny 1973, 103, 294–310. [Google Scholar]
- Peterson, G.M. Recent pollen spectra and zonal vegetation in the western USSR. Quat. Sci. Rev. 1983, 2, 281–321. [Google Scholar] [CrossRef]
- Sümegi, P. Loess and Upper Paleolithic Environment in Hungary; Aurea Kiadó: Nagykovácsi, Hungary, 2005; p. 312. [Google Scholar]
- Szelepcsényi, Z.; Breuer, H.; Ács, F.; Kozma, I. Biofizikai klímaklasszifikációk (1. rész: A módszerek bemutatása). Légkör 2009, 54, 21–26. [Google Scholar]
- Szelepcsényi, Z.; Breuer, H.; Ács, F.; Kozma, I. Biofizikai klímaklasszifikációk (2. rész: Magyarországi alkalmazások). Légkör 2009, 54, 21–26. [Google Scholar]
- Szelepcsényi, Z.; Breuer, H.; Sümegi, P. The climate of Carpathian Region in the 20th century based on the original and modified Holdridge life zone system. Cent. Eur. J. Geosci. 2014, 6, 293–307. [Google Scholar] [CrossRef]
- Németh, A.; Bárány, A.; Csorba, G.; Magyari, E.; Pazonyi, P.; Pálfy, J. Holocene mammal extinctions in the Carpathian Basin: A review. Mammal Rev. 2017, 47, 38–52. [Google Scholar] [CrossRef]
- Boros, E.; Kolpakova, M. A review of the defining chemical properties of soda lakes and pans: An assessment on a large geographic scale of Eurasian inland saline surface waters. PLoS ONE 2018, 13, e0202205. [Google Scholar] [CrossRef] [PubMed]


















| Cm | Type of Organic Material | Code | Uncal BP | +/− | Cal BP Interval | Cal BC/AD Interval |
|---|---|---|---|---|---|---|
| 10 | Planorbis shell | DeA–130891 | 403 | 17 | 339–506 | 1444–1611 AD |
| 12 | Planorbis shell | D–AMS21141 | 444 | 21 | 461–524 | 1426–1469 AD |
| 50 | Planorbis shell | D–AMS21152 | 2524 | 23 | 2496–2736 | 547–787 BC |
| 76 | Planorbis shell | DeA–130902 | 3732 | 20 | 3987–4151 | 2038–2202 BC |
| 96 | Lymnaea shell | D–AMS2113 | 4232 | 29 | 4649–4857 | 2700–2908 BC |
| 122 | Unio shell | DeA–130913 | 5696 | 22 | 6406–6552 | 4457–4603 BC |
| 140 | Unio shell | D–AMS21112 | 6065 | 26 | 6799–7146 | 4850–5197 BC |
| 152 | Unio shell | D–AMS21123 | 6698 | 30 | 7504–7655 | 5555–5701 BC |
| 160 | Bithynia shell | D–AMS21104 | 7067 | 29 | 7836–7965 | 5887–6016 BC |
| 200 | Unio shell | DeA–130914 | 10,055 | 33 | 11,357–11,803 | 9404–9854 BC |
| 266 | Pisidium shell | D–AMS21095 | 11,417 | 52 | 13,174–13,411 | 11,225–11,462 BC |
| 332 | Pisidium shell | D–AMS21086 | 13,598 | 70 | 16,197–16,654 | 14,208–14,705 BC |
| 352 | Cochlicopa shell | D–AMS21077 | 14,474 | 58 | 17,412–17,878 | 15,463–15,929 BC |
| 400 | Succinella shell | D–AMS21068 | 16,847 | 78 | 20,151–20,535 | 18,203–18,521 BC |
| 480 | Trochulus hispidus | DeA–130965 | 20,529 | 72 | 24,366–24,986 | 22,417–23,037 BC |
| 572 | Succinella shell | D–AMS21049 | 23,725 | 85 | 27,694–28,008 | 25,745–26,059 BC |
| 650 | Pinus microharcoal | DeA–131026 | 25,661 | 121 | 29,681–30,189 | 27,732–28,240 BC |
| 744 | Helicopsis shell | D–AMS210510 | 32,535 | 175 | 36,364–37,325 | 34,415–35,376 BC |
| 800 | Succinella shell | DeA–130977 | 33,433 | 232 | 37,455–39,161 | 35,506–37,212 BC |
| 850 | Trochulus shell | DeA–130988 | 35,696 | 297 | 40,158–41,323 | 38,209–39,374 BC |
Disclaimer/Publisher’s Note: The statements, opinions and data contained in all publications are solely those of the individual author(s) and contributor(s) and not of MDPI and/or the editor(s). MDPI and/or the editor(s) disclaim responsibility for any injury to people or property resulting from any ideas, methods, instructions or products referred to in the content. |
© 2024 by the authors. Licensee MDPI, Basel, Switzerland. This article is an open access article distributed under the terms and conditions of the Creative Commons Attribution (CC BY) license (https://creativecommons.org/licenses/by/4.0/).
Share and Cite
Szilágyi, G.; Gulyás, S.; Vári, T.Z.; Sümegi, P. Late Quaternary Paleoecology and Environmental History of the Hortobágy, an Alkaline Steppe in Central Europe. Diversity 2024, 16, 67. https://doi.org/10.3390/d16010067
Szilágyi G, Gulyás S, Vári TZ, Sümegi P. Late Quaternary Paleoecology and Environmental History of the Hortobágy, an Alkaline Steppe in Central Europe. Diversity. 2024; 16(1):67. https://doi.org/10.3390/d16010067
Chicago/Turabian StyleSzilágyi, Gábor, Sándor Gulyás, Tamás Zsolt Vári, and Pál Sümegi. 2024. "Late Quaternary Paleoecology and Environmental History of the Hortobágy, an Alkaline Steppe in Central Europe" Diversity 16, no. 1: 67. https://doi.org/10.3390/d16010067
APA StyleSzilágyi, G., Gulyás, S., Vári, T. Z., & Sümegi, P. (2024). Late Quaternary Paleoecology and Environmental History of the Hortobágy, an Alkaline Steppe in Central Europe. Diversity, 16(1), 67. https://doi.org/10.3390/d16010067
