How Charge and Triple Size-Selective Membrane Separation of Peptides from Salmon Protein Hydrolysate Orientate their Biological Response on Glucose Uptake
Abstract
1. Introduction
2. Results and Discussion
2.1. Evolution of Peptide Concentration and Final Migration Rates
2.2. Characterization of Peptide Profile by RP-UPLC-MS
2.3. Relative Energy Consumption
2.4. Glucose Uptake Experiments
3. Materials and Methods
3.1. Materials and Electrodialysis Cell
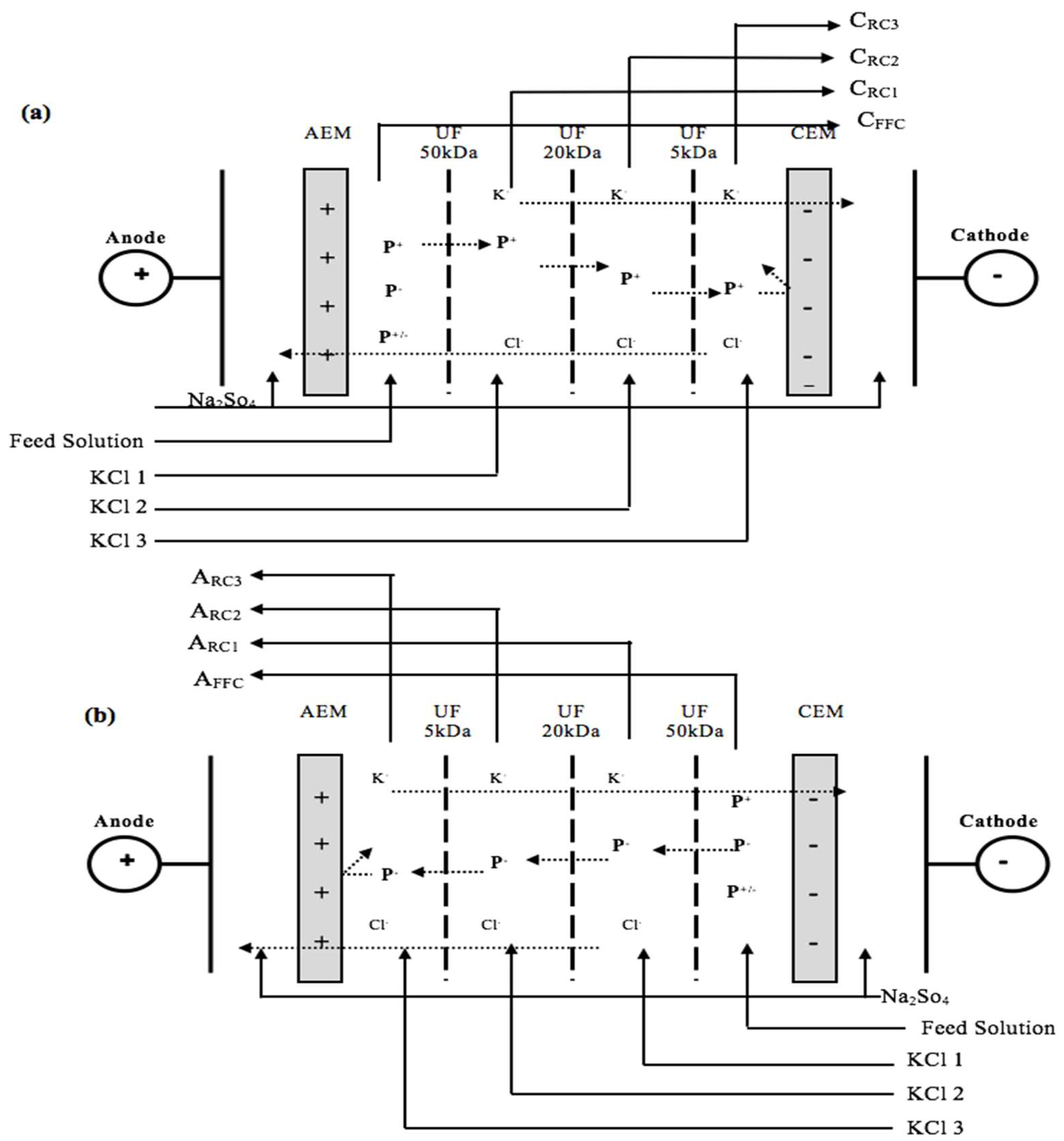
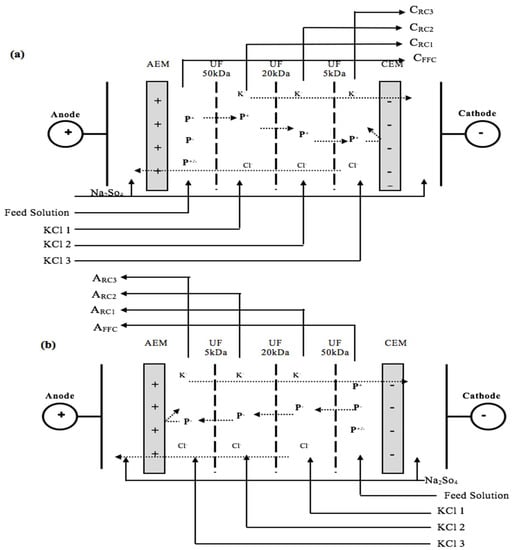
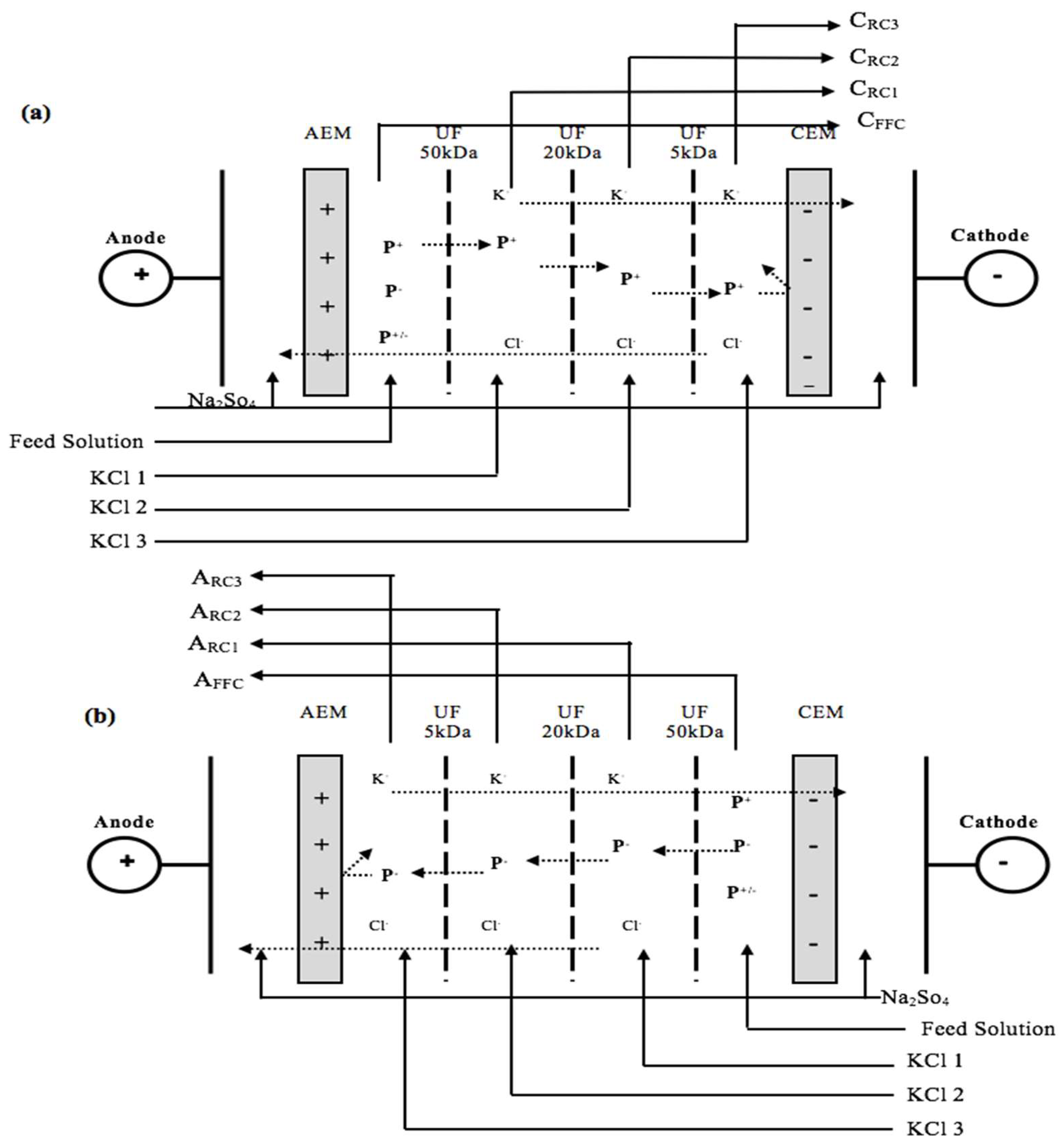
3.1.1. Electrodialysis Configurations
3.1.2. Electroseparation Protocol
3.2. Materials
3.2.1. Hydrolysate Preparation
3.2.2. Chemicals
3.2.3. Membranes
3.3. Analyses
3.3.1. pH
3.3.2. Relative Energy Consumption of the EDUF Process
3.3.3. Peptide Concentration and Nitrogen Concentration Determination
3.3.4. Final Peptide Migration Rates
3.3.5. Reverse Phase Ultra Performance Liquide Chromatography (RP-UPLC) and Tandem Mass Spectrometry (MS/MS) Analyses
3.3.6. Glucose Uptake Experiments
3.3.7. Statistical Analyses
4. Conclusions
Author Contributions
Funding
Acknowledgments
Conflicts of Interest
References
- Stumvoll, M.; Goldstein, B.J.; Van Haeften, T.W. Type 2 diabetes: Principles of pathogenesis and therapy. Lancet 2005, 365, 1333–1346. [Google Scholar] [CrossRef]
- Wild, S.; Roglic, G.; Green, A.; Sicree, R.; King, H. Estimates for the year 2000 and projections for 2030. Diabetes Care 2004, 27, 1047–1053. [Google Scholar] [CrossRef]
- Daviglus, M.L.; Stamler, J.; Orencia, A.J.; Dyer, A.R.; Liu, K.; Greenland, P.; Molly, M.K.; Morris, D.; Shekelle, R.B. Fish Consumption And The 30-Year Of Fatal Myocardial Infarction. N. Engl. J. Med. 1997, 336, 1046–1053. [Google Scholar] [PubMed]
- Nkondjock, A.; Receveur, O. Fish-seafood consumption, obesity, and risk of type 2 diabetes: An ecological study. Diabetes Metab. 2003, 29, 635–642. [Google Scholar] [PubMed]
- Pilon, G.; Ruzzin, J.; Rioux, L.E.; Lavigne, C.; White, P.J.; Froyland, L.; Jacques, H.; Bryl, P.; Beaulieu, L.; Marette, A. Differential effects of various fish proteins in altering body weight, adiposity, inflammatory status, and insulin sensitivity in high-fat-fed rats. Metabolism 2011, 60, 1122–1130. [Google Scholar] [CrossRef] [PubMed]
- Chevrier, G.; Mitchell, P.L.; Rioux, L.E.; Hasan, F.; Jin, T.; Roblet, C.; Doyen, A.; Pilon, G.; St-Pierre, P.; Lavigne, C.; et al. Low-Molecular-Weight Peptides from Salmon Protein Prevent Obesity-Linked Glucose Intolerance, Inflammation, and Dyslipidemia in LDLR−/−/ApoB100/100 Mice. J. Nutr. 2015, 145, 1415–1422. [Google Scholar] [CrossRef] [PubMed]
- Lavigne, C.; Tremblay, F.; Asselin, G.; Jacques, H.; Marette, A. Prevention of skeletal muscle insulin resistance by dietary cod protein in high fat-fed rats. Am. J. Physiol. Endocrinol. Metab. 2001, 281, E62–E71. [Google Scholar] [CrossRef] [PubMed]
- Lavigne, C.; Marette, A.; Jacques, H. Cod and soy proteins compared with casein improve glucose tolerance and insulin sensitivity in rats. Am. J. Physiol. Endocrinol. Metab. 2000, 278, E491–E500. [Google Scholar] [CrossRef] [PubMed]
- Tremblay, F.; Lavigne, C.; Jacques, H.; Marette, A. Dietary Cod Protein Restores Insulin-Induced Activation of Phosphatidylinositol 3-Kinase/Akt and GLUT4 Translocation to the T-Tubules in Skeletal Muscle of High-Fat–Fed Obese Rats. Diabetes Care 2003, 52, 29–37. [Google Scholar] [CrossRef][Green Version]
- Ouellet, V.; Marois, J.; Weisnagel, S.J.; Jacques, H. Dietary cod protein improves insulin sensitivity in insulin-resistant men and women: A randomized controlled trial. Diabetes Care 2007, 30, 2816–2821. [Google Scholar] [CrossRef]
- Ouellet, V.; Weisnagel, S.J.; Marois, J.; Bergeron, J.; Julien, P.; Gougeon, R.; Tchernof, A.; Holub, B.J.; Jacques, H. Dietary Cod Protein Reduces Plasma C-Reactive Protein in Insulin-Resistant Men and Women. J. Nutr. 2008, 12, 2386–2391. [Google Scholar] [CrossRef] [PubMed]
- Wergedahl, H.; Liaset, B.; Gudbrandsen, O.A.; Lied, E.; Espe, M.; Muna, Z.; Mørk, S.; Berge, R.K. Fish protein hydrolysate reduces plasma total cholesterol, increases the proportion of HDL cholesterol, and lowers acyl-CoA:cholesterol acyltransferase activity in liver of Zucker rats. J. Nutr. 2004, 134, 1320–1327. [Google Scholar] [CrossRef] [PubMed]
- Liaset, B.; Madsen, L.; Hao, Q.; Criales, G.; Mellgren, G.; Marschall, H.; Hallenborg, P.; Espe, M.; Frøyland, L.; Kristiansen, K. Fish protein hydrolysate elevates plasma bile acids and reduces visceral adipose tissue mass in rats. Biochim Biophys Acta. 2009, 1791, 254–262. [Google Scholar] [CrossRef]
- Lin, C.S.K.; Pfaltzgra, L.A.; Herrero-davila, L.; Mubofu, E.B.; Abderrahim, S.; Clark, J.H.; Koutinas, A.A.; Kopsahelis, N.; Stamatelatou, K.; Dickson, F.; et al. Food waste as a valuable resource for the production of chemicals, materials and fuels. Energy Environ. Sci. 2013, 6, 426–464. [Google Scholar] [CrossRef]
- Koutinas, A.A.; Vlysidis, A.; Pleissner, D.; Kopsahelis, N.; Garcia, I.L.; Kookos, I.K.; Papanikolaou, S.; Kwanb, T.H.; Lin, C.S.K. Valorization of industrial waste and by-product streams via fermentation for the production of chemicals and biopolymers. Green Chem. 2014, 43, 2587–2627. [Google Scholar] [CrossRef]
- Udenigwe, C.C.; Aluko, R.E. Food protein-derived bioactive peptides: Production, processing, and potential health benefits. J. Food Sci. 2012, 71, R11–R24. [Google Scholar] [CrossRef] [PubMed]
- Jenssen, H.; Hamill, P.; Hancock, R.E.W. Peptide antimicrobial agents. Clin. Microbiol. Rev. 2006, 19, 491–511. [Google Scholar] [CrossRef]
- Saadi, S.; Saari, N.; Anwar, F.; Abdul Hamid, A.; Ghazali, H.M. Recent advances in food biopeptides: Production, biological functionalities and therapeutic applications. Biotechnol. Adv. 2015, 33, 80–116. [Google Scholar] [CrossRef]
- Yoshikawaa, M.; Fujitab, H.; Matobaa, N.; Takenakaa, Y.; Yamamotoa, T.; Yamauchia, R.; Tsurukia, H.; Takahatac, K. Bioactive peptides derived from food proteins preventing lifestyle-related diseases. BioFactors 2000, 12, 143–146. [Google Scholar] [CrossRef]
- Korhonen, H.; Pihlanto, A. Food-derived Bioactive Peptides—Opportunities for Designing Future Foods. Curr. Pharm. Des. 2003, 9, 1297–1308. [Google Scholar] [CrossRef]
- Deeslie, W.D.; Cheryan, M. Fractionation of Soy Protein Hydrolysates Using Ultrafiltration Membranes. J. Food Sci. 1992, 57, 411–413. [Google Scholar] [CrossRef]
- Jeon, Y.J.; Byun, H.G.; . Kim, S.K. Improvement of functional properties of cod frame protein hydrolysates using ultrafiltration membranes. Process Biochem. 1999, 35, 471–478. [Google Scholar] [CrossRef]
- Roblet, C.; Doyen, A.; Amiot, J.; Bazinet, L. Impact of pH on ultrafiltration membrane selectivity during electrodialysis with ultrafiltration membrane (EDUF) purification of soy peptides from a complex matrix. J. Memb. Sci. 2013, 43, 207–217. [Google Scholar] [CrossRef]
- Ellegard, K.H.; Gammelgard-Larsen, C.; Sorensen, E.S.; Fedosov, S. Process scale chromatographic isolation, characterization and identification of tryptic bioactive casein phosphopeptides. Int. Dairy J. 1999, 9, 639–652. [Google Scholar] [CrossRef]
- Recio, I.; Visser, S. Two ion-exchange chromatographic methods for the isolation of antibacterial peptides from lactoferrin. In situ enzymatic hydrolysis on an ion-exchange membrane. J. Chromatogr. A 1999, 831, 191–201. [Google Scholar] [CrossRef]
- Brans, G.; Schroën, C.G.P.H.; Van Der Sman, R.G.M.; Boom, R.M. Membrane fractionation of milk: State of the art and challenges. J. Memb. Sci. 2004, 243, 263–272. [Google Scholar] [CrossRef]
- Bargeman, G.; Houwing, J.; Recio, I.; Koops, G.-H.; Van Der Horst, C. Electro-membrane filtration for the selective isolation of bioactive peptides from an alpha(s2)-casein hydrolysate. Biotechnol. Bioeng. 2002, 80, 599–609. [Google Scholar] [CrossRef]
- Hashimoto, K.; Sato, K.; Nakamura, Y.; Ohtsuki, K. Development of a large-scale (50 L) apparatus for ampholyte-free isoelectric focusing (autofocusing) of peptides in enzymatic hydrolysates of food proteins. J. Agric. Food Chem. 2005, 53, 3801–3806. [Google Scholar] [CrossRef]
- Hashimoto, K.; Sato, K.; Nakamura, Y.; Ohtsuki, K. Development of continuous type apparatus for ampholyte-free isoelectric focusing (autofocusing) of peptides in protein hydrolysates. J. Agric. Food Chem. 2006, 54, 650–655. [Google Scholar] [CrossRef]
- Roblet, C.; Akhtar, M.J.; Mikhaylin, S.; Pilon, G.; Gill, T.; Marette, A.; Bazinet, L. Enhancement of glucose uptake in muscular cell by peptide fractions separated by electrodialysis with filtration membrane from salmon frame protein hydrolysate. J. Funct. Foods 2016, 22, 337–346. [Google Scholar] [CrossRef]
- Doyen, A.; Udenigwe, C.C.; Mitchell, P.L.; Marette, A.; Aluko, R.E.; Bazinet, L. Anti-diabetic and antihypertensive activities of two flaxseed protein hydrolysate fractions revealed following their simultaneous separation by electrodialysis with ultrafiltration membranes. Food Chem. 2014, 145, 66–76. [Google Scholar] [CrossRef] [PubMed]
- Suwal, S.; Roblet, C.; Doyen, A.J.; Amiot, J.; Beaulieu, L.; Legault, J.; Bazinet, L. Electrodialytic separation of peptides from snow crab by-product hydrolysate: Effect of cell configuration on peptide selectivity and local electric field. Sep. Purif. Technol. 2014, 127, 29–38. [Google Scholar] [CrossRef]
- Udenigwe, C.C.; Adebiyi, A.P.; Doyen, A.; Li, H.; Bazinet, L.; Aluko, R.E. Low molecular weight flaxseed protein-derived arginine-containing peptides reduced blood pressure of spontaneously hypertensive rats faster than amino acid form of arginine and native flaxseed protein. Food Chem. 2012, 132, 468–475. [Google Scholar] [CrossRef] [PubMed]
- Suwal, S.; Roblet, C.; Amiot, J.; Bazinet, L. Presence of free amino acids in protein hydrolysate during electroseparation of peptides: Impact on system efficiency and membrane physicochemical properties. Sep. Purif. Technol. 2015, 147, 227–236. [Google Scholar] [CrossRef]
- Koumfieg Noudou, V.Y.; Suwal, S.; Amiot, J.; Mikhaylin, S.; Beaulieu, L.; Bazinet, L. Simultaneous electroseparation of anionic and cationic peptides: Impact of feed peptide concentration on migration rate, selectivity and relative energy consumption. Sep. Purif. Technol. 2016, 157, 53–59. [Google Scholar] [CrossRef]
- Available online: https://www.ncbi.nlm.nih.gov/protein/?term=salmo+salar (accessed on 11 July 2018).
- Aider, M.; Brunet, S.; Bazinet, L. Effect of pH and cell configuration on the selective and specific electrodialytic separation of chitosan oligomers. Sep. Purif. Technol. 2008, 63, 612–619. [Google Scholar] [CrossRef]
- Girón, DN.; Sevillano, N.; Salto, R.; Haidour, A.; Manzano, M.; Jiménez, M.L.; Rueda, R.; López-Pedrosa, J.M. Salacia oblonga extract increases glucose transporter 4-mediated glucose uptake in L6 rat myotubes: Role of mangiferin. Clin. Nutr. 2009, 28, 565–574. [Google Scholar] [CrossRef]
- Zhou, G.; Myers, R.; Li, Y.; Chen, Y.; Shen, X.; Fenyk-melody, J.; Wu, M.; Ventre, J.; Doebber, T.; Fujii, NN.; et al. Role of AMP-activated protein kinase in mechanism of metformin action. J. Clin Invest. 2001, 108, 1167–1174. [Google Scholar] [CrossRef]
- Jin, T. Separation and Purification of Antidiabetic Bioactive Peptide from Salmon and Cod Waste. Available online: https://dalspace.library.dal.ca/handle/10222/37804 (accessed on 19 April 2019).
- Bargeman, G.; Koops, G.H.; Houwing, J.; Breebaart, I.; Van Der Horst, H.C.; Wessling, M. The development of electro-membrane filtration for the isolation of bioactive peptides: The effect of membrane selection and operating parameters on the transport rate. Desalination 2002, 149, 369–374. [Google Scholar] [CrossRef]
- Aider, M.; Brunet, S.; Bazinet, L. Electroseparation of chitosan oligomers by electrodialysis with ultrafiltration membrane (EDUF) and impact on electrodialytic parameters. J. Membr. Sci. 2008, 309, 222–232. [Google Scholar] [CrossRef]
- Durand, R.; Fraboulet, E.; Marette, A.; Bazinet, L. Simultaneous double cationic and anionic molecule separation from herring milt hydrolysate and impact on resulting fraction bioactivities. Sep. Purif. Technol. 2019, 210, 431–441. [Google Scholar] [CrossRef]
- Tremblay, F.; Marette, A. Amino acid and insulin signaling via the mTOR/p70 S6 kinase pathway: A negative feedback mechanism leading to insulin resistance in skeletal muscle cells. J. Biol. Chem. 2001, 276, 38052–38060. [Google Scholar] [PubMed]




| EDUF Fractions | Peptide (%) | Peptide Migration Rate (g/m2·h) | Relative Energy Consumption (Wh/g) |
|---|---|---|---|
| Unfractionated salmon protein hydrolysate (USPH) | 80.83 ± 2.14 | — | — |
| EDUF Configuration a | — | — | 512.56 ± 95.59 b |
| Cationic Final Feed Compartment (CFFC) | 67.16 ± 1.72 | — | — |
| Cationic Recovery Compartment 1 (CRC1) | 9.20 ± 2.29 | 3.19 ± 0.14 a,A | — |
| Cationic Recovery Compartment 2 (CRC2) | 1.79 ± 0.54 | 0.73 ± 0.06 b,A | — |
| Cationic Recovery Compartment 3 (CRC3) | 0.33 ± 0.19 | 0.13 ± 0.06 c,A | — |
| EDUF Configuration b | — | — | 849.71 ± 80.18 a |
| Anionic Final Feed Compartment (AFFC) | 71.88 ± 0.94 | — | — |
| Anionic Recovery Compartment 1 (ARC1) | 6.67 ± 0.7 | 2.24 ± 0.21 a,B | — |
| Anionic Recovery Compartment 2 (ARC2) | 0.37 ± 0.14 | 0.21 ± 0.06 b,B | — |
| Anionic Recovery Compartment 3 (ARC3) | 0.15 ± 0.008 | 0.01 ± 0.04 c,B | — |
| Cationic Peptide’s | Anionic Peptide’s | ||||||
|---|---|---|---|---|---|---|---|
| # | Retention Time (min) | Molecular Weight (Da) | Frequency * | # | Retention Time (min) | Molecular Weight (Da) | Frequency * |
| 1 | 6.655 | 627.3711 | 8 | 1 | 9.878 | 416.2344 | 8 |
| 2 | 8.844 | 671.3281 | 8 | 2 | 10.172 | 456.2654 | 8 |
| 3 | 12.663 | 794.4654 | 9 | 3 | 14.991 | 531.2895 | 9 |
| 4 | 13.862 | 507.2681 | 9 | 4 | 15.240 | 409.1843 | 9 |
| 5 | 13.910 | 843.4589 | 9 | 5 | 15.271 | 503.2657 | 8 |
| 6 | 13.910 | 719.4219 | 9 | 6 | 15.750 | 502.2628 | 9 |
| 7 | 13.915 | 956.5451 | 9 | 7 | 16.536 | 444.2577 | 9 |
| 8 | 14.035 | 1085.6240 | 8 | 8 | 18.710 | 869.5485 | 9 |
| 9 | 14.141 | 801.4025 | 8 | 10 | 19.019 | 502.2713 | 8 |
| 10 | 16.378 | 805.4078 | 9 | 11 | 19.783 | 407.2053 | 9 |
| 11 | 16.491 | 372.2368 | 8 | 12 | 20.905 | 515.3020 | 8 |
| 12 | 18.962 | 473.3213 | 9 | 13 | 21.399 | 407.2056 | 9 |
| 13 | 18.963 | 643.4267 | 9 | 14 | 22.346 | 458.2737 | 9 |
| 14 | 21.274 | 634.3794 | 9 | 15 | 23.048 | 494.2369 | 9 |
| 15 | 25.261 | 409.2029 | 9 | 16 | 23.091 | 542.2369 | 9 |
| 16 | 27.316 | 434.2523 | 9 | 17 | 24.073 | 431.2728 | 9 |
| 17 | 30.407 | 1014.5737 | 9 | 18 | 24.089 | 592.2850 | 9 |
| 19 | 26.698 | 829.3969 | 9 | ||||
| 20 | 26.855 | 458.2721 | 9 | ||||
| 21 | 29.435 | 660.3509 | 8 | ||||
© 2019 by the authors. Licensee MDPI, Basel, Switzerland. This article is an open access article distributed under the terms and conditions of the Creative Commons Attribution (CC BY) license (http://creativecommons.org/licenses/by/4.0/).
Share and Cite
Henaux, L.; Thibodeau, J.; Pilon, G.; Gill, T.; Marette, A.; Bazinet, L. How Charge and Triple Size-Selective Membrane Separation of Peptides from Salmon Protein Hydrolysate Orientate their Biological Response on Glucose Uptake. Int. J. Mol. Sci. 2019, 20, 1939. https://doi.org/10.3390/ijms20081939
Henaux L, Thibodeau J, Pilon G, Gill T, Marette A, Bazinet L. How Charge and Triple Size-Selective Membrane Separation of Peptides from Salmon Protein Hydrolysate Orientate their Biological Response on Glucose Uptake. International Journal of Molecular Sciences. 2019; 20(8):1939. https://doi.org/10.3390/ijms20081939
Chicago/Turabian StyleHenaux, Loïc, Jacinthe Thibodeau, Geneviève Pilon, Tom Gill, André Marette, and Laurent Bazinet. 2019. "How Charge and Triple Size-Selective Membrane Separation of Peptides from Salmon Protein Hydrolysate Orientate their Biological Response on Glucose Uptake" International Journal of Molecular Sciences 20, no. 8: 1939. https://doi.org/10.3390/ijms20081939
APA StyleHenaux, L., Thibodeau, J., Pilon, G., Gill, T., Marette, A., & Bazinet, L. (2019). How Charge and Triple Size-Selective Membrane Separation of Peptides from Salmon Protein Hydrolysate Orientate their Biological Response on Glucose Uptake. International Journal of Molecular Sciences, 20(8), 1939. https://doi.org/10.3390/ijms20081939

