Synthesis and Photocatalytic Evaluation of CoPc/g-C3N4 and CuPc/g-C3N4 Catalysts for Efficient Degradation of Chlorinated Phenols
Abstract
1. Introduction
2. Results and Discussion
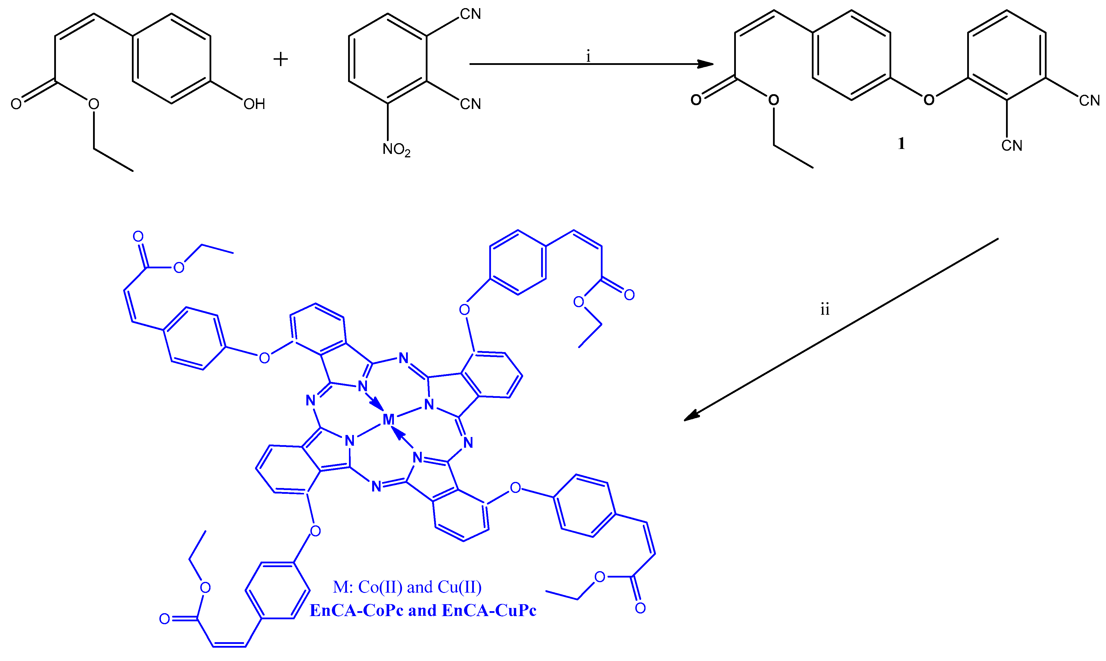
2.1. Synthesis and Characterization
2.2. Photocatalytical Studies
3. Experimental
3.1. Materials
3.2. Synthesis
3.2.1. Synthesis of Ethyl (2Z)-3-(4-(2,3-Dicyanophenoxy)phenyl)acrylate (EnpCA-CN)
3.2.2. Co(II) Phthalocyanine (EnCA-CoPc)
3.2.3. Cu(II) Phthalocyanine (EnCA-CuPc)
4. Conclusions
Supplementary Materials
Author Contributions
Funding
Institutional Review Board Statement
Informed Consent Statement
Data Availability Statement
Acknowledgments
Conflicts of Interest
References
- Yadav, S.; Kumar, S.; Haritash, A. A comprehensive review of chlorophenols: Fate, toxicology and its treatment. J. Environ. Manag. 2023, 342, 118254. [Google Scholar] [CrossRef]
- Jankowska, K.; Su, Z.; Zdarta, J.; Skiadas, I.; Woodley, J.; Pinelo, M. High performance removal of chlorophenols from an aqueous solution using an enzymatic membrane bioreactor. Environ. Pollut. 2024, 357, 124348. [Google Scholar] [CrossRef] [PubMed]
- Zada, A.; Khan, M.; Khan, M.; Khan, Q.; Habibi-Yangjeh, A.; Dang, A.; Maqbool, M. Review on the hazardous applications and photodegradation mechanisms of chlorophenols over different photocatalysts. Environ. Res. 2021, 195, 110742. [Google Scholar] [CrossRef]
- Jones, A.; Morehead, A.; Yang, Y. Degradation and Extraction of Organochlorine Pollutants from Environmental Solids under Subcritical Water Conditions. Molecules 2023, 28, 5445. [Google Scholar] [CrossRef]
- Li, S.; Liu, J.; Liu, X.; Yan, K.; Zhang, J. Nanozyme-coupled photoelectrocatalytic system based on peroxidase-mimetic BiOI cathode and WO3 photoanode for efficient degradation of 3-chlorophenol. Electrochim. Acta 2024, 484, 144058. [Google Scholar]
- Babaei, A.; Golshan, M.; Kakavandi, B. A heterogeneous photocatalytic sulfate radical-based oxidation process for efficient degradation of 4-chlorophenol using TiO2 anchored on Fe oxides@carbon. Process Saf. Environ. Prot. 2021, 149, 35–47. [Google Scholar]
- Shoneye, A.; Chang, J.; Chong, M.; Tang, J. Recent progress in photocatalytic degradation of chlorinated phenols and reduction of heavy metal ions in water by TiO2-based catalysts. Int. Mater. Rev. 2021, 67, 47–64. [Google Scholar] [CrossRef]
- Wang, M.; Ballabio, M.; Wang, M.; Lin, H.; Biswal, B.; Han, X.; Paasch, S.; Brunner, E.; Liu, P.; Chen, M.; et al. Unveiling Electronic Properties in Metal-Phthalocyanine-based Pyrazine-linked Conjugated Two-Dimensional Covalent Organic Frameworks. J. Am. Chem. Soc. 2019, 141, 16810–16816. [Google Scholar]
- Okawa, Y.; Endo, K.; Hakamata, Y.; Watanabe, S.; Yokoyama, A.; Sugimori, T.; Takagi, H.; Inamo, M. Thermal and photoinduced electron transfer reactions of phthalocyanine complexes of Zn(II) and Cu(II) in acetonitrile. Dalton Trans. 2022, 51, 15393–15402. [Google Scholar] [PubMed]
- Yalazan, H.; Akyüz, D.; Ünlüer, D.; Koca, A.; Kantekin, H.; Sancak, K. Synthesis, electrochemical and spectroelectrochemical properties of novel soluble peripheral tetra triazole substituted CoII, CuII, MnIIICl and TiIVO phthalocyanines. Polyhedron 2020, 180, 114419. [Google Scholar]
- Huu, H.; Thi, M.; Nguyen, V.; Thi, L.; Phan, T.; Hoang, Q.; Luc, H.; Kim, S.; Vo, V. One-pot synthesis of S-scheme MoS2/g-C3N4 heterojunction as effective visible light photocatalyst. Sci. Rep. 2021, 11, 14787. [Google Scholar]
- Alaghmandfard, A.; Ghandi, K. A Comprehensive Review of Graphitic Carbon Nitride (g-C3N4)–Metal Oxide-Based Nanocomposites: Potential for Photocatalysis and Sensing. Nanomaterials 2022, 12, 294. [Google Scholar]
- Yang, S.; Wu, T.; Li, K.; Huang, P.; Li, W.; Zhuo, Y.; Liu, K.; Yang, Z.; Han, D. Photocatalytic Enhancement and Recyclability in Visible-Light-Responsive 2D/2D g-C3N4/BiOI p-n Heterojunctions via a Z-Scheme Charge Transfer Mechanism. Molecules 2024, 29, 5418. [Google Scholar] [CrossRef] [PubMed]
- Xu, T.; Wang, D.; Dong, L.; Shen, H.; Lu, W.; Chen, W. Graphitic carbon nitride co-modified by zinc phthalocyanine and graphene quantum dots for the efficient photocatalytic degradation of refractory contaminants. Appl. Catal. B Environ. 2019, 244, 96–106. [Google Scholar]
- Mukhtar, S.; Szabó-Bárdos, E.; Őze, C.; Juzsakova, T.; Rácz, K.; Németh, M.; Horváth, O. g-C3N4 Modified with Metal Sulfides for Visible-Light-Driven Photocatalytic Degradation of Organic Pollutants. Molecules 2025, 30, 253. [Google Scholar] [CrossRef]
- Lin, H.; Xiao, Y.; Geng, A.; Bi, H.; Xu, X.; Xu, X.; Zhu, J. Research Progress on Graphitic Carbon Nitride/Metal Oxide Composites: Synthesis and Photocatalytic Applications. Int. J. Mol. Sci. 2022, 23, 12979. [Google Scholar] [CrossRef]
- Li, D.; Li, R.; Zeng, F.; Yan, W.; Deng, M.; Cai, S. The photoexcited electron transfer and photocatalytic mechanism of g-C3N4/TiO2 heterojunctions: Time-domain ab initio analysis. Appl. Surf. Sci. 2023, 614, 156104. [Google Scholar]
- Bera, S.; Won, D.; Rawal, S.; Kang, H.; Lee, W. Design of visible-light photocatalysts by coupling of inorganic semiconductors. Catal. Today 2019, 335, 3–19. [Google Scholar] [CrossRef]
- Krüger, K.; Wang, Y.; Tödter, S.; Debbeler, F.; Matveenko, A.; Hertl, N.; Zhou, X.; Jiang, B.; Guo, H.; Wodtke, A.; et al. Hydrogen atom collisions with a semiconductor efficiently promote electrons to the conduction band. Nat. Chem. 2022, 15, 326–331. [Google Scholar] [CrossRef]
- Chaves, A.; Azadani, J.; Alsalman, H.; Da Costa, D.; Frisenda, R.; Chaves, A.; Song, S.; Kim, Y.; He, D.; Zhou, J.; et al. Bandgap engineering of two-dimensional semiconductor materials. npj 2D Mater. Appl. 2020, 4, 29. [Google Scholar] [CrossRef]
- Li, W.; Yuan, S.; Sun, J.; Li, Q.; Jiang, W.; Cao, J. Ethyl p-coumarate exerts antifungal activity in vitro and in vivo against Alternaria alternata via membrane-targeted mechanism. Int. J. Food Microbiol. 2018, 278, 26–35. [Google Scholar]
- Mahmiani, Y.; Sevim, A.; Gül, A. Photocatalytic degradation of 4-chlorophenol under visible light by using TiO2 catalysts impregnated with Co(II) and Zn(II) phthalocyanine derivatives. J. Photochem. Photobiol. A Chem. 2016, 321, 24–32. [Google Scholar]
- Humayun, M.; Hu, Z.; Khan, A.; Cheng, W.; Yuan, Y.; Zheng, Z.; Fu, Q.; Luo, W. Highly efficient degradation of 2,4-dichlorophenol over CeO2/g-C3N4 composites under visible-light irradiation: Detailed reaction pathway and mechanism. J. Hazard. Mater. 2019, 364, 635–644. [Google Scholar]
- Cao, Z.; Jia, Y.; Wang, Q.; Cheng, H. High-efficiency photo-Fenton Fe/g-C3N4/kaolinite catalyst for tetracycline hydrochloride degradation. Appl. Clay Sci. 2021, 212, 106213. [Google Scholar] [CrossRef]
- Saka, E.T.; Bıyıklıoğlu, Z.; Kantekin, H. Microwave-assisted synthesis and characterization of Co(II) phthalocyanine and its catalytic activity on 4-nitrophenol oxidation. Turk. J. Chem. 2014, 38, 1166–1173. [Google Scholar] [CrossRef]
- Saka, E.T.; Kantekin, H.; Bıyıklıoğlu, Z. Facile synthesis of highly active Co(II) and Fe(II) phthalocyanine catalysts for aerobic oxidation of phenolic compounds. J. Coord. Chem. 2015, 68, 1132–1141. [Google Scholar] [CrossRef]
- Saka, E.T.; Çakır, D.; Bıyıklıoğlu, Z.; Kantekin, H. New soluble peripherally tetra-substituted Co(II), Fe(II) phthalocyanines: Synthesis, spectroscopic characterization and catalytic activity in cyclohexene oxidation. Dye. Pigment. 2013, 98, 255–262. [Google Scholar] [CrossRef]
- Saka, E.T.; Bıyıklıoğlu, Z.; Kantekin, H.; Kani, I. Synthesis, characterization and catalytic activity of peripherally tetra-substituted Co(II) phthalocyanines for cyclohexene oxidation. Appl. Organomet. Chem. 2013, 27, 59–67. [Google Scholar] [CrossRef]
- Saka, E.T.; Dügdü, E.; Ünver, Y. Degradation of substituted phenols with different oxygen sources catalyzed by Co(II) and Cu(II) phthalocyanine complexes. J. Coord. Chem. 2019, 72, 1589461. [Google Scholar] [CrossRef]
- Saka, E.T.; Acar, I.; Bıyıklıoğlu, Z.; Kantekin, H.; Aktas, A. Investigation of catalytic activity of new Co(II) phthalocyanine complexes in cyclohexene oxidation using different oxidants. J. Organomet. Chem. 2013, 745–746, 18–24. [Google Scholar]
- Zhou, T.; Wang, S.; Tai, M.; Du, J.; Sun, D.; Che, G.; Liu, L.; Ma, C.; Hu, B. Nitrogen-rich carbon nitride activated peroxymonosulfate for the efficient photodegradation of 2, 4-dichlorophenol: Performance and mechanism insight. Environ. Res. 2025, 275, 121406. [Google Scholar] [CrossRef] [PubMed]
- Fujishima, A.; Rao, T.N.; Tryk, D.A. Titanium dioxide photocatalysis. J. Photochem. Photobiol. C 2000, 1, 1–21. [Google Scholar] [CrossRef]
- Hoffmann, M.R.; Martin, S.T.; Choi, W.; Bahnemann, D.W. Environmental applications of semiconductor photocatalysis. Chem. Rev. 1995, 95, 69–96. [Google Scholar] [CrossRef]
- Kisch, H. Semiconductor Photocatalysis—Mechanistic and Synthetic Aspects. Angew. Chem. Int. Ed. 2013, 52, 812–847. [Google Scholar]
- Canonica, S.; Laubscher, H. Inhibitory effect of dissolved organic matter on the photochemical degradation of 4-chlorophenol. Environ. Sci. Technol. 2008, 42, 1156–1162. [Google Scholar]
- Wang, Y.; Hong, C.S. Mechanisms of the degradation of chlorophenols by UV/TiO2 process. Chemosphere 1999, 38, 273–282. [Google Scholar]
- Chen, C.; Ma, W.; Zhao, J. Semiconductor-mediated photodegradation of pollutants: A review. Chem. Soc. Rev. 2010, 39, 4206–4219. [Google Scholar] [CrossRef]
- Parsons, S. (Ed.) Advanced Oxidation Processes for Water and Wastewater Treatment; IWA Publishing: London, UK, 2004. [Google Scholar]
- Zhang, Y.; Liu, H.; Ma, J.; Qin, Q. Degradation of phenol using Fe(II)-oxone system: Kinetics and mechanism. Chem. Eng. J. 2010, 158, 569–578. [Google Scholar]
- Bae, S.; Kim, D.; Lee, W. Dechlorination of chlorophenols by NZVI in the presence of quinones. Chemosphere 2013, 91, 908–915. [Google Scholar]
- Ma, D.; Liang, F.; Xue, Q.; Liu, Y.; Zhuang, C.; Li, S. Interfacial engineering of Cd0.5Zn0.5S/BiOBr S-scheme heterojunction with oxygen vacancies for effective photocatalytic antibiotic removal. Acta Phys. Chim. Sin. 2025, 41, 100190. [Google Scholar]
- Fu, J.; Liang, F.; Zhong, W.; Kuang, T.; Yin, Z.; Li, Y.; Huang, Z.; Liu, H.; Ma, D. Enhanced catalytic degradation activity through quenching introduces Pd doping in TiO2 derived from NH2-MIL-125(Ti). Environ. Res. 2025, 285, 122387. [Google Scholar] [CrossRef]
- Ma, D.; Xue, Q.; Liu, Y.; Liang, F.; Li, W.; Liu, T.; Zhuang, C.; Zhao, Z.; Li, S. Manipulating interfacial charge redistribution in Mn0.5Cd0.5S/N-rich C3N5 S-scheme heterojunction for high-performance photocatalytic removal of emerging contaminants. J. Mater. Sci. Technol 2026, 243, 265–274. [Google Scholar] [CrossRef]
- Liu, G.; Wang, Y.; Zhou, Y.; Cao, J.; Yuan, M.; Lv, H. Phosphorous-doped g-C3N4 supported cobalt phthalocyanine for efficient CO2 reduction under visible light. Chem. Phys. 2021, 559, 112564. [Google Scholar]
- Bakhtiar, S.U.H.; Zada, A.; Raziq, F.; Ali, S.; Shah, M.I.A.; Ateeq, M.; Khan, M.; Alei, D.; Fazil, P.; Naeem, M.; et al. Zinc phthalocyanine sensitized g-C3N4 photocatalyst for exceptional photocatalytic hydrogen evolution and pollutant degradation. Int. J. Hydrogen Energy 2023, 48, 16320–16329. [Google Scholar] [CrossRef]
- Li, H.; Xu, W.; Qian, J.; Li, T. Construction of a polymeric cobalt phthalocyanine@mesoporous graphitic carbon nitride composite for efficient photocatalytic CO2 reduction. J. Mater. Chem. A 2021, 57, 6987–6990. [Google Scholar]
- Chu, C.; Li, N.; Xu, T.; Gao, F.; Qi, C.; Lu, W.; Chen, W. Polymeric iron phthalocyanine/g-C3N4 composite catalyst by mechanical force enhanced stripping and recombination for solar-induced contaminant degradation and CO2 reduction. Appl. Catal. B Environ. 2022, 305, 121119. [Google Scholar] [CrossRef]
- Sun, J.; Bian, J.; Li, J.; Zhang, Z.; Li, Z.; Qu, Y.; Bai, L.; Yang, Z.-D.; Jing, L. Efficiently photocatalytic conversion of CO2 on ultrathin metal phthalocyanine/g-C3N4 heterojunctions by promoting charge transfer and CO2 activation. Appl. Catal. B Environ. 2020, 277, 119199. [Google Scholar] [CrossRef]
- Chee, M.K.T.; Tan, T.; Li, S. Insights into zinc phthalocyanine as a photosensitizer for amorphous carbon nitride. ACS Appl. Energy Mater. 2023, 6, 1045–1055. [Google Scholar]
- Nataraj, N.; Jaihindh, D.P.; Chen, S.; Sabbah, S.; Muthusamy, S.; Devi, S.; Lin, Y.-F.; Mahalingam, A. Substitution-functionalized copper phthalocyanine (CuPc)/carbon nitride (g-C3N4) electrocatalysts for the simultaneous detection of 4-nitroaniline and nitrofurantoin. Environ. Sci. Nano 2025, 12, 3731–3746. [Google Scholar]
- Saka, E.T.; Senocak, A.; Akkol, C. Synthesis of phthalocyanine/C3N4 structures and investigation of photocatalytic activities in the oxidation reaction of 4-nitrophenol. J. Coord. Chem. 2024, 78, 31–43. [Google Scholar] [CrossRef]
- Zhang, X.; Peng, T.; Yu, L.; Li, R. Visible/near-infrared-light-induced H2 production over g-C3N4/polymeric iron phthalocyanine composites. ChemSusChem 2015, 8, 3124–3132. [Google Scholar]
- Qian, J.; Liu, Y.; Zheng, W.; Zhou, B.; Dong, X. Covalent modification of iron phthalocyanine into the skeleton of graphitic carbon nitride for enhanced visible-light photocatalytic reduction of nitroaromatic compounds. Catalysts 2022, 12, 752. [Google Scholar] [CrossRef]
- Lu, X.; Wang, Y.; Chen, L.; Zhang, Q. Enhanced visible-light degradation of 4-chlorophenol over Zn-phthalocyanine modified g-C3N4. Inorg. Chem. Commun. 2020, 118, 108019. [Google Scholar]
- Xu, J.; Zhao, S.; Li, H.; Chen, Z. Zn-tetracarboxyphthalocyanine/g-C3N4 nanofiber composites for photocatalytic degradation of chlorinated phenols under visible light. Inorg. Chem. Commun. 2016, 70, 43–48. [Google Scholar]
- Bakhtiar, S.; Khan, M.; Ullah, R.; Ali, S. Zn-phthalocyanine sensitized g-C3N4 for visible-light photocatalysis of 2,4-dichlorophenol. Inorg. Chem. Commun. 2023, 150, 110643. [Google Scholar]
- Zada, A.; Dong, Y.; Fu, X. Zinc phthalocyanine-sensitized g-C3N4 photocatalyst for enhanced visible-light degradation of chlorophenols. Appl. Catal. B Environ. 2021, 298, 120541. [Google Scholar]
- Wang, L.; Zhang, Y.; Liu, J. Cobalt phthalocyanine modified g-C3N4 for visible-light degradation of chlorophenols. J. Mol. Catal. A Chem. 2022, 432, 112736. [Google Scholar]
- Li, H.; Zhou, P.; Wu, S. Fe-phthalocyanine/CeO2 heterojunction with g-C3N4 for enhanced chlorophenol photodegradation under visible light. Dalton Trans. 2024, 53, 6123–6135. [Google Scholar]
- Khan, R.; Akhtar, M.; Nazir, R. Ni-phthalocyanine/g-C3N4 composite for visible-light assisted degradation of chlorophenols. J. Photochem. Photobiol. A Chem. 2023, 442, 114986. [Google Scholar]
- Sun, M.; Liu, Y. Advances in photocatalytic degradation of chlorophenols using phthalocyanine-modified g-C3N4 systems. RSC Adv. 2023, 13, 17248–17263. [Google Scholar]
- Czaplicka, M. Photo-degradation of chlorophenols in the aqueous solution. J. Hazard. Mater. 2006, 134, 45–59. [Google Scholar] [CrossRef] [PubMed]
- Rao, N.N.; Dubey, A.K.; Mohanty, S.; Khare, P.; Jain, R.; Kaul, S.N. Photocatalytic degradation of 2-chlorophenol: A study of kinetics, intermediates and biodegradability. J. Hazard. Mater. 2003, 101, 301–314. [Google Scholar] [CrossRef] [PubMed]
- Morales, G.V.; Sham, E.L.; Cornejo, R.; Farfan Torres, M.E. Photocatalytic degradation of 2-chlorophenol by tio2: Kinetic studies. Lat. Am. Appl. Res. 2013, 43, 325–328. [Google Scholar]














| Photocatalyst | Pollutant | Product a | Product Selectivity b (%) | Total Conversion (%) |
|---|---|---|---|---|
| EnCA-CoPc/g-C3N4 | 2-CP | 2-Chloro-1,4-BQ | 90.8 | 82.6 |
| EnCA-CuPc/g-C3N4 | 2-CP | 2-Chloro-1,4-BQ | 80.0 | 77.4 |
| EnCA-CoPc/g-C3N4 | 2,3-DCP | 2,3-Dichloro-1,4-BQ | 81.4 | 65.4 |
| EnCA-CuPc/g-C3N4 | 2,3-DCP | 2,3-Dichloro-1,4-BQ | 65.2 | 62.6 |
| EnCA-CoPc/g-C3N4 | 2,3,6-TCP | 2,3,6-Trichloro-1,4-BQ | 58.5 | 59.4 |
| EnCA-CuPc/g-C3N4 | 2,3,6-TCP | 2,3,6-Trichloro-1,4-BQ | 51.6 | 55.5 |
| g-C3N4 | 2-CP, 2,3-DCP, 2,3,6-TCP | BQ derivatives | ~65 | ≥45.0 |
| EnCA-CoPc | 2-CP, 2,3-DCP, 2,3,6-TCP | BQ derivatives | >55 | ≥65.0 |
| EnCA-CuPc | 2-CP, 2,3-DCP, 2,3,6-TCP | BQ derivatives | >50 | ≥49.0 |
| Absence of cat. | 2-CP, 2,3-DCP, 2,3,6-TCP | BQ derivatives | >25 | ≥23.0 |
| Absence of light | 2-CP, 2,3-DCP, 2,3,6-TCP | BQ derivatives | >12 | ≥15 |
| Photocatalyst System | Pollutant | Light Conditions | Degradation/Conversion Performance | Dominant Reactive Species & Mechanism (Condensed) | Ref. |
|---|---|---|---|---|---|
| ZnPc a/g-C3N4 nanocomposite | 2,4-DCP | Visible light (λ > 420 nm) | ≈85% degradation in 120 min | O2•− and h+ driven oxidation; improved charge separation | [57] |
| CoPc b/g-C3N4 composite | 2,4-DCP | Visible light (λ > 400 nm) | ≈78% degradation in 90 min | O2•− and 1O2 generation; enhanced electron transfer | [58] |
| FePc c/CeO2/g-C3N4 | 2,4-DCP | 450 nm LED | ≈90% in 100 min | Z-scheme charge transfer; h+ and O2•− dominant | [59] |
| NiPc d/g-C3N4 + H2O2 | 4-CP | Visible light (λ > 420 nm) + H2O2 | ≈80% in 60 min | •OH and O2•− mediated oxidation | [60] |
| Bare g-C3N4 e | 2,4-DCP, 4-CP | Visible light | ≈45–60% | Limited activity; h+ and O2•− primary species | [61] |
| EnCA-CoPc/g-C3N4 (this study) | 2-CP, 2,3-DCP, 2,3,6-TCP | Visible light | 82.6% conversion and 90.8% selectivity (2-CP); decreasing efficiency: 2-CP > 2,3-DCP > 2,3,6-TCP; retains 68% activity after 5 cycles | O2•− and h+ driven oxidation; π–π coupled MPc/g-C3N4 interface enhances charge separation; benzoquinone formation as major pathway | This work |
| EnCA-CuPc/g-C3N4 (this study) | 2-CP, 2,3-DCP, 2,3,6-TCP | Visible light | ≈90% pollutant removal; similar degradation order; retains 60% activity after 4 cycles | O2•− dominant radical route; improved electron transfer through Cu(II) redox centers; quinone intermediates identified | This work |
Disclaimer/Publisher’s Note: The statements, opinions and data contained in all publications are solely those of the individual author(s) and contributor(s) and not of MDPI and/or the editor(s). MDPI and/or the editor(s) disclaim responsibility for any injury to people or property resulting from any ideas, methods, instructions or products referred to in the content. |
© 2026 by the authors. Licensee MDPI, Basel, Switzerland. This article is an open access article distributed under the terms and conditions of the Creative Commons Attribution (CC BY) license.
Share and Cite
Akkol, C.; Caglar, Y.; Saka, E.T. Synthesis and Photocatalytic Evaluation of CoPc/g-C3N4 and CuPc/g-C3N4 Catalysts for Efficient Degradation of Chlorinated Phenols. Molecules 2026, 31, 213. https://doi.org/10.3390/molecules31020213
Akkol C, Caglar Y, Saka ET. Synthesis and Photocatalytic Evaluation of CoPc/g-C3N4 and CuPc/g-C3N4 Catalysts for Efficient Degradation of Chlorinated Phenols. Molecules. 2026; 31(2):213. https://doi.org/10.3390/molecules31020213
Chicago/Turabian StyleAkkol, Cagla, Yasemin Caglar, and Ece Tugba Saka. 2026. "Synthesis and Photocatalytic Evaluation of CoPc/g-C3N4 and CuPc/g-C3N4 Catalysts for Efficient Degradation of Chlorinated Phenols" Molecules 31, no. 2: 213. https://doi.org/10.3390/molecules31020213
APA StyleAkkol, C., Caglar, Y., & Saka, E. T. (2026). Synthesis and Photocatalytic Evaluation of CoPc/g-C3N4 and CuPc/g-C3N4 Catalysts for Efficient Degradation of Chlorinated Phenols. Molecules, 31(2), 213. https://doi.org/10.3390/molecules31020213

