The Enhanced Performance of NiCuOOH/NiCu(OH)2 Electrode Using Pre-Conversion Treatment for the Electrochemical Oxidation of Ammonia
Abstract
1. Introduction
2. Results and Discussion
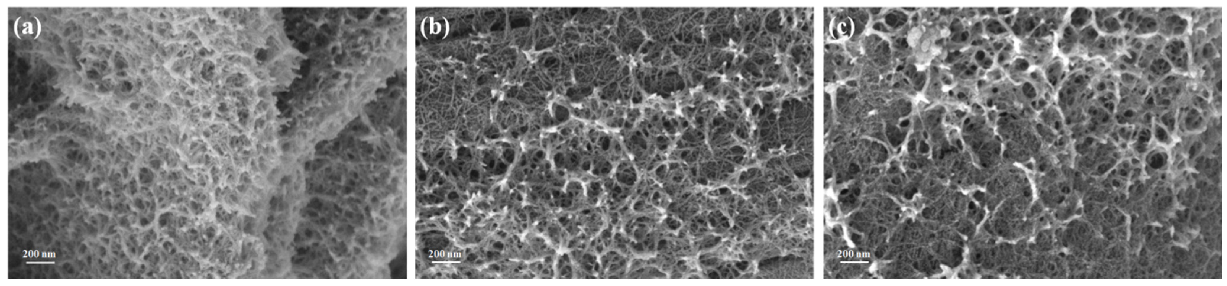
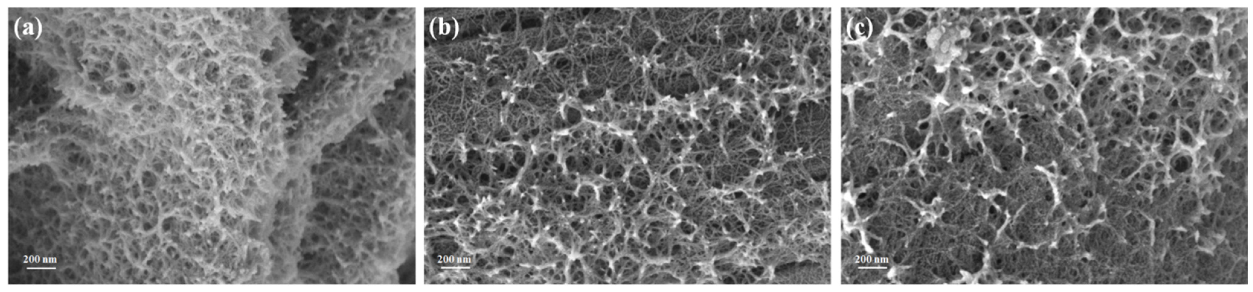
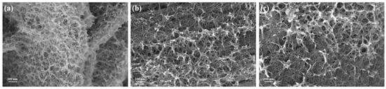
2.1. Characterization of Catalysts
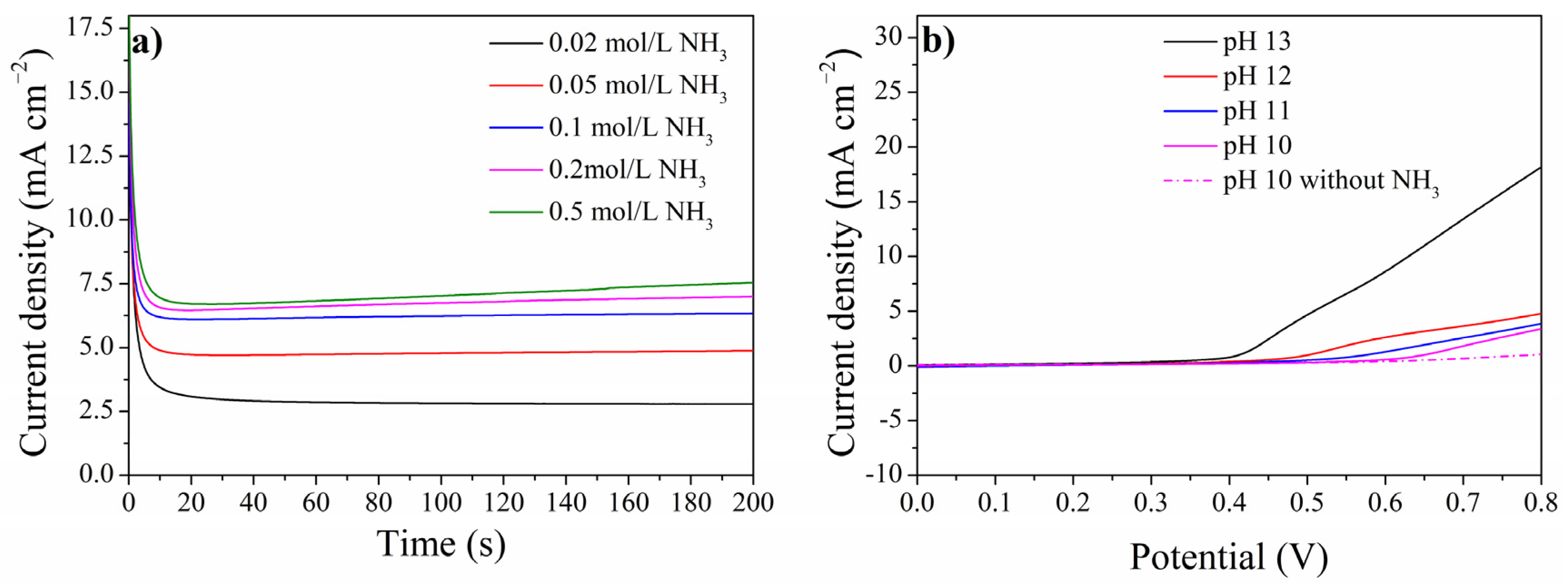
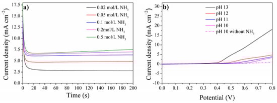
2.2. Electrochemical Performance of Samples
2.3. Ammonia Electrolysis at Different Voltages
2.4. Mechanism Investigation
2.5. Stability of NiCuOOH-1
3. Materials and Methods
3.1. Materials
3.2. Synthesis of Working Electrodes with Catalysts
3.3. Physicochemical Characterization
3.4. Electrochemical Measurements and Chemical Analysis
4. Conclusions
Supplementary Materials
Author Contributions
Funding
Data Availability Statement
Conflicts of Interest
References
- Zhang, C.; He, D.; Ma, J.; Waite, T.D. Active chlorine mediated ammonia oxidation revisited: Reaction mechanism, kinetic modelling and implications. Water Res. 2018, 145, 220–230. [Google Scholar] [CrossRef]
- Yang, L.; Jiao, Y.; Xu, X.; Pan, Y.; Su, C.; Duan, X.; Sun, H.; Liu, S.; Wang, S.; Shao, Z. Superstructures with Atomic-Level Arranged Perovskite and Oxide Layers for Advanced Oxidation with an Enhanced Non-Free Radical Pathway. ACS Sustain. Chem. Eng. 2022, 10, 1899–1909. [Google Scholar] [CrossRef]
- Xi, X.; Fan, Y.; Zhang, K.; Liu, Y.; Nie, F.; Guan, H.; Wu, J. Carbon-free sustainable energy technology: Electrocatalytic ammonia oxidation reaction. Chem. Eng. J. 2022, 435, 134818. [Google Scholar] [CrossRef]
- Rees, N.V.; Compton, R.G. Carbon-free energy: A review of ammonia- and hydrazine-based electrochemical fuel cells. Energy Environ. Sci. 2011, 4, 1255. [Google Scholar] [CrossRef]
- Tarpeh, W.A.; Barazesh, J.M.; Cath, T.Y.; Nelson, K.L. Electrochemical Stripping to Recover Nitrogen from Source-Separated Urine. Env. Sci. Technol. 2018, 52, 1453–1460. [Google Scholar] [CrossRef]
- Song, J.; Yinhai, Y.; Jia, Y.; Wang, T.; Wei, J.; Wang, M.; Zhou, S.; Li, Z.; Hou, Y.; Lei, L.; et al. Improved NH3-N conversion efficiency to N2 activated by BDD substrate on NiCu electrocatalysis process. Sep. Purif. Technol. 2021, 276, 119350. [Google Scholar] [CrossRef]
- Zollig, H.; Fritzsche, C.; Morgenroth, E.; Udert, K.M. Direct electrochemical oxidation of ammonia on graphite as a treatment option for stored source-separated urine. Water Res. 2015, 69, 284–294. [Google Scholar] [CrossRef] [PubMed]
- Barbosa, J.R.; Leon, M.N.; Fernandes, C.M.; Antoniassi, R.M.; Alves, O.C.; Ponzio, E.A.; Silva, J.C.M. PtSnO2/C and Pt/C with preferential (100) orientation: High active electrocatalysts for ammonia electro-oxidation reaction. Appl. Catal. B Environ. 2020, 264, 118458. [Google Scholar] [CrossRef]
- Liu, H.; Xu, X.; Guan, D.; Shao, Z. Minireview on the Electrocatalytic Ammonia Oxidation Reaction for Hydrogen Production and Sewage Treatment. Energy Fuels 2024, 38, 919–931. [Google Scholar] [CrossRef]
- Lee, S.A.; Lee, M.G.; Jang, H.W. Catalysts for electrochemical ammonia oxidation: Trend, challenge, and promise. Sci. China Mater. 2022, 65, 3334–3352. [Google Scholar] [CrossRef]
- Li, S.; Chen, H.; Liu, J.; Deng, Y.; Han, X.; Hu, W.; Zhong, C. Size- and Density-Controllable Fabrication of the Platinum Nanoparticle/ITO Electrode by Pulse Potential Electrodeposition for Ammonia Oxidation. ACS Appl. Mater. Interfaces 2017, 9, 27765–27772. [Google Scholar] [CrossRef] [PubMed]
- Ntais, S.; Serov, A.; Andersen, N.I.; Roy, A.J.; Cossar, E.; Allagui, A.; Lu, Z.; Cui, X.; Baranova, E.A.; Atanassov, P. Promotion of Ammonia Electrooxidation on Pt nanoparticles by Nickel Oxide Support. Electrochim. Acta 2016, 222, 1455–1463. [Google Scholar] [CrossRef]
- Assumpção, M.H.M.T.; Piasentin, R.M.; Hammer, P.; De Souza, R.F.B.; Buzzo, G.S.; Santos, M.C.; Spinacé, E.V.; Neto, A.O.; Silva, J.C.M. Oxidation of ammonia using PtRh/C electrocatalysts: Fuel cell and electrochemical evaluation. Appl. Catal. B Environ. 2015, 174–175, 136–144. [Google Scholar] [CrossRef]
- Kim, K.-W.; Kim, Y.-J.; Kim, I.-T.; Park, G.-I.; Lee, E.-H. The electrolytic decomposition mechanism of ammonia to nitrogen at an IrO2 anode. Electrochim. Acta 2005, 50, 4356–4364. [Google Scholar] [CrossRef]
- Allagui, A.; Sarfraz, S.; Ntais, S.; Al Momani, F.; Baranova, E.A. Electrochemical behavior of ammonia on Ni98Pd2 nano-structured catalyst. Int. J. Hydrogen Energy 2014, 39, 41–48. [Google Scholar] [CrossRef]
- Zhong, C.; Hu, W.B.; Cheng, Y.F. Recent advances in electrocatalysts for electro-oxidation of ammonia. J. Mater. Chem. A 2013, 1, 3216–3238. [Google Scholar] [CrossRef]
- Shih, Y.-J.; Huang, Y.-H.; Huang, C.P. In-situ electrochemical formation of nickel oxyhydroxide (NiOOH) on metallic nickel foam electrode for the direct oxidation of ammonia in aqueous solution. Electrochim. Acta 2018, 281, 410–419. [Google Scholar] [CrossRef]
- Shih, Y.-J.; Huang, Y.-H.; Huang, C.P. Electrocatalytic ammonia oxidation over a nickel foam electrode: Role of Ni(OH)2(s)-NiOOH(s) nanocatalysts. Electrochim. Acta 2018, 263, 261–271. [Google Scholar] [CrossRef]
- Kapałka, A.; Cally, A.; Neodo, S.; Comninellis, C.; Wächter, M.; Udert, K.M. Electrochemical behavior of ammonia at Ni/Ni(OH)2 electrode. Electrochem. Commun. 2010, 12, 18–21. [Google Scholar] [CrossRef]
- Siddharth, K.; Chan, Y.; Wang, L.; Shao, M. Ammonia electro-oxidation reaction: Recent development in mechanistic understanding and electrocatalyst design. Curr. Opin. Electrochem. 2018, 9, 151–157. [Google Scholar] [CrossRef]
- Wang, R.; Liu, H.; Zhang, K.; Zhang, G.; Lan, H.; Qu, J. Ni(II)/Ni(III) redox couple endows Ni foam-supported Ni2P with excellent capability for direct ammonia oxidation. Chem. Eng. J. 2021, 404, 126795. [Google Scholar] [CrossRef]
- Zhang, H.M.; Wang, Y.F.; Kwok, Y.H.; Wu, Z.C.; Xia, H.; Leung, D.Y.C. A Direct Ammonia Microfluidic Fuel Cell using NiCu Nanoparticles Supported on Carbon Nanotubes as an Electrocatalyst. ChemSusChem 2018, 11, 2889–2897. [Google Scholar] [CrossRef] [PubMed]
- Xu, W.; Du, D.; Lan, R.; Humphreys, J.; Miller, D.N.; Walker, M.; Wu, Z.; Irvine, J.T.S.; Tao, S. Electrodeposited NiCu bimetal on carbon paper as stable non-noble anode for efficient electrooxidation of ammonia. Appl. Catal. B Environ. 2018, 237, 1101–1109. [Google Scholar] [CrossRef]
- Xu, W.; Lan, R.; Du, D.; Humphreys, J.; Walker, M.; Wu, Z.; Wang, H.; Tao, S. Directly growing hierarchical nickel-copper hydroxide nanowires on carbon fibre cloth for efficient electrooxidation of ammonia. Appl. Catal. B Environ. 2017, 218, 470–479. [Google Scholar] [CrossRef]
- Zhu, M.; Yang, Y.; Xi, S.; Diao, C.; Yu, Z.; Lee, W.S.V.; Xue, J. Deciphering NH3 Adsorption Kinetics in Ternary Ni-Cu-Fe Oxyhydroxide toward Efficient Ammonia Oxidation Reaction. Small 2021, 17, e2005616. [Google Scholar] [CrossRef] [PubMed]
- Liu, Z.; Wu, M.; Ma, J. Ni–Cu–Co Grid-like Hydroxyl Oxide Ammonia Oxidation Reaction Catalyst Supported on Carbon Nanotubes. Energy Fuels 2022, 36, 10339–10345. [Google Scholar] [CrossRef]
- Jiang, X.; Ying, D.; Liu, X.; Liu, M.; Zhou, S.; Guo, C.; Zhao, G.; Wang, Y.; Jia, J. Identification of the role of Cu site in Ni-Cu hydroxide for robust and high selective electrochemical ammonia oxidation to nitrite. Electrochim. Acta 2020, 345, 136157. [Google Scholar] [CrossRef]
- Zhang, H.; Wang, H.; Zhou, L.; Li, Q.; Yang, X.; Wang, Y.; Zhang, M.; Wu, Z. Efficient and highly selective direct electrochemical oxidation of ammonia to dinitrogen facilitated by NiCu diatomic site catalysts. Appl. Catal. B Environ. 2023, 328, 122544. [Google Scholar] [CrossRef]
- Nagita, K.; Yuhara, Y.; Fujii, K.; Katayama, Y.; Nakayama, M. Ni- and Cu-co-Intercalated Layered Manganese Oxide for Highly Efficient Electro-Oxidation of Ammonia Selective to Nitrogen. ACS Appl. Mater. Interfaces 2021, 13, 28098–28107. [Google Scholar] [CrossRef]
- Hao, Y.; Li, J.; Cao, X.; Meng, L.; Wu, J.; Yang, X.; Li, Y.; Liu, Z.; Gong, M. Origin of the Universal Potential-Dependent Organic Oxidation on Nickel Oxyhydroxide. ACS Catal. 2023, 13, 2916–2927. [Google Scholar] [CrossRef]
- He, S.; Chen, Y.; Wang, M.; Nuomin, H.; Novello, P.; Li, X.; Zhu, S.; Liu, J. Metal nitride nanosheets enable highly efficient electrochemical oxidation of ammonia. Nano Energy 2021, 80, 105528. [Google Scholar] [CrossRef]
- Huang, J.; Chen, Z.; Cai, J.; Jin, Y.; Wang, T.; Wang, J. Activating copper oxide for stable electrocatalytic ammonia oxidation reaction via in-situ introducing oxygen vacancies. Nano Res. 2022, 15, 5987–5994. [Google Scholar] [CrossRef]
- Hefnawy, M.A.; Fadlallah, S.A.; El-Sherif, R.M.; Medany, S.S. Synergistic effect of Cu-doped NiO for enhancing urea electrooxidation: Comparative electrochemical and DFT studies. J. Alloys Compd. 2022, 896, 162857. [Google Scholar] [CrossRef]
- Zhou, W.Q.; Xi, B.J.; Chang, X.W.; Wang, B.; Wu, X.Q.; Li, S.; Wu, Y.P.; Li, D.S. Facile in Situ Transformation of NiOOH into MOF-74(Ni)/NiO OH Heterogeneous Composite for Enchancing Electrocatalytic Methanol Oxidation. Molecules 2022, 27, 2113. [Google Scholar] [CrossRef]
- Yoon, J.; Sim, M.; Oh, T.-S.; Yoon, Y.S.; Kim, D.-J. Flexible Electrochemical Sensor Based on NiCu(OOH) for Monitoring Urea in Human Sweat. J. Electrochem. Soc. 2021, 168, 117510. [Google Scholar] [CrossRef]
- Fu, X.-Z.; Zhu, Y.-J.; Xu, Q.-C.; Li, J.; Pan, J.-H.; Xu, J.-Q.; Lin, J.-D.; Liao, D.-W. Nickel oxyhydroxides with various oxidation states prepared by chemical oxidation of spherical β-Ni(OH)2. Solid State Ion. 2007, 178, 987–993. [Google Scholar] [CrossRef]
- Zheng, L.; Zhao, Y.; Xu, P.; Lv, Z.; Shi, X.; Zheng, H. Biomass upgrading coupled with H2 production via a nonprecious and versatile Cu-doped nickel nanotube electrocatalyst. J. Mater. Chem. A 2022, 10, 10181–10191. [Google Scholar] [CrossRef]
- Jiang, K.; Li, K.; Liu, Y.-Q.; Lin, S.; Wang, Z.; Wang, D.; Ye, Y. Nickel-cobalt nitride nanoneedle supported on nickel foam as an efficient electrocatalyst for hydrogen generation from ammonia electrolysis. Electrochim. Acta 2022, 403, 139700. [Google Scholar] [CrossRef]
- El-Nagar, G.A.; Derr, I.; Fetyan, A.; Roth, C. One-pot synthesis of a high performance chitosan-nickel oxyhydroxide nanocomposite for glucose fuel cell and electro-sensing applications. Appl. Catal. B Environ. 2017, 204, 185–199. [Google Scholar] [CrossRef]
- Zhang, M.; Zou, P.; Jeerh, G.; Sun, B.; Walker, M.; Tao, S. Oxygen Vacancy-Rich La0.5Sr1.5Ni0.9Cu0.1O4–δ as a High-Performance Bifunctional Catalyst for Symmetric Ammonia Electrolyzer. Adv. Funct. Mater. 2022, 32, 2204881. [Google Scholar] [CrossRef]
- Chinese National Standard Method GB 7493-87. Available online: https://www.gbstandards.org/GB_standard_english.asp?code=GB/T%207493-1987 (accessed on 8 May 2024).
- Chinese National Standard Method GB 11893-89. Available online: https://www.chinesestandard.net/PDF/English.aspx/GBT11893-1989 (accessed on 8 May 2024).









Disclaimer/Publisher’s Note: The statements, opinions and data contained in all publications are solely those of the individual author(s) and contributor(s) and not of MDPI and/or the editor(s). MDPI and/or the editor(s) disclaim responsibility for any injury to people or property resulting from any ideas, methods, instructions or products referred to in the content. |
© 2024 by the authors. Licensee MDPI, Basel, Switzerland. This article is an open access article distributed under the terms and conditions of the Creative Commons Attribution (CC BY) license (https://creativecommons.org/licenses/by/4.0/).
Share and Cite
Yin, X.; Wen, J.; Zhao, J.; An, R.; Zhang, R.; Xiong, Y.; Tao, Y.; Wang, L.; Liu, Y.; Zhou, H.; et al. The Enhanced Performance of NiCuOOH/NiCu(OH)2 Electrode Using Pre-Conversion Treatment for the Electrochemical Oxidation of Ammonia. Molecules 2024, 29, 2339. https://doi.org/10.3390/molecules29102339
Yin X, Wen J, Zhao J, An R, Zhang R, Xiong Y, Tao Y, Wang L, Liu Y, Zhou H, et al. The Enhanced Performance of NiCuOOH/NiCu(OH)2 Electrode Using Pre-Conversion Treatment for the Electrochemical Oxidation of Ammonia. Molecules. 2024; 29(10):2339. https://doi.org/10.3390/molecules29102339
Chicago/Turabian StyleYin, Xuejiao, Jiaxin Wen, Jujiao Zhao, Ran An, Ruolan Zhang, Yin Xiong, Yanzong Tao, Lingxin Wang, Yuhang Liu, Huanyu Zhou, and et al. 2024. "The Enhanced Performance of NiCuOOH/NiCu(OH)2 Electrode Using Pre-Conversion Treatment for the Electrochemical Oxidation of Ammonia" Molecules 29, no. 10: 2339. https://doi.org/10.3390/molecules29102339
APA StyleYin, X., Wen, J., Zhao, J., An, R., Zhang, R., Xiong, Y., Tao, Y., Wang, L., Liu, Y., Zhou, H., & Huang, Y. (2024). The Enhanced Performance of NiCuOOH/NiCu(OH)2 Electrode Using Pre-Conversion Treatment for the Electrochemical Oxidation of Ammonia. Molecules, 29(10), 2339. https://doi.org/10.3390/molecules29102339

