Polycaprolactone-Modified Biochar Supported Nanoscale Zero-Valent Iron Coupling with Shewanella putrefaciens CN32 for 1,1,1-Trichloroethane Removal from Simulated Groundwater: Synthesis, Optimization, and Mechanism
Abstract
:1. Introduction
2. Results and Discussion
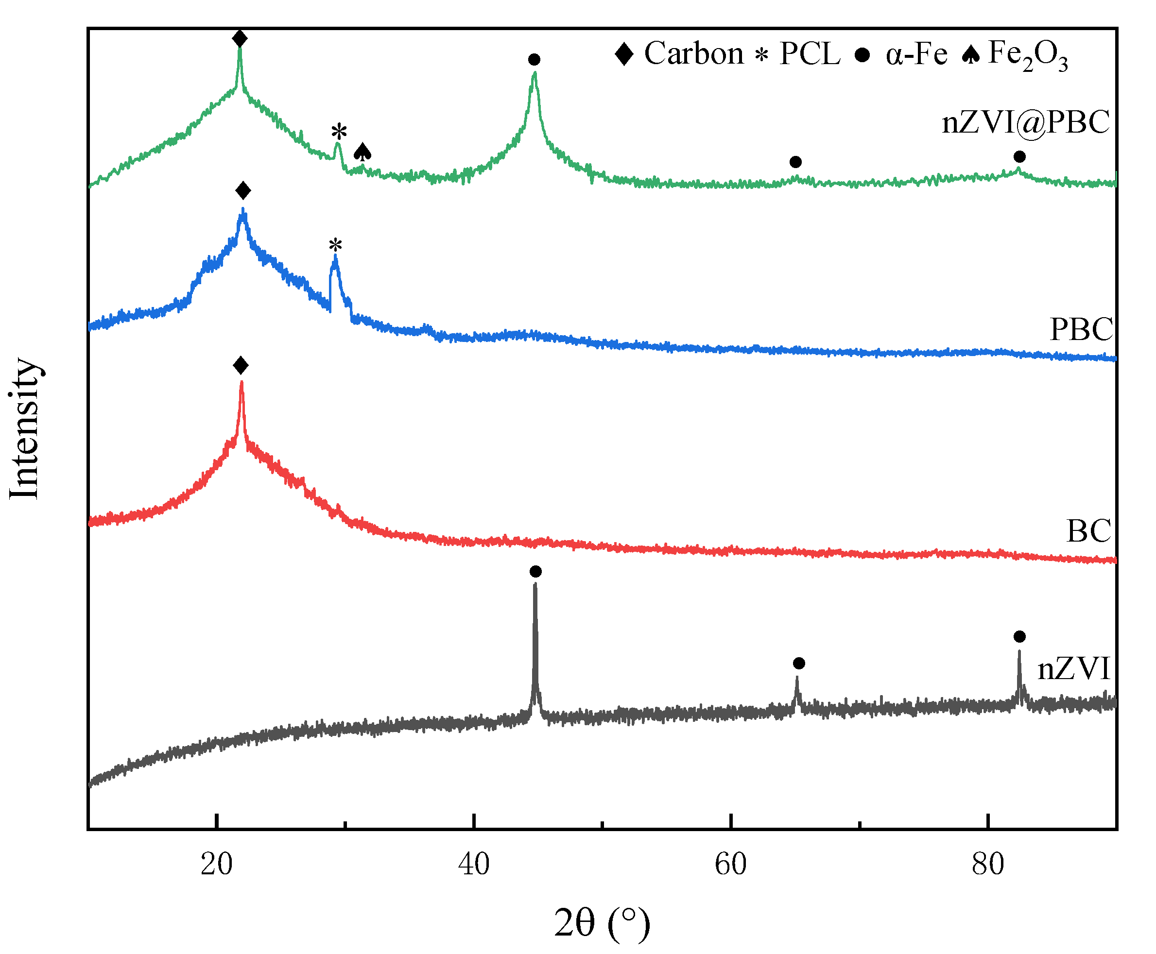
2.1. Composite Characterization
2.2. Optimization of Component Mass Fractions
2.2.1. Optimal Mass Fraction of PCL
2.2.2. Optimal Mass Fraction of nZVI
2.3. Effects of Composite Dosage on 1,1,1-TCA Removal
2.4. Effects of 1,1,1-TCA Concentration on 1,1,1-TCA Removal
2.5. Mechanism of 1,1,1-TCA Removal by nZVI@PBC Coupling with CN32
3. Material and Methods
3.1. Materials
3.2. Modification of BC with PCL
3.3. Synthesis of nZVI@PBC
3.4. Characterization
3.5. Optimization of Mass Fractions
3.6. Inoculation and Culture Condition
3.7. Batch Experiments
3.8. Analysis Methods
4. Conclusions and Implications
Supplementary Materials
Author Contributions
Funding
Institutional Review Board Statement
Informed Consent Statement
Data Availability Statement
Conflicts of Interest
References
- Fennelly, J.P.; Roberts, A.L. Reaction of 1,1,1-trichloroethane with zero-valent metals and bimetallic reductants. Environ. Sci. Technol. 1998, 32, 1980–1988. [Google Scholar] [CrossRef]
- Song, H.; Carraway, E.R. Reduction of chlorinated ethanes by nanosized zero-valentiron: Kinetics, pathways, and effects of reaction conditions. Environ. Sci. Technol. 2005, 39, 6237–6245. [Google Scholar] [CrossRef] [PubMed]
- Scheutz, C.; Durant, N.D.; Hansen, M.H.; Bjerg, P.L. Natural and enhanced anaerobic degradation of 1,1,1-trichloroethane and its degradation products in the subsurface—A critical review. Water Res. 2011, 45, 2701–2723. [Google Scholar] [CrossRef] [PubMed]
- Xin, Y.; Zhang, P.; Shen, J.; Ren, S. Development of vitamin b6-nediated biochar with nano zero-valent iron coating for oxytetracycline removal through adsorption and degradation under harsh acidic conditions. Water 2022, 14, 2734. [Google Scholar] [CrossRef]
- Li, H.; Qiu, Y.F.; Wang, X.L.; Yang, J.; Yu, Y.J.; Chen, Y.Q.; Liu, Y.D. Biochar supported Ni/Fe bimetallic nanoparticles to remove 1,1,1-trichloroethane under various reaction conditions. Chemosphere 2017, 169, 534–541. [Google Scholar] [CrossRef]
- Xiong, R.; Yu, X.; Yu, L.; Peng, Z.; Cheng, L.; Li, T.; Fan, P. Biological denitrification using polycaprolactone-peanut shell as slow-release carbon source treating drainage of municipal WWTP. Chemosphere 2019, 235, 434–439. [Google Scholar] [CrossRef]
- Jiang, L.; Wu, A.; Fang, D.; Zhang, Y.; Shen, Q.; Xu, X.; Ji, F. Denitrification performance and microbial diversity using starch-polycaprolactone blends as external solid carbon source and biofilm carriers for advanced treatment. Chemosphere 2020, 255, 126901–126911. [Google Scholar] [CrossRef]
- Ahmad, S.; Liu, X.; Tang, J.; Zhang, S. Biochar-supported nanosized zero-valent iron (nZVI/BC) composites for removal of nitro and chlorinated contaminants. Chem. Eng. J. 2022, 431, 133187–133202. [Google Scholar] [CrossRef]
- Chen, J.; Dong, H.; Tian, R.; Li, R.; Xie, Q. Remediation of trichloroethylene-contaminated groundwater by sulfide-modified nanoscale zero-valent iron supported on biochar: Investigation of critical factors. Water Air Soil Pollut. 2020, 231, 432–445. [Google Scholar] [CrossRef]
- Dong, H.; Deng, J.; Xie, Y.; Zhang, C.; Jiang, Z.; Cheng, Y.; Hou, K.; Zeng, G. Stabilization of nanoscale zero-valent iron (nZVI) with modified biochar for Cr(VI) removal from aqueous solution. J. Hazard. Mater. 2017, 332, 79–86. [Google Scholar] [CrossRef]
- Fan, J.; Liu, C.; Guo, D.; Han, L.; Zhang, C.; Jin, H. Biochar and biochar-polylactic acid composite enhance biodegradation of hexachlorobenzene in soil by altering microbial community. Appl. Soil Ecol. 2022, 177, 104521–104530. [Google Scholar] [CrossRef]
- Xie, Y.; Wang, P.; Li, P.; He, Y. Co-degradation of ofloxacin and its impact on solid phase denitrification with polycaprolactone as carbon source. Bioresour. Technol. 2022, 350, 126938–126947. [Google Scholar] [CrossRef] [PubMed]
- He, X.; Zhang, S.; Jiang, Y.; Li, M.; Yuan, J.; Wang, G. Influence mechanism of filling ratio on solid-phase denitrification with polycaprolactone as biofilm carrier. Bioresour. Technol. 2021, 337, 125401–125412. [Google Scholar] [CrossRef] [PubMed]
- Chu, L.; Wang, J. Nitrogen removal using biodegradable polymers as carbon source and biofilm carriers in a moving bed biofilm reactor. Chem. Eng. J. 2011, 170, 220–225. [Google Scholar] [CrossRef]
- Diaz, C.A.; Shah, R.K.; Evans, T.; Trabold, T.A.; Draper, K. Thermoformed containers based on starch andstarch/coffee waste biochar composites. Energies 2020, 13, 6034. [Google Scholar] [CrossRef]
- Zhao, X.; Teng, Z.; Wang, G.; Luo, W.; Guo, Y.; Ji, X.; Hu, W.; Li, M. Anaerobic syntrophic system composed of phosphate solubilizing bacteria and dissimilatory iron reducing bacteria induces cadmium immobilization via secondary mineralization. J. Hazard. Mater. 2023, 446, 130702–130713. [Google Scholar] [CrossRef]
- Li, H.; Chen, S.; Ren, L.Y.; Zhou, L.Y.; Tan, X.J.; Zhu, Y.; Belver, C.; Bedia, J.; Yang, J. Biochar mediates activation of aged nanoscale ZVI by Shewanella putrefaciens CN32 to enhance the degradation of Pentachlorophenol. Chem. Eng. J. 2019, 368, 148–156. [Google Scholar] [CrossRef]
- Zhang, F.; Xu, W.; Zhang, L.; Xi, L.; Du, Y.; Ma, L.; Chen, S.; Du, D. Riboflavin as a non-quinone redox mediator for enhanced Cr(VI) removal by Shewanella putrefaciens. J. Mol. Liq. 2022, 351, 118622–118632. [Google Scholar] [CrossRef]
- Liu, H.; Hu, M.; Zhang, H.; Wei, J. Biosynthesis of stalk biochar-nZVI and its catalytic reactivity in degradation of dyes by persulfate. Surf. Interfaces 2022, 31, 102098–102110. [Google Scholar] [CrossRef]
- Li, J.; Lin, Q.; Luo, H.; Fu, H.; Wu, L.; Chen, Y.; Ma, Y. The effect of nanoscale zero-valent iron-loaded N-doped biochar on the generation of free radicals and nonradicals by peroxydisulfate activation. J. Water Process Eng. 2022, 47, 102681–102691. [Google Scholar] [CrossRef]
- Abd El-Monaem, E.M.; Omer, A.M.; El-Subruiti, G.M.; Mohy-Eldin, M.S.; Eltaweil, A.S. Zero-valent iron supported-lemon derived biochar for ultra-fast adsorption of methylene blue. Biomass Convers. Biorefin. 2022, 48, 1–13. [Google Scholar] [CrossRef]
- Huang, X.; Niu, X.; Zhang, D.; Li, X.; Li, H.; Wang, Z.; Lin, Z.; Fu, M. Fate and mechanistic insights into nanoscale zerovalent iron (nZVI) activation of sludge derived biochar reacted with Cr(VI). J. Environ. Manag. 2022, 319, 115771. [Google Scholar] [CrossRef] [PubMed]
- Correa, E.; Moncada, M.E.; Gutiérrez, O.D.; Vargas, C.A.; Zapata, V.H. Characterization of polycaprolactone/rGO nanocomposite scaffolds obtained by electrospinning. Mater. Sci. Eng. C 2019, 103, 109773–109785. [Google Scholar] [CrossRef] [PubMed]
- Mao, W.; Zhang, L.; Zhang, Y.; Guan, Y. Simultaneous removal of arsenite and cadmium by a manganese-crosslinking sodium alginate modified biochar and zerovalent iron composite from aqueous solutions. Environ. Sci. Nano 2022, 9, 214–228. [Google Scholar] [CrossRef]
- Yu, B.Y.; Kwak, S.-Y. Assembly of magnetite nanocrystals into spherical mesoporous aggregates with a 3-D wormhole-like pore structure. J. Mater. Chem. 2010, 20, 8320–8328. [Google Scholar] [CrossRef]
- Tan, W.; Ruan, Y.; Diao, Z.; Song, G.; Su, M.; Hou, L.; Chen, D.; Kong, L.; Deng, H. Removal of levofloxacin through adsorption and peroxymonosulfate activation using carbothermal reduction synthesized nZVI/carbon fiber. Chemosphere 2021, 280, 130626–130637. [Google Scholar] [CrossRef]
- Yuan, J.-H.; Xu, R.-K.; Zhang, H. The forms of alkalis in the biochar produced from crop residues at different temperatures. Bioresour. Technol. 2011, 102, 3488–3497. [Google Scholar] [CrossRef]
- Wang, X.; Lian, W.; Sun, X.; Ma, J.; Ning, P. Immobilization of NZVI in polydopamine surface-modified biochar for adsorption and degradation of tetracycline in aqueous solution. Front. Environ. Sci. Eng. 2018, 12, 9. [Google Scholar] [CrossRef]
- Aly, A.A.; Ahmed, M.K. Fibrous scaffolds of Ag/Fe co-doped hydroxyapatite encapsulated into polycaprolactone: Morphology, mechanical and in vitro cell adhesion. Int. J. Pharm. 2021, 601, 120557–120566. [Google Scholar] [CrossRef]
- Farooq, U.; Danish, M.; Lu, S.; Naqvi, M.; Gu, X.; Fu, X.; Zhang, X.; Nasir, M. Synthesis of nZVI@reduced graphene oxide: An efficient catalyst for degradation of 1,1,1-trichloroethane (TCA) in percarbonate system. Res. Chem. Intermed. 2017, 43, 3219–3236. [Google Scholar] [CrossRef]
- Yang, Z.; Wang, X.-L.; Li, H.; Yang, J.; Zhou, L.-Y.; Liu, Y.D. Re-activation of aged-ZVI by iron-reducing bacterium Shewanella putrefaciens for enhanced reductive dechlorination of trichloroethylene. J. Chem. Technol. Biotechnol. 2017, 92, 2642–2649. [Google Scholar] [CrossRef]
- Ma, L.; Du, Y.; Chen, S.; Zhang, F.; Zhan, W.; Du, D.; Zhang, T.C. Nanoscale zero-valent iron coupling with Shewanella oneidensis MR-1 for enhanced reduction/removal of aqueous Cr(VI). Sep. Purif. Technol. 2021, 277, 119488. [Google Scholar] [CrossRef]
- Bae, S.; Lee, W. Inhibition of nZVI reactivity by magnetite during the reductive degradation of 1,1,1-TCA in nZVI/magnetite suspension. Appl. Catal. B 2010, 96, 10–17. [Google Scholar] [CrossRef]
- Xie, Y.; Dong, H.; Zeng, G.; Tang, L.; Jiang, Z.; Zhang, C.; Deng, J.; Zhang, L.; Zhang, Y. The interactions between nanoscale zero-valent iron and microbes in the subsurface environment: A review. J. Hazard. Mater. 2017, 321, 390–407. [Google Scholar] [CrossRef]
- Mandal, S.; Pu, S.; Shangguan, L.; Liu, S.; Ma, H.; Adhikari, S.; Hou, D. Synergistic construction of green tea biochar supported nZVI for immobilization of lead in soil: A mechanistic investigation. Environ. Int. 2020, 135, 105374–105387. [Google Scholar] [CrossRef]
- Tu, C.; Wei, J.; Guan, F.; Liu, Y.; Sun, Y.; Luo, Y. Biochar and bacteria inoculated biochar enhanced Cd and Cu immobilization and enzymatic activity in a polluted soil. Environ. Int. 2020, 137, 105576. [Google Scholar] [CrossRef]
- Lyu, H.; Tang, J.; Shen, B.; Siddique, T. Development of a novel chem-bio hybrid process using biochar supported nanoscale iron sulfide composite and Corynebacterium variabile HRJ4 for enhanced trichloroethylene dechlorination. Water Res. 2018, 147, 132–141. [Google Scholar] [CrossRef] [PubMed]
- Xiong, R.; Yu, X.; Zhang, Y.; Peng, Z.; Yu, L.; Cheng, L.; Li, T. Comparison of agricultural wastes and synthetic macromolecules as solid carbon source in treating low carbon nitrogen wastewater. Sci. Total Environ. 2020, 739, 139885–139892. [Google Scholar] [CrossRef] [PubMed]
- Jin, X.; Wang, F.; Gu, C.; Yang, X.; Kengara, F.O.; Bian, Y.; Song, Y.; Jiang, X. The interactive biotic and abiotic processes of DDT transformation under dissimilatory iron-reducing conditions. Chemosphere 2015, 138, 18–24. [Google Scholar] [CrossRef] [PubMed]
- Hong, Q.; Liu, C.; Wang, Z.; Li, R.; Liang, X.; Wang, Y.; Zhang, Y.; Song, Z.; Xiao, Z.; Cui, T.; et al. Electron transfer enhancing Fe(II)/Fe(III) cycle by sulfur and biochar in magnetic FeS@biochar to active peroxymonosulfate for 2,4-dichlorophenoxyacetic acid degradation. Chem. Eng. J. 2021, 417, 129238–129252. [Google Scholar] [CrossRef]
- Ji, C.; Meng, L.; Wang, H. Enhanced reductive dechlorination of 1,1,1-trichloroethane using zero-valent iron-biochar-carrageenan microspheres: Preparation and microcosm study. Environ. Sci. Pollut. Res. Int. 2019, 26, 30584–30595. [Google Scholar] [CrossRef] [PubMed]
- Aup-Ngoen, K.; Noipitak, M. Effect of carbon-rich biochar on mechanical properties of PLA-biochar composites. Sustain. Chem. Pharm. 2020, 15, 100204–100212. [Google Scholar] [CrossRef]
- Qian, L.; Liu, S.; Zhang, W.; Chen, Y.; Ouyang, D.; Han, L.; Yan, J.; Chen, M. Enhanced reduction and adsorption of hexavalent chromium by palladium and silicon rich biochar supported nanoscale zero-valent iron. J. Colloid Interface Sci. 2019, 533, 428–436. [Google Scholar] [CrossRef] [PubMed]
- Chen, M.; Xie, Z.; Yang, Y.; Gao, B.; Wang, J. Effects of Calcium on Arsenate Adsorption and Arsenate/Iron Bioreduction of Ferrihydrite in Stimulated Groundwater. Int. J. Environ. Res. Public Health 2022, 19, 3465. [Google Scholar] [CrossRef]
- Wang, W.; Dong, Q.; Qiu, H.; Li, H.; Mao, Y.; Liu, Y.; Gong, T.; Xiang, M.; Huang, Y.; Wang, C.; et al. Rapid reactivation of aged NZVI/GO by Shewanella CN32 for efficient removal of tetrabromobisphenol A and associated reaction mechanisms. J. Clean. Prod. 2022, 333, 130215–130223. [Google Scholar] [CrossRef]









| Sample | Specific Surface Area (m2·g−1) | Total Pore Volume (cm3·g−1) | Micropore Volume (cm3·g−1) | Average Pore Diameter (nm) |
|---|---|---|---|---|
| nZVI@PBC-5 | 164.97 | 0.0637 | 0.0051 | 3.762 |
| nZVI@PBC-10 | 172.33 | 0.0584 | 0.0049 | 3.917 |
| nZVI@PBC-20 | 178.25 | 0.0561 | 0.0043 | 3.811 |
| nZVI@PBC-30 | 146.39 | 0.0506 | 0.0040 | 3.542 |
Disclaimer/Publisher’s Note: The statements, opinions and data contained in all publications are solely those of the individual author(s) and contributor(s) and not of MDPI and/or the editor(s). MDPI and/or the editor(s) disclaim responsibility for any injury to people or property resulting from any ideas, methods, instructions or products referred to in the content. |
© 2023 by the authors. Licensee MDPI, Basel, Switzerland. This article is an open access article distributed under the terms and conditions of the Creative Commons Attribution (CC BY) license (https://creativecommons.org/licenses/by/4.0/).
Share and Cite
Ye, J.; Mao, Y.; Meng, L.; Li, J.; Li, X.; Xiao, L.; Zhang, Y.; Wang, F.; Deng, H. Polycaprolactone-Modified Biochar Supported Nanoscale Zero-Valent Iron Coupling with Shewanella putrefaciens CN32 for 1,1,1-Trichloroethane Removal from Simulated Groundwater: Synthesis, Optimization, and Mechanism. Molecules 2023, 28, 3145. https://doi.org/10.3390/molecules28073145
Ye J, Mao Y, Meng L, Li J, Li X, Xiao L, Zhang Y, Wang F, Deng H. Polycaprolactone-Modified Biochar Supported Nanoscale Zero-Valent Iron Coupling with Shewanella putrefaciens CN32 for 1,1,1-Trichloroethane Removal from Simulated Groundwater: Synthesis, Optimization, and Mechanism. Molecules. 2023; 28(7):3145. https://doi.org/10.3390/molecules28073145
Chicago/Turabian StyleYe, Jing, Yacen Mao, Liang Meng, Junjie Li, Xilin Li, Lishan Xiao, Ying Zhang, Fenghua Wang, and Huan Deng. 2023. "Polycaprolactone-Modified Biochar Supported Nanoscale Zero-Valent Iron Coupling with Shewanella putrefaciens CN32 for 1,1,1-Trichloroethane Removal from Simulated Groundwater: Synthesis, Optimization, and Mechanism" Molecules 28, no. 7: 3145. https://doi.org/10.3390/molecules28073145
APA StyleYe, J., Mao, Y., Meng, L., Li, J., Li, X., Xiao, L., Zhang, Y., Wang, F., & Deng, H. (2023). Polycaprolactone-Modified Biochar Supported Nanoscale Zero-Valent Iron Coupling with Shewanella putrefaciens CN32 for 1,1,1-Trichloroethane Removal from Simulated Groundwater: Synthesis, Optimization, and Mechanism. Molecules, 28(7), 3145. https://doi.org/10.3390/molecules28073145
