Nanostructured, Metal-Free Electrodes for the Oxygen Reduction Reaction Containing Nitrogen-Doped Carbon Quantum Dots and a Hydroxide Ion-Conducting Ionomer
Abstract
:1. Introduction
2. Results
2.1. X-ray Diffraction
2.2. Electrode Capacitance Measurements
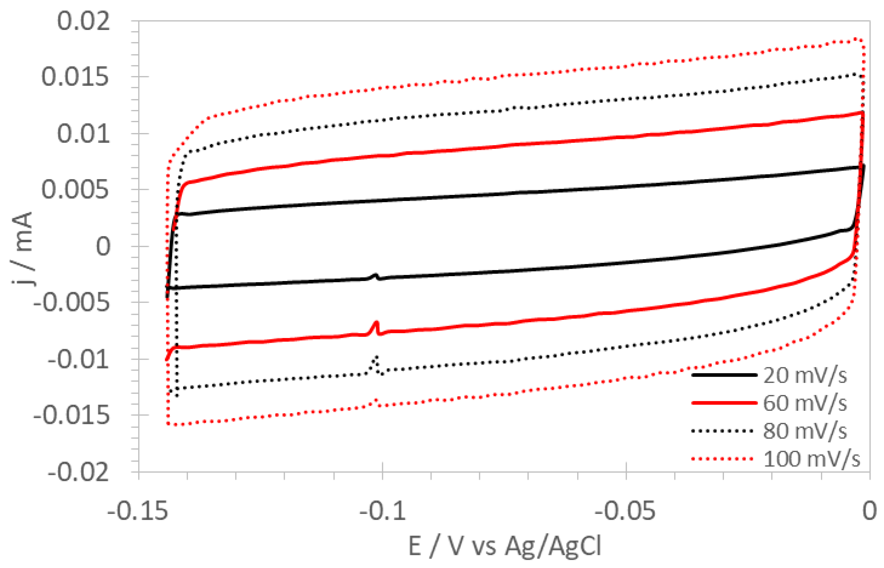
2.2.1. CV
2.2.2. Impedance Spectroscopy
2.3. Cyclovoltammetry and Linear Sweep Voltammetry of ORR
2.4. Tafel Plots
2.5. Stability Tests
2.6. FTIR Spectroscopy
3. Experimental
3.1. Materials
3.2. Synthesis
- GAH and GAH-Oct
- PSU-TMA
3.3. Electrode Fabrication
- PANI + GAH-Oct
- PSU-TMA + PANI + GAH
- PSU-TMA + PANI + GAH-Oct
3.4. Electrode Characterization
3.5. Electrochemical Measurements
4. Conclusions
Supplementary Materials
Author Contributions
Funding
Institutional Review Board Statement
Informed Consent Statement
Data Availability Statement
Acknowledgments
Conflicts of Interest
Sample Availability
References
- Babcock, G.T.; Wikstrom, M. Oxygen activation and the conservation of energy in cell respiration. Nature 1992, 356, 301–309. [Google Scholar] [CrossRef] [PubMed]
- Paganin, V.A.; Ticianelli, E.A.; Gonzalez, E.R. Development and electrochemical studies of gas diffusion electrodes for polymer electrolyte fuel cells. J. Appl. Electrochem. 1996, 26, 297–304. [Google Scholar] [CrossRef]
- Pietron, J.J.; Garsany, Y.; Baturina, O.; Swider-Lyons, K.E.; Stroud, R.M.; Ramaker, D.E.; Schull, T.L. Electrochemical observation of ligand effects on oxygen reduction at ligand-stabilized Pt nanoparticle electrocatalysts. Electrochem. Solid State Lett. 2008, 11, B161–B165. [Google Scholar] [CrossRef]
- Mitzel, J.; Arena, F.; Natter, H.; Walter, T.; Batzer, M.; Stefener, M.; Hempelmann, R. Electrodeposition of PEM fuel cell catalysts by the use of a hydrogen depolarized anode. Int. J. Hydrogen Energy 2012, 37, 6261–6267. [Google Scholar] [CrossRef]
- Shao, Y.Y.; Cheng, Y.W.; Duan, W.T.; Wang, W.; Lin, Y.H.; Wang, Y.; Liu, J. Nanostructured Electrocatalysts for PEM Fuel Cells and Redox Flow Batteries: A Selected Review. ACS Catal. 2015, 5, 7288–7298. [Google Scholar] [CrossRef]
- Coutanceau, C.; Croissant, M.J.; Napporn, T.; Lamy, C. Electrocatalytic reduction of dioxygen at platinum particles dispersed in a polyaniline film. Electrochim. Acta 2000, 46, 579–588. [Google Scholar] [CrossRef]
- Rabl, H.; Wielend, D.; Tekoglu, S.; Seelajaroen, H.; Neugebauer, H.; Heitzmann, N.; Apaydin, D.H.; Scharber, M.C.; Sariciftci, N.S. Are Polyaniline and Polypyrrole Electrocatalysts for Oxygen (O2) Reduction to Hydrogen Peroxide (H2O2)? ACS Appl. Energy Mater. 2020, 3, 10611–10618. [Google Scholar] [CrossRef]
- Kumar, S.A.; Chen, S.M. Electrocatalytic reduction of oxygen and hydrogen peroxide at poly (p-aminobenzene sulfonic acid)-modified glassy carbon electrodes. J. Mol. Catal. A-Chem. 2007, 278, 244–250. [Google Scholar] [CrossRef]
- Wu, G.; More, K.L.; Johnston, C.M.; Zelenay, P. High-Performance Electrocatalysts for Oxygen Reduction Derived from Polyaniline, Iron, and Cobalt. Science 2011, 332, 443–447. [Google Scholar] [CrossRef] [Green Version]
- Grumelli, D.; Wurster, B.; Stepanow, S.; Kern, K. Bio-inspired nanocatalysts for the oxygen reduction reaction. Nat. Commun. 2013, 4, 6. [Google Scholar] [CrossRef]
- Nunes, M.; Rocha, I.M.; Fernandes, D.M.; Mestre, A.S.; Moura, C.N.; Carvalho, A.P.; Pereira, M.F.R.; Freire, C. Sucrose-derived activated carbons: Electron transfer properties and application as oxygen reduction electrocatalysts. Rsc Adv. 2015, 5, 102919–102931. [Google Scholar] [CrossRef]
- Ma, R.G.; Lin, G.X.; Zhou, Y.; Liu, Q.; Zhang, T.; Shan, G.C.; Yang, M.H.; Wang, J.C. A review of oxygen reduction mechanisms for metal-free carbon-based electrocatalysts. NPJ Comput. Mater. 2019, 5, 15. [Google Scholar] [CrossRef] [Green Version]
- Zhu, Y.G.; Shang, C.Q.; Wang, Z.Y.; Zhang, J.Q.; Yang, M.Y.; Cheng, H.; Lu, Z.G. Co and N co-modified carbon nanotubes as efficient electrocatalyst for oxygen reduction reaction. Rare Met. 2021, 40, 90–95. [Google Scholar] [CrossRef]
- Li, C.; Zhao, D.H.; Long, H.L.; Li, M. Recent advances in carbonized non-noble metal-organic frameworks for electrochemical catalyst of oxygen reduction reaction. Rare Met. 2021, 40, 2657–2689. [Google Scholar] [CrossRef]
- Li, Q.Q.; Zhang, S.; Dai, L.M.; Li, L.S. Nitrogen-Doped Colloidal Graphene Quantum Dots and Their Size-Dependent Electrocatalytic Activity for the Oxygen Reduction Reaction. J. Am. Chem. Soc. 2012, 134, 18932–18935. [Google Scholar] [CrossRef] [PubMed]
- Artyushkova, K.; Serov, A.; Rojas-Carbonell, S.; Atanassov, P. Chemistry of Multitudinous Active Sites for Oxygen Reduction Reaction in Transition Metal-Nitrogen-Carbon Electrocatalysts. J. Phys. Chem. C 2015, 119, 25917–25928. [Google Scholar] [CrossRef]
- Palaniselvam, T.; Kashyap, V.; Bhange, S.N.; Baek, J.B.; Kurungot, S. Nanoporous Graphene Enriched with Fe/Co-N Active Sites as a Promising Oxygen Reduction Electrocatalyst for Anion Exchange Membrane Fuel Cells. Adv. Funct. Mater. 2016, 26, 2150–2162. [Google Scholar] [CrossRef]
- Tian, L.; Li, Z.; Wang, P.; Zhai, X.H.; Wang, X.; Li, T.X. Carbon quantum dots for advanced electrocatalysis. J. Energy Chem. 2021, 55, 279–294. [Google Scholar] [CrossRef]
- Wang, D.W.; Su, D.S. Heterogeneous nanocarbon materials for oxygen reduction reaction. Energy Environ. Sci. 2014, 7, 576–591. [Google Scholar] [CrossRef]
- Kordek, K.; Jiang, L.X.; Fan, K.C.; Zhu, Z.J.; Xu, L.; Al-Mamun, M.; Dou, Y.H.; Chen, S.; Liu, P.R.; Yin, H.J.; et al. Two-Step Activated Carbon Cloth with Oxygen-Rich Functional Groups as a High-Performance Additive-Free Air Electrode for Flexible Zinc-Air Batteries. Adv. Energy Mater. 2019, 9, 9. [Google Scholar] [CrossRef]
- Nallayagari, A.R.; Sgreccia, E.; Pizzoferrato, R.; Cabibbo, M.; Kaciulis, S.; Bolli, E.; Pasquini, L.; Knauth, P.; Di Vona, M.L. Tuneable properties of carbon quantum dots by different synthetic methods. J. Nanostruct. Chem. 2021. [Google Scholar] [CrossRef]
- Zhou, H.; Lin, Y.; Yu, P.; Su, L.; Mao, L. Doping polyaniline with pristine carbon nanotubes into electroactive nanocomposite in neutral and alkaline media. Electrochem. Commun. 2009, 11, 965–968. [Google Scholar] [CrossRef]
- Liu, R.L.; Wu, D.Q.; Feng, X.L.; Mullen, K. Nitrogen-Doped Ordered Mesoporous Graphitic Arrays with High Electrocatalytic Activity for Oxygen Reduction. Angew. Chem.-Int. Ed. 2010, 49, 2565–2569. [Google Scholar] [CrossRef]
- Matseke, M.S.; Munonde, T.S.; Mallick, K.; Zheng, H.T. Pd/PANI/C Nanocomposites as Electrocatalysts for Oxygen Reduction Reaction in Alkaline Media. Electrocatalysis 2019, 10, 436–444. [Google Scholar] [CrossRef]
- Kumar, S.; Ojha, A.K.; Ahmed, B.; Kumar, A.; Das, J.; Materny, A. Tunable (violet to green) emission by high-yield graphene quantum dots and exploiting its unique properties towards sun-light-driven photocatalysis and supercapacitor electrode materials. Mater. Today Commun. 2017, 11, 76–86. [Google Scholar] [CrossRef]
- Ionita, M.; Pandele, A.M.; Crica, L.E.; Obreja, A.C. Preparation and characterization of polysulfone/ammonia-functionalized graphene oxide composite membrane material. High Perform. Polym. 2016, 28, 181–188. [Google Scholar] [CrossRef]
- Pajkossy, T.; Kolb, D.M. Double layer capacitance of Pt(111) single crystal electrodes. Electrochim. Acta 2001, 46, 3063–3071. [Google Scholar] [CrossRef]
- Ji, H.X.; Zhao, X.; Qiao, Z.H.; Jung, J.; Zhu, Y.W.; Lu, Y.L.; Zhang, L.L.; MacDonald, A.H.; Ruoff, R.S. Capacitance of carbon-based electrical double-layer capacitors. Nat. Commun. 2014, 5, 7. [Google Scholar] [CrossRef]
- MacDonald, J.R. Impedance Spectroscopy: Emphasizing Solid Materials and Systems; Wiley: New York, NY, USA, 1987. [Google Scholar]
- Nyikos, L.; Pajkossy, T. Fractal dimension and fractional power frequency-dependent impedance of blocking electrodes. Electrochim. Acta 1985, 30, 1533–1540. [Google Scholar] [CrossRef]
- Ge, X.M.; Sumboja, A.; Wuu, D.; An, T.; Li, B.; Goh, F.W.T.; Hor, T.S.A.; Zong, Y.; Liu, Z.L. Oxygen Reduction in Alkaline Media: From Mechanisms to Recent Advances of Catalysts. ACS Catal. 2015, 5, 4643–4667. [Google Scholar] [CrossRef]
- Gong, K.P.; Du, F.; Xia, Z.H.; Durstock, M.; Dai, L.M. Nitrogen-Doped Carbon Nanotube Arrays with High Electrocatalytic Activity for Oxygen Reduction. Science 2009, 323, 760–764. [Google Scholar] [CrossRef] [PubMed] [Green Version]
- Bard, A.J.; Faulkner, L.R. Electrochemical Methods: Fundamentals and Applications, 2nd ed.; Wiley: New York, NY, USA, 2001. [Google Scholar]
- Wiberg, G.K.H.; Zana, A. Levich Analysis and the Apparent Potential Dependency of the Levich B Factor. Anal. Lett. 2016, 49, 2397–2404. [Google Scholar] [CrossRef]
- Davis, R.E.; Horvath, G.L.; Tobias, C.W. The solubility and diffusion coefficient of oxygen in potassium hydroxide solutions. Electrochim. Acta 1967, 12, 287–297. [Google Scholar] [CrossRef]
- Yan, W.Y.; Zheng, S.L.; Jin, W.; Peng, Z.; Wang, S.N.; Du, H.; Zhang, Y. The influence of KOH concentration, oxygen partial pressure and temperature on the oxygen reduction reaction at Pt electrodes. J. Electroanal. Chem. 2015, 741, 100–108. [Google Scholar] [CrossRef]
- Sipos, P.M.; Hefter, G.; May, P.M. Viscosities and densities of highly concentrated aqueous MOH solutions (M+ = Na+, K+, Li+, Cs+, (CH3)4N+) at 25.0 °C. J. Chem. Eng. Data 2000, 45, 613–617. [Google Scholar] [CrossRef]
- Kortüm, G. Treatise on Electrochemistry, 2nd ed.; Elsevier: Amsterdam, The Netherlands; New York, NY, USA, 1965. [Google Scholar]
- Damjanovic, A.; Genshaw, M.A.; Bockris, J.O.M. The Mechanism of Oxygen Reduction at Platinum in Alkaline Solutions with Special Reference to H2O2. J. Electrochem. Soc. 1967, 114, 1107. [Google Scholar] [CrossRef]
- Tang, J.; Jing, X.; Wang, B.; Wang, F. Infrared spectra of soluble polyaniline. Synth. Met. 1988, 24, 231–238. [Google Scholar] [CrossRef]
- Ping, Z.; Nauer, G.E.; Neugebauer, H.; Theiner, J.; Neckel, A. In situ Fourier transform infrared attenuated total reflection (FTIR-ATR) spectroscopic investigations on the base-acid transitions of leucoemeraldine. Electrochim. Acta 1997, 42, 1693–1700. [Google Scholar] [CrossRef]
- He, N.; Ni, Y.; Teng, J.; Li, H.; Yao, L.; Zhao, P. Identification of inorganic oxidizing salts in homemade explosives using Fourier transform infrared spectroscopy. Spectrochim. Acta Part A Mol. Biomol. Spectrosc. 2019, 221, 117164. [Google Scholar] [CrossRef]
- Di Vona, M.L.; Casciola, M.; Donnadio, A.; Nocchetti, M.; Pasquini, L.; Narducci, R.; Knauth, P. Anionic conducting composite membranes based on aromatic polymer and layered double hydroxides. Int. J. Hydrogen Energy 2017, 42, 3197–3205. [Google Scholar] [CrossRef]
- Di Vona, M.L.; Narducci, R.; Pasquini, L.; Pelzer, K.; Knauth, P. Anion-conducting ionomers: Study of type of functionalizing amine and macromolecular cross-linking. Int. J. Hydrogen Energy 2014, 39, 14039–14049. [Google Scholar] [CrossRef]















| Sample | C (μF) | R (Ω) | Y (μF sn−1) | m | Eonset vs. Ag/AgCl (mV) |
|---|---|---|---|---|---|
| Carbon paper | 7 | 8.7 | 9 | 0.95 | −208 |
| PANI + GAH-Oct | - | 8.1 | 370 | 0.79 | −205 |
| PSU-TMA + PANI + GAH | 430 | 7.7 | 1210 | 0.68 | −179 |
| PSU-TMA + PANI + GAH-Oct | 160 | 16.6 | 840 | 0.65 | −171 |
| PSU-TMA + PANI + GAH-Oct fibers | 130 | 12.9 | 330 | 0.72 | −182 |
| Sample | E1/2/mV | B/mV | n |
|---|---|---|---|
| Carbon paper | −410 | 87 | 2.7 |
| PSU-TMA + PANI + GAH-Oct | −345 | 76 | 3.8 |
| PSU-TMA + PANI + GAH-Oct Fibers | −340 | 73 | 4.0 |
Publisher’s Note: MDPI stays neutral with regard to jurisdictional claims in published maps and institutional affiliations. |
© 2022 by the authors. Licensee MDPI, Basel, Switzerland. This article is an open access article distributed under the terms and conditions of the Creative Commons Attribution (CC BY) license (https://creativecommons.org/licenses/by/4.0/).
Share and Cite
Nallayagari, A.R.; Sgreccia, E.; Di Vona, M.L.; Pasquini, L.; Vacandio, F.; Knauth, P. Nanostructured, Metal-Free Electrodes for the Oxygen Reduction Reaction Containing Nitrogen-Doped Carbon Quantum Dots and a Hydroxide Ion-Conducting Ionomer. Molecules 2022, 27, 1832. https://doi.org/10.3390/molecules27061832
Nallayagari AR, Sgreccia E, Di Vona ML, Pasquini L, Vacandio F, Knauth P. Nanostructured, Metal-Free Electrodes for the Oxygen Reduction Reaction Containing Nitrogen-Doped Carbon Quantum Dots and a Hydroxide Ion-Conducting Ionomer. Molecules. 2022; 27(6):1832. https://doi.org/10.3390/molecules27061832
Chicago/Turabian StyleNallayagari, Ashwini Reddy, Emanuela Sgreccia, Maria Luisa Di Vona, Luca Pasquini, Florence Vacandio, and Philippe Knauth. 2022. "Nanostructured, Metal-Free Electrodes for the Oxygen Reduction Reaction Containing Nitrogen-Doped Carbon Quantum Dots and a Hydroxide Ion-Conducting Ionomer" Molecules 27, no. 6: 1832. https://doi.org/10.3390/molecules27061832
APA StyleNallayagari, A. R., Sgreccia, E., Di Vona, M. L., Pasquini, L., Vacandio, F., & Knauth, P. (2022). Nanostructured, Metal-Free Electrodes for the Oxygen Reduction Reaction Containing Nitrogen-Doped Carbon Quantum Dots and a Hydroxide Ion-Conducting Ionomer. Molecules, 27(6), 1832. https://doi.org/10.3390/molecules27061832

