Isolation and Purification of Glucans from an Italian Cultivar of Ziziphus jujuba Mill. and In Vitro Effect on Skin Repair
Abstract
1. Introduction
2. Materials and Methods
2.1. Chemicals and Reagents
2.2. Plant Material
2.3. Extraction of Glucans
2.4. Glucan Recovery Test
2.5. Detection of Glucan Content
2.6. FT-IR Spectroscopic Analysis
2.7. Scanning Electron Microscopy
2.8. Cell Culture
2.9. Cell Viability MTT Assay
2.10. In Vitro Scratch Test
2.11. Statistical Analysis
3. Results and Discussion
3.1. Extraction of Glucans
3.2. FT-IR Spectroscopic Analysis
3.3. Detection of Glucan Content
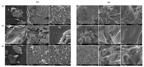
3.4. Scanning Electron Microscopy
3.5. Cell Viability
3.6. Scratch Assay
4. Conclusions
Author Contributions
Funding
Conflicts of Interest
Abbreviations
| J1 | jujube from first harvesting |
| J2 | jujube from the second harvesting |
| J3 | jujube from the third harvesting |
| MTT | 3-(4,5-dimethylthiasol-2-yl)-2,4-diphenyltetrazolium bromide |
| MWCO | Molecular Weight Cut Off |
| FT-IR | Fourier Transform Infrared Spectroscopy |
| SEM | Scanning Electron Microscopy |
| WDS | wavelength dispersive spectroscopy |
| GOPOD | glucose-oxidase/peroxidase-reagent |
| CGJ1 | crude glucans from jujubes of first harvesting |
| CGJ2 | crude glucans from jujubes of second harvesting |
| CGJ3 | crude glucans from jujubes of third harvesting |
| SGJ1 | soluble glucans from jujubes of first harvesting |
| SGJ2 | soluble glucans from jujubes of second harvesting |
| SGJ3 | soluble glucans from jujubes of third harvesting |
References
- Ghobadi, A.; Amini-Behbahani, F.; Yousefi, A.; Shirazi, M.T.; Behnoud, N. Medicinal and Nutritional Properties of Ziziphus jujuba Mill. in Traditional Persian Medicine and Modern Phytotherapy. Crescent J. Med. Biol. Sci. 2019, 6, 146–150. [Google Scholar]
- Yao, S. Past, Present, and Future of Jujubes-Chinese Dates in the United States. Am. Soc. Hortic. Sci. 2013, 48, 672–680. [Google Scholar] [CrossRef]
- Johnstone, R. Overcoming Barriers to Development of the Australian Jujube Industry; AgriFutures Australia: Wagga Wagga, Australia, 2018. [Google Scholar]
- Plastina, P.; Bonofiglio, D.; Vizza, D.; Fazio, A.; Rovito, D.; Giordano, C.; Barone, I.; Catalano, S.; Gabriele, B. Identification of bioactive constituents of Ziziphus jujube fruit extracts exerting antiproliferative and apoptotic effects in human breast cancer cells. J. Ethnopharmacol. 2012, 140, 325–332. [Google Scholar] [CrossRef]
- Plastina, P. Pharmacological Aspects of Jujubes. Pharmacologia 2016, 7, 243–255. [Google Scholar] [CrossRef][Green Version]
- Gabriele, B.; Fazio, A.; Carchedi, M.; Plastina, P. In vitro antioxidant activity of extracts of Sybaris liquorice roots from Southern Italy. Nat. Prod. Res. 2012, 26, 2176–2181. [Google Scholar] [CrossRef] [PubMed]
- Plastina, P.; Apriantini, A.; Meijerink, J.; Witkamp, R.; Gabriele, B.; Fazio, A. In Vitro Anti-Inflammatory and Radical Scavenging Properties of Chinotto (Citrus myrtifolia Raf.) Essential Oils. Nutrients 2018, 10, 783. [Google Scholar] [CrossRef] [PubMed]
- Shahrahmania, N.; Akbarib, S.A.A.; Mojabc, F.; Mirzaid, M.; Shahrahmania, H. The Effect of Zizyphus Jujube Fruit Lotion on Breast Fissure in Breastfeeding Women. Iran. J. Pharm. Res. 2018, 17, 101–109. [Google Scholar] [CrossRef]
- San, B.; Yildirim, A.N. Phenolic, alpha-tocopherol, beta-carotene and fatty acid composition of four promising jujube (Ziziphus jujuba Miller) selections. J. Food Compos. Anal. 2010, 23, 706–710. [Google Scholar] [CrossRef]
- Fustéa, N.P.; Guascha, M.; Guillenb, P.; Anerillasc, C.; Cemelia, T.; Pedrazaa, N.; Ferrezueloa, F.; Encinasc, M.; Moralejob, M.; Garía, E. Barley β-glucan accelerates wound healing by favoring migration versus proliferation of human dermal fibroblasts. Carbohydr. Polym. 2019, 210, 389–398. [Google Scholar] [CrossRef]
- Muthuramalingam, K.; Choi, S.I.; Hyun, C.; Kim, Y.M.; Cho, M. β-Glucan-Based Wet Dressing for Cutaneous Wound Healing. Adv. Wound Care 2019, 8, 125–135. [Google Scholar] [CrossRef]
- Wang, Q.; Sheng, X.; Shi, A.; Hu, H.; Yang, Y.; Liu, L.; Fei, L.; Liu, H. β-Glucans: Relationships between Modification, Conformation and Functional Activities. Molecules 2017, 22, 257. [Google Scholar] [CrossRef] [PubMed]
- Vetvicka, V.; Vetvickova, J. Physiological effects of different types of β-glucan. Biomed. Pap. Med. Fac. Univ. Palacky Olomouc Czech Repub. 2007, 151, 225–231. [Google Scholar] [CrossRef] [PubMed]
- Sletmoen, M.; Stokke, B.T. Higher Order Structure of (1,3)-β-D-Glucans and Its Influence on Their Biological Activities and Complexation Abilities. Biopolymers 2008, 89, 310–321. [Google Scholar] [CrossRef]
- Gallelli, G.; Cione, E.; Serra, R.; Leo, A.; Citraro, R.; Matricardi, P.; Di Meo, C.; Bisceglia, F.; Caroleo, M.C.; Basile, S.; et al. Nano-hydrogel embedded with quercetin and oleic acid as a new formulation in the treatment of diabetic foot ulcer: A pilot study. Int. Wound J. 2019, 1–6. [Google Scholar] [CrossRef]
- Stadelmann, W.K.; Digenis, A.G.; Tobin, G.R. Physiology and healing dynamics of chronic cutaneous wounds. Am. J. Surg. 1998, 176, 26S–38S. [Google Scholar] [CrossRef]
- Darby, I.A.; Laverdet, B.; Bonte, F.; Desmouliere, A. Fibroblasts and myofibroblasts in wound healing. Clin. Cosmet. Investig. Dermatol. 2014, 7, 301–311. [Google Scholar] [CrossRef]
- Seo, G.; Hyun, C.; Choi, S.; Kim, Y.M.; Cho, M. The wound healing effect of four types of beta-glucan. Appl. Biol. Chem. 2019, 62, 1–9. [Google Scholar] [CrossRef]
- Wei, D.; Zhang, L.; Williams, D.L.; Browder, I.W. Glucan stimulates human dermal fibroblast collagen biosynthesis through a nuclear factor-1 dependent mechanism. Wound Repair Regen. 2002, 10, 161–168. [Google Scholar] [CrossRef]
- McCleary, B.V.; Draga, A. Measurement of β-Glucan in Mushrooms and Mycelial Products. J. AOAC Int. 2016, 99, 364–373. [Google Scholar] [CrossRef]
- Fazio, A.; Iacopetta, D.; La Torre, C.; Ceramella, J.; Muià, N.; Catalano, A.; Carocci, A.; Sinicropi, M.S. Finding solutions for agricultural wastes: Antioxidant and antitumor properties of pomegranate Akko peel extracts and β-glucan recovery. Food Funct. 2018, 9, 6618–6631. [Google Scholar] [CrossRef]
- Fazio, A.; La Torre, C.; Dalena, F.; Plastina, P. Screening of glucan and pectin contents in broad bean (Vicia faba L.) pods during maturation. Eur. Food Res. Technol. 2020, 246, 333–347. [Google Scholar] [CrossRef]
- Yalçın, E.; Çelik, S.; İbanoğlu, E. Foaming properties of barley protein isolates and hydrolysates. Eur. Food Res. Technol. 2007, 226, 967–974. [Google Scholar] [CrossRef]
- Joseph, M.M.; Aravind, S.R.; Varghese, S.; Mini, S.; Sreelekha, T.T. Evaluation of antioxidant, antitumor and immunomodulatory properties of polysaccharide isolated from fruit rind of Punica granatum. Mol. Med. Rep. 2012, 5, 489–496. [Google Scholar] [CrossRef] [PubMed]
- Fazio, A.; Caroleo, M.C.; Cione, E.; Plastina, P. Novel acrylic polymers for food packaging: Synthesis and antioxidant properties. Food Packag. Shelf Life 2017, 11, 84–90. [Google Scholar] [CrossRef]
- Perri, M.; Pingitore, A.; Cione, E.; Vilardi, E.; Perrone, V.; Genchi, G. Proliferative and anti-proliferative effects of retinoic acid at doses similar to endogenous levels in Leydig MLTC-1/R2C/TM-3 cells. Biochim. Biophys. Acta 2010, 1800, 993–1001. [Google Scholar] [CrossRef] [PubMed]
- Perri, M.; Caroleo, M.C.; Cione, E. Basic Condition to Formazan Improve Sensitivity of the MTT Colorimetric Assay Dye. J. Biochem. Analyt. Stud. 2016, 1. [Google Scholar] [CrossRef]
- Perri, M.; Yap, J.L.; Fletcher, S.; Cione, E.; Kane, M.A. Therapeutic potential of Bcl-xL/Mcl-1 synthetic inhibitor JY-1-106 and retinoids for human triple-negative breast cancer treatment. Oncol. Lett. 2018, 15, 7231–7236. [Google Scholar] [CrossRef]
- Wang, Y.; Ahmed, Z.; Feng, W.; Li, C.; Song, S. Physicochemical properties of exopolysaccharide produced by Lactobacillus kefiranofaciens ZW3 isolated from Tibet kefir. Int. J. Boil. Macromol. 2008, 43, 283–288. [Google Scholar] [CrossRef]
- Ahmad, A.; Anjum, F.M.; Zahoor, T.; Nawaz, H.; Ahmed, Z. Extraction and characterization of β-D-glucan from oat for industrial utilization. Int. J. Biol. Macromol. 2010, 46, 304–309. [Google Scholar] [CrossRef]
- Kačuraková, M.; Capeka, P.; Sasinková, V.; Wellnerb, N.; Ebringerová, A. FT-IR study of plant cell wall model compounds: Pectic polysaccharides and hemicelluloses. Carbohydr. Polym. 2000, 43, 195–203. [Google Scholar] [CrossRef]
- Mikkelsen, M.S.; Jespersen, B.M.; Møller, B.L.; Lærke, H.N.; Larsen, F.H.; Engelsen, S.B. Comparative spectroscopic and rheological studies on crude and purified soluble barley and oat β-glucan preparations. Food Res. Int. 2010, 43, 2417–2424. [Google Scholar] [CrossRef]
- Limberger-Bayer, V.M.; de Francisco, A.; Chan, A.; Oro, T.; Ogliaru, P.J.; Barreto, P.L.M. Barley β-glucans extraction and partial characterization. Food Chem. 2014, 154, 84–89. [Google Scholar] [CrossRef] [PubMed]
- Majtan, J.; Jesenak, M. β-Glucans: Multi-Functional Modulator of Wound Healing. Molecules 2018, 23, 806. [Google Scholar] [CrossRef] [PubMed]
- Friedl, P.; Wolf, K. Tumour-cell invasion and migration: Diversity and escape mechanism. Nat. Rev. Cancer 2003, 3, 362–374. [Google Scholar] [CrossRef]
- Sonck, E.; Devriendt, B.; Goddeeris, B.; Cox, E. Varying effects of different β-glucans on the maturation of porcine monocyte-derived dendritic cells. Clin. Vaccine Immunol. 2011, 18, 1441–1446. [Google Scholar] [CrossRef][Green Version]
- Rahar, S.; Swami, G.; Nagpal, N.; Nagpal, M.A.; Singh, G.S. Preparation, characterization, and biological properties of β-glucans. J. Adv. Pharm. Technol. Res. 2011, 2, 94–103. [Google Scholar] [CrossRef]










| Harvesting | J1 | J2 | J3 |
|---|---|---|---|
| Length * (mm) | 19 ± 1 | 19.7 ± 0.4 | 21.2 ± 0.7 |
| Diameter * (mm) | 4.7 ± 0.5 | 6.5 ± 0.2 | 7.8 ± 0.2 |
| Harvesting period | Glucans | Recovery a (mg g−1) | Yield (%) |
|---|---|---|---|
| J1 | Crude | 13.8 ± 2.9 | 1.4 |
| Soluble | 4.7 ± 0.6 | 0.5 | |
| J2 | Crude | 28.2 ± 1.2 | 2.8 |
| Soluble | 17.8 ± 0.8 | 1.8 | |
| J3 | Crude | 38.2 ± 0.8 | 3.8 |
| Soluble | 24.4 ± 0.4 | 2.4 |
| Level (mg g−1) | ||||||||||||
|---|---|---|---|---|---|---|---|---|---|---|---|---|
| 30 | 60 | 90 | 120 | 150 | Average | |||||||
| R | CV | R | CV | R | CV | R | CV | R | CV | Rtot | CV | |
| J1 | 87 | 5 | 88 | 3 | 92 | 8 | 90 | 3 | 93 | 6 | 90 | 5 |
| J2 | 89 | 3 | 86 | 5 | 85 | 3 | 88 | 4 | 92 | 5 | 88 | 4 |
| J3 | 92 | 5 | 88 | 7 | 89 | 4 | 95 | 8 | 91 | 6 | 91 | 6 |
| Samples | Total Glucans a (mg g−1) | α-Glucans a (mg g−1) | β-Glucans a (mg g−1) |
|---|---|---|---|
| J1 | 19.5 ± 2.0 | 10.1 ± 0.5 | 9.4 ± 0.8 |
| J2 | 21.2 ± 1.3 | 9.0 ± 0.9 | 12.2 ± 0.9 |
| J3 | 26.6 ± 1.6 | 9.2 ± 0.5 | 17.4 ± 1.1 |
| Elements | Samples | |||||
|---|---|---|---|---|---|---|
| CGJ1 | SGJ1 | CGJ2 | SGJ2 | CGJ3 | SGJ3 | |
| N | 0.7 ± 0.2 | 0.6 ± 0.1 | 1.5 ± 0.2 | 1.1 ± 0.2 | 0.4 ± 0.1 | 0.4 ± 0.1 |
| C | 17.9 ± 0.4 | 36.7 ± 3.2 | 19.3 ± 1 | 33.4 ± 3 | 16.7 ± 1.7 | 23.3 ± 1.3 |
| O | 10.4 ± 0.7 | 14.4 ± 2 | 10.7 ± 1.5 | 10.5 ± 1.5 | 10.4 ± 0.7 | 11.5 ± 0.9 |
© 2020 by the authors. Licensee MDPI, Basel, Switzerland. This article is an open access article distributed under the terms and conditions of the Creative Commons Attribution (CC BY) license (http://creativecommons.org/licenses/by/4.0/).
Share and Cite
Fazio, A.; La Torre, C.; Caroleo, M.C.; Caputo, P.; Plastina, P.; Cione, E. Isolation and Purification of Glucans from an Italian Cultivar of Ziziphus jujuba Mill. and In Vitro Effect on Skin Repair. Molecules 2020, 25, 968. https://doi.org/10.3390/molecules25040968
Fazio A, La Torre C, Caroleo MC, Caputo P, Plastina P, Cione E. Isolation and Purification of Glucans from an Italian Cultivar of Ziziphus jujuba Mill. and In Vitro Effect on Skin Repair. Molecules. 2020; 25(4):968. https://doi.org/10.3390/molecules25040968
Chicago/Turabian StyleFazio, Alessia, Chiara La Torre, Maria Cristina Caroleo, Paolino Caputo, Pierluigi Plastina, and Erika Cione. 2020. "Isolation and Purification of Glucans from an Italian Cultivar of Ziziphus jujuba Mill. and In Vitro Effect on Skin Repair" Molecules 25, no. 4: 968. https://doi.org/10.3390/molecules25040968
APA StyleFazio, A., La Torre, C., Caroleo, M. C., Caputo, P., Plastina, P., & Cione, E. (2020). Isolation and Purification of Glucans from an Italian Cultivar of Ziziphus jujuba Mill. and In Vitro Effect on Skin Repair. Molecules, 25(4), 968. https://doi.org/10.3390/molecules25040968

