Microfiltration Process by Inorganic Membranes for Clarification of TongBi Liquor
Abstract
:1. Introduction
2. Results and Discussion
2.1. Effect of Membrane Type

| Sample | 0.2 μm ZrO2 | 0.05 μm ZrO2 | 0.2 μm Al2O3 | 0.05 μm Al2O3 |
|---|---|---|---|---|
| Permeate 1 | 10.09 | 10.06 | 9.53 | 9.53 |
| Permeate 2 | 9.88 | 10.21 | 10.01 | 9.88 |
| Permeate 3 | 10.51 | 9.53 | 9.88 | 10.22 |
| Permeate 4 | 12.57 | 11.88 | 11.22 | 10.66 |
| Permeate 5 | 11.21 | 10.57 | 10.88 | 10.23 |
| Permeate 6 | 11.27 | 10.55 | 10.64 | 10.51 |
| Cumulative Transmittance | 65.53 | 62.80 | 62.16 | 61.03 |
| Membranes | Permeate Flux (L·h−1·m−2) | Cumulative Transmittance (%) |
|---|---|---|
| 0.2 μm ZrO2 | 135 | 65.53 |
| 0.05 μm ZrO2 | 118 | 62.80 |
| 0.2 μm Al2O3 | 124 | 62.16 |
| 0.05 μm Al2O3 | 107 | 61.03 |
2.2. Macromolecular Materials and Total Solids Analysis
| 0.2 μm ZrO2 | 0.05 μm ZrO2 | 0.2 μm Al2O3 | 0.05 μm Al2O3 | |
|---|---|---|---|---|
| Starch (%) | 73.08 | 79.03 | 75.36 | 79.52 |
| Protein (%) | 17.71 | 20.96 | 19.57 | 22.17 |
| Pectin (%) | 53.20 | 58.80 | 52.10 | 57.53 |
| tannin (%) | 30.21 | 32.88 | 29.46 | 34.21 |
| total solid (%) | 26.01 | 29.88 | 27.23 | 31.23 |

2.3. Physico-chemical Analysis
| Sample | pH | Turbidity | Viscosity | Conductivity | Density(g·cm−3) |
|---|---|---|---|---|---|
| (NTU) | (mPa·s−1) | (s·cm−1) | |||
| raw | 4.637 | 73.20 | 1.41 | 1354 | 0.978 |
| 0.2 μm ZrO2 permeate | 4.641 | 2.29 | 1.36 | 1412 | 0.965 |
| 0.05 μm ZrO2 permeate | 4.639 | 0.56 | 1.29 | 1575 | 0.962 |
| 0.2 μm Al2O3 permeate | 4.651 | 2.13 | 1.35 | 1403 | 0.964 |
| 0.05 μm Al2O3 permeate | 4.647 | 0.55 | 1.30 | 1597 | 0.962 |
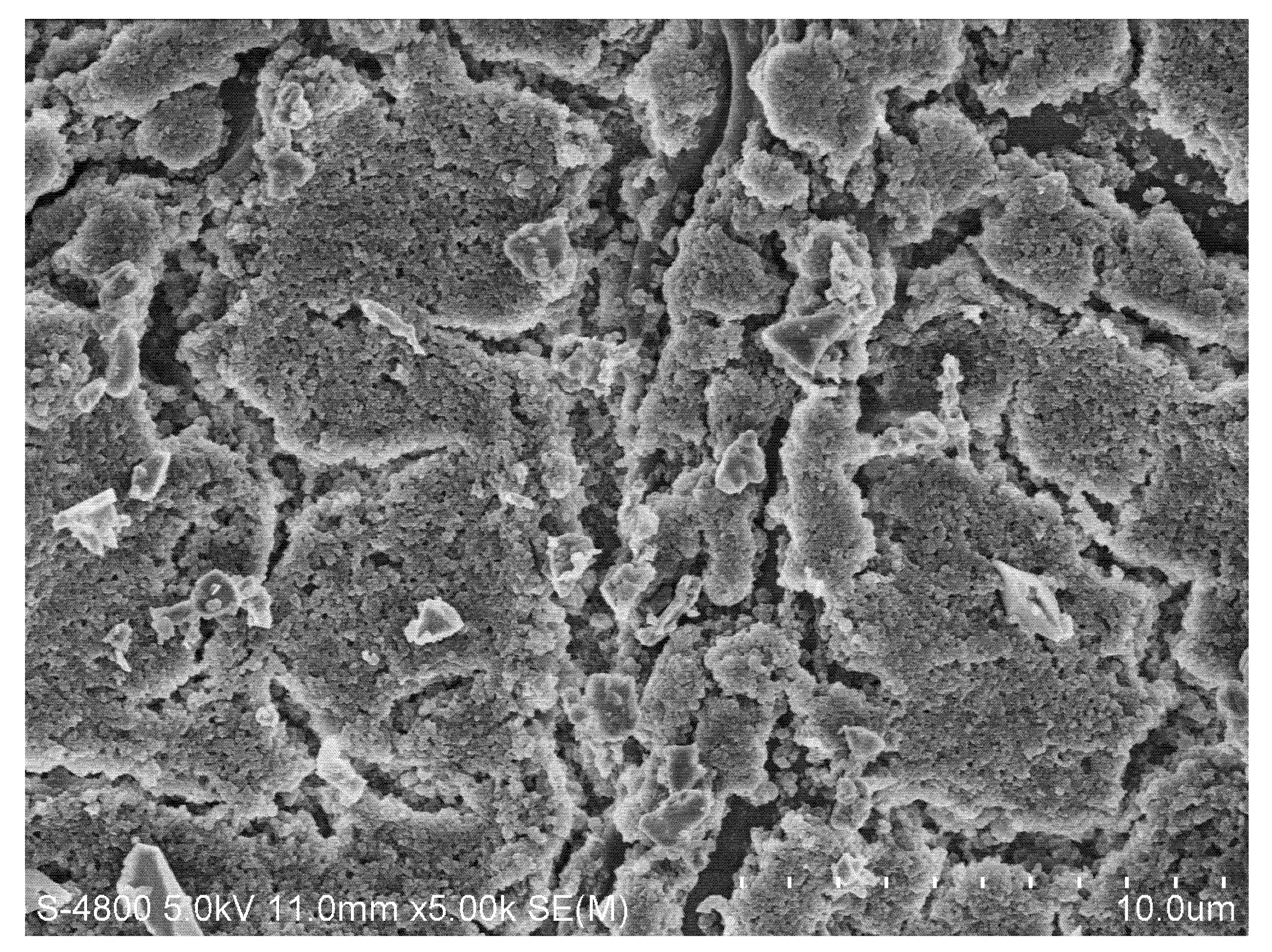
2.4. Distribution of Fouling Resistance


2.5. Ultrasonic Fields on Microfiltration





3. Experimental
3.1. Preparation of Tongbi Liquor
3.2. Cross-flow Microfiltration
3.3. Tongbi Liquor Characterization
3.3.1. Particle Size Distribution of Raw TBL
3.3.2. Indicator of the Active Ingredients
3.3.3. Physico-chemical Analysis
3.3.4. Macromolecular Materials and Total Solids Analysis
3.4. Experiments of Ultrasonic Fields on Microfiltration

3.5. Experiments of Scanning Electron Microscope
3.6. The Theory of Distribution of Fouling Resistance
4. Conclusions
Acknowledgments
- Samples Availability: Samples of the compounds ferulic acid are available from the authors.
References and Notes
- Martínez-Rodriguez, A.J.; Polo, M.C. Effect of the addition of bentonite to the tirage solution on the nitrogen composition and sensory quality of sparkling wines. Food Chem. 2003, 81, 383–388. [Google Scholar] [CrossRef]
- Main, G.L.; Morris, J.R. Color of seyval blanc juice and wine as affected by juice fining and bentonite fining during fermentation. Am. J. Enol. Viticult. 1994, 45, 417–422. [Google Scholar]
- Salazar, F.N.; De Bruijn, J.P.F.; Seminario, L.; GÜell, C.; LÓpez, F. Improvement of wine crossflow microfiltration by a new hybrid process. J. Food Eng. 2007, 79, 1329–1336. [Google Scholar]
- Zhu, D.M.; Yuan, F.Q.; Yang, C.P.; Xu, W.L. Preparative principle of ZLP and its application in the production of low alcohol liquor. Niangjiu Keji 1999, 95, 35–36, In Chinese. [Google Scholar]
- Zhang, B.Q. Some problems in the production of medicinal liqueur. Niangjiu Keji 2004, 122, 117–118, In Chinese. [Google Scholar]
- Guo, L.W.; Jin, W.Q.; Peng, G.P. Membrane isolation: A modern technique for the refinement of botanical medicine . Nanjing Zhongyiyao Daxue Xuebao (Natural Science) 2000, 16, 65–67, In Chinese. [Google Scholar]
- Coutinho, C.M.; Chiu, M.C.; Basso, R.C.; Ribeiro, A.P.B.; Gonalves, L.A.G.; Viotto, L.A. State of art of the application of membrane technology to vegetable oils: A review. Food Res. Int. 2009, 42, 536–550. [Google Scholar] [CrossRef]
- Randon, J.; Blanc, P.; Paterson, R. Modification of ceramic membrane surface using phosphoric acid and alkyl phosphonic acids and its effects on ultrafiltration of BSA protein. J. Membr. Sci. 1995, 98, 119–129. [Google Scholar]
- Geno Lehman, S.; Liu, L. Application of ceramic membranes with pre-ozonation for treatment ofsecondary wastewater effluent. Water Res. 2009, 43, 2020–2028. [Google Scholar] [CrossRef]
- Wakeman, R.J.; Smythe, M.C. Clarifying filtration of fine particle suspensions aided by electrical and acoustic field. Trans. Inst. Chem. Eng. 2000, 78, 125–135. [Google Scholar]
- Rezaei, H.; Ashtiani, F.Z.; Fouladitajar, A. Effects of operating parameters on fouling mechanism and membrane flux in cross-flow microfiltration of whey. Desalination 2011, 274, 262–271. [Google Scholar] [CrossRef]
- Sun, Y.; Fang, Q.; Dong, J.; Cheng, X.; Xu, J. Removal of fluoride from drinking water by natural stilbite zeolite modified with Fe(III). Desalination 2011, 277, 121–127. [Google Scholar] [CrossRef]
- Moulaimostefa, N.; Akoum, O.; Nedjihoui, M.; Ding, L.; Jaffrin, M. Comparison between rotating disk and vibratory membranes in the ultrafiltration of oil-in-water emulsions. Desalination 2007, 206, 494–498. [Google Scholar] [CrossRef]
- Conidi, C.; Cassano, A.; Drioli, E. A membrane-based study for the recovery of polyphenols from bergamot juice. J. Membr. Sci. 2011, 375, 182–190. [Google Scholar] [CrossRef]
- Howell, J.A.; Velicangil, D.J. Theoretical considerations of membrane fouling and its treatment with immobilized enzymes for protein ultrafiltration. J. Appl. Polym. Sci. 1982, 27, 21–32. [Google Scholar] [CrossRef]
- Gana, Q.; Howell, J.A.; Field, R.W.; England, R.; Bird, M.R.; O’Shaughnessy, C.L.; MeKechinie, M.T. Beer clarification by microfiltration—product quality control and fractionation of particles and macromolecules. J. Membr. Sci. 2001, 194, 185–196. [Google Scholar] [CrossRef]
- Guo, L.W.; Fu, T.M.; Li, L.J. Fouling mechanism of Chinese herb water extraction filtration using ceramic membrane: Ideas and methods. Mokexue Yu Jishu 2009, 26, 1–6, In Chinese. [Google Scholar]
- Belfort, G.; Davis, R.H.; Zydney, A.L. The behavior of suspensions and macro-molecular solutions in crossflow microfiltration. J. Membr. Sci. 1994, 96, 1–58. [Google Scholar] [CrossRef]
- Dal-Cin, M.M.; Mclellan, F.; Striez, C.N.; Tam, C.M.; Tweddle, T.A.; Kumar, A. Membrane performance with a pulp mill effluent: Relative contributions of fouling mechanisms. J. Membr. Sci. 1996, 120, 273–285. [Google Scholar] [CrossRef]
- Ousman, M.; Bennasar, M. Determmation of various hydraulic resistances during cross-flow filtration of a starch grain suspension through inorganic membranes. J. Membr. Sci. 1995, 105, 1–21. [Google Scholar]
- Severo, J.B., Jr.; Almeida, S.S.; Narain, N.; Souza, R.R.; Santana, J.C.C.; Tambourgi, E.B. Wine clarification from Spondias mombin L. pulp by hollow fiber membrane system. Process Biochem. 2007, 42, 1516–1520. [Google Scholar]
- Liu, Z.Z.; Xu, S.G.; Li, S.D. Membrane fouling and cleaning in UF and MF. Shuichuli Jishu 1997, 23, 187–193, In Chinese. [Google Scholar]
- Lamminen, M.O.; Walker, H.W.; Weavers, L.K. Mechanisms and factors influencing the ultrasonic cleaning of particle-fouled ceramic membranes. J. Membr. Sci. 2004, 237, 213–223. [Google Scholar] [CrossRef]
- Simon, A.; Penpenic, L.; Gondrexon, N.; Taha, S.; Dorange, G. A comparative study between classical stirred and ultrasonically-assisted dead-end ultrafiltration. Untrason. Sonochem. 2000, 7, 183–186. [Google Scholar] [CrossRef]
- Kanski, J.; Aksenova, M.; Stoyanova, A.; Butterfield, D.A. Ferulic acid antioxidant protection against hydroxyl and peroxyl radical oxidation in synaptosomal and neuronal cell culture systems in vitro: Structure-activity studies. J. Nutr. Biochem. 2002, 13, 273–281. [Google Scholar]
- Zhang, C.Y.; Li, Z.G.; Ma, X.F.; Xu, J.L.; Liu, N.Q. Determination of ferulic acid in Tongbi Yaojiu by HPLC. Zhongguo Shiyan Fangjixue Zazhi 2007, 13, 9–10, In Chinese. [Google Scholar]
- Ning, Z.X. Analysis of Food Ingredients; China Light Industry Press: Beijing, China, 1998. [Google Scholar]
- Cao, D.J.; Huang, X.M.; Liu, X.G. Indirect determination of pectin content by AAS. Anhui Nongye Daxue Xuebao 2000, 27, 202–203, In Chinese. [Google Scholar]
- China Pharmacopoeia Committee, China Pharmacopoeia; Chemical Industry Press: Beijing, China, 2010; 1. Appendix 62. In Chinese.
© 2012 by the authors; licensee MDPI, Basel, Switzerland. This article is an open-access article distributed under the terms and conditions of the Creative Commons Attribution license (http://creativecommons.org/licenses/by/3.0/).
Share and Cite
Li, B.; Huang, M.; Fu, T.; Pan, L.; Yao, W.; Guo, L. Microfiltration Process by Inorganic Membranes for Clarification of TongBi Liquor. Molecules 2012, 17, 1319-1334. https://doi.org/10.3390/molecules17021319
Li B, Huang M, Fu T, Pan L, Yao W, Guo L. Microfiltration Process by Inorganic Membranes for Clarification of TongBi Liquor. Molecules. 2012; 17(2):1319-1334. https://doi.org/10.3390/molecules17021319
Chicago/Turabian StyleLi, Bo, Minyan Huang, Tingming Fu, Linmei Pan, Weiwei Yao, and Liwei Guo. 2012. "Microfiltration Process by Inorganic Membranes for Clarification of TongBi Liquor" Molecules 17, no. 2: 1319-1334. https://doi.org/10.3390/molecules17021319
APA StyleLi, B., Huang, M., Fu, T., Pan, L., Yao, W., & Guo, L. (2012). Microfiltration Process by Inorganic Membranes for Clarification of TongBi Liquor. Molecules, 17(2), 1319-1334. https://doi.org/10.3390/molecules17021319
