PIS-Net: Efficient Medical Image Segmentation Network with Multivariate Downsampling for Point-of-Care
Abstract
1. Introduction
- We propose a Diagonal-Axial MLP as a new MLP module with windows on the diagonal axis, which uses parallel sliding windows in dual diagonal directions with partial overlap between the windows. The module sufficiently enhances the feature interactions between individual sliding windows in the channel dimension to achieve the effect of modeling global long-range dependencies, which guarantees good local feature extraction to obtain richer semantic features.
- In order to enhance the semantic and geometric information representation capabilities, we propose an HBDS. In the MLP stage of downsampling, we add a mixed downsampling branch to supplement the linear features with nonlinear features to achieve the effect of multi-scale feature fusion.
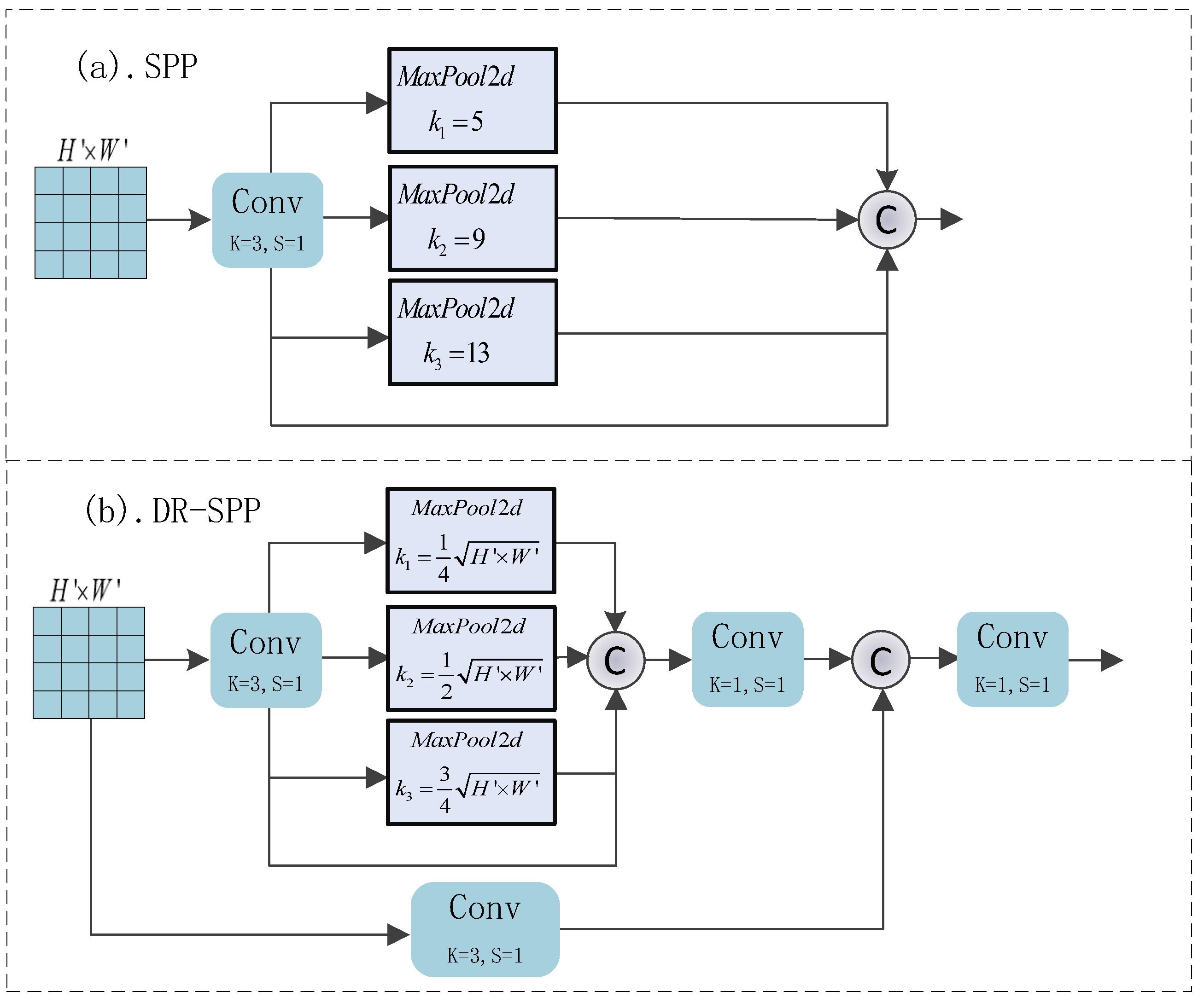
- Inspired by the parallel pooling layers in spatial pyramid pooling (SPP) [8], we construct a DR-SPP to provide various receptive fields with parallel pooling layers for the upsampling stage, which mitigates the image distortion of the MLP–CNN hybrid models.
2. Related Works
2.1. CNN-Based Models
2.2. Transformer-Based Models
2.3. Hybrid Models
3. Methodology
3.1. Overall Network Architecture
3.2. Diagonal-Axial MLP Block (DA-MLP)
3.3. Hybrid Downsampling Strategy (HBDS)
3.4. Dynamic Residual Spatial Pyramid Pooling Block (DR-SPP)
3.5. Loss Function
4. Experiments and Result Analysis
4.1. Datasets and Preprocessing
- BUSI: This dataset is derived from 600 female breast cancer patients. The images have an average pixel size of 500 × 500. To ensure experimental fairness, similar to the baseline model, only samples of the categories benign and malignant are used, resulting in a total of 647 images with a resized resolution of 256 × 256. The dataset is characterized by a small sample size, and the ultrasound images therein exhibit low contrast and uneven grayscale, leading to the presence of a substantial amount of noise.
- ISIC2018: This dataset consists of skin images containing cases and corresponding segmentation images of skin lesions, including a total of 2594 images. We resize all images to 512 × 512. The images have a relatively high resolution, which leads to significant distortion after resizing.
- MoNuSeg 2018: The training data comprise 30 images labeled with approximately 22,000 nuclear boundaries, and the test data comprise 14 images labeled with more than 7000 nuclear boundaries. In the experiment, we slice the sample images and finally obtain 1080 training set and 504 validation set images with a resolution of 256 × 256. This dataset has a diversity of characteristics because it is collected from different organs in multiple patients; at the same time, there are large differences in the size of the cells.
4.2. Comparison Methods
4.3. Implementation Details
4.4. Comparative Experiments
4.4.1. Quantitative Analysis of the Results of Comparative Experiments
4.4.2. Visualization Analysis on BUSI
4.4.3. Visualization Analysis on ISIC2018
4.4.4. Visualization Analysis on MoNuSeg
4.5. Comparative Experiments
- U-Net: The original U-Net with 64 channels in the first stage.
- Conv Stage + Tok-MLP (UNeXt): The baseline model, built upon the U-Net architecture, which replaces the fourth and fifth stages of the network with Tok-MLP blocks.
- Conv Stage + Diagonal-Axial MLP: Built upon the UNeXt architecture, the fourth and fifth stages of the network are replaced by the Diagonal-Axial MLP Block proposed by us.
- Conv Stage + Diagonal-Axial MLP + DR-SPP: While incorporating the Diagonal-Axial MLP Block, the model includes the insertion of the DR-SPP Block after the downsampling process.
- Conv Stage + Diagonal-Axial MLP + HBDS: While integrating the Diagonal-Axial MLP Block, the model also employs the hybrid downsampling strategy, wherein a parallel HBDS Block is introduced during the MLP stage of the downsampling process.
- Conv Stage + Diagonal-Axial MLP + DR-SPP + HBDS (PIS-Net): This is our model, PIS-Net, after adding all the improvements.
5. Discussion
6. Conclusions and Future Work
Author Contributions
Funding
Institutional Review Board Statement
Informed Consent Statement
Data Availability Statement
Acknowledgments
Conflicts of Interest
References
- Gubala, V.; Harris, L.F.; Ricco, A.J.; Tan, M.X.; Williams, D.E. Point of care diagnostics: Status and future. Anal. Chem. 2012, 84, 487–515. [Google Scholar] [CrossRef] [PubMed]
- Wang, C.; Liu, M.; Wang, Z.; Li, S.; Deng, Y.; He, N. Point-of-care diagnostics for infectious diseases: From methods to devices. Nano Today 2021, 37, 101092. [Google Scholar] [CrossRef] [PubMed]
- CDC Homepage. Available online: https://www.cdc.gov (accessed on 30 December 2023).
- Valanarasu, J.M.J.; Patel, V.M. Unext: Mlp-based rapid medical image segmentation network. In Proceedings of the International Conference on Medical Image Computing and Computer-Assisted Intervention, Singapore, 18–22 September 2022; Springer: Cham, Switzerland, 2022; pp. 23–33. [Google Scholar]
- Codella, N.; Rotemberg, V.; Tschandl, P.; Celebi, M.E.; Dusza, S.; Gutman, D.; Helba, B.; Kalloo, A.; Liopyris, K.; Marchetti, M.; et al. Skin lesion analysis toward melanoma detection 2018: A challenge hosted by the international skin imaging collaboration (isic). arXiv 2019, arXiv:1902.03368. [Google Scholar]
- Tschandl, P.; Rosendahl, C.; Kittler, H. The HAM10000 dataset, a large collection of multi-source dermatoscopic images of common pigmented skin lesions. Sci. Data 2018, 5, 180161. [Google Scholar] [CrossRef] [PubMed]
- Al-Dhabyani, W.; Gomaa, M.; Khaled, H.; Fahmy, A. Dataset of breast ultrasound images. Data Brief 2020, 28, 104863. [Google Scholar] [CrossRef] [PubMed]
- He, K.; Zhang, X.; Ren, S.; Sun, J. Spatial pyramid pooling in deep convolutional networks for visual recognition. IEEE Trans. Pattern Anal. Mach. Intell. 2015, 37, 1904–1916. [Google Scholar] [CrossRef] [PubMed]
- Fu, Y.; Lei, Y.; Wang, T.; Curran, W.J.; Liu, T.; Yang, X. A review of deep learning based methods for medical image multi-organ segmentation. Phys. Med. 2021, 85, 107–122. [Google Scholar] [CrossRef] [PubMed]
- Moorthy, J.; Gandhi, U.D. A Survey on Medical Image Segmentation Based on Deep Learning Techniques. Big Data Cogn. Comput. 2022, 6, 117. [Google Scholar] [CrossRef]
- Krizhevsky, A.; Sutskever, I.; Hinton, G.E. Imagenet classification with deep convolutional neural networks. Adv. Neural Inf. Process. Syst. 2012, 25, 84–90. [Google Scholar] [CrossRef]
- Vaswani, A.; Shazeer, N.; Parmar, N.; Uszkoreit, J.; Jones, L.; Gomez, A.N.; Kaiser, Ł.; Polosukhin, I. Attention is all you need. Adv. Neural Inf. Process. Syst. 2017, 30. [Google Scholar] [CrossRef]
- Long, J.; Shelhamer, E.; Darrell, T. Fully convolutional networks for semantic segmentation. In Proceedings of the IEEE Conference on Computer Vision and Pattern Recognition, Boston, MA, USA, 7–12 June 2015; pp. 3431–3440. [Google Scholar]
- Ronneberger, O.; Fischer, P.; Brox, T. U-net: Convolutional networks for biomedical image segmentation. In Proceedings of the Medical Image Computing and Computer-Assisted Intervention–MICCAI 2015: 18th International Conference, Munich, Germany, 5–9 October 2015; Proceedings, Part III 18. Springer: Cham, Switzerland, 2015; pp. 234–241. [Google Scholar]
- Zhou, Z.; Rahman Siddiquee, M.M.; Tajbakhsh, N.; Liang, J. Unet++: A nested u-net architecture for medical image segmentation. In Proceedings of the Deep Learning in Medical Image Analysis and Multimodal Learning for Clinical Decision Support: 4th International Workshop, DLMIA 2018, and 8th International Workshop, ML-CDS 2018, Held in Conjunction with MICCAI 2018, Granada, Spain, 20 September 2018; Proceedings 4. Springer: Cham, Switzerland, 2018; pp. 3–11. [Google Scholar]
- Zhang, Z.; Liu, Q.; Wang, Y. Road extraction by deep residual u-net. IEEE Geosci. Remote Sens. Lett. 2018, 15, 749–753. [Google Scholar] [CrossRef]
- Huang, H.; Lin, L.; Tong, R.; Hu, H.; Zhang, Q.; Iwamoto, Y.; Han, X.; Chen, Y.W.; Wu, J. Unet 3+: A full-scale connected unet for medical image segmentation. In Proceedings of the ICASSP 2020—2020 IEEE international Conference on Acoustics, Speech and Signal Processing (ICASSP), Barcelona, Spain, 4–8 May 2020; pp. 1055–1059. [Google Scholar]
- Hasan, M.K.; Dahal, L.; Samarakoon, P.N.; Tushar, F.I.; Martí, R. DSNet: Automatic dermoscopic skin lesion segmentation. Comput. Biol. Med. 2020, 120, 103738. [Google Scholar] [CrossRef] [PubMed]
- Tang, P.; Liang, Q.; Yan, X.; Xiang, S.; Sun, W.; Zhang, D.; Coppola, G. Efficient skin lesion segmentation using separable-Unet with stochastic weight averaging. Comput. Methods Programs Biomed. 2019, 178, 289–301. [Google Scholar] [CrossRef] [PubMed]
- Raffel, C.; Shazeer, N.; Roberts, A.; Lee, K.; Narang, S.; Matena, M.; Zhou, Y.; Li, W.; Liu, P.J. Exploring the limits of transfer learning with a unified text-to-text transformer. J. Mach. Learn. Res. 2020, 21, 5485–5551. [Google Scholar]
- Lauriola, I.; Lavelli, A.; Aiolli, F. An introduction to deep learning in natural language processing: Models, techniques, and tools. Neurocomputing 2022, 470, 443–456. [Google Scholar] [CrossRef]
- Chen, L.C.; Zhu, Y.; Papandreou, G.; Schroff, F.; Adam, H. Encoder-decoder with atrous separable convolution for semantic image segmentation. In Proceedings of the European conference on computer vision (ECCV), Munich, Germany, 8–14 September 2018; pp. 801–818. [Google Scholar]
- Chen, J.; Lu, Y.; Yu, Q.; Luo, X.; Adeli, E.; Wang, Y.; Lu, L.; Yuille, A.L.; Zhou, Y. Transunet: Transformers make strong encoders for medical image segmentation. arXiv 2021, arXiv:2102.04306. [Google Scholar]
- Valanarasu, J.M.J.; Oza, P.; Hacihaliloglu, I.; Patel, V.M. Medical transformer: Gated axial-attention for medical image segmentation. In Proceedings of the Medical Image Computing and Computer Assisted Intervention–MICCAI 2021: 24th International Conference, Strasbourg, France, 27 September–1 October 2021; Proceedings, Part I 24. Springer: Cham, Switzerland, 2021; pp. 36–46. [Google Scholar]
- Wang, W.; Chen, C.; Ding, M.; Yu, H.; Zha, S.; Li, J. Transbts: Multimodal brain tumor segmentation using transformer. In Proceedings of the Medical Image Computing and Computer Assisted Intervention–MICCAI 2021: 24th International Conference, Strasbourg, France, 27 September–1 October 2021; Proceedings, Part I 24. Springer: Cham, Switzerland, 2021; pp. 109–119. [Google Scholar]
- Hatamizadeh, A.; Tang, Y.; Nath, V.; Yang, D.; Myronenko, A.; Landman, B.; Roth, H.R.; Xu, D. Unetr: Transformers for 3d medical image segmentation. In Proceedings of the IEEE/CVF Winter Conference on Applications of Computer Vision, Waikoloa, HI, USA, 3–8 January 2022; pp. 574–584. [Google Scholar]
- Xu, G.; Li, J.; Gao, G.; Lu, H.; Yang, J.; Yue, D. Lightweight Real-Time Semantic Segmentation Network With Efficient Transformer and CNN. IEEE Trans. Intell. Transp. Syst. 2023, 24, 15897–15906. [Google Scholar] [CrossRef]
- Yuan, F.; Zhang, Z.; Fang, Z. An effective CNN and Transformer complementary network for medical image segmentation. Pattern Recognit. 2023, 136, 109228. [Google Scholar] [CrossRef]
- Li, Z.; Zheng, Y.; Shan, D.; Yang, S.; Li, Q.; Wang, B.; Zhang, Y.; Hong, Q.; Shen, D. Scribformer: Transformer makes cnn work better for scribble-based medical image segmentation. IEEE Trans. Med. Imaging 2024. [CrossRef]
- Cao, H.; Wang, Y.; Chen, J.; Jiang, D.; Zhang, X.; Tian, Q.; Wang, M. Swin-unet: Unet-like pure transformer for medical image segmentation. In Proceedings of the European Conference on Computer Vision, Tel Aviv, Israel, 23–27 October 2022; Springer: Cham, Switzerland, 2022; pp. 205–218. [Google Scholar]
- Zhang, X.; Cao, X.; Wang, J.; Wan, L. G-UNeXt: A lightweight MLP-based network for reducing semantic gap in medical image segmentation. Multimed. Syst. 2023, 29, 3431–3446. [Google Scholar] [CrossRef]
- Chan, S.; Huang, C.; Bai, C.; Ding, W.; Chen, S. Res2-UNeXt: A novel deep learning framework for few-shot cell image segmentation. Multimed. Tools Appl. 2022, 81, 13275–13288. [Google Scholar] [CrossRef]
- Xie, E.; Wang, W.; Yu, Z.; Anandkumar, A.; Alvarez, J.M.; Luo, P. SegFormer: Simple and efficient design for semantic segmentation with transformers. Adv. Neural Inf. Process. Syst. 2021, 34, 12077–12090. [Google Scholar]
- Wang, C.Y.; Bochkovskiy, A.; Liao, H.Y.M. YOLOv7: Trainable bag-of-freebies sets new state-of-the-art for real-time object detectors. In Proceedings of the IEEE/CVF Conference on Computer Vision and Pattern Recognition, Vancouver, BC, Canada, 17–24 June 2023; pp. 7464–7475. [Google Scholar]
- Yu, Z.; Yu, L.; Zheng, W.; Wang, S. EIU-Net: Enhanced feature extraction and improved skip connections in U-Net for skin lesion segmentation. Comput. Biol. Med. 2023, 162, 107081. [Google Scholar] [CrossRef] [PubMed]
- Kumar, N.; Verma, R.; Anand, D.; Zhou, Y.; Onder, O.F.; Tsougenis, E.; Chen, H.; Heng, P.A.; Li, J.; Hu, Z.; et al. A multi-organ nucleus segmentation challenge. IEEE Trans. Med. Imaging 2019, 39, 1380–1391. [Google Scholar] [CrossRef]
- Kumar, N.; Verma, R.; Sharma, S.; Bhargava, S.; Vahadane, A.; Sethi, A. A dataset and a technique for generalized nuclear segmentation for computational pathology. IEEE Trans. Med. Imaging 2017, 36, 1550–1560. [Google Scholar] [CrossRef]











| Method | Params (in M) | Inference Speed (in ms) | GFLOPs | BUSI | ISIC2018 | MoNuSeg | |||
|---|---|---|---|---|---|---|---|---|---|
| IoU | Dice | IoU | Dice | IoU | Dice | ||||
| U-Net | 31.13 | 223 | 55.84 | 63.85 | 76.35 | 74.55 | 84.03 | 65.99 | 79.43 |
| U-Net++ | 9.16 | 173 | 34.65 | 64.33 | 77.54 | 75.12 | 84.96 | 66.04 | 79.49 |
| ResU-Net | 62.74 | 333 | 94.56 | 64.89 | 77.71 | 75.62 | 85.60 | 66.07 | 79.50 |
| U-Net3+ | 26.97 | 197 | 48.26 | 65.33 | 77.73 | 78.66 | 87.81 | 66.56 | 72.16 |
| MedT | 1.6 | 751 | 21.24 | 63.89 | 76.93 | 79.54 | 87.35 | 62.49 | 76.83 |
| TransU-Net | 105.32 | 246 | 38.52 | 66.81 | 78.34 | 80.51 | 88.91 | 66.17 | 79.55 |
| ScribFormer | 50.44 | 532 | 37.63 | 67.59 | 78.69 | 81.96 | 89.93 | 67.36 | 81.29 |
| UNeXt | 1.47 | 25 | 0.57 | 67.24 | 78.49 | 82.25 | 90.15 | 67.24 | 81.36 |
| PIS-Net (ours) | 5.46 | 29 | 0.82 | 68.28 | 80.66 | 82.68 | 90.76 | 70.40 | 82.51 |
| Method | Params (in M) | Inf. Time (in ms) | BUSI | ISIC2018 | ||
|---|---|---|---|---|---|---|
| IoU | Dice | IoU | Dice | |||
| 1. Original U-Net | 31.19 | 223 | 63.85 | 76.35 | 74.55 | 84.03 |
| 2. Conv Stage + Tok-MLP (UNeXt) | 1.47 | 25 | 65.86 | 78.49 | 82.05 | 90.15 |
| 3. Conv Stage + Diagonal-Axial MLP | 1.61 | 27 | 65.99 | 79.01 | 82.31 | 90.32 |
| 4. Conv Stage + Diagonal-Axial MLP + DR-SPP | 4.75 | 39 | 67.28 | 79.90 | 82.57 | 90.63 |
| 5. Conv Stage + Diagonal-Axial MLP + HBDS | 1.78 | 27 | 66.71 | 79.65 | 82.49 | 90.54 |
| 6. Conv Stage + Diagonal-Axial MLP + DR-SPP + HBDS (ours) | 5.46 | 29 | 68.28 | 80.66 | 82.68 | 90.76 |
Disclaimer/Publisher’s Note: The statements, opinions and data contained in all publications are solely those of the individual author(s) and contributor(s) and not of MDPI and/or the editor(s). MDPI and/or the editor(s) disclaim responsibility for any injury to people or property resulting from any ideas, methods, instructions or products referred to in the content. |
© 2024 by the authors. Licensee MDPI, Basel, Switzerland. This article is an open access article distributed under the terms and conditions of the Creative Commons Attribution (CC BY) license (https://creativecommons.org/licenses/by/4.0/).
Share and Cite
Zhang, C.; Wang, J. PIS-Net: Efficient Medical Image Segmentation Network with Multivariate Downsampling for Point-of-Care. Entropy 2024, 26, 284. https://doi.org/10.3390/e26040284
Zhang C, Wang J. PIS-Net: Efficient Medical Image Segmentation Network with Multivariate Downsampling for Point-of-Care. Entropy. 2024; 26(4):284. https://doi.org/10.3390/e26040284
Chicago/Turabian StyleZhang, Changrui, and Jia Wang. 2024. "PIS-Net: Efficient Medical Image Segmentation Network with Multivariate Downsampling for Point-of-Care" Entropy 26, no. 4: 284. https://doi.org/10.3390/e26040284
APA StyleZhang, C., & Wang, J. (2024). PIS-Net: Efficient Medical Image Segmentation Network with Multivariate Downsampling for Point-of-Care. Entropy, 26(4), 284. https://doi.org/10.3390/e26040284
