Off-Design Modeling of Natural Gas Combined Cycle Power Plants: An Order Reduction by Means of Thermoeconomic Input–Output Analysis
Abstract
:1. Introduction
1.1. State-of-the-Art Performance Evaluation of NGCC Power Plants
1.2. Objective and Structure of the Work
- It is a stand-alone and reduced order model: by means of Input–Output mathematics, it computes the costs of the products and other thermoeconomic parameters independently from the thermodynamic plant model. The reduced complexity and computational effort of TIOA may help abate the aforementioned barriers between scientific research and industrial practice;
- It can be applied for the analysis of many different on- and off-design plant configurations and control mechanisms, providing useful indications to power plant operators for the purposes of cost assessment, design optimization or malfunction diagnosis.
2. Materials and Methods
2.1. Thermoeconomic Input Output Analysis
- Exergy destruction and losses: defined by Equation (9), they reveal the location and the magnitude of the thermodynamic irreversibilities within each component. Vector is known as summation vector [27]
- Exergoeconomic costs of exergy destructions: defined by Equation (10), they reveal the impact that the thermodynamic inefficiencies occurring in each component have on the economic costs of the products.
2.2. Derivation of the Stand-Alone Thermoeconomic Input–Output Model
- Thermodynamic modelling and simulation. The performance of the power plant in off-design operation depends on many parameters, and these may be classified into two main groups: exogenous parameters, which are not controlled by the operator (such as environmental temperature or LHV of the fuel), and endogenous parameters, which can be controlled (such as load control mechanism, plant load and the reversible performance degradation of one or more components by means of maintenance interventions).The response of the power plant to different values of each of these parameters can be evaluated by running the thermodynamic model several times. However, this carries some drawbacks: it involves time and computational effort; it provides results only for discrete values of the parameters; and, most of all, it requires expertise in thermodynamic modeling. In the most general case, a number of exogenous or endogenous parameters can be considered. Assuming a number of possible values for each ith parameter, a total number of plant simulations must be performed according to relation Equation (11),
- Exergy and TIOA analysis. Both the on- and off-design model computed temperature, pressure and mass flow rate of each stream at different operating conditions. From such values, the related exergy rates are derived according to literature [12,22,28], and exergy balances for each plant component are derived according to relation Equation (1). The fundamental matrices and vectors presented in Figure 1 are then derived for each on- and off-design configuration of the system, as described in Subsection 2.1. Finally, the specific and total exergoeconomic costs are derived through LCM Equation (8), as well as the exergy destructions Equation (9) and the exergoeconomic costs of exergy destructions Equation (10);
- Definition of the stand-alone TIOA model. Each element in the matrices and vectors of Figure 1 is derived as a continuous function of the above introduced endogenous and exogenous variables through linear regression, by means of a Visual Basics® (Microsoft Visual Basic for applications 7.0, Version 1628) procedure implemented by the Authors. These results in a reduced order Thermoeconomic model of the power plant: LCM Equation (8) can be applied to a single functional input–output table where the only inputs are the values of the endogenous/exogenous parameters of interest, and the outputs are the performance indices of the power plant, from the global to the component level.
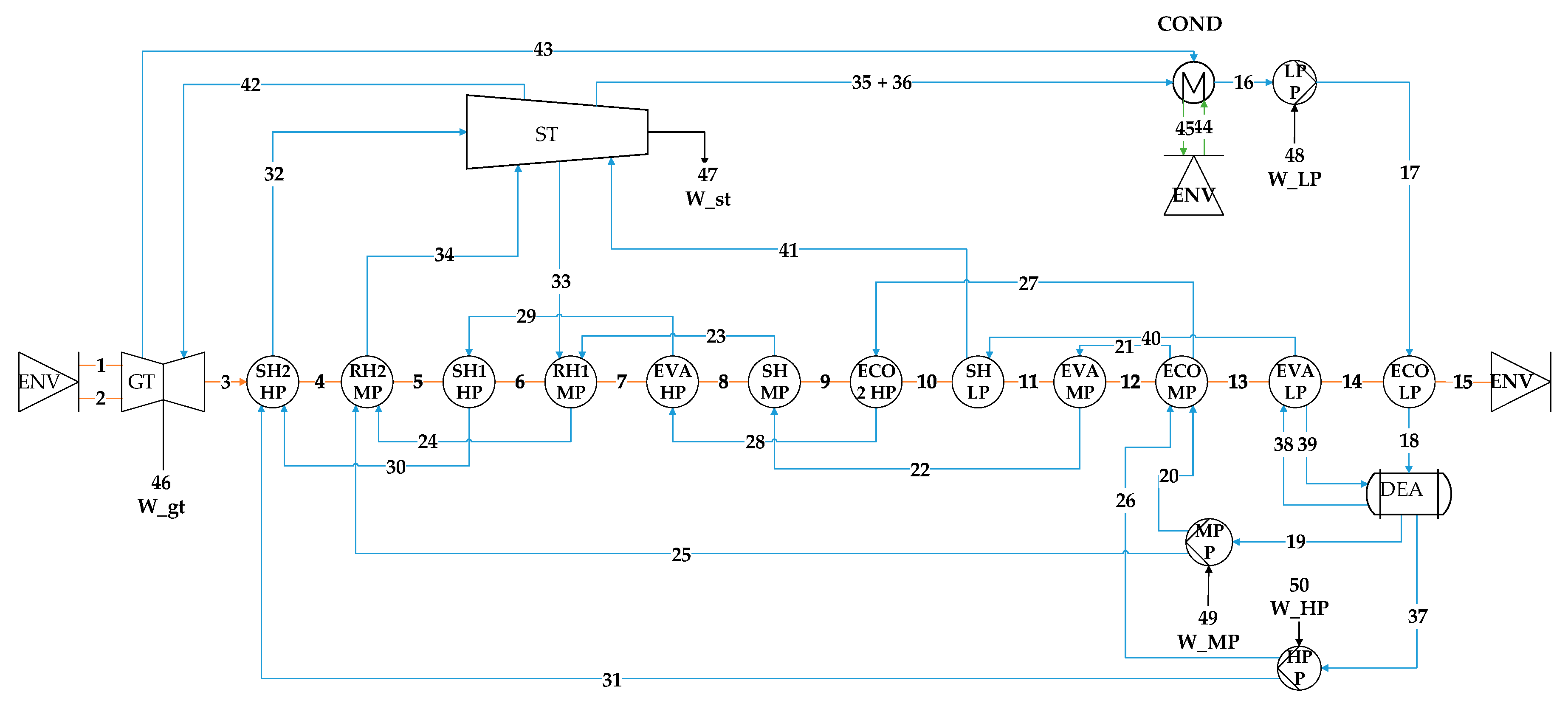
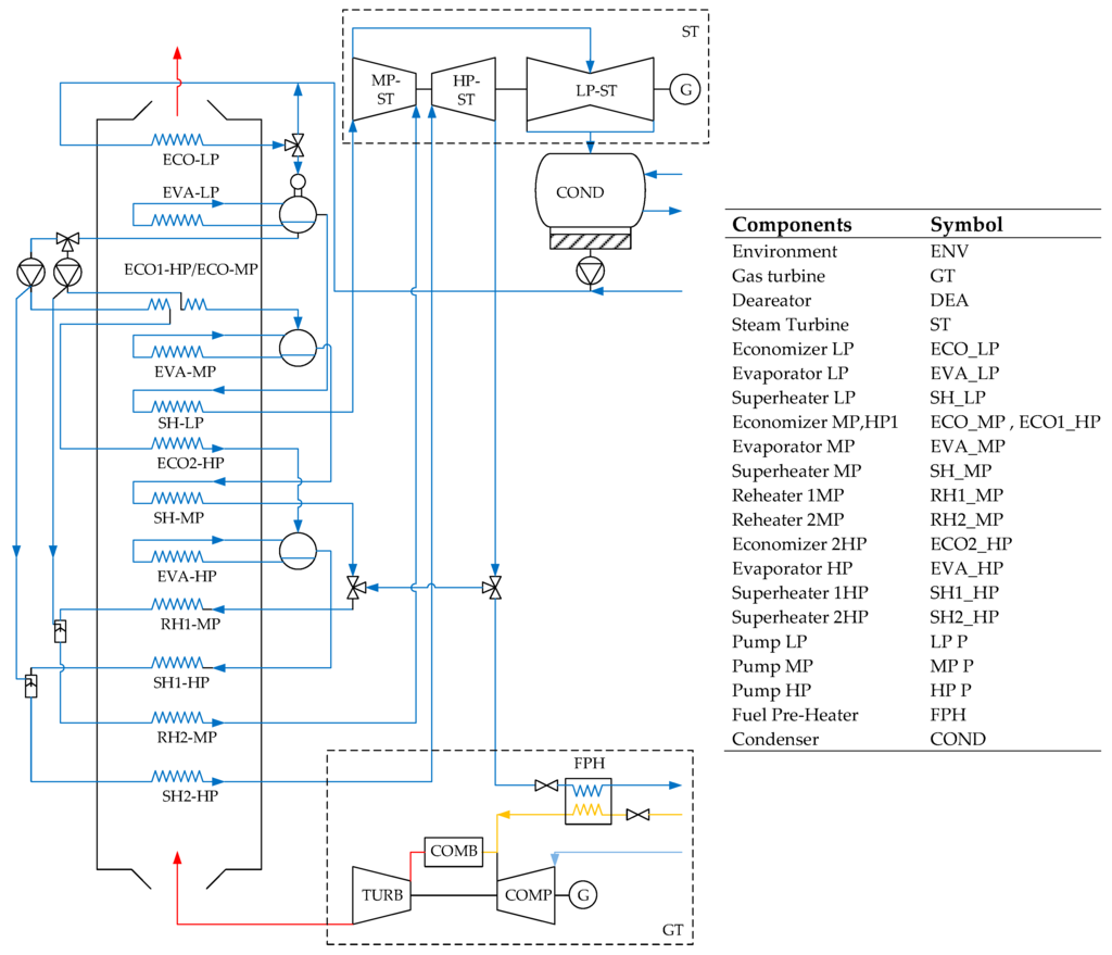
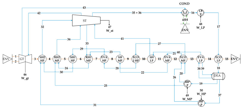
3. Case Study: La Casella NGCC
3.1. Thermodynamic Model: Plant Layout and Main Assumptions
- Constant Turbine Outlet Temperature (TOT). This reduces the thermal stresses over the heat exchangers in the bottoming cycle in off-design, and the TIT decreases consequently;
- Constant Turbine Inlet Temperature (TIT). This is claimed to limit the global reduction of efficiency. The TOT increases, but the parts of the HRSG exposed to the highest temperatures are safe, since they were originally sized for a simple steam cycle, with higher temperatures.
3.2. Economic Cost Model
3.3. NGCC Stand-Alone Thermoeconomic Input–Output Model
- Control mechanism: binary variable, consisting in TIT or TOT control mechanisms;
- Plant load: variable from 100% to 50% of the nominal power of the gas turbine, by steps of 5%;
- Performance of the heat transfer in ECO-LP: a 10% decrease in the overall heat transfer coefficient U of the low pressure economizer from the reference value is taken into account, in order to simulate the effect of fouling.
4. Results of the Analysis
4.1. On-Design Evaluation
4.2. Off-Design Evaluation
4.2.1. Exergy Efficiency of the Power Plant
4.2.2. Performance of Individual Components
4.2.3. Interrelations among Components
4.2.4. Comparison of the Fixed and Functional-Coefficients Approaches
5. Conclusions
Acknowledgments
Author Contributions
Conflicts of Interest
Abbreviations
| ECT | Exergy Cost Therory |
| ECO-LP | Low Pressure Economizer |
| EVA-HP | High Pressure Evaporator |
| ExA | Exergy Analysis |
| GT | Gas Turbine |
| HRSG | Heat Recovery Steam Generator |
| IO | Input–Output |
| IGVs | Inlet Guide Vanes |
| LCM | Leontief Cost Model |
| LHV | Lower Heating Value |
| O&M | Operating and Maintenance |
| NGCC | Natural Gas Combined Cycle |
| PECs | Purchased Equipment Costs |
| RPL | Resource-Product-Losses |
| ST | Steam Turbine |
| SH1-HP | First High Pressure Super-Heater |
| TA | Thermoeconomic Analysis |
| TIOA | Thermoeconomic Input–Output Analysis |
| TOT | Turbine Outlet Temperature |
| TIT | Turbine Inlet Temperature |
| TRR | Total Revenue Requirement |
References
- Holz, F.; Richter, P.M.; Egging, R. The Role of Natural Gas in a Low-Carbon Europe: Infrastructure and Regional Supply Security in the Global Gas Model. Available online: https://www.diw.de/documents/publikationen/73/diw_01.c.417156.de/dp1273.pdf (accessed on 20 February 2016).
- Prandoni, V.; Rinaldi, C. Documento di sintesi di Progetto “Flessibilità e affidabilità degli impianti a ciclo combinato” Anno 2007. Available online: http://doc.rse-web.it/doc/doc-sfoglia/08000976-589/08000976-589.html (accessed on 20 February 2016). (In Italian)
- Kumar, N.; Besuner, P.; Lefton, S.; Agan, D.; Hilleman, D. Power Plant Cycling Costs. Available online: http://www.nrel.gov/docs/fy12osti/55433.pdf (accessed on 22 February 2016).
- Garduno-Ramirez, R.; Lee, K.Y. Multiobjective optimal power plant operation through coordinate control with pressure set point scheduling. IEEE Trans. Energy Convers. 2001, 16, 115–122. [Google Scholar] [CrossRef]
- Möller, B.F.; Genrup, M.; Assadi, M. On the off-design of a natural gas-fired combined cycle with CO2 capture. Energy 2007, 32, 353–359. [Google Scholar] [CrossRef]
- Nord, L.O.; Anantharaman, R.; Bolland, O. Design and off-design analyses of a pre-combustion CO2 capture process in a natural gas combined cycle power plant. Int. J. Greenh. Gas Control 2009, 3, 385–392. [Google Scholar] [CrossRef]
- Rovira, A.; Sánchez, C.; Muñoz, M.; Valdés, M.; Durán, M.D. Thermoeconomic optimisation of heat recovery steam generators of combined cycle gas turbine power plants considering off-design operation. Energy Convers. Manag. 2011, 52, 1840–1849. [Google Scholar] [CrossRef]
- Rancruel, D.F.; von Spakovsky, M.R. Decomposition with thermoeconomic isolation applied to the optimal synthesis/design and operation of an advanced tactical aircraft system. Energy 2006, 31, 3327–3341. [Google Scholar] [CrossRef]
- Campos-Celador, Á.; Pérez-Iribarren, E.; Sala, J.M.; del Portillo-Valdés, L.A. Thermoeconomic analysis of a micro-CHP installation in a tertiary sector building through dynamic simulation. Energy 2012, 45, 228–236. [Google Scholar] [CrossRef]
- Peeters, A.N.M.; Faaij, A.P.C.; Turkenburg, W.C. Techno-economic analysis of natural gas combined cycles with post-combustion CO2 absorption, including a detailed evaluation of the development potential. Int. J. Greenh. Gas Control 2007, 1, 396–417. [Google Scholar] [CrossRef]
- Verda, V.; Borchiellini, R. Exergy method for the diagnosis of energy systems using measured data. Energy 2007, 32, 490–498. [Google Scholar] [CrossRef]
- Kotas, T.J. The Exergy Method of Thermal Plant Analysis; Elsevier: Amsterdam, The Netherlands, 2013. [Google Scholar]
- Moran, M.J.; Shapiro, H.N.; Boettner, D.D.; Bailey, M.B. Fundamentals of Engineering Thermodynamics; John Wiley & Sons: New York, NY, USA, 2010. [Google Scholar]
- Bejan, A.; Tsatsaronis, G.; Moran, M.J. Thermal Design and Optimization; Wiley: New York, NY, USA, 1996. [Google Scholar]
- Verda, V. Prediction of the fuel impact associated with performance degradation in power plants. Energy 2008, 33, 213–223. [Google Scholar] [CrossRef]
- Verda, V.; Serra, L.; Valero, A. Thermoeconomic Diagnosis: Zooming Strategy Applied to Highly Complex Energy Systems. Part 1: Detection and Localization of Anomalies*. J. Energy Resour. Technol. 2005, 127, 42–49. [Google Scholar] [CrossRef]
- Torres, C.; Valero, A.; Rangel, V.; Zaleta, A. On the cost formation process of the residues. Energy 2008, 33, 144–152. [Google Scholar] [CrossRef]
- Erlach, B.; Serra, L.; Valero, A. Structural theory as standard for thermoeconomics. Energy Convers. Manag. 1999, 40, 1627–1649. [Google Scholar] [CrossRef]
- Valero, A.; Serra, L.; Uche, J. Fundamentals of exergy cost accounting and thermoeconomics. Part I: Theory. J. Energy Resour. Technol. 2006, 128, 1–8. [Google Scholar] [CrossRef]
- Leontief, W.W.; Leontief, W. Input-Output Economics; Oxford University Press: Oxford, UK, 1986. [Google Scholar]
- Ameri, M.; Ahmadi, P.; Khanmohammadi, S. Exergy analysis of a 420 MW combined cycle power plant. Int. J. Energy Res. 2008, 32, 175–183. [Google Scholar] [CrossRef]
- Querol, E.; González-Regueral, B.; Benedito, J.L.P. Practical Approach to Exergy and Thermoeconomic Analyses of Industrial Processes; Springer: Berlin, Germany, 2012. [Google Scholar]
- Valero, A.; Torres, C. Thermoeconomic analysis. In Exergy, Energy System Analysis and Optimization; Encyclopedia of Life Support Systems (EOLSS): Oxford, UK, 2006. [Google Scholar]
- Usón, S.; Kostowski, W.J.; Kalina, J. Thermoeconomic Evaluation of Biomass Conversion Systems. In Alternative Energies; Springer: Berlin, Germany, 2013; pp. 69–91. [Google Scholar]
- Leontief, W. Input-output analysis. In The New Palgrave: A Dictionary of Economics; Palgrave Macmillan: London, UK, 1987; Volume 2, pp. 860–864. [Google Scholar]
- Agudelo, A.; Valero, A.; Torres, C. Allocation of waste cost in thermoeconomic analysis. Energy 2012, 45, 634–643. [Google Scholar] [CrossRef]
- Miller, R.E.; Blair, P.D. Input-Output Analysis: Foundations and Extensions; Cambridge University Press: Cambridge, UK, 2009. [Google Scholar]
- Querol, E.; Gonzalez-Regueral, B.; Ramos, A.; Perez-Benedito, J.L. Novel application for exergy and thermoeconomic analysis of processes simulated with Aspen Plus. Energy 2011, 36, 964–974. [Google Scholar] [CrossRef]
- Rao, A. Sustainable Energy Conversion for Electricity and Coproducts: Principles, Technologies, and Equipment; Wiley: New York, NY, USA, 2015. [Google Scholar]
- Loh, H.P.; Lyons, J.; White, C.W.I. Process Equipment Cost Estimation, Final Report; The Office of Scientific and Technical Information: Washington, DC, USA, 2002; pp. 1–78. [Google Scholar]
- Thermoflow. Available online: http://www.thermoflow.com/ (accessed on 22 February 2016).
- Cafaro, S.; Napoli, L.; Traverso, A.; Massardo, A.F. Monitoring of the thermoeconomic performance in an actual combined cycle power plant bottoming cycle. Energy 2010, 35, 902–910. [Google Scholar] [CrossRef]
- Tidball, R.; Bluestein, J.; Rodriguez, N.; Knoke, S. Cost and Performance Assumptions for Modeling Electricity Generation Technologies. Available online: http://www.nrel.gov/docs/fy11osti/48595.pdf (accessed on 22 February 2016).
- Updated Capital Cost Estimates for Electricity Generation Plants. Available online: http://www.eia.gov/oiaf/beck_plantcosts/ (accessed on 22 February 2016).
- Gestore Mercati Energetici. Available online: http://www.mercatoelettrico.org/en/default.aspx (accessed on 22 February 2016). (In Italian)
- Frangopoulos, C.A. Thermo-economic functional analysis and optimization. Energy 1987, 12, 563–571. [Google Scholar] [CrossRef]
- Tsatsaronis, G. Thermoeconomic analysis and optimization of energy systems. Prog. Energy Combust. Sci. 1993, 19, 227–257. [Google Scholar] [CrossRef]
- Nakamura, S.; Kondo, Y. Waste Input-Output Analysis: Concepts and Application to Industrial Ecology; Springer Science & Business Media: New York, NY, USA, 2009. [Google Scholar]
- Diehl, E.W. Adjustment dynamics in a static input–output model. In Proceedings of The 3rd International Conference of the System Dynamics Society, Keystone, CO, USA, July 1985; pp. 161–178.








| Category | Variable | Units | Values |
|---|---|---|---|
| Common inputs | Environmental Temperature | K | 288.15 |
| Environmental Pressure | bar | 101.325 | |
| Condenser pressure | bar | 0.0336 | |
| Cooling water Temperature difference | K | 6.5 | |
| On-design model inputs | Gas Turbine model and nominal power | - | Siemens V94.3a, 252 MW |
| Air mass flow rate | kg/s | 635.9 kg/s | |
| Fuel mass flow rate | kg/s | 14.17 kg/s | |
| HP, MP, LP steam Temperature at turbine inlet | K | 813; 813; 618 | |
| HP, MP, LP steam Pressure at turbine inlet | bar | 88.8; 12.6; 3.3 | |
| HP, MP, LP steam turbine nominal efficiency | % | 85; 88; 91 | |
| Recirculation ratio at ECO-LP | % | 29 | |
| Desired water/steam temperatures at heat exchangers outlet | - | According to the STs requirement | |
| Mass flow ratios at branching | - | According to the design layout | |
| Off-design model inputs | UA of heat exchangers in HRSG | W/K | Given by the on-design computation |
| Gas turbine load | % | 50–100 | |
| Off-design gas turbine control mechanism | - | TOT or TIT control | |
| Heat transfer coefficient of ECO-LP | kW/°C | 1542; 1388 |
| Equipment | Cost [M€] |
|---|---|
| Gas turbine | 66.025 |
| Steam turbine | 32.261 |
| HRSG | 25.040 |
| Condenser | 2.442 |
| Pumps | 0.514 |
| Deareator | 0.426 |
| Piping | 0.823 |
| Parameter | Units | Value |
|---|---|---|
| Year of construction | year | 2000 |
| Duration of construction | years | 2 |
| Economic life | years | 30 |
| Tax life | years | 15 |
| Inflation rate | % | 2.16 |
| Nominal escalation rate for natural gas | % | 6 |
| Cost of natural gas | €/GJ | 4 |
| Ratio of equity/preferred stock/debt | % | 35/15/50 |
| Return on equity/preferred stock/debt | % | 15/11.7/10 |
| Tax/Property tax/Insurance rate | % | 38/1.5/0.5 |
| Allocation of investment 1st/2nd year | % | 40/60 |
| Components | Fuel (R) | Product (P) | Losses (L) |
|---|---|---|---|
| GT | 2 + 1 + (42 – 43) | 3 + 46 | - |
| DEA | 39 | (19 – 18) + 37 + 38 | - |
| ST | (32 + 34 + 41) – (33 + 35 + 36 + 42) | 47 + 48 + 49 + 50 | - |
| ECO-LP | 14 – 15 | 18 – 17 | - |
| EVA-LP | 13 – 14 | 39 + (40 – 38) | - |
| SH-LP | 10 – 11 | 41 – 40 | - |
| ECO-MP | 12 – 13 | (21 − 20) + (27 – 26) | - |
| EVA-LP | 11 – 12 | 22 – 21 | - |
| SH-MP | 8 – 9 | 23 – 22 | - |
| RH1-MP | 6 – 7 | 24 – (23 + 33) | - |
| RH2-MP | 4 – 5 | 34 – (24 + 25) | - |
| ECO2-HP | 9 – 10 | 28 – 27 | - |
| EVA-HP | 7 – 8 | 29 – 28 | - |
| SH1-HP | 5 – 6 | 30 – 29 | - |
| SH2-HP | 3 – 4 | 32 – (30 + 31) | - |
| LP-P | 48 | 17 – 16 | - |
| MP-P | 49 | 20 + 25 – 19 | - |
| HP-P | 50 | 26 + 31 – 37 | - |
| COND | 35 + 36 + 43 – 16 | - | 45 – 44 |
| N | Components | ExD | ηex | cex,P | Cex,P | Cex,D | ceco,P | Ceco,P | Z | Ceco,D |
|---|---|---|---|---|---|---|---|---|---|---|
| MW | - | J/J | MW | MW | €/GJ | €/h | €/h | €/h | ||
| 1 | GT | 283.3 | 0.62 | 1.61 | 443.1 | 283.6 | 25.7 | 25,481.9 | 10,744.6 | 16,306.1 |
| 2 | DEA | 0.0 | 0.96 | 2.45 | 0 | 0.0 | 123.9 | 0 | 69.4 | 4.2 |
| 3 | ST | 14.7 | 0.90 | 2.43 | 306.8 | 32.1 | 60.6 | 27,488.5 | 5250.0 | 2875.8 |
| 4 | ECO_LP | 3.7 | 0.71 | 2.45 | 0 | 6.5 | 56.5 | 0 | 524.1 | 540.2 |
| 5 | EVA_LP | 1.4 | 0.83 | 2.13 | 0 | 2.5 | 45.4 | 0 | 241.5 | 192.8 |
| 6 | SH_LP | 0.7 | 0.57 | 3.02 | 0 | 1.2 | 56.3 | 0 | 21.1 | 78.8 |
| 7 | ECO_MP | 1.4 | 0.88 | 2.02 | 0 | 2.6 | 42.0 | 0 | 304.1 | 192.0 |
| 8 | EVA_MP | 2.9 | 0.82 | 2.15 | 0 | 5.1 | 43.9 | 0 | 385.4 | 374.3 |
| 9 | SH_MP | 0.8 | 0.67 | 2.59 | 0 | 1.5 | 51.1 | 0 | 49.9 | 103.2 |
| 10 | RH1_MP | 3.0 | 0.75 | 2.33 | 0 | 5.2 | 44.8 | 0 | 194.1 | 362.3 |
| 11 | RH2_MP | 3.2 | 0.82 | 2.15 | 0 | 5.7 | 41.2 | 0 | 283.0 | 393.0 |
| 12 | ECO2_HP | 1.7 | 0.87 | 2.03 | 0 | 3.0 | 42.4 | 0 | 357.4 | 223.8 |
| 13 | EVA_HP | 10.1 | 0.83 | 2.13 | 0 | 17.8 | 41.8 | 0 | 1098.7 | 1259.2 |
| 14 | SH1_HP | 5.8 | 0.81 | 2.17 | 0 | 10.3 | 41.9 | 0 | 530.7 | 714.6 |
| 15 | SH2_HP | 1.0 | 0.82 | 2.14 | 0 | 1.7 | 40.9 | 0 | 84.9 | 117.6 |
| 16 | LP P | 0.4 | 0.15 | 16.79 | 0 | 1.0 | 480.2 | 0 | 15.7 | 105.4 |
| 17 | MP P | 0.0 | 0.67 | 3.77 | 0 | 0.0 | 126.7 | 0 | 3.4 | 4.3 |
| 18 | HP P | 0.4 | 0.69 | 3.66 | 0 | 1.1 | 109.7 | 0 | 64.5 | 116.2 |
| 19 | COND | 11.4 | 0.18 | 12.16 | - | - | 289.9 | - | 397.3 | - |
© 2016 by the authors; licensee MDPI, Basel, Switzerland. This article is an open access article distributed under the terms and conditions of the Creative Commons by Attribution (CC-BY) license (http://creativecommons.org/licenses/by/4.0/).
Share and Cite
Keshavarzian, S.; Gardumi, F.; Rocco, M.V.; Colombo, E. Off-Design Modeling of Natural Gas Combined Cycle Power Plants: An Order Reduction by Means of Thermoeconomic Input–Output Analysis. Entropy 2016, 18, 71. https://doi.org/10.3390/e18030071
Keshavarzian S, Gardumi F, Rocco MV, Colombo E. Off-Design Modeling of Natural Gas Combined Cycle Power Plants: An Order Reduction by Means of Thermoeconomic Input–Output Analysis. Entropy. 2016; 18(3):71. https://doi.org/10.3390/e18030071
Chicago/Turabian StyleKeshavarzian, Sajjad, Francesco Gardumi, Matteo V. Rocco, and Emanuela Colombo. 2016. "Off-Design Modeling of Natural Gas Combined Cycle Power Plants: An Order Reduction by Means of Thermoeconomic Input–Output Analysis" Entropy 18, no. 3: 71. https://doi.org/10.3390/e18030071
APA StyleKeshavarzian, S., Gardumi, F., Rocco, M. V., & Colombo, E. (2016). Off-Design Modeling of Natural Gas Combined Cycle Power Plants: An Order Reduction by Means of Thermoeconomic Input–Output Analysis. Entropy, 18(3), 71. https://doi.org/10.3390/e18030071

