Sign in to use this feature.

Years

Between: -

Subjects

remove_circle_outline
remove_circle_outline
remove_circle_outline
remove_circle_outline
remove_circle_outline

Journals

Article Types

Countries / Regions

Search Results (5)

Search Parameters:
Keywords = thin-walled flexible beam structure

Order results
Result details
Results per page
Select all
Export citation of selected articles as:
15 pages, 5697 KB  
Article
The Novel Applications of Bionic Design Based on the Natural Structural Characteristics of Bamboo
by Siyang Ji, Qunying Mou, Ting Li, Xiazhen Li, Zhiyong Cai and Xianjun Li
Forests 2024, 15(7), 1205; https://doi.org/10.3390/f15071205 - 12 Jul 2024
Cited by 10 | Viewed by 2323
Abstract
The unique composite gradient structure of bamboo has made it widely recognized as an extremely efficient natural structure and material, endowing it with exceptional flexibility and resilience. This enabled bamboo to withstand the forces of wind and snow without fracturing. In this paper, [...] Read more.
The unique composite gradient structure of bamboo has made it widely recognized as an extremely efficient natural structure and material, endowing it with exceptional flexibility and resilience. This enabled bamboo to withstand the forces of wind and snow without fracturing. In this paper, the inherent structural characteristics of bamboo were examined in order to extract its biological advantages through experimental methods. Then, the structural characteristics of bamboo in its vertical and radial directions served as the respective inspiration for two bionic applications, which were further analyzed and optimized using finite element analysis to accurately evaluate their bearing capacities. It can be found that the density of vascular bundles increased proportionally with the height of the bamboo stem, while the circumference exhibited a linear decrease. The wall thickness of the bamboo decreased and stabilized after reaching a height of 10 m. The distribution of nodes exhibited a nearly symmetrical pattern from the base to the top of the bamboo stem. The tapering of the bamboo culm exhibited a non-linear pattern with height, characterized by an initial decrease followed by a slight increase ranging from 0.004 to 0.010. The vascular bundles in bamboo exhibited a functional gradient distribution, which had a 6:3:2 distribution ratio of vascular bundles in the wall’s dense, transition, and sparse areas, respectively. The bionic cantilever beam incorporated characteristics of a hollow structure, a non-uniform distribution of nodes, and a certain amount of tapering, which effectively enhanced its flexural performance compared to the traditional ones. The thin-wall tube, featuring a “dendritic” partial pressure structure, demonstrated exceptional lateral compressive performance in transverse compression, particularly when the tube incorporated a gradient distribution of partition numbers and layer spacing. Full article
Show Figures

Figure 1

19 pages, 11153 KB  
Article
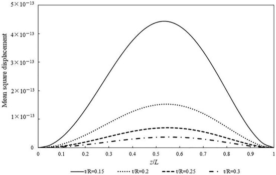
A Study on the Vibration Analysis of Thick-Walled, Fluid-Conveying Pipelines with Internal Hydrostatic Pressure
by Hongzhen Zhu and Jianghai Wu
J. Mar. Sci. Eng. 2023, 11(12), 2338; https://doi.org/10.3390/jmse11122338 - 11 Dec 2023
Cited by 11 | Viewed by 2212
Abstract
Pipelines are designed to carry seawater with hydrostatic pressure below sea level in the ship industry. Previously conducted studies have established the FSI (Fluid–Structure Interaction) equations for thin-walled, fluid-filled pipelines based on the Timoshenko beam model; these equations now need to be modified [...] Read more.
Pipelines are designed to carry seawater with hydrostatic pressure below sea level in the ship industry. Previously conducted studies have established the FSI (Fluid–Structure Interaction) equations for thin-walled, fluid-filled pipelines based on the Timoshenko beam model; these equations now need to be modified for analyzing the vibration characteristics of thick-walled pipelines with hydrostatic pressure. The vibration of thick-walled pressurized pipes is studied in this paper. Effective and accurate numerical methods for solving vibration responses to either harmonic excitation or a random load have been developed using the spectral element method and pseudo-excitation method. It is found that the thick-walled theory and the thin-walled theory differ in axial wave transmissions. The internal pressure mainly affects the transverse vibration, which results in an increase in the natural frequencies in the lower frequency domain, an increase in the vibration transmission in the assembled pipeline, and an increase in the displacements when subjected to random loads. Using relatively thicker pipelines and introducing flexible pipes may reduce the vibration transmission when subjected to internal pressure. Full article
(This article belongs to the Section Ocean Engineering)
Show Figures

Figure 1

26 pages, 12146 KB  
Article
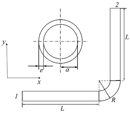
Research on the Dynamics of the Space Tubular Expandable Structure Driving Deployment Unit
by Weiqi Huang, Yingjun Guan, Hao Wang, Huanquan Lu and Huisheng Yang
Appl. Sci. 2023, 13(15), 8969; https://doi.org/10.3390/app13158969 - 4 Aug 2023
Cited by 2 | Viewed by 1667
Abstract
The limitations associated with traditional screw-based and cable-based deployment mechanisms for space deployable structures, such as deployment stiffness, accuracy, and distance, are effectively overcome by introducing the concept of a variable diameter internal drive device. To enhance stability during the discontinuous surface transition [...] Read more.
The limitations associated with traditional screw-based and cable-based deployment mechanisms for space deployable structures, such as deployment stiffness, accuracy, and distance, are effectively overcome by introducing the concept of a variable diameter internal drive device. To enhance stability during the discontinuous surface transition phase inside the tubular structure, a thin-walled flexible beam structure is adopted for the driving deployment unit. The analysis employs the spatial absolute nodal coordinate formulation, integrating the pose states of each node into the global coordinate system. The three-dimensional displacement field and rotational angle changes at different time intervals are obtained using the unit shape function matrix and Kirchhoff theory. Subsequently, a dynamic model of the corresponding spatial nodes is established using the virtual work principle. This significant improvement enhances the dynamic characteristics of the coupled rigid-flexible deformation of the driving deployment unit under radial and axial external forces, surpassing the previously used flexible beam structure. The dynamic simulation analysis is performed using the finite element method and validated through experimental tests. The experimental results confirm the driving deployment unit’s stability and successful achievement of the desired functionalities, as demonstrated by the endpoint displacement, three-dimensional centroid displacement, and trajectory rotation angle. Full article
Show Figures

Figure 1

13 pages, 3904 KB  
Article
Numerical Modeling of Sloshing Frequencies in Tanks with Structure Using New Presented DQM-BEM Technique
by Zhenda Wei, Junwen Feng, Mohammad Ghalandari, Akbar Maleki and Zahra Abdelmalek
Symmetry 2020, 12(4), 655; https://doi.org/10.3390/sym12040655 - 21 Apr 2020
Cited by 4 | Viewed by 3386
Abstract
The sloshing behavior of systems is influenced by different factors related to the liquid level and tank specifications. Different approaches are applicable for the assessment of sloshing behavior in a tank. In this paper, a new numerical model based on the differential quadrature [...] Read more.
The sloshing behavior of systems is influenced by different factors related to the liquid level and tank specifications. Different approaches are applicable for the assessment of sloshing behavior in a tank. In this paper, a new numerical model based on the differential quadrature method and boundary element approaches is adopted to investigate the sloshing behavior of a tank with an elastic thin-walled beam. The model is developed based on small slope considerations of the free surface. The main assumption of fluid modeling is homogeneity, isotropy, inviscid, and only limited compressibility of the liquid. Indeed, the formulation is represented based on the reduced-order method and then is employed for simulating the coupling between structure and fluid in symmetric test cases. The results are verified with the ANSYS and literature for symmetric rigid structural walls and then the code is employed to study the behavior of fluid-structure interaction in a symmetric tank with new and efficient immersed structure. Full article
(This article belongs to the Special Issue Turbulence and Multiphase Flows and Symmetry)
Show Figures

Figure 1

16 pages, 5510 KB  
Article
Modeling on Actuation Behavior of Macro-Fiber Composite Laminated Structures Based on Sinusoidal Shear Deformation Theory
by Jiarui Zhang, Jianwei Tu, Zhao Li, Kui Gao and Hua Xie
Appl. Sci. 2019, 9(14), 2893; https://doi.org/10.3390/app9142893 - 19 Jul 2019
Cited by 8 | Viewed by 4029
Abstract
A new piezoelectric composite, macro fiber composite (MFC) is recombined with piezoceramic fibers, an epoxy resin basal body, and an interdigitated electrode. It has been widely applied in vibration reduction and deformation control of thin-walled structures, due to its great deformability and flexibility. [...] Read more.
A new piezoelectric composite, macro fiber composite (MFC) is recombined with piezoceramic fibers, an epoxy resin basal body, and an interdigitated electrode. It has been widely applied in vibration reduction and deformation control of thin-walled structures, due to its great deformability and flexibility. Research on its actuation performance is mostly concentrated on the MFC actuating force calculation based on classical plate theory (CPT), and the overall modeling of MFC and its structure. However, they have some deficiencies in the tedious calculating process and neglect of shear deformation, respectively. To obtain a precise MFC actuating force, the sinusoidal shear deformation theory (SSDT) is adopted to deduce the MFC actuating force formula, and global–local displacement distribution functions are introduced to help the MFC laminated plate structure satisfy the deformation compatibility and stress balance. For instance, in the end displacement calculation of the MFC laminated beam structure. The experimental result of the MFC laminated beam is compared with those of the MFC actuating force based on SSDT and on CPT, which indicates that the MFC actuating force formula based on SSDT can reach higher computational accuracy. Full article
(This article belongs to the Special Issue Flexible Piezoelectric Materials)
Show Figures

Figure 1

Back to TopTop