Sign in to use this feature.

Years

Between: -

Subjects

remove_circle_outline
remove_circle_outline

Journals

Article Types

Countries / Regions

Search Results (6)

Search Parameters:
Keywords = phi-OTDR

Order results
Result details
Results per page
Select all
Export citation of selected articles as:
20 pages, 4603 KB  
Article
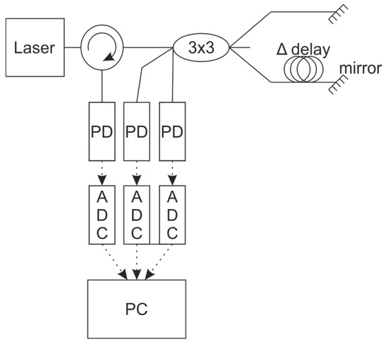
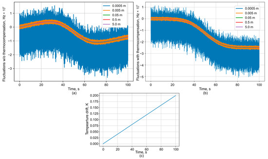
Fiber Wavelength Meter Based on Fizeau Interferometer on wFBG for Phi-OTDR Signal Drift Compensation
by Konstantin V. Stepanov, Tatyana V. Gritsenko, Roman I. Khan, Kirill I. Koshelev, Fedor L. Barkov, Andrey A. Zhirnov and Alexey B. Pnev
Sensors 2025, 25(24), 7543; https://doi.org/10.3390/s25247543 - 11 Dec 2025
Viewed by 509
Abstract
The paper studies the characteristics of a wavelength meter (WLM) based on a Fizeau-based interferometer (FI) using weak Fiber Bragg Gratings (wFBGs). The proposed WLM is compared with the commercial Angstrom WLM, as well as with a Mach-Zehnder interferometer (MZI) based WLM. The [...] Read more.
The paper studies the characteristics of a wavelength meter (WLM) based on a Fizeau-based interferometer (FI) using weak Fiber Bragg Gratings (wFBGs). The proposed WLM is compared with the commercial Angstrom WLM, as well as with a Mach-Zehnder interferometer (MZI) based WLM. The error characteristics and applicability of the new WLM with different bases in wFBG pairs were analyzed. Full article
(This article belongs to the Section Optical Sensors)
Show Figures

Figure 1

27 pages, 9834 KB  
Article
Detection and Recognition of Voice Commands by a Distributed Acoustic Sensor Based on Phase-Sensitive OTDR in the Smart Home Concept
by Tatyana V. Gritsenko, Maria V. Orlova, Andrey A. Zhirnov, Yuri A. Konstantinov, Artem T. Turov, Fedor L. Barkov, Roman I. Khan, Kirill I. Koshelev, Cesare Svelto and Alexey B. Pnev
Sensors 2024, 24(7), 2281; https://doi.org/10.3390/s24072281 - 3 Apr 2024
Cited by 8 | Viewed by 3360
Abstract
In recent years, attention to the realization of a distributed fiber-optic microphone for the detection and recognition of the human voice has increased, whereby the most popular schemes are based on φ-OTDR. Many issues related to the selection of optimal system parameters and [...] Read more.
In recent years, attention to the realization of a distributed fiber-optic microphone for the detection and recognition of the human voice has increased, whereby the most popular schemes are based on φ-OTDR. Many issues related to the selection of optimal system parameters and the recognition of registered signals, however, are still unresolved. In this research, we conducted theoretical studies of these issues based on the φ-OTDR mathematical model and verified them with experiments. We designed an algorithm for fiber sensor signal processing, applied a testing kit, and designed a method for the quantitative evaluation of our obtained results. We also proposed a new setup model for lab tests of φ-OTDR single coordinate sensors, which allows for the quick variation of their parameters. As a result, it was possible to define requirements for the best quality of speech recognition; estimation using the percentage of recognized words yielded a value of 96.3%, and estimation with Levenshtein distance provided a value of 15. Full article
Show Figures

Figure 1

17 pages, 15276 KB  
Article
Multichannel Classifier for Recognizing Acoustic Impacts Recorded with a phi-OTDR
by Ivan Alekseevich Barantsov, Alexey Borisovich Pnev, Kirill Igorevich Koshelev, Egor Olegovich Garin, Nickolai Olegovich Pozhar and Roman Igorevich Khan
Sensors 2023, 23(14), 6402; https://doi.org/10.3390/s23146402 - 14 Jul 2023
Cited by 3 | Viewed by 1956
Abstract
The purpose of this work is to increase the security of the perimeter of an area from unauthorized intrusions by creating an improved algorithm for classifying acoustic impacts recorded with a sensor system based on a phase-sensitive optical time reflectometer (phi-OTDR). The algorithm [...] Read more.
The purpose of this work is to increase the security of the perimeter of an area from unauthorized intrusions by creating an improved algorithm for classifying acoustic impacts recorded with a sensor system based on a phase-sensitive optical time reflectometer (phi-OTDR). The algorithm includes machine learning, so a dataset consisting of two classes was assembled. The dataset consists of two classes. The first class is the data of the steps, and the second class is other non-stepping influences (engine noise, a passing car, a passing cyclist, etc.). As an intrusion signal, a human walking signal is analyzed and recorded in frames of 5 s, which passed the threshold condition. Since, in most cases, the intruder moves on foot to overcome the perimeter, the analysis of the acoustic effects generated during the step will increase the efficiency of the perimeter detection tools. When walking quietly, step signals can be quite weak, and background signals can contain high energy and visually resemble the signals you are looking for. Therefore, an algorithm was created that processes space–time diagrams developed in real time, which are grayscale images. At the same time, during the processing of one image, two more images are calculated, which are the result of processing the denoised autoencoder and the created mathematical model of the adaptive correlation. Then, the three obtained images are fed to the input of the created three-channel neural network classifier, which includes convolutional layers for the automatic extraction of spatial features. The probability of correctly detecting steps is 98.3% and that of background actions is 97.93%. Full article
(This article belongs to the Special Issue Advances in Distributed Optical Fiber Sensing Systems)
Show Figures

Figure 1

15 pages, 23625 KB  
Article
Fiber-Optic Telecommunication Network Wells Monitoring by Phase-Sensitive Optical Time-Domain Reflectometer with Disturbance Recognition
by Andrey A. Zhirnov, German Y. Chesnokov, Konstantin V. Stepanov, Tatyana V. Gritsenko, Roman I. Khan, Kirill I. Koshelev, Anton O. Chernutsky, Cesare Svelto, Alexey B. Pnev and Olga V. Valba
Sensors 2023, 23(10), 4978; https://doi.org/10.3390/s23104978 - 22 May 2023
Cited by 18 | Viewed by 4525
Abstract
The paper presents the application of a phase-sensitive optical time-domain reflectometer (phi-OTDR) in the field of urban infrastructure monitoring. In particular, the branched structure of the urban network of telecommunication wells. The encountered tasks and difficulties are described. The possibilities of usage are [...] Read more.
The paper presents the application of a phase-sensitive optical time-domain reflectometer (phi-OTDR) in the field of urban infrastructure monitoring. In particular, the branched structure of the urban network of telecommunication wells. The encountered tasks and difficulties are described. The possibilities of usage are substantiated, and the numerical values of the event quality classification algorithms applied to experimental data are calculated using machine learning methods. Among the considered methods, the best results were shown by convolutional neural networks, with a probability of correct classification as high as 98.55%. Full article
(This article belongs to the Topic Advance and Applications of Fiber Optic Measurement)
Show Figures

Figure 1

13 pages, 6808 KB  
Communication
Sensitivity Improvement of Phi-OTDR by Fiber Cable Coils
by Konstantin V. Stepanov, Andrey A. Zhirnov, Kirill I. Koshelev, Anton O. Chernutsky, Roman I. Khan and Alexey B. Pnev
Sensors 2021, 21(21), 7077; https://doi.org/10.3390/s21217077 - 26 Oct 2021
Cited by 16 | Viewed by 4945
Abstract
We present a theoretical and experimental study in which we increased the sensitivity of a phase-sensitive optical time-domain reflectometer (phi-OTDR). This was achieved by constructing coils in the sensor cable, which increased the total amplitude of the impact on the fiber. We demonstrate [...] Read more.
We present a theoretical and experimental study in which we increased the sensitivity of a phase-sensitive optical time-domain reflectometer (phi-OTDR). This was achieved by constructing coils in the sensor cable, which increased the total amplitude of the impact on the fiber. We demonstrate this theoretically using the example of a phase-sensitive reflectometer model and practically in testing grounds with a buried nearby conventional sensor and a sensor with coils. The sensitivity increased 2.2 times. We detected 95% of events when using coils, versus 20% when using a straight cable. The suggested method does not require any modifications to the device. Full article
(This article belongs to the Section Optical Sensors)
Show Figures

Figure 1

18 pages, 7508 KB  
Article
The Sensitivity Improvement Characterization of Distributed Strain Sensors Due to Weak Fiber Bragg Gratings
by Konstantin V. Stepanov, Andrey A. Zhirnov, Anton O. Chernutsky, Kirill I. Koshelev, Alexey B. Pnev, Alexey I. Lopunov and Oleg V. Butov
Sensors 2020, 20(22), 6431; https://doi.org/10.3390/s20226431 - 11 Nov 2020
Cited by 25 | Viewed by 3607
Abstract
Weak fiber Bragg gratings (WFBGs) in a phase-sensitive optical time-domain reflectometer (phi-OTDR) sensor offer opportunities to significantly improve the signal-to-noise ratio (SNR) and sensitivity of the device. Here, we demonstrate the process of the signal and noise components’ formation in the device reflectograms [...] Read more.
Weak fiber Bragg gratings (WFBGs) in a phase-sensitive optical time-domain reflectometer (phi-OTDR) sensor offer opportunities to significantly improve the signal-to-noise ratio (SNR) and sensitivity of the device. Here, we demonstrate the process of the signal and noise components’ formation in the device reflectograms for a Rayleigh scattering phi-OTDR and a WFBG-based OTDR. We theoretically calculated the increase in SNR when using the same optical and electrical components under the same external impacts for both setups. The obtained values are confirmed on experimental installations, demonstrating an improvement in the SNR by about 19 dB at frequencies of 20, 100, and 400 Hz. In this way, the minimum recorded impact (at the threshold SNR = 10) can be reduced from 100 nm per 20 m of fiber to less than 5 nm per 20 m of fiber sensor. Full article
(This article belongs to the Special Issue Fiber Optic Sensors and Fiber Lasers)
Show Figures

Figure 1

Back to TopTop