Sign in to use this feature.

Years

Between: -

Subjects

remove_circle_outline
remove_circle_outline
remove_circle_outline
remove_circle_outline
remove_circle_outline
remove_circle_outline
remove_circle_outline

Journals

Article Types

Countries / Regions

Search Results (5)

Search Parameters:
Keywords = flash deoxygenation

Order results
Result details
Results per page
Select all
Export citation of selected articles as:
32 pages, 18305 KB  
Review
Advances in Thermochemical/Catalytic Conversion Technologies for Co-Processing of Biomass and Municipal Solid Wastes
by Yujian Wu, Wenwen Liu, Linhong Xie, Leihe Cai, Haowei Li, Shengxian Xian, Zheng Liang, Qing Xu and Chunbao Xu
Catalysts 2026, 16(4), 366; https://doi.org/10.3390/catal16040366 (registering DOI) - 18 Apr 2026
Abstract
Thermochemical/catalytic co-processing of biomass and solid wastes is a promising route for waste valorization, low-carbon energy recovery, and the co-production of fuels, chemicals, and carbon materials. Conventional pathways, including pyrolysis, gasification, liquefaction, and carbonization, provide the basic framework for mixed-feed conversion. Emerging routes, [...] Read more.
Thermochemical/catalytic co-processing of biomass and solid wastes is a promising route for waste valorization, low-carbon energy recovery, and the co-production of fuels, chemicals, and carbon materials. Conventional pathways, including pyrolysis, gasification, liquefaction, and carbonization, provide the basic framework for mixed-feed conversion. Emerging routes, such as flash Joule heating, microwave-assisted conversion, plasma processing, supercritical water treatment, solar-driven systems, and machine-learning-assisted optimization, further expand opportunities for process intensification and selective upgrading. Owing to feedstock complementarity, including hydrogen donation from plastics, catalytic effects of ash minerals, and interactions among reactive intermediates, co-processing can enhance deoxygenation, hydrogen generation, aromatization, and carbon utilization. Major challenges remain, however, including feedstock heterogeneity, reactor scale-up, catalyst stability, and the limited transferability of laboratory-scale synergy to realistic waste streams. Future progress should therefore focus on continuous validation, mechanistic clarification, and integrated techno-economic, life-cycle, and data-driven assessments. Full article
Show Figures

Figure 1

15 pages, 3204 KB  
Article
Characterization of Pyrolysis Products of Forest Residues and Refuse-Derived Fuel and Evaluation of Their Suitability as Bioenergy Sources
by Despina Vamvuka, Katerina Esser and Dimitrios Marinakis
Appl. Sci. 2023, 13(3), 1482; https://doi.org/10.3390/app13031482 - 22 Jan 2023
Cited by 13 | Viewed by 2933
Abstract
The products generated from a fixed bed pyrolysis unit of solid waste materials were quantitatively characterized, and their energy potential was determined, in order to evaluate their suitability as energy sources. An elemental analyzer, a bomb calorimeter, an X-ray fluorescence spectrometer, a Couette [...] Read more.
The products generated from a fixed bed pyrolysis unit of solid waste materials were quantitatively characterized, and their energy potential was determined, in order to evaluate their suitability as energy sources. An elemental analyzer, a bomb calorimeter, an X-ray fluorescence spectrometer, a Couette viscometer and a TG-MS (thermogravimetric-mass spectrometry) analyzer were employed for the measurements. Biochars obtained at 450 °C were enriched in carbon; their calorific value was high (20–39 MJ/kg) and exceeded that of raw materials. These biochars can be utilized for energy production, preferably at temperatures below 1000 °C, to avoid slagging/fouling phenomena. The bio-oils of pinecones and forest residue obtained at 450 °C, with a density of 0.93–0.94 kg/m3, a pH of 2.1–3, a dynamic viscosity of 1.5–7 cP and a calorific value of 22–27 MJ/kg, were superior to typical flash pyrolysis oil and could be used in static applications for heat or electricity generation after a de-oxygenation process. The quality of RDF bio-oil was lower. The higher heating value of gases from pinecones and RDF fuels at 450 °C was satisfactory for the energy requirements of the process (13.6–13.8 MJ/m3); however, that of forest residue gas was moderately low. Full article
Show Figures

Figure 1

17 pages, 1712 KB  
Article
Effects of Flash Evaporation Conditions on the Quality of UHT Milk by Changing the Dissolved Oxygen Content in Milk
by Shiyao Jiang, Wenjing Luo, Qiuqi Peng, Zhengyan Wu, Hongbo Li, Hongjuan Li and Jinghua Yu
Foods 2022, 11(15), 2371; https://doi.org/10.3390/foods11152371 - 8 Aug 2022
Cited by 13 | Viewed by 4200
Abstract
This study assessed the impact of reducing dissolved oxygen (DO) content on the quality of UHT milk using a flash deoxygenation treatment. Flash deoxygenation was designed based on preheated milk reaching boiling early under low-pressure conditions to remove DO from the milk. Two [...] Read more.
This study assessed the impact of reducing dissolved oxygen (DO) content on the quality of UHT milk using a flash deoxygenation treatment. Flash deoxygenation was designed based on preheated milk reaching boiling early under low-pressure conditions to remove DO from the milk. Two parameters were designed for flash deoxygenation: preheating temperature 65 °C, −0.08 Mpa, and 70 °C, −0.06 Mpa. The flash conditions were applied to two UHT sterilization conditions (135 °C for 10 s and 145 °C for 5 s). After deoxygenation, the total oxidation (TOTOX) value of UHT milk was reduced by 1.4~1.71, and the protein carbonyl (PC) value was reduced by 1.15~1.52 nmol/mg of protein. The maximum inhibition rates of furusine and 5-HMF were 33.23 ± 1.72% and 25.43 ± 3.14%, respectively. The particle size was reduced by 0.141~0.178 μm. The ketones and stale aldehydes causing oxidized taste in the UHT milk were significantly reduced. This study showed that the oxidation and Maillard reactions of UHT milk were significantly inhibited, stability was improved, and the content of undesirable volatile flavor substances was reduced after flash deoxygenation. Therefore, reducing DO content was beneficial to improving the quality of UHT milk. Full article
(This article belongs to the Section Dairy)
Show Figures

Figure 1

21 pages, 5042 KB  
Article
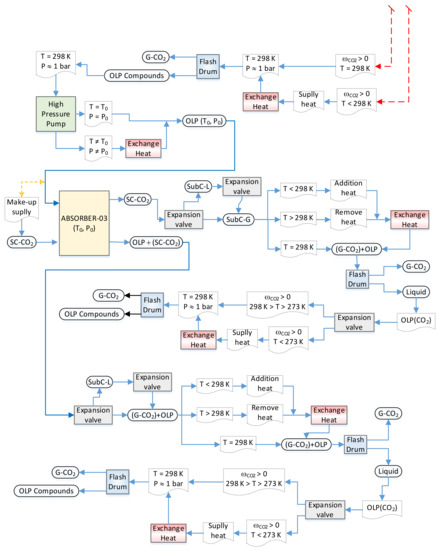
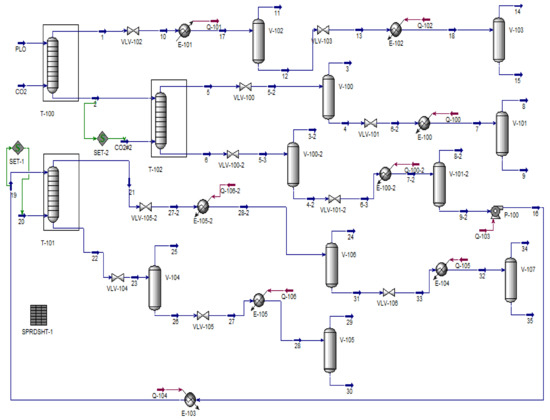
Simulation of Organic Liquid Product Deoxygenation through Multistage Countercurrent Absorber/Stripping Using CO2 as Solvent with Aspen-HYSYS: Process Modeling and Simulation
by Manoel Raimundo dos Santos Junior, Elinéia Castro Costa, Caio Campos Ferreira, Lucas Pinto Bernar, Marcilene Paiva da Silva, Andréia de Andrade Mâncio, Marcelo Costa Santos, Sílvio Alex Pereira da Mota, Douglas Alberto Rocha de Castro, Sergio Duvoisin Junior, Luiz Eduardo Pizarro Borges, Marilena Emmi Araújo and Nélio Teixeira Machado
Molecules 2022, 27(7), 2211; https://doi.org/10.3390/molecules27072211 - 29 Mar 2022
Cited by 1 | Viewed by 3924
Abstract
In this work, the deoxygenation of organic liquid products (OLP) obtained through the thermal catalytic cracking of palm oil at 450 °C, 1.0 atmosphere, with 10% (wt.) Na2CO3 as a catalyst, in multistage countercurrent absorber columns using supercritical carbon dioxide [...] Read more.
In this work, the deoxygenation of organic liquid products (OLP) obtained through the thermal catalytic cracking of palm oil at 450 °C, 1.0 atmosphere, with 10% (wt.) Na2CO3 as a catalyst, in multistage countercurrent absorber columns using supercritical carbon dioxide (SC-CO2) as a solvent, with an Aspen-HYSYS process simulator, was systematically investigated. In a previous study, the thermodynamic data basis and EOS modeling necessary to simulate the deoxygenation of OLP was presented. This work addresses a new flowsheet, consisting of 03 absorber columns, 10 expansions valves, 10 flash drums, 08 heat exchanges, 01 pressure pump, and 02 make-ups of CO2, aiming to improve the deacidification of OLP. The simulation was performed at 333 K, 140 bar, and (S/F) = 17; 350 K, 140 bar, and (S/F) = 38; 333 K, 140 bar, and (S/F) = 25. The simulation shows that 81.49% of OLP could be recovered and that the concentrations of hydrocarbons in the extracts of absorber-01 and absorber-02 were 96.95 and 92.78% (wt.) on a solvent-free basis, while the bottom stream of absorber-03 was enriched in oxygenated compounds with concentrations of up to 32.66% (wt.) on a solvent-free basis, showing that the organic liquid products (OLP) were deacidified and SC-CO2 was able to deacidify the OLP and obtain fractions with lower olefin contents. The best deacidifying condition was obtained at 333 K, 140 bar, and (S/F) = 17. Full article
(This article belongs to the Section Molecular Liquids)
Show Figures

Figure 1

17 pages, 4947 KB  
Article
Catalytic Flash Pyrolysis of Biomass Using Different Types of Zeolite and Online Vapor Fractionation
by Ali Imran, Eddy A. Bramer, Kulathuiyer Seshan and Gerrit Brem
Energies 2016, 9(3), 187; https://doi.org/10.3390/en9030187 - 11 Mar 2016
Cited by 54 | Viewed by 7882
Abstract
Bio-oil produced from conventional flash pyrolysis has poor quality and requires expensive upgrading before it can be used as a transportation fuel. In this work, a high quality bio-oil has been produced using a novel approach where flash pyrolysis, catalysis and fractionation of [...] Read more.
Bio-oil produced from conventional flash pyrolysis has poor quality and requires expensive upgrading before it can be used as a transportation fuel. In this work, a high quality bio-oil has been produced using a novel approach where flash pyrolysis, catalysis and fractionation of pyrolysis vapors using two stage condensation are combined in a single process unit. A bench scale unit of 1 kg/h feedstock capacity is used for catalytic pyrolysis in an entrained down-flow reactor system equipped with two-staged condensation of the pyrolysis vapor. Zeolite-based catalysts are investigated to study the effect of varying acidities of faujasite Y zeolites, zeolite structures (ZSM5), different catalyst to biomass ratios and different catalytic pyrolysis temperatures. Low catalyst/biomass ratios did not show any significant improvements in the bio-oil quality, while high catalyst/biomass ratios showed an effective deoxygenation of the bio-oil. The application of zeolites decreased the organic liquid yield due to the increased production of non-condensables, primarily hydrocarbons. The catalytically produced bio-oil was less viscous and zeolites were effective at cracking heavy molecular weight compounds in the bio-oil. Acidic zeolites, H-Y and H-ZSM5, increased the desirable chemical compounds in the bio-oil such as phenols, furans and hydrocarbon, and reduced the undesired compounds such as acids. On the other hand reducing the acidity of zeolites reduced some of the undesired compounds in the bio-oil such as ketones and aldehydes. The performance of H-Y was superior to that of the rest of zeolites studied: bio-oil of high chemical and calorific value was produced with a high organic liquid yield and low oxygen content. H-ZSM5 was a close competitor to H-Y in performance but with a lower yield of bio-oil. Online fractionation of catalytic pyrolysis vapors was employed by controlling the condenser temperature and proved to be a successful process parameter to tailor the desired bio-oil properties. A high calorific value bio-oil having up to 90% organics was produced using two staged condensation of catalytic pyrolysis vapor. Zeolite-based acidic catalysts can be used for selective deoxygenation, and the catalytic bio-oil quality can be further improved with staged vapor condensation. Full article
Show Figures

Figure 1

Back to TopTop